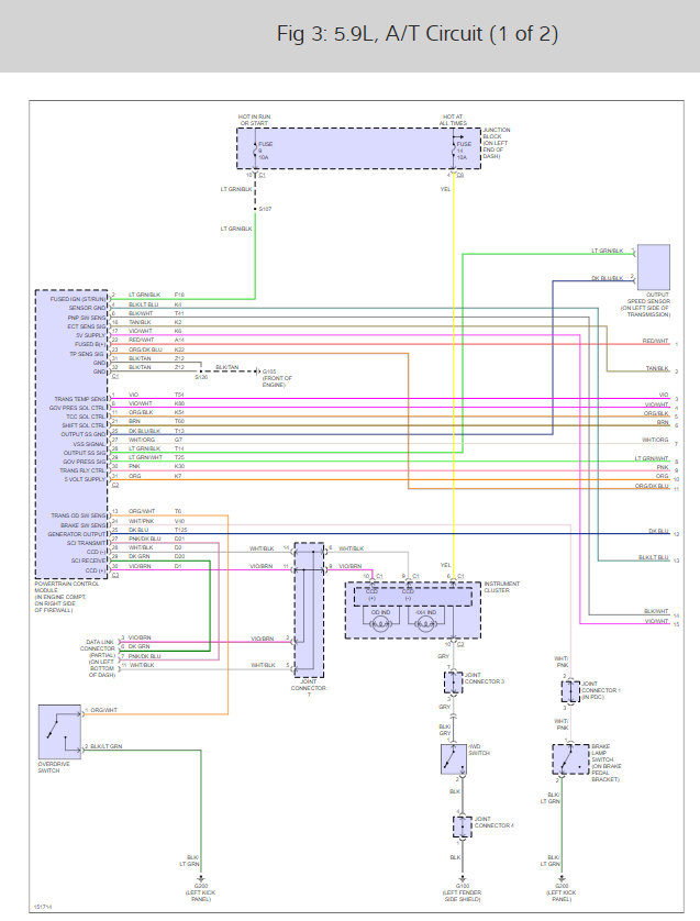
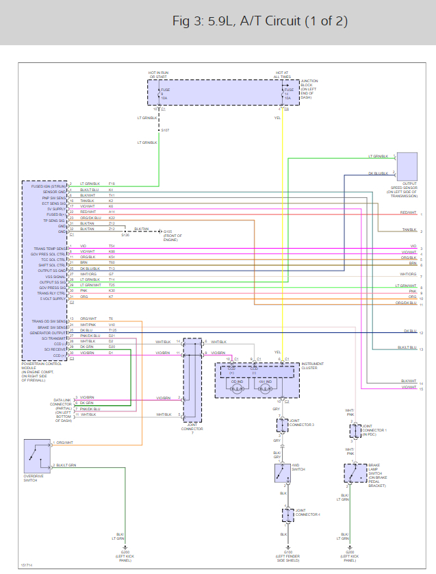
Sunday, April 8th, 2012 AT 2:47 PM
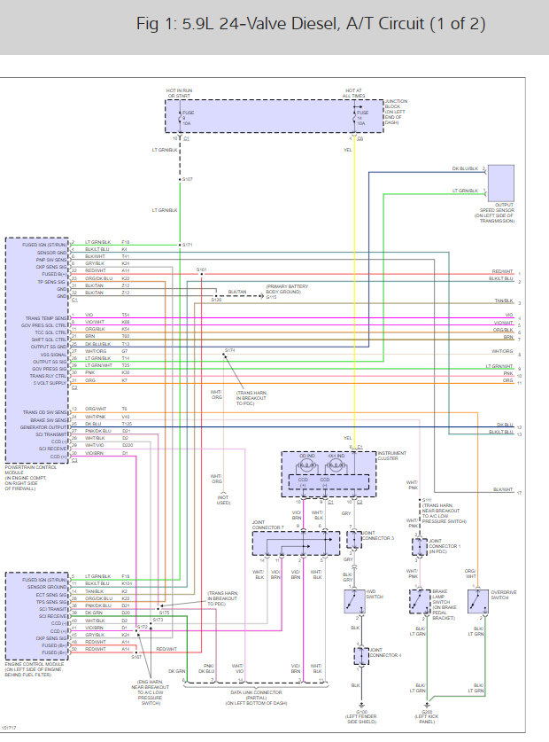
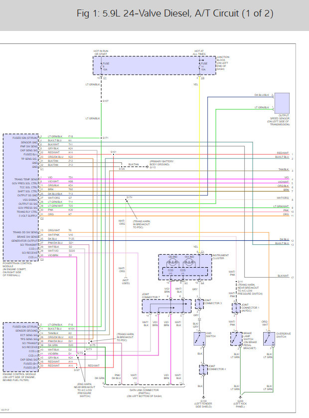
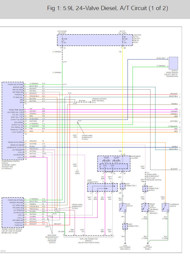
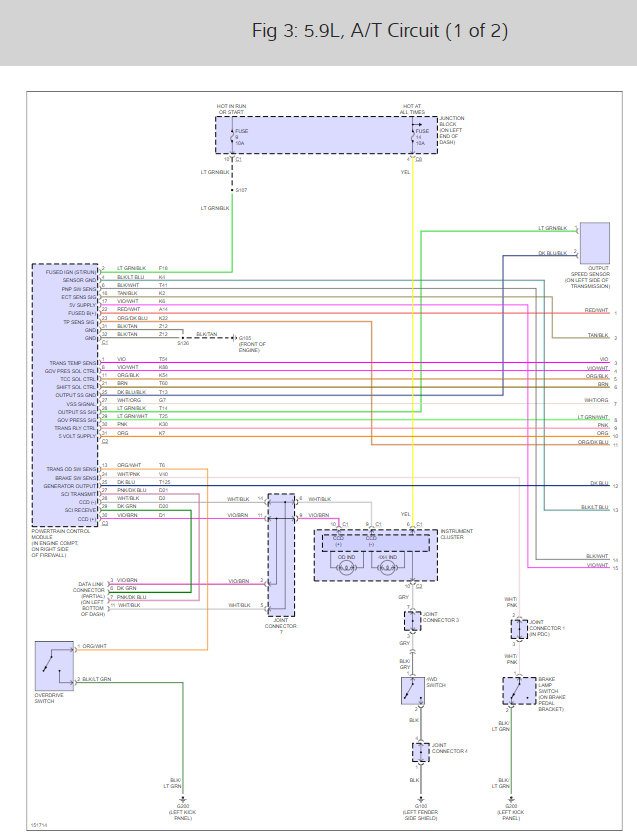
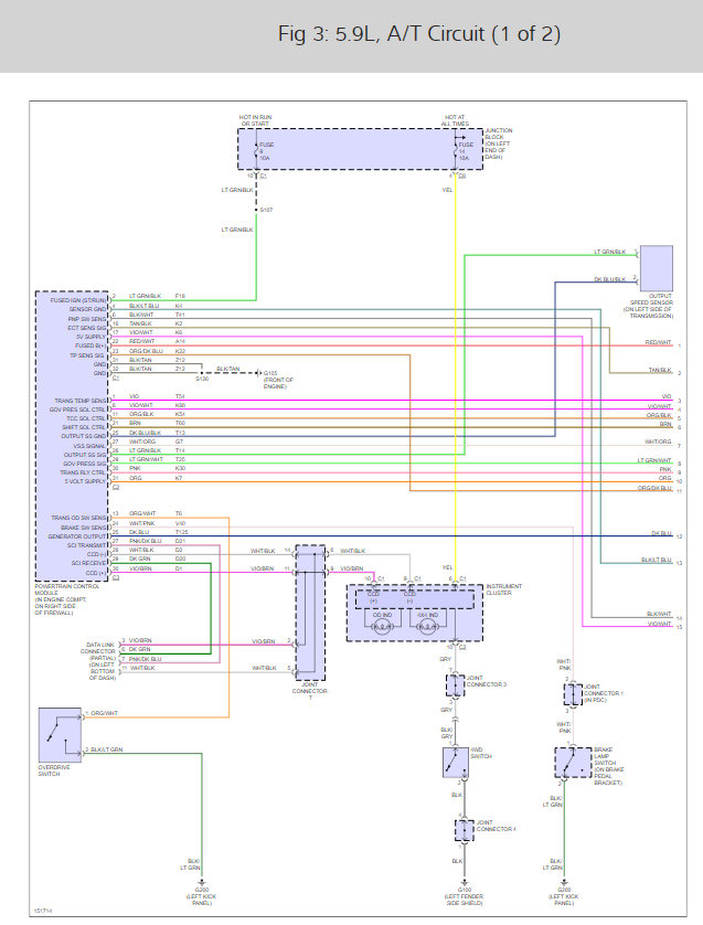
Help! I have the truck listed above1500 Hemi that drove perfectly fine earlier today. I have had no recent transmission problems at all nothing. Today I was driving home and suddenly nothing it was like truck was in neutral. I move the shifter but it is not going into reverse or any forward gears! The transmission has been working 100% normally up to this point then suddenly this happened with no previous signs at all that something was going wrong, fluid level is normal. Any help is greatly appreciated. Any suggestions, ideas? Is the transmission just done suddenly or could there be sensors or anything like that causing this?














