Transfer case wiring diagrams please?

Tiny
BOBO6695
  • MEMBER
  • 2006 FORD F-150
  • 5.4L
  • V8
  • 4WD
  • AUTOMATIC
  • 125,000 MILES
The truck is stuck in four wheel low and will not go into 2 wheel or 4 wheel high
Friday, June 5th, 2015 AT 4:09 PM

1 Reply

Tiny
KEN L
  • MASTER CERTIFIED MECHANIC
  • 55,469 POSTS
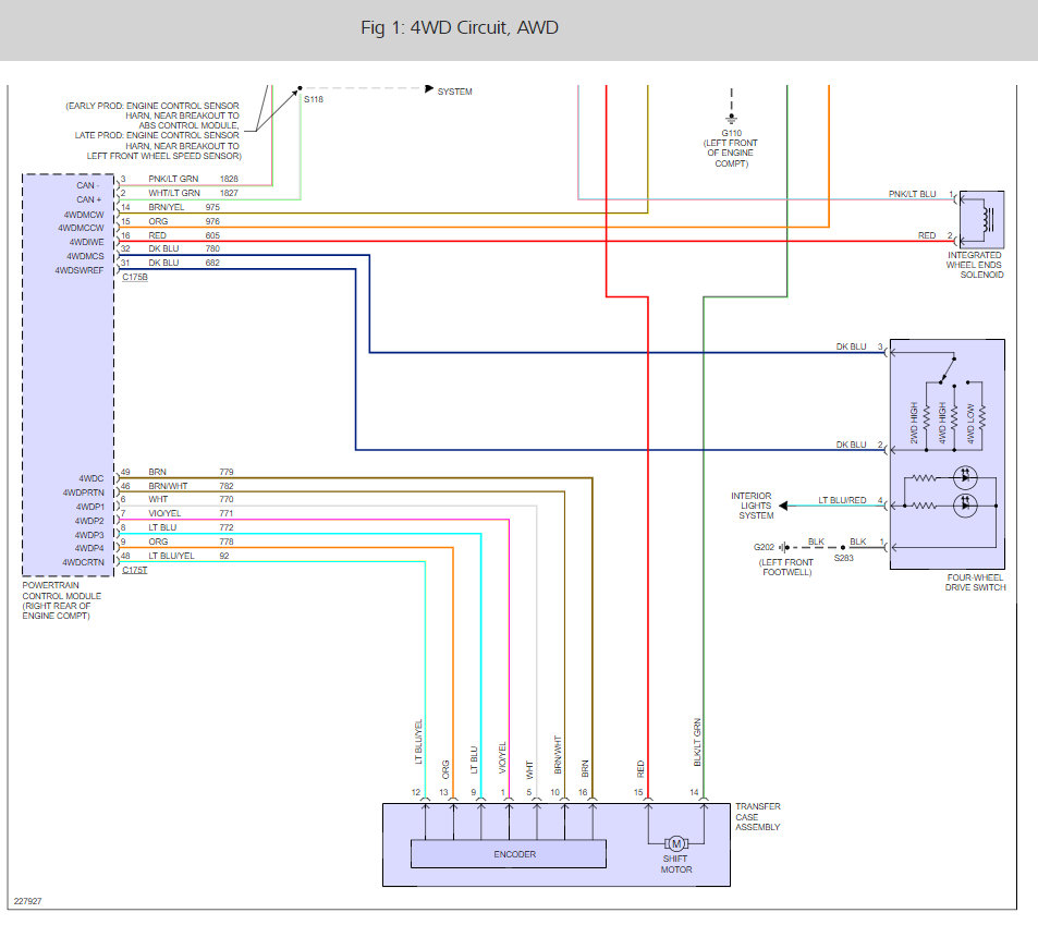
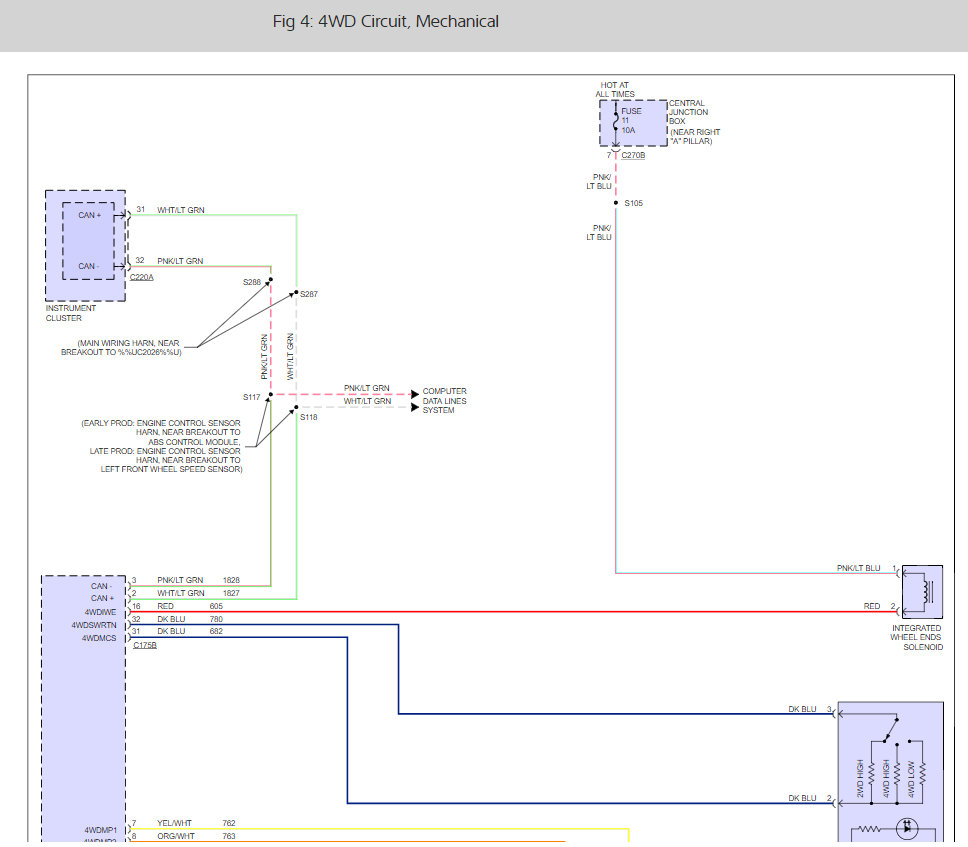
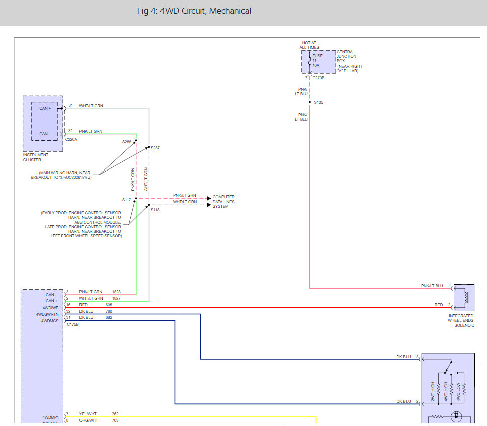
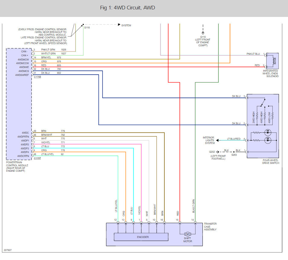
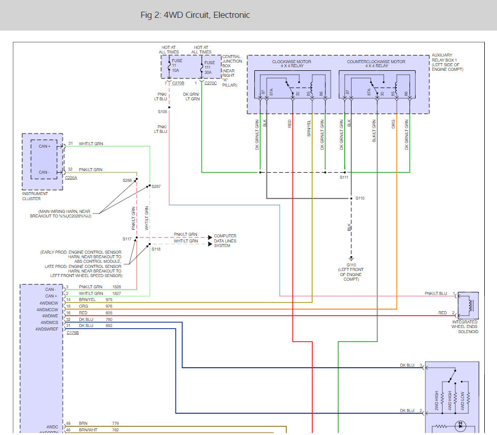
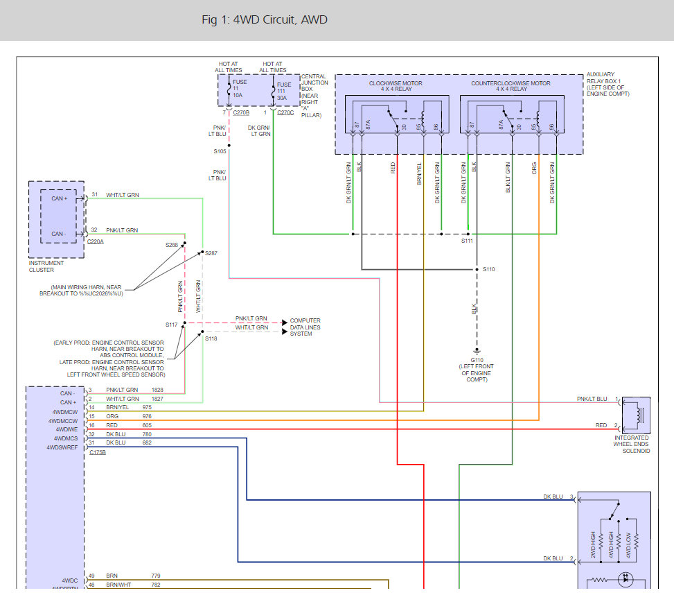
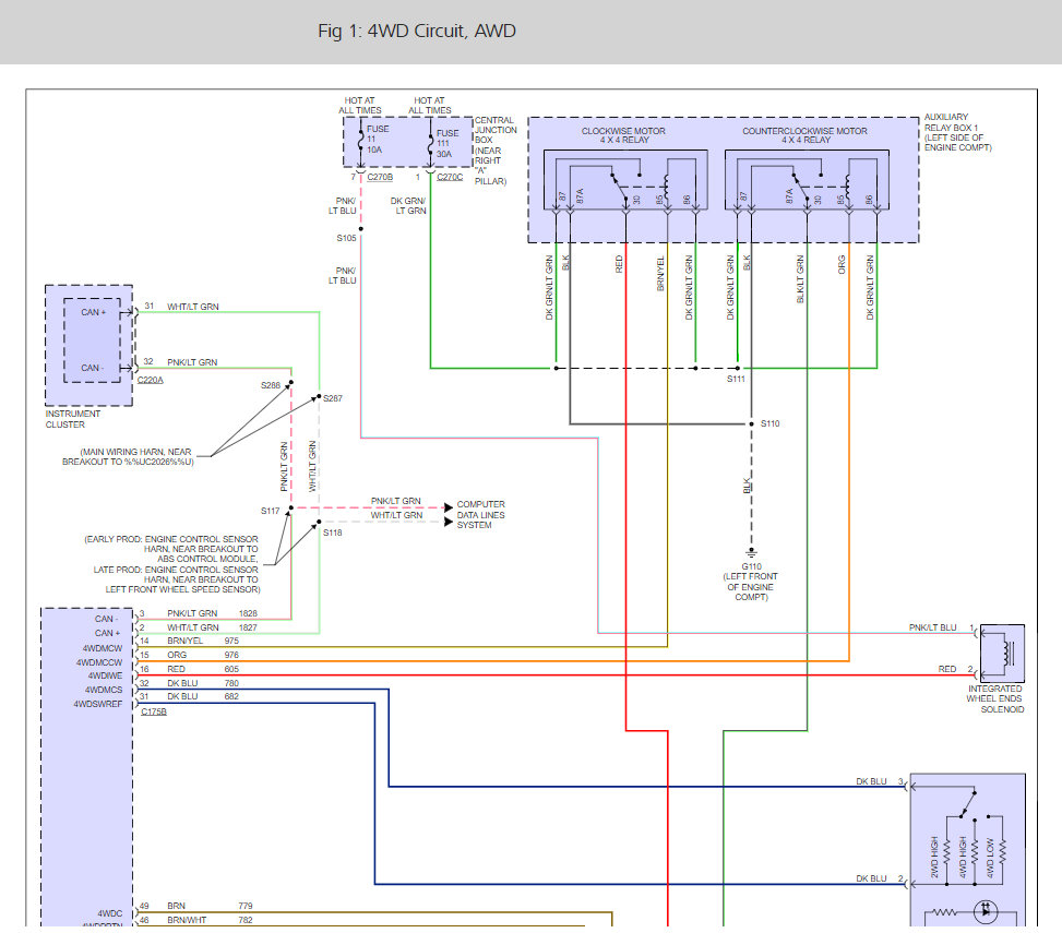
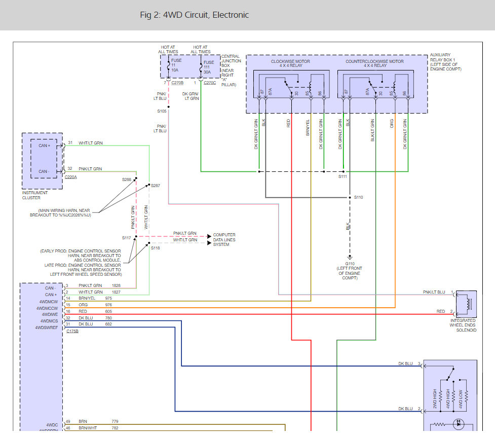
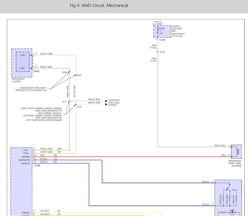
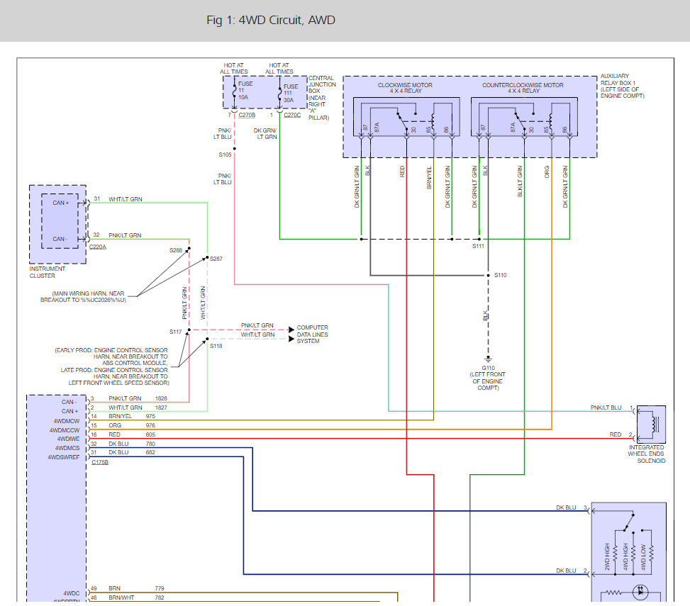
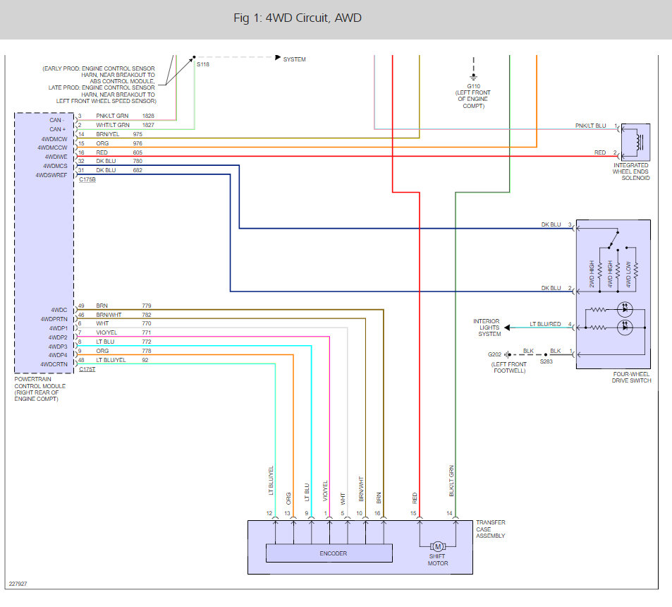
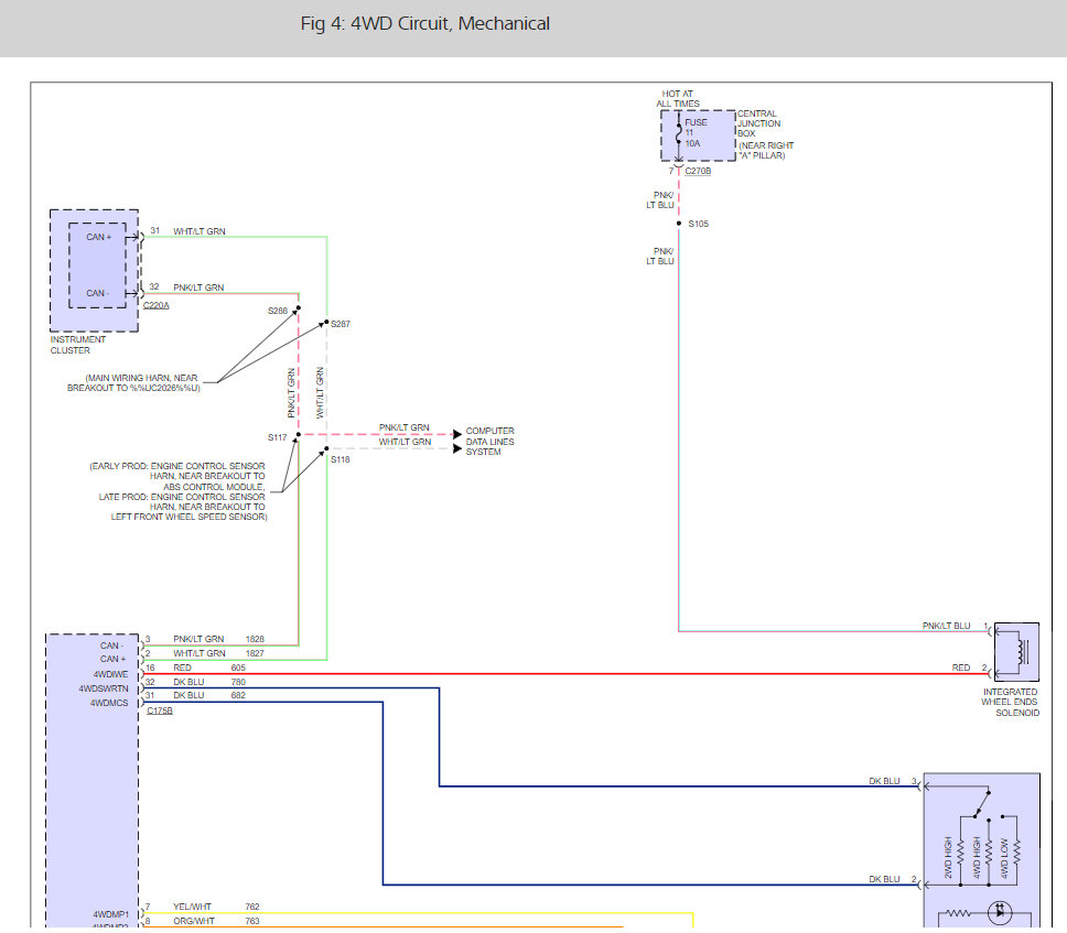
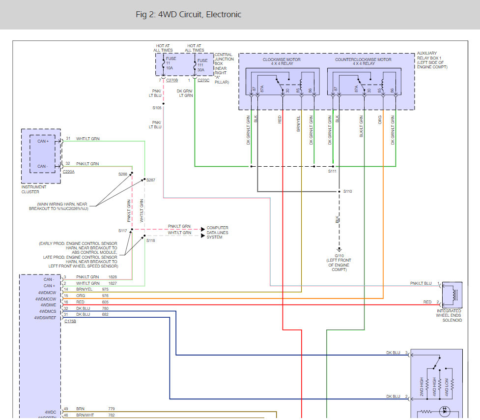
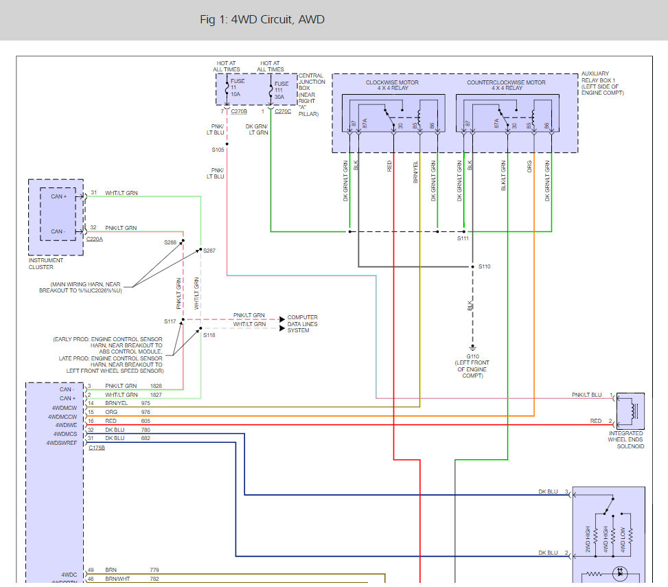
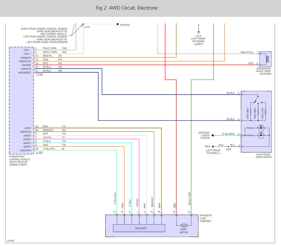
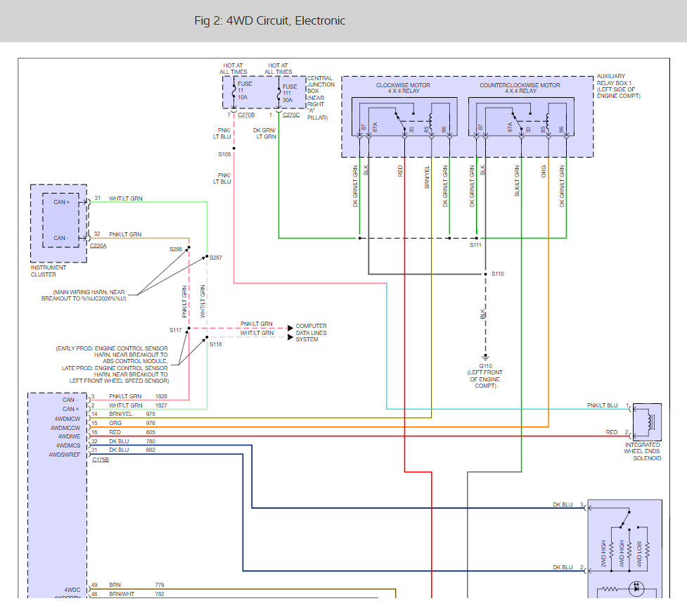
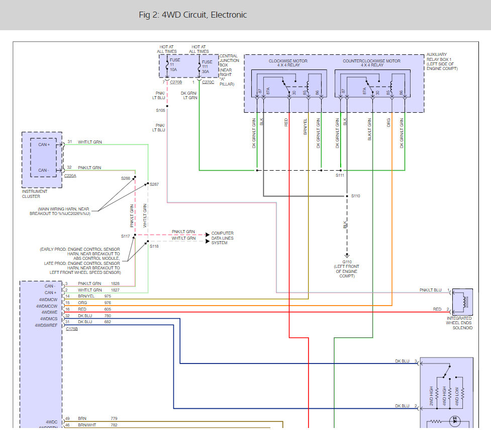
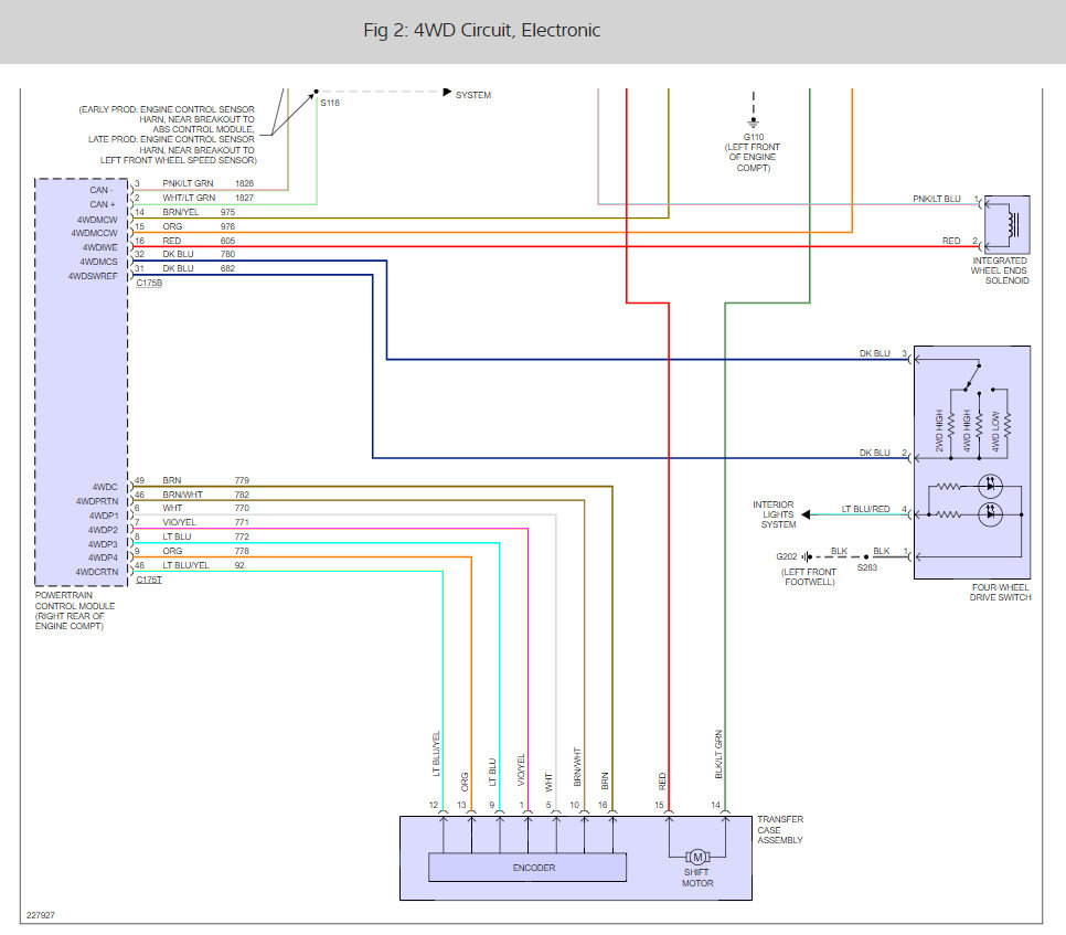
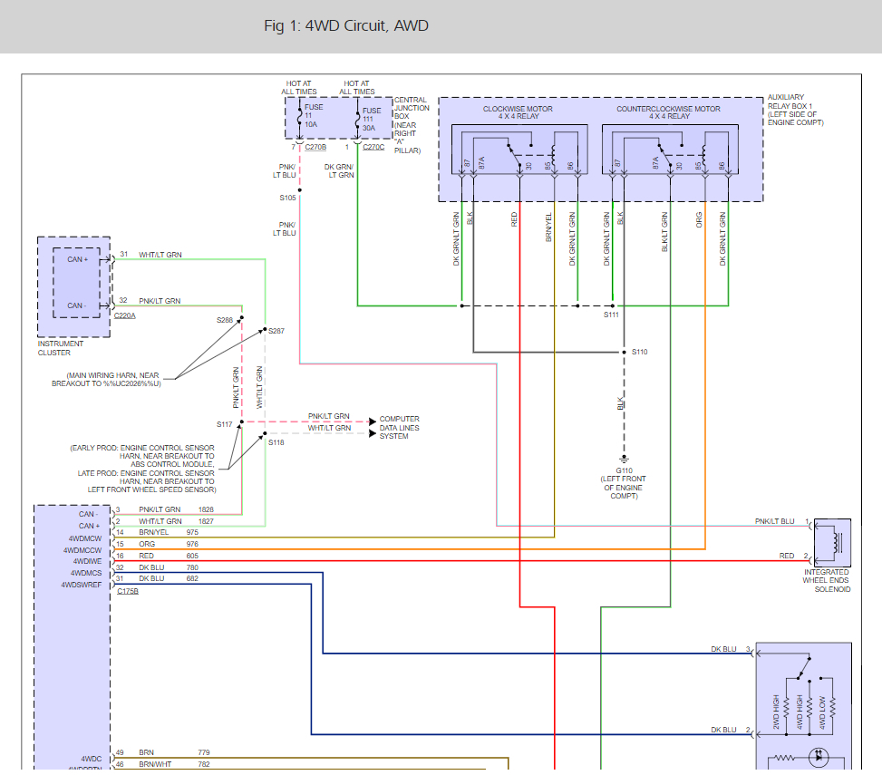
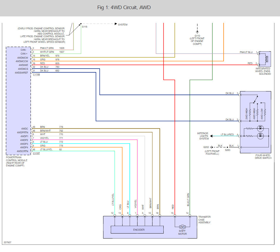
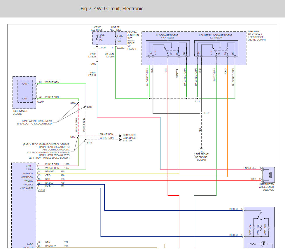
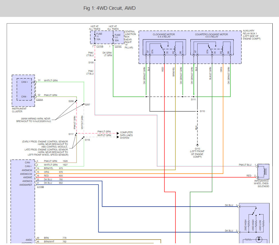
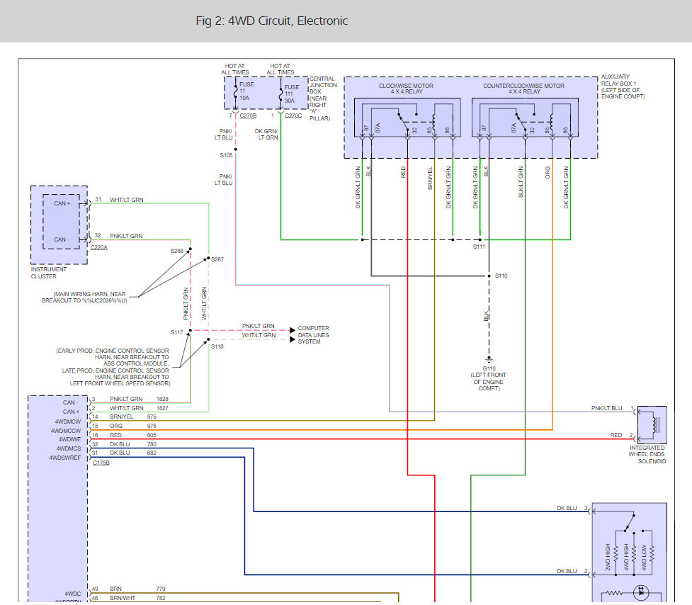
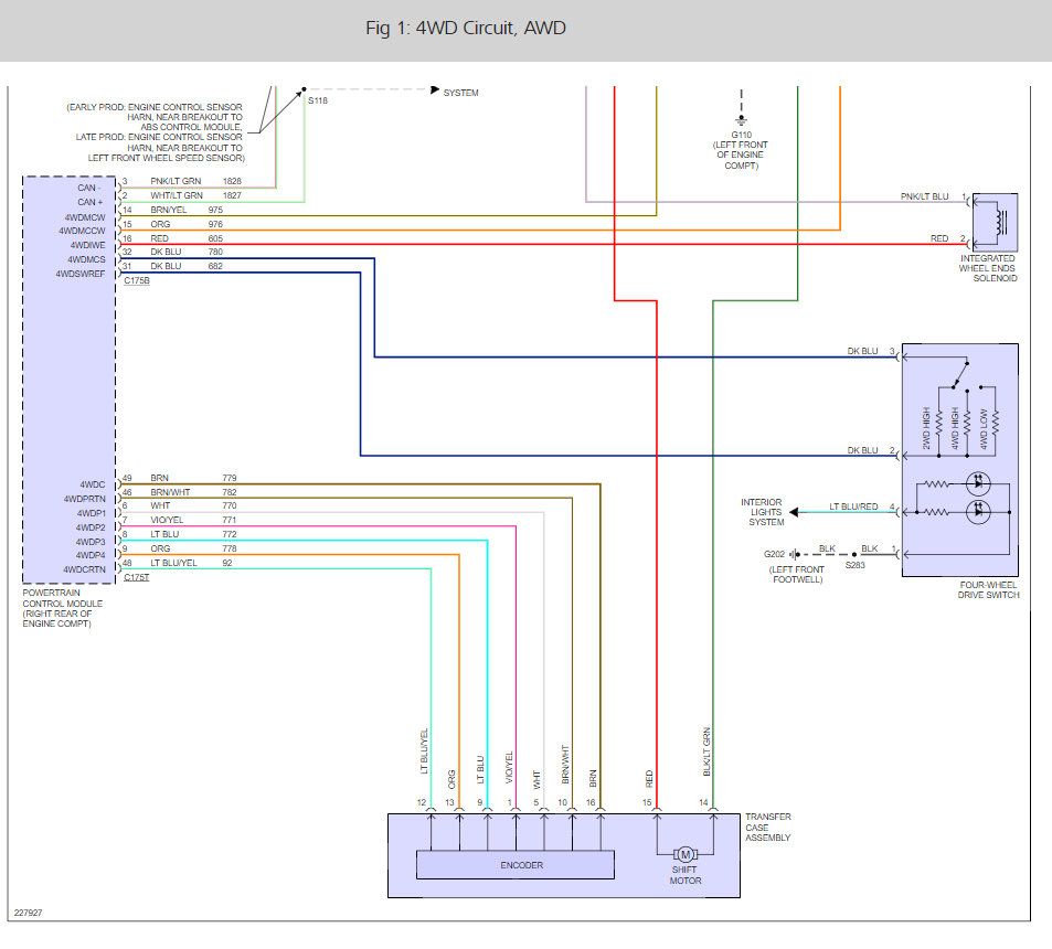
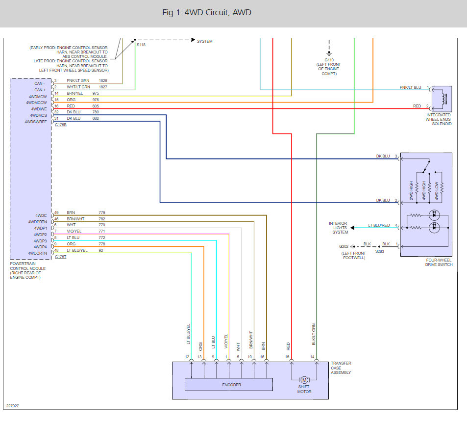
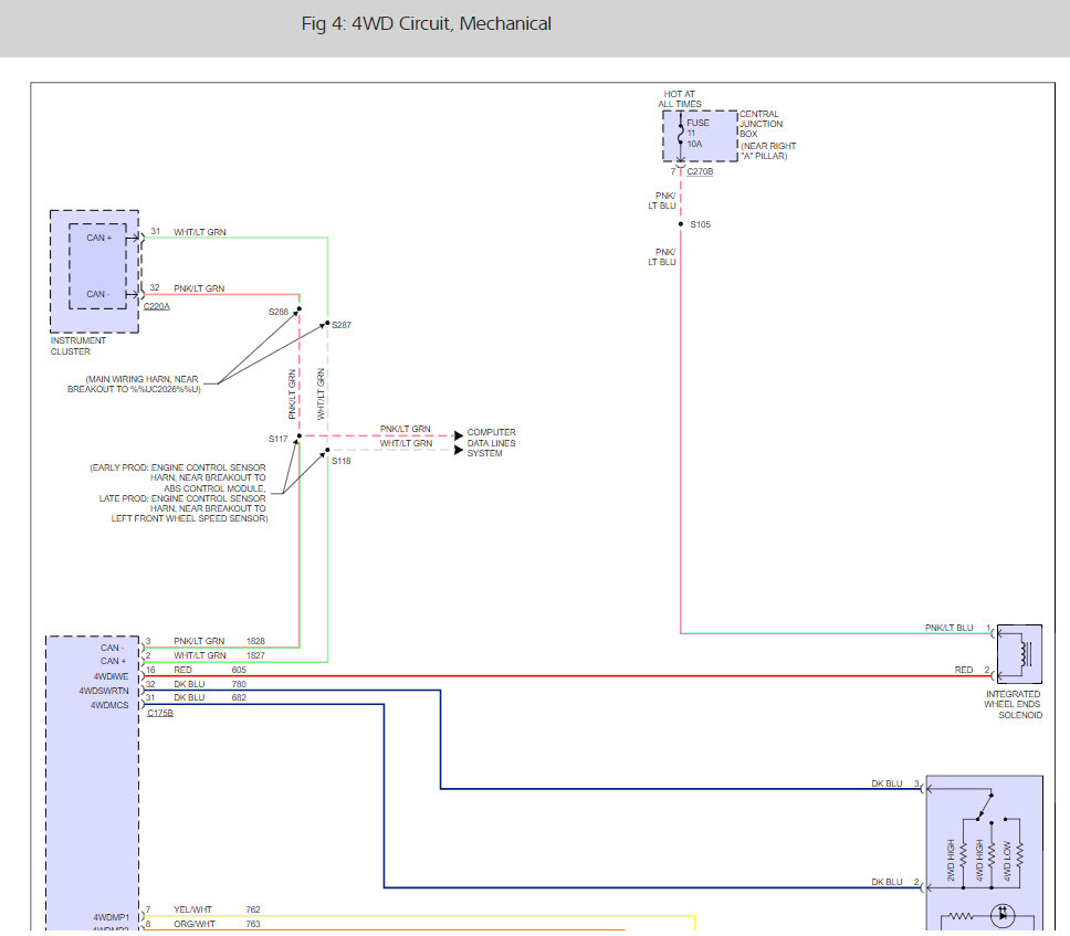
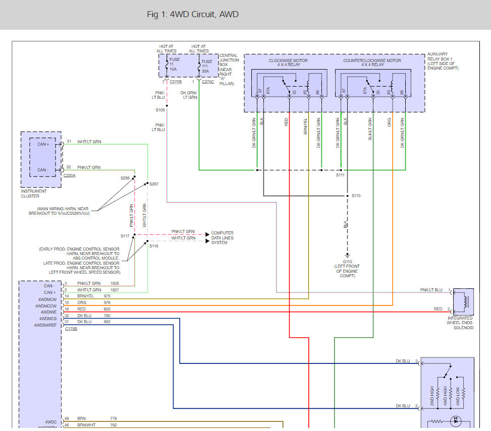
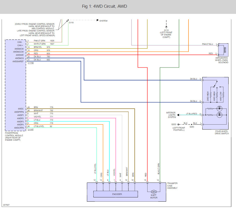
It sounds like you have a selector switch that is shorted and needs to be replaced. HEre are some wiring diagrams and guides to help us do some testing. You should test the fuses and relays to be safe.

https://www.2carpros.com/articles/how-to-check-a-car-fuse

and

https://www.2carpros.com/articles/how-to-check-an-electrical-relay-and-wiring-control-circuit

and

https://www.2carpros.com/articles/how-to-check-wiring

and

https://www.2carpros.com/articles/how-to-use-a-voltmeter

Here are the diagrams (below)

Please let us know.

Cheers, Ken
Was this
answer
helpful?
Yes
No
-3
Monday, April 12th, 2021 AT 12:16 PM

Please login or register to post a reply.