The blower motor stays running and will not shut off?

Tiny
KDGHOUSE
  • MEMBER
  • 2 POSTS
  • 2004 CHEVROLET SILVERADO
  • 5.3L
  • V8
  • 2WD
  • AUTOMATIC
  • 140,000 MILES
A/c blower motor runs on high only and keeps running after turning ignition switch off
Was this
answer
helpful?
Yes
No
Tuesday, May 25th, 2021 AT 11:48 AM (Merged)
Tiny
KASEKENNY
  • MECHANIC
  • 18,907 POSTS
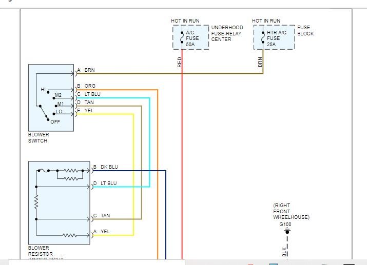
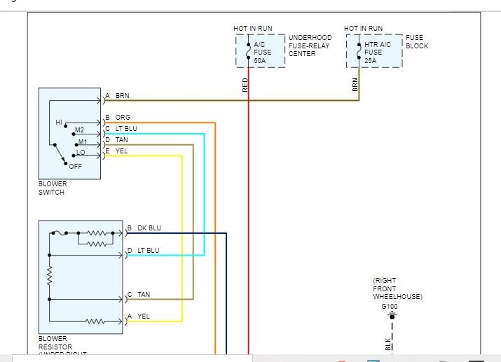
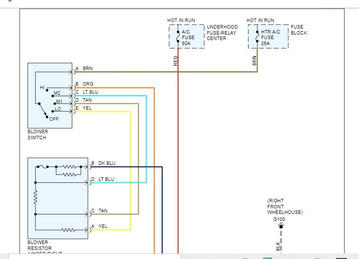
This is most likely due to the relay (resistor assembly in this case), as it is most likely failed and stuck on high.

Here is a guide that will help in testing the relay:

https://www.2carpros.com/articles/how-to-check-an-electrical-relay-and-wiring-control-circuit

If it were me, I would just go ahead and replace this as this is sure to be the issue.

I included the process to replace it as well as the wiring diagrams below.

Please let us know if you have questions. Thanks
Was this
answer
helpful?
Yes
No
Tuesday, May 25th, 2021 AT 11:48 AM (Merged)
Tiny
MOTOR MASTER
  • MECHANIC
  • 279 POSTS
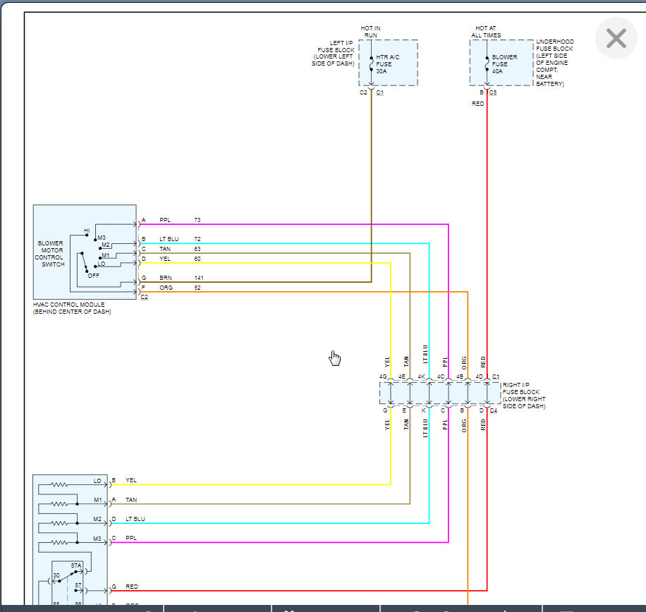
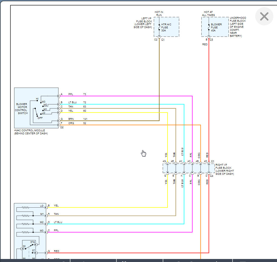
Hello my name is Dave.

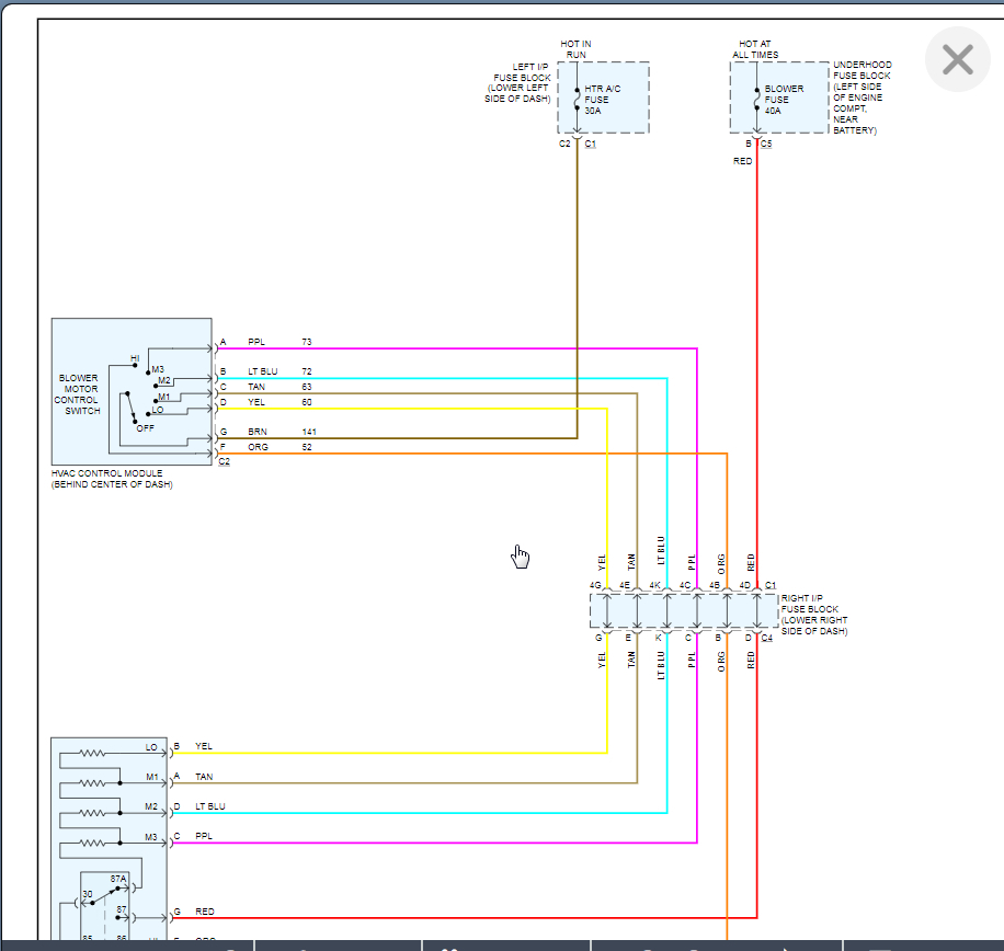
The first suspect is a stuck high speed blower relay, I am attaching the diagram that shows the wiring for it. There is also a small chance that there is a short to positive between C2, C1 and B2, however I would be surprised if that was the case. If you can find the relay and unplug it and see if the blower stops then that would eliminate a short between C1and positive, if it still runs with the relay unplugged there has to be a short between C1 and positive, in that case look for melted wires. Again I strongly suspect that the relay is stuck in the high on position.

To further help you track down the problem here is a link to our tutorial on using a voltmeter:

https://www.2carpros.com/articles/how-to-use-a-voltmeter

Using the meter if you test for continuity between C1 and A2 of the relay (not the wiring) and find it has continuity then the relay is stuck in the high on position, if it doesn't have continuity then it is almost certainly a short to positive in the wiring.

In this case we will want to check for voltage to both C1 and C2 wires (not the relay). Whichever wire has voltage will need to be traced back to the other end as shown in the diagram, looking for melted wires. The repair would consist of replacing the shorted wire however it is almost certain that there is another damaged wire that it is making contact with so it is very important to trace it form end to end to make sure the other wire it is making contact with also gets repaired.

Hopefully this helps you track down your problem. Please keep us up to date on your progress and thank you for using 2CarPros!
Was this
answer
helpful?
Yes
No
Tuesday, May 25th, 2021 AT 11:49 AM (Merged)

Please login or register to post a reply.