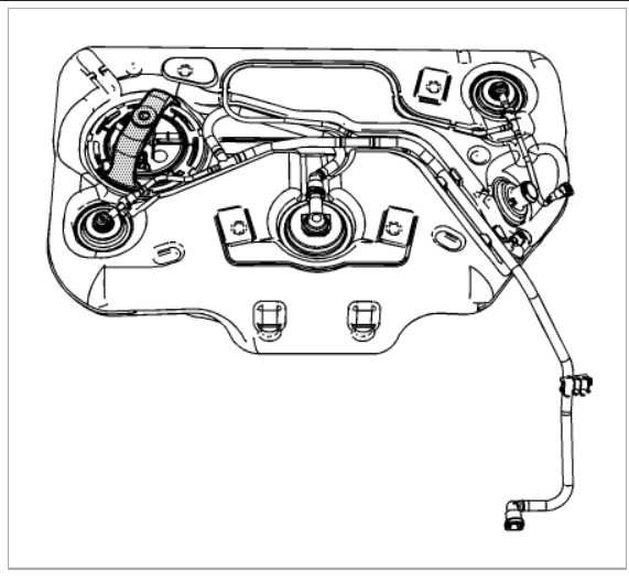
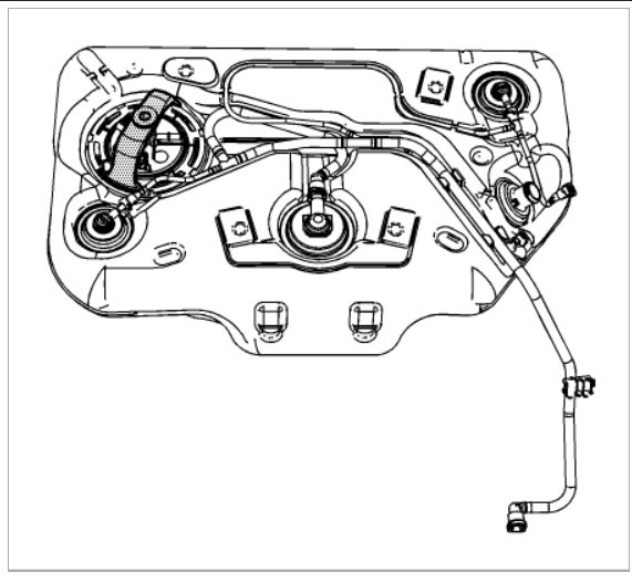
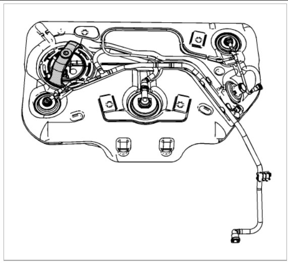
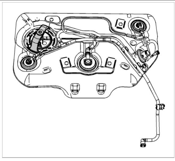
Sunday, April 8th, 2018 AT 4:52 PM
My car is the CXL model. Car spits sputters and cuts off, sometimes it will run smooth. I have had a large amount of things changed: spark plugs and wires, coil packs, camshaft sensor, and starter. Please help me.

























