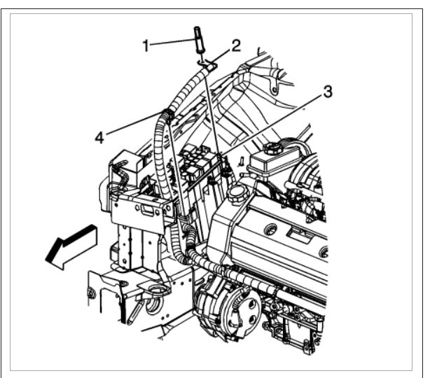
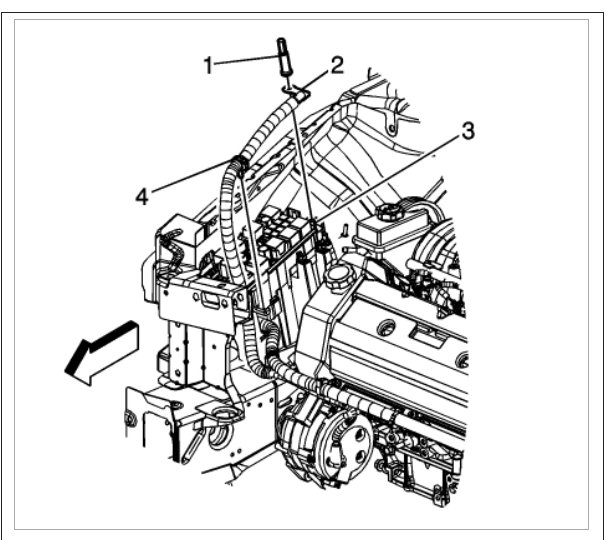
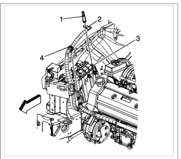
Tuesday, August 30th, 2011 AT 4:29 PM
This car starts and runs ok but it dies while i'm driving it. At this time when I try the starter it will only click. After about two minutes it will starter it will only click. After app. Two minutes it will start and run ok for a while. Battery is new and alternator is ok












