I was driving the van and the battery light came on

Tiny
TKRUSER8
  • MEMBER
  • 2003 FORD WINDSTAR
  • 186,000 MILES
I was driving the van and the battery light came on. Car started running a little funky. Stopped and had battery and alternator checked and both were fine. Is there maybe a connection loose somewhere?
Monday, June 24th, 2013 AT 9:15 AM

1 Reply

Tiny
KASEKENNY
  • MECHANIC
  • 18,907 POSTS
If the battery and alternator both passed tests that are shown here in these guides, then we can move onto electrical connections or even a PCM issue.

https://www.2carpros.com/articles/how-to-check-a-car-alternator

https://www.2carpros.com/articles/car-battery-load-test

However, if they were not tested as shown then we need to have these tests run to ensure they are not the cause.

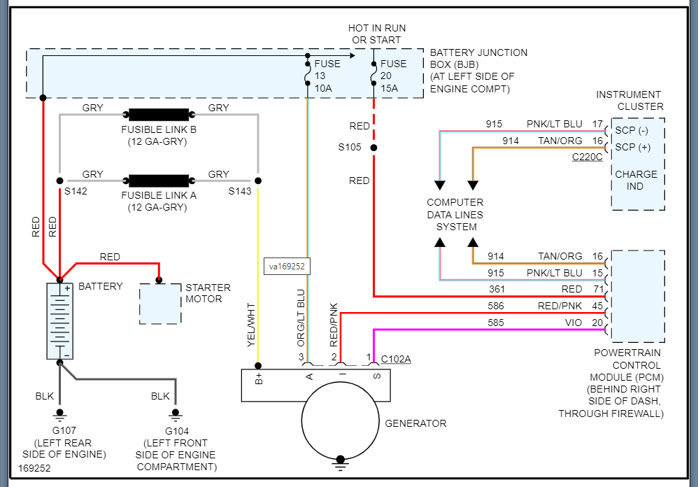
Assuming they passed this then we need to go to the alternator and check the voltage on all four wires while the engine is running to find out if we have a wiring or resistance issue. The most likely cause is a fusible link has failed so this test will tell us that.

We can then do a voltage drop test to find out for sure how the wiring is. You do this by putting your meter leads at both ends of the circuits and see what the voltage is on just the wire. It should be very low, like less than half a volt.

https://www.2carpros.com/articles/how-to-check-wiring

https://www.2carpros.com/articles/how-to-use-a-voltmeter

You can also do a resistance check but the voltage drop does not require you to disconnect the circuit.

So put one meter lead on battery positive and the other on the B+ terminal at the alternator.

See the wiring diagram below and let us know what you find with this.

Thanks
Was this
answer
helpful?
Yes
No
Friday, October 29th, 2021 AT 5:41 PM

Please login or register to post a reply.