Saturday, March 14th, 2015 AT 7:31 AM
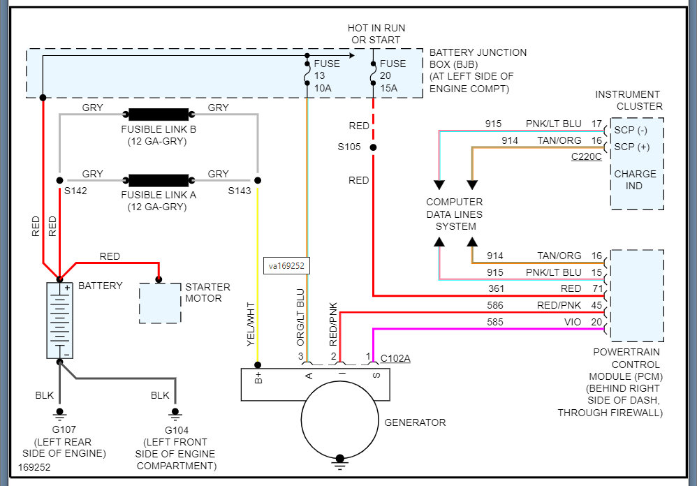
The check engine light is on, and the battery light comes on sometimes. Been diagnosed with alternator going out but it was replaced a couple of years ago. Also has rough idle lately, and able to cruise at forty mph without touching the gas pedal. After high idle there is a burning smell. I can also feel transmission slipping just slightly from time to time. And power windows act up, sometimes one window will stop working and another window that did not work will start working. Could a PCM be causing all these problems? Should I try resetting it?

