Engine overheating

Tiny
KEN L
  • MASTER CERTIFIED MECHANIC
  • 55,297 POSTS
Good to hear, please use 2CarPros anytime we are here to help.

Cheers, Ken
Was this
answer
helpful?
Yes
No
Monday, June 19th, 2017 AT 10:44 AM
Tiny
JOSH WILLIAMS
  • MEMBER
  • 4 POSTS
Can a bad aux water pump on 02 ls v8 cause overheating? Changed thermostat and it quit overheating for about 90 miles. Car began to overheat again. Heater also doesn't work. Cant get steady stream from bleed hose by degas when I try. Already have electric fan bypass installed
Was this
answer
helpful?
Yes
No
Wednesday, January 10th, 2018 AT 5:29 PM
Tiny
KEN L
  • MASTER CERTIFIED MECHANIC
  • 55,297 POSTS
Because of the heater not working along with the engine overheating I would think you have a blown head gasket which fills up the heater core with exhaust gases making it not work.

Here is a guide top help confirm the issue.

https://www.2carpros.com/articles/head-gasket-blown-test

Please run this test and get back to us.

Cheers, Ken
Was this
answer
helpful?
Yes
No
Thursday, January 11th, 2018 AT 11:52 AM
Tiny
JOSH WILLIAMS
  • MEMBER
  • 4 POSTS
Inhad the car for about 7 months woth the heater not working before having any over heating issues. Woukd that matter? Will follow link now
Was this
answer
helpful?
Yes
No
Thursday, January 11th, 2018 AT 12:15 PM
Tiny
KEN L
  • MASTER CERTIFIED MECHANIC
  • 55,297 POSTS
It can happen overnight basically let me know what you find.
Was this
answer
helpful?
Yes
No
Thursday, January 11th, 2018 AT 12:29 PM
Tiny
JOSH WILLIAMS
  • MEMBER
  • 4 POSTS
Bottom of oil cap has residue like described in link
Was this
answer
helpful?
Yes
No
Thursday, January 11th, 2018 AT 12:31 PM
Tiny
KEN L
  • MASTER CERTIFIED MECHANIC
  • 55,297 POSTS
Yep you have found the problem. Please let us know how much It will cost to fix.
Was this
answer
helpful?
Yes
No
Friday, January 12th, 2018 AT 10:17 AM
Tiny
JOSH WILLIAMS
  • MEMBER
  • 4 POSTS
  • 2002 LINCOLN LS
  • 3.9L
  • V8
  • 2WD
  • AUTOMATIC
  • 250,000 MILES
It is overheating. I have replaced the thermostat and it fixed the problem for about ninety miles and then overheated again. There is no coolant in my oil or oil in my coolant. I have tried to bleed the system, but I cannot get anything to come out of the bleed hose by the degas bottle. None of the hoses leak that I can tell. It "boils" over in my degas bottle. I have been reading that those degas bottles can fail quite often. So that was where my next stop was going to be. However, today I was told it was likely the auxiliary water pump. When Googling it mentioned heater not working. Which my heater has not worked since I purchased it used. Would this cause overheating? About to just sell this car if I cannot figure it out quickly. Thank you.
Was this
answer
helpful?
Yes
No
Friday, January 12th, 2018 AT 11:34 AM (Merged)
Tiny
LEMONDCYCLE23
  • MEMBER
  • 5 POSTS
  • 2002 LINCOLN LS
  • 150,000 MILES
I was just driving on the interstate, then like four hours into the trip the car started to overheat. So I turned the heater on in the vehicle and the temperature went down. However, I ran into traffic then it took a dump on me. The status indicator advised pulling over and shut off ignition. I did so and let it cool off turned it back on and checked oil level, and coolant levels, both were fine. There were no leaks, so I turned the car on after cooling and checked the engine compartment turns out the radiator fan stopped working. Please help me out.
Was this
answer
helpful?
Yes
No
Wednesday, August 1st, 2018 AT 8:25 PM (Merged)
Tiny
BILLYMAC
  • MECHANIC
  • 2,204 POSTS
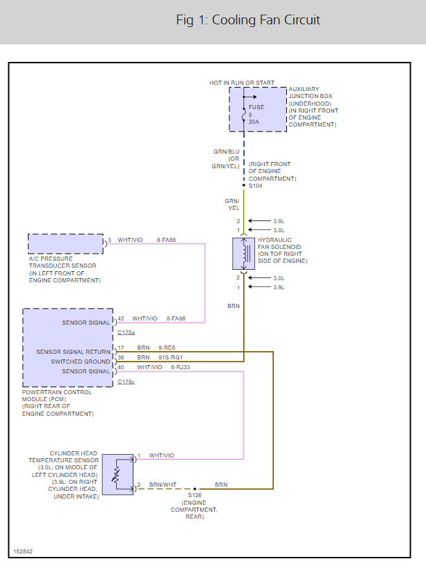
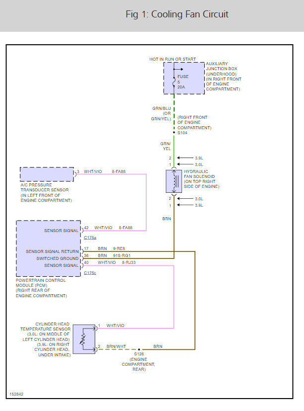
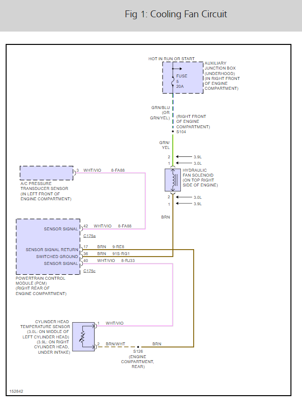
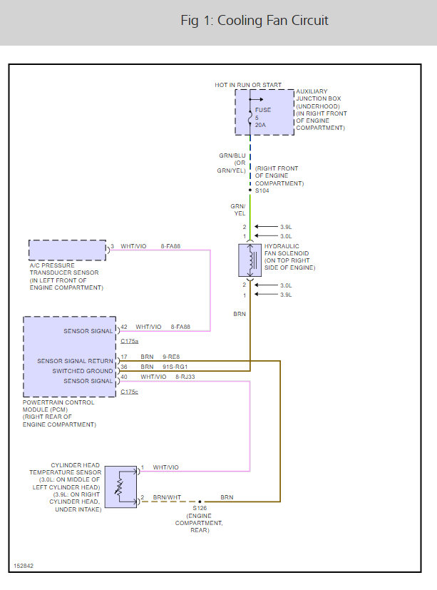
Hi, the cooling fan works off from a temperature switch that senses when engine temperature requires cool down. Also, a fan relay so the fan relay fan motor or temperature sensor has failed. I would have vehicle scanned for codes this will help pinpoint which one has failed. Here are the fan wiring diagrams so we can see how the system works.

These guides can help as well.

https://www.2carpros.com/articles/engine-overheating-or-running-hot

and

https://www.2carpros.com/articles/replace-electric-fan-motor

Check out the diagrams (below). Please let us know what happens.

Cheers
Was this
answer
helpful?
Yes
No
+11
Wednesday, August 1st, 2018 AT 8:25 PM (Merged)
Tiny
LEMONDCYCLE23
  • MEMBER
  • 5 POSTS
I thought the Lincoln IS v-8 does not have a relay for the radiator fan. Although I am not sure. Is this an easy fix?
Was this
answer
helpful?
Yes
No
+2
Wednesday, August 1st, 2018 AT 8:25 PM (Merged)
Tiny
BILLYMAC
  • MECHANIC
  • 2,204 POSTS
It has a relay but it is integrated into a multinational relay. The easiest part to change is the temperature sensor.
Was this
answer
helpful?
Yes
No
+6
Wednesday, August 1st, 2018 AT 8:25 PM (Merged)
Tiny
LEMONDCYCLE23
  • MEMBER
  • 5 POSTS
I am almost positive that driving at highway speed will force enough cool air into the radiator to make the vehicle drivable on the highway. I mean is there anything I can do mechanically speaking to at least get a temporary fix until the morning?
Was this
answer
helpful?
Yes
No
-1
Wednesday, August 1st, 2018 AT 8:25 PM (Merged)
Tiny
BILLYMAC
  • MECHANIC
  • 2,204 POSTS
You can turn your air conditioner on or your heat with defroster the fan is designed to come on with the defrosters and the A/C or the temperature. If you are just wanting to get home and have a wire handy unplug the plug from the fan hook two wires up one hot one ground fan will run.
Was this
answer
helpful?
Yes
No
+4
Wednesday, August 1st, 2018 AT 8:25 PM (Merged)
Tiny
LEMONDCYCLE23
  • MEMBER
  • 5 POSTS
Thank you very much for the information, you were very helpful.
Was this
answer
helpful?
Yes
No
Wednesday, August 1st, 2018 AT 8:25 PM (Merged)
Tiny
LZSMT3
  • MEMBER
  • 1 POST
  • 2003 LINCOLN LS
  • 150,000 MILES
Hello team, please check this over heating issue.I never pass a similar experience like this.

Basically the car LS 2003 V8 had an issue with the thermostat. This was necessary be changed after 50 miles of drive the car. In the last 4 miles the temperature increased in a short period time to the high limit. With the protective system the car was turn off. One time with the mechanical service the follow items was changed: thermostat, radiator, coolant temperature sensor, water pump, plastic joint parts (housings), head seals, coolant and the 2 caps (radiator & coolant tank), this last was damaged by the pressure during the over heating.

After all parts changed I still continue having in the car the high temperature in 8-10 minutes of continue engine operation, after this period time the car turn off automatically by the safety system.

I need information about the coolant flow in the system, the pump pulley rotation, the belt installation, the manner and values to test the old temperature sensor, auxiliary pump and the current CTS (cylinder temperature sensor).

Notes: the fan motor is working good, none coolant leak is present, and I already test without thermostat (none change in the result).

I'll appreciate your help and comments.
Was this
answer
helpful?
Yes
No
Wednesday, August 1st, 2018 AT 8:25 PM (Merged)
Tiny
BILLYMAC
  • MECHANIC
  • 2,204 POSTS
You are welcome. I will be here all night.
Was this
answer
helpful?
Yes
No
Wednesday, August 1st, 2018 AT 8:25 PM (Merged)
Tiny
ASEMASTER6371
  • MECHANIC
  • 52,796 POSTS
Get a leak down test done to confirm a head gasket failure. It sounds like this has happened from constant overheating

Roy
Was this
answer
helpful?
Yes
No
Wednesday, August 1st, 2018 AT 8:25 PM (Merged)
Tiny
LEMONDCYCLE23
  • MEMBER
  • 5 POSTS
Since your there all night, let me explain the situation right now. I drove six hours from Williamsport, PA to Waterbury, CT. I attempted to drive on the freeway because I assumed that with it being thirty degrees outside that the cold air would cool some of the engine heat down. Turns out I made it not even two miles up the interstate and it over heated again. I managed to make it back to the place I was at earlier in a safer area than the ghetto I was in and now I am waiting for the shop next door to open up. I am terrified that I will not be able to make it home i.E. I am totally freaking out right now. I am not that mechanically familiar with the Lincoln so I am pretty much helpless. I do not know what I should do. Just venting I guess, wish I could know what is going on with my car.
Was this
answer
helpful?
Yes
No
+1
Wednesday, August 1st, 2018 AT 8:25 PM (Merged)
Tiny
BILLYMAC
  • MECHANIC
  • 2,204 POSTS
I understand and you have the right idea to wait for the shop to open. I have been in this situation are you at a truck stop or at least a safe place. It is the best idea driving with this problem will just get you stranded somewhere else. Good luck.
Was this
answer
helpful?
Yes
No
Wednesday, August 1st, 2018 AT 8:25 PM (Merged)

Please login or register to post a reply.