4 wheel drive is not responding

Tiny
HMAC300
  • MECHANIC
  • 48,601 POSTS
If you scanned for codes with a typical auto parts scanner these codes won't show up. You'll have to have a pro scan it for you. This may be a trans module problem or an actuator for the tcase but the stabiltrak has to deal with the abs system.
Was this
answer
helpful?
Yes
No
Sunday, April 7th, 2019 AT 9:03 AM (Merged)
Tiny
ROCKSIDE
  • MEMBER
  • 1 POST
  • 2006 CHEVROLET TRAILBLAZER
  • 6 CYL
  • 4WD
  • AUTOMATIC
  • 31,500 MILES
Hi, I have a 2006 Trailblazer (Extended) with 4 Wheel Drive. It works great in 2WD or 4 Wheel High. However, when I set it to "Auto" and I drive up a hill, something seems to "Slip" / "Clunk" about every 3 seconds. I took it to the dealer and they "could not find anything wrong" and asked if I was driving on Ice or in wet conditions. I have tested it in completely dry conditions and it always portrays the same symptoms when driving up a hill. What is likely the issue?
Was this
answer
helpful?
Yes
No
Sunday, April 7th, 2019 AT 9:03 AM (Merged)
Tiny
DENNYP
  • MECHANIC
  • 1,824 POSTS
Sounds like a worn clutch pack in the transfer case.
Was this
answer
helpful?
Yes
No
+1
Sunday, April 7th, 2019 AT 9:03 AM (Merged)
Tiny
BRIAN 1
  • MECHANIC
  • 1,030 POSTS
Might want to look at this bulletin, just went throught this at the shop. Subject: Misfire Bump or Multiple Bumps after a 1-2 Upshift

Models: 2004-2007 Buick Rainier

2002-2007 Chevrolet Trailblazer 4WD

2002-2007 GMC Envoy

2002-2005 Oldsmobile Bravada

2005-2007 Saab 9-7X

Equipped with All Wheel Drive RPO NP4 or 4 Wheel Drive RPO NP8 The condition can be perceived as an engine misfire, surge or bump typically during or just after the 1-2 upshift. This condition can occur on Bravadas, 9-7X's and Rainiers NP4 Full time AWD. This will only happen in Trailblazers and Envoys NP8 when AWD (auto mode) is selected. When viewed through the TECH II, misfire counts may be occurring but not enough to set a misfire DTC. The concern will be eliminated in Bravadas and Rainiers with the ATC fuse removed or in Trailblazers and Envoys when 2hi or 4hi is selected. Inspect tire pressures and adjust as necessary. Swap the wheels and tires from another identically built vehicle that does not exhibit the concern. If swapping the wheels and tires does not improve the condition, drain and fill the transfer case with AutoTrac II fluid and re-evaluate the condition.

This is likely a characteristic of the vehicle and some degree of this condition should be expected on all of these vehicles. Comparing this vehicle to an identical vehicle with similar mileage should verify this is a design characteristic. The dealer should have looked at this bulletin and tried this first to see if the problem went away.
Was this
answer
helpful?
Yes
No
+1
Sunday, April 7th, 2019 AT 9:03 AM (Merged)
Tiny
KIëTTESSEN KOOLA
  • MEMBER
  • 1 POST
Hi, I'm Alessandro, and I write from Italy.
I have a 4.2 ltz trailblazer from 2003, and I have a problem with the 4x4 switch. In Italy it is difficult to find good mechanics for American cars, and before making empty attempts, I would like to ask for advice here.

The 4x4 switch lights only come on when I start, while driving is off, if I try to insert the 4x4 this doesn't work, unless I turn off the car, set the switch to 4x4, and turn it back on, in this way I get all-wheel drive.
To return to the two-wheel drive the same system, I turn off the car, set the switch to 2h and restart the engine.
Has anyone ever experienced the same thing? And if so how did you solve it?
Thanks for help.
Was this
answer
helpful?
Yes
No
Thursday, June 13th, 2019 AT 4:51 PM
Tiny
KEN L
  • MASTER CERTIFIED MECHANIC
  • 55,322 POSTS
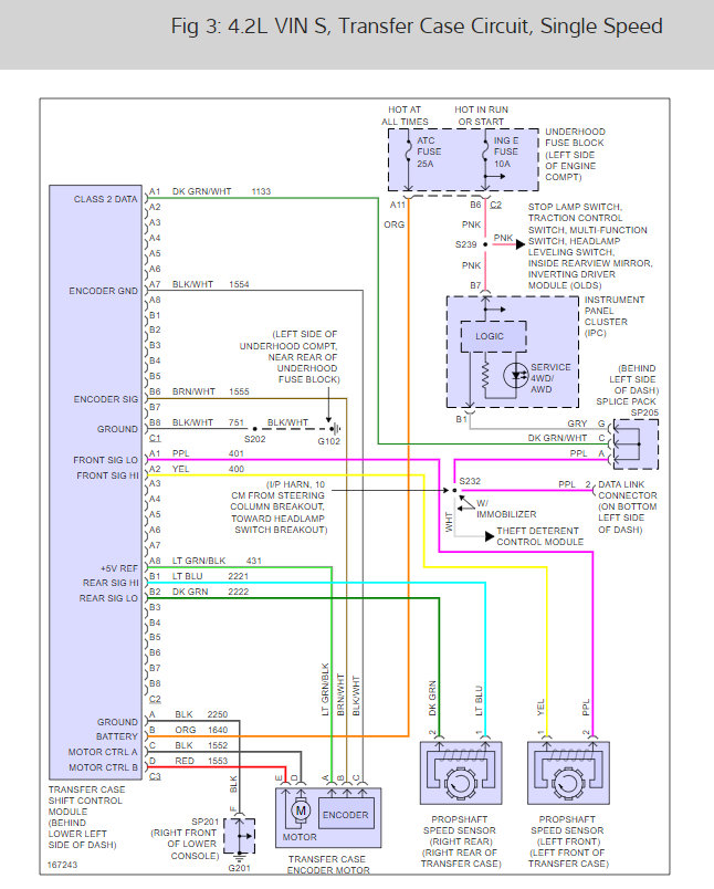
Hello,

There are two fuses (ATC and IGN1 under hood fuse panel) we must check for power. here is a guide to help us get started and the fuse locations along with the transfer case wiring diagrams so you can see how it works below:

https://www.2carpros.com/articles/how-to-check-a-car-fuse

Check out the diagrams (below). Please let us know what happens.
Was this
answer
helpful?
Yes
No
-1
Monday, June 17th, 2019 AT 11:59 AM

Please login or register to post a reply.