Has spark just wont start up

Tiny
JJONESCHAPPY
  • MEMBER
  • 1 POST
  • 2000 CHEVROLET IMPALA
  • 3.8L
  • V6
  • 4WD
  • AUTOMATIC
  • 170,000 MILES
I have full power, the radio, interior lights, head light's ect, and the battery is new. I was told that the coil pack and module needed to be replaced so I did that, still nothing. Before replacing coil pack and module the car would sometimes start with a jump now it won't. When I turn it over there is nothing, no crank, no clicking, nothing at all. When out on the diagnostic reader/code reader it says "purge control valve circuit. Could that be the reason it wont start? Please help, other than not starting it is a great car.
Was this
answer
helpful?
Yes
No
Saturday, March 6th, 2021 AT 1:52 PM (Merged)
Tiny
SCGRANTURISMO
  • MECHANIC
  • 4,897 POSTS
Hello,

There is only three things that are needed to make a vehicle start. They are, in no particular order, 1) Spark(delivered at the proper time) 2) Fuel 3)Compression. So let's start with the first thing and by a process of elimination we will get to the reasons your vehicle is not starting. I have included a link for you to go to down below.

https://www.2carpros.com/articles/how-to-test-an-ignition-system

Please go through this guide and get back to us with what you are able to find out.

Thanks,
Alex
2CarPros
Was this
answer
helpful?
Yes
No
Saturday, March 6th, 2021 AT 1:52 PM (Merged)
Tiny
WMAJESKI
  • MEMBER
  • 1 POST
  • 2000 CHEVROLET IMPALA
  • 6 CYL
  • FWD
  • AUTOMATIC
  • 175,000 MILES
I have a 2000 Impala that will start fine most of the time but under varying conditions once it has been turned off it is very difficult to restart. Fuel problems have been ruled out with pressure guage and anecdotally by flooding when it does not start. The coils have been checked and all primary and secondary resistances are within nominal ranges. Sometimes it happens in high humidity conditions sometimes in low humidty, same with high and low temperatures. Car will start all day and then when I park in the evening and try to start before going out it will not start. After sitting for between 5 and 15 minutes it then will start. There is no recurring repeatable source of problem (time, weather, etc) the problem does seem to occur more frequently in warm and humid conditions. I have replaced plugs and wires with no improvement in the problem.
Was this
answer
helpful?
Yes
No
Saturday, March 6th, 2021 AT 1:53 PM (Merged)
Tiny
TAKECHARGESARGE
  • MECHANIC
  • 92 POSTS
Hi wmajeski,

I had a problem with my 2000 Impala a few years back that came to mind when I read your post.
Especially, the problem seeming to correct itself in five to fifteen minutes.

The problem on my Impala was the crankshaft position sensor. The resistance through the sensor must be within a certain range or the ignition system will shut off. I noticed that the sensor removed from my car had a buildup of magnetized particles in the grooves. And it always was able to be started after a five to fifteen minute wait. I suspect that this buildup somehow affected the resistance and the few minutes somehow made a difference in the resistance. I know it sounds pretty far out, but so is a car that will no start now, but will in five to fifteen minutes from now.
Anyway, I think it is probably worth a try to check out the sensor as the culprit since all the rest of the engine ignition components have been eliminated.

Good luck,

TakeChargeSarge
Was this
answer
helpful?
Yes
No
Saturday, March 6th, 2021 AT 1:53 PM (Merged)
Tiny
CHERIEC
  • MEMBER
  • 5 POSTS
  • 2000 CHEVROLET IMPALA
  • 3.8L
  • V6
  • FWD
  • AUTOMATIC
  • 170 MILES
Yesterday I drove my car to the corner store which is a five minute run. Forty-five minutes later I started it to leave again and it cut off after a few minutes of starting it. When trying to turn it back on it sounds like it is, but it just cuts off. Even when I try to push the gas pedal to give it that push it will still cut off. Today my ex who is semi car smart tapped where my fuel filter is and it started up. It stayed running, but smoked a white smoke as if it were cold out, but it was not. After about five minutes he turned it off and it would not start again. My check engine light is on as well. He was supposed to have his mechanic come look, but never came so I figured I would give you all a try! Thank you for your time.
Was this
answer
helpful?
Yes
No
Saturday, March 6th, 2021 AT 1:53 PM (Merged)
Tiny
HMAC300
  • MECHANIC
  • 48,601 POSTS
It sounds as if there is a fuel pump problem with this. the smoke may be from no fuel then starting when it did. so check fuel pressure with a gauge auto parts rent it. see link:
https://www.2carpros.com/articles/how-to-check-fuel-system-pressure-and-regulator
if your car has been having a hard time going up hills or starting hard may also be associated with it. then scan for codes because check engine light is on auto parts does for free.
Was this
answer
helpful?
Yes
No
Saturday, March 6th, 2021 AT 1:53 PM (Merged)
Tiny
CHERIEC
  • MEMBER
  • 5 POSTS
Thank you for the information I will give that a try. I never had any issue's starting it before this. It started up just fine and drove just fine as well. That is why it through me for a loop to just not work now.
Was this
answer
helpful?
Yes
No
Saturday, March 6th, 2021 AT 1:53 PM (Merged)
Tiny
00IMPALAKID
  • MEMBER
  • 8 POSTS
  • 2000 CHEVROLET IMPALA
  • 6 CYL
  • FWD
  • AUTOMATIC
  • 174,000 MILES
I have had huge problems with car not starting. All I hear is a relay click somewhere under the dash. Had the car in Napa certified shop for a month, replaced BCM, worked for about a month, then started doing it again. Fuel pump cycles, the car just does not attempt to crank over. It is random, sometimes it works, sometimes it does not. In the winter or cold weather it is much worse. Check engine light is on. Codes: "mil off, Monitors, 5 inc, catalyst, evap, 02 sensor, 02 htr, EGR three ready, misfire, fuel, comp" I have put over a thousand dollars into trying to fix this problem. Yes the starter relay has been checked, and the ignition switch has been completely replaced, tumbler, pass-lock, switch, etc. I can turn the key to the "on" position, and take out the crank relay under the hood, and if I jump the crank relay terminals with a wire it will start, but the gauges do not work. You think it could be a bad ECU?

Please help me!
Was this
answer
helpful?
Yes
No
Saturday, March 6th, 2021 AT 1:55 PM (Merged)
Tiny
JACOBANDNICKOLAS
  • MECHANIC
  • 110,194 POSTS
If you can jump the starter relay, then there is no power getting to where it needs to be. Recheck the wiring to the ignition switch. Even though the switch is new, there has to be a problem between the two.

Here is a guide that can help us get going in the right direction:

https://www.2carpros.com/articles/car-cranks-but-wont-start

Please let us know what happens.

Cheers
Was this
answer
helpful?
Yes
No
Saturday, March 6th, 2021 AT 1:55 PM (Merged)
Tiny
00IMPALAKID
  • MEMBER
  • 8 POSTS
Okay I will do that. Do you think that the main computer could be causing this too? Because there are lots and lots of small problems, headlights flashing, gauges not working sometimes, windshield wipers going by themselves, etc, that seem to be part of a bigger issue. And now the transmission is just not shifting right and the rev limiter or something is all weird. That is why I am wondering about the BCM, but not sure.
Was this
answer
helpful?
Yes
No
+1
Saturday, March 6th, 2021 AT 1:55 PM (Merged)
Tiny
JACOBANDNICKOLAS
  • MECHANIC
  • 110,194 POSTS
It could be. Since you are having that many electrical problems, it makes me wonder if you have a ground issue or body control module (BCM) issue. Just for the heck of it, make sure the battery terminals are clean and tight, the cables are in good condition, and the ground to the engine block is clean and tight.
Was this
answer
helpful?
Yes
No
Saturday, March 6th, 2021 AT 1:55 PM (Merged)
Tiny
00IMPALAKID
  • MEMBER
  • 8 POSTS
Yes all that stuff is clean and has been checked. I had it at a mechanics shop for six months, and he completely looked the car over (so he says) and replaced the BCM. Thousands of dollars worth of work. I have also checked all the basics, replaced the started, checked all the obvious grounds, everything I can possibly think of. I have had multiple mechanics look at it, they all seem to say it is a computer or a ground issue, but they have all been checked. The ECU seems to be the last reasonable option. I also went to a junkyard and bought an ECU and plugged it in, now I have the same problems with some other new things. So I was thinking getting the ECU scanned into my actual vehicle might work. But I am not a mechanic, so who knows. The problem was completely random, started about eighteen months ago out of no where, so I do not know what the deal is with it.
Was this
answer
helpful?
Yes
No
+1
Saturday, March 6th, 2021 AT 1:55 PM (Merged)
Tiny
JACOBANDNICKOLAS
  • MECHANIC
  • 110,194 POSTS
First, make sure the ECU you got has the same part number. If it is different, it will not work properly. Since everything has been checked, I still feel the problem is in the wiring between the ignition switch and the relay. You could have an internal break in the wiring that cannot be seen. As a result, continuity needs to be checked through the power supply wires.

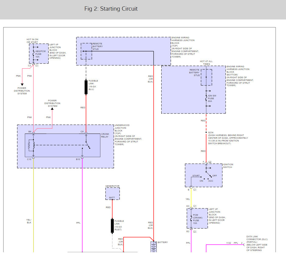
I have attached a schematic of the starting system for you to look at. There are a few things I need you to check. First, from the positive remote (under the hood) power is supplied to the ignition switch via a red wire. Check at the switch to make sure it is hot. From there, it follows a yellow wire to the PCM crank fuse (10 amp). Make sure it is not blown and make sure you have power in that wire with the key in the start position. After the fuse, the wire in question is purple and runs to the PCM crank request/crank relay control in the air box (check for power). If there is still power, the wire to follow is yellow with a black tracer which runs to the under-hood junction block (pin C10). (check for power) From there, power comes out from a purple wire (pin B10) and goes to the starter solenoid. Check for power. Keep in mind, the purple wire actuates the solenoid and energizes the starter. However, the true power to the starter (to turn it) is always hot. It is the big wire directly from the battery. Also, all of the places I said to check for power needs to be done with the key in the start position, and there should be twelve volts present. If you have power throughout the map I sent you, the starter system has been checked. Which leads me to the next question. Are all the wires in the junction block (under the hood) clean, tight, and not corroded?

Sorry this is so long, but it takes awhile to explain it all. Also, I want you to let me know if the vehicle has a factory remote start system. Finally, when you are checking for power, make sure to move the wires around to make sure power continues to flow and not stop.

See where you are losing power

https://www.2carpros.com/articles/how-to-use-a-test-light-circuit-tester

Check out the diagrams (Below)

Let me know what you find.

Joe
Was this
answer
helpful?
Yes
No
+5
Saturday, March 6th, 2021 AT 1:55 PM (Merged)
Tiny
00IMPALAKID
  • MEMBER
  • 8 POSTS
Alright, awesome! I will check that stuff tomorrow. And no there was no factory remote start, But I did install a remote start, around the time it actually started getting bad. Now that you mention it one mechanic told me to take it out, so I did, but still did not solve the problem. Think that could be something that is related?
Was this
answer
helpful?
Yes
No
+1
Saturday, March 6th, 2021 AT 1:55 PM (Merged)
Tiny
JACOBANDNICKOLAS
  • MECHANIC
  • 110,194 POSTS
It could have caused the problem. However, if you replaced everything back the way it was, it should be fine.

Let me know how you make out with the problem.

Joe
Was this
answer
helpful?
Yes
No
Saturday, March 6th, 2021 AT 1:55 PM (Merged)
Tiny
00IMPALAKID
  • MEMBER
  • 8 POSTS
I was checking the numbers on the original computer, and the new computer (from a junkyard) and I noticed the numbers are a little different, and I was wondering which numbers I wanted to be the same. The original ECU and new ECU have the same "serv no.", "HDW No.", but the four letter number at the end of each is different. The old one says "DAXH", but the new one says "CURC". They both look the same and are the same brand and everything. The only difference is that four letter code. I am not sure exactly what the computer came from. I bought it from a yard and told them I needed one for a 3.4 2000 Impala, but they could have gotten me the wrong one. Any idea's?
Was this
answer
helpful?
Yes
No
+1
Saturday, March 6th, 2021 AT 1:55 PM (Merged)
Tiny
JACOBANDNICKOLAS
  • MECHANIC
  • 110,194 POSTS
That is a concern. The computers are different based on the transmissions, options.
Was this
answer
helpful?
Yes
No
Saturday, March 6th, 2021 AT 1:55 PM (Merged)
Tiny
00IMPALAKID
  • MEMBER
  • 8 POSTS
Okay, so I probably should not use that computer? I noticed with this computer it shifts really weird and the rev limiter seems different. Would that be fixed once it was scanned in at the dealer? Or still not right? I was also taking a test light to the wires that go into my ignition switch. When the ignition is off, one wire (red) is hot, all the rest are not. When I turn the key to on, all of the wires become hot except one (orange). But sometimes, none of the wires become hot. Is this normal? Or could this be part of my problem? And also the headlights are flashing (I can hear two relays clicking inside the car) even when the computer is unhooked, and the headlight switch is unhooked it still does it. I have looked through for damaged wires, but can only see so deep. I am not sure if these problems are related but I would like to think I fix one, the other will become fixed as well. I am not so sure its the computer. With the computer hooked, or unhooked, it still does the same things when I go to start it, but with the old (stock computer) the gauges seem to work, just does not attempt to start. I do not know where to go. I tried to understand your directions written a few posts above, but could not find the PCM fuse or the positive remote wire you were talking about. It is a 3.4L 2000 impala with the ignition on the dash. I am sorry I am a pain in the rear. But I have put so much time into this car, and thousands and thousands of dollars into cosmetic changes but now I am stuck with a nicely done car that will not start and I am in college. I want to take it to a mechanic again, but the last two both could not fix it.
Was this
answer
helpful?
Yes
No
+1
Saturday, March 6th, 2021 AT 1:55 PM (Merged)
Tiny
JACOBANDNICKOLAS
  • MECHANIC
  • 110,194 POSTS
The "remote posisitve" is where the positive battery cable connects under the hood. As far as the red wire, it should be hot all the time.

Based on what you said about the ignition switch wiring being hot sometimes and not others, I think you have another bad ignition switch or something is out of alignment. Were you able to read the schematic?
Was this
answer
helpful?
Yes
No
+1
Saturday, March 6th, 2021 AT 1:55 PM (Merged)
Tiny
JACOBANDNICKOLAS
  • MECHANIC
  • 110,194 POSTS
PS: Put the original PCM back in too.
Was this
answer
helpful?
Yes
No
Saturday, March 6th, 2021 AT 1:55 PM (Merged)

Please login or register to post a reply.