heater not working?

2001 LINCOLN NAVIGATOR
21,100 MILES • V8 • 2WD
Avatar
OUTNLFTFIELD1
  • MEMBER
  • 1 POST
the front heater is not working but the rear is. I have already checked the coolant it is fine.
Dec 28, 2010 at 9:06 PM
Advertisement
Repair Safety Notice: This information is for general instructional purposes only. Vehicle repair can be dangerous. Verify all information, follow manufacturer service procedures, use proper tools and safety equipment, and consult a qualified repair shop when needed.
Avatar
MERLIN2021
  • AUTOMOTIVE REPAIR CONTRIBUTOR
  • 17,250 POSTS
If both heater hoses coming from the heater core are hot, the blend door is NOT moving, if the inlet hose is hot but outlet is cold, the heater core needs more flushing, or replacement. if both hoses are cold, check antifreeze level and thermostat, also rarely but known to happen id the impeller blades on the water pump dissolve over time and may not be pumping enough. This guide will help us find out what's going on.

https://www.2carpros.com/articles/car-heater-not-working

Please run down this guide and report back.
Nov 5, 2018 at 8:52 AM
Avatar
COLVARDS
  • MEMBER
  • 4 POSTS
I have replaced both heater cores, blend door actuator, water pump, thermostat and the climate control. if i let the car set after starting it will warm up like normal but once i drive a couple miles it will start blowing out cold air in the front but remains warm or hot in the rear. Please help!!!
Nov 3, 2020 at 10:59 AM (Merged)
Advertisement
Avatar
HMAC300
  • AUTOMOTIVE REPAIR CONTRIBUTOR
  • 48,601 POSTS
sounds like you are losing vacuum and the blend actuator is closing. i'm sending a diagram so start to check for soft hoses starting at engine it may be sucking together closing he vacuum off or there is a leak someplace.
Nov 3, 2020 at 10:59 AM (Merged)
Avatar
COLVARDS
  • MEMBER
  • 4 POSTS
The blend actuator is electronic and the climate control is digital/no nobs just buttons,
Nov 3, 2020 at 10:59 AM (Merged)
Advertisement
Avatar
COLVARDS
  • MEMBER
  • 4 POSTS
oh and before I put everything back together after changing the blend door actuator i made sure it was working properly. as i raised the temperature setting on the climate control it moved untill closed to allow full heat to come thru
Nov 3, 2020 at 10:59 AM (Merged)
Avatar
HMAC300
  • AUTOMOTIVE REPAIR CONTRIBUTOR
  • 48,601 POSTS
then get it scanned as one of the potentiometers may be screwed up do this test to see if you get any dtc's then if not have it scanned.
Ensure coolant temperature is at least 120°F (49°C) before entering self-diagnostics. Ensure in-car temperature is between 40-90°F (4-32°C). Simultaneously depress OFF and FLOOR buttons, then press AUTOMATIC button within 2 seconds. Display will show a dashed line in the center of the display window for up to 30 seconds while test is running. Record all DTCs as displayed.
If DTCs are displayed, perform test indicated. See DTC INDEX table. If a condition exists but no DTCs are displayed, go to SYMPTOM TESTS .
Self-diagnostics can be initiated at any time with the resulting DTCs being displayed. Normal system operation is stopped when system is in self-diagnostic mode.
if this has a water valve on the car and it might but we never are shown that, see if hoses stay hot at higher rpm. that is vacuum operated and maybe be screwed up it used to be on eof the big things causeing heat problems on ford products. here are dtc's and what failure is.
B1249 024 (022)Blend Door Actuator Short
B1249 N/A (025)Blend Door Actuator Failure
B1251 031 (N/A)In-Car Temp. Sensor Open
B1253 030 (N/A)In-Car Temp. Sensor Short
B1255 041 (043)Ambient Air Temp. Sensor Open
B1257 040 (042)Ambient Air Temp. Sensor Short
B1261 050 (052)Sunload Temp. Sensor Short
U1073 (2) N/A (N/A)Engine Coolant Temp. Signal
U1341 (2) N/A (N/A)Vehicle Speed Sensor
might also be a broken blend door shaft as these are known to happen as well. also the heater care cold be plugged, so try back flushing it , may help.
Nov 3, 2020 at 10:59 AM (Merged)
Avatar
COLVARDS
  • MEMBER
  • 4 POSTS
Ok, thank you for the advice. I will try tomorrow and let you know what I come up with. Already tried the back flushing after the problem happened after replacing everything, but again I will let you know tomorrow. Thanks again!!
Nov 3, 2020 at 10:59 AM (Merged)
Avatar
JOHNSISON
  • MEMBER
  • 1 POST
Heater problem
2000 Lincoln Navigator V8 All Wheel Drive Automatic

My navigator will not produce any heat. The compressor will run in AC and cool properly. I am not sure if it is a fuse, vacuum or sensor.

Thanks for your help
Nov 3, 2020 at 10:59 AM (Merged)
Avatar
RASMATAZ
  • AUTOMOTIVE REPAIR CONTRIBUTOR
  • 75,992 POSTS
Check the thermostat, heater core and heater control valve.
Nov 3, 2020 at 10:59 AM (Merged)
Avatar
CHUCKMALLORY
  • MEMBER
  • 9 POSTS
No hot air in front or rear of cabin. Both heater hoses are hot to the touch. New thermostat installed. Flushed radiator system and added new antifreeze. The blend door is working properly. The accumulator motor was replaced last year. The only time it starts to get slight warm air is when you push the Vent Button. Do you have any suggestions? Need help!
Nov 3, 2020 at 10:59 AM (Merged)
Avatar
STRAILER
  • AUTOMOTIVE REPAIR CONTRIBUTOR
  • 54,128 POSTS
Hello,

It sounds like the HVAC control head is not working right but the be sure here are the wiring diagrams for the system so we can see how it works and to test the ground and power leads. The guide will get us started.

https://www.2carpros.com/articles/how-to-use-a-test-light-circuit-tester

Also lets remove the temperature blend door actuator to see if it moving at all. It could be the ambient temperature sensor as well

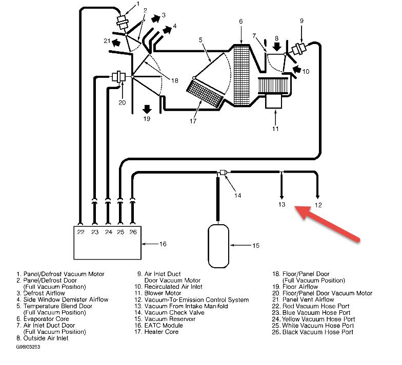
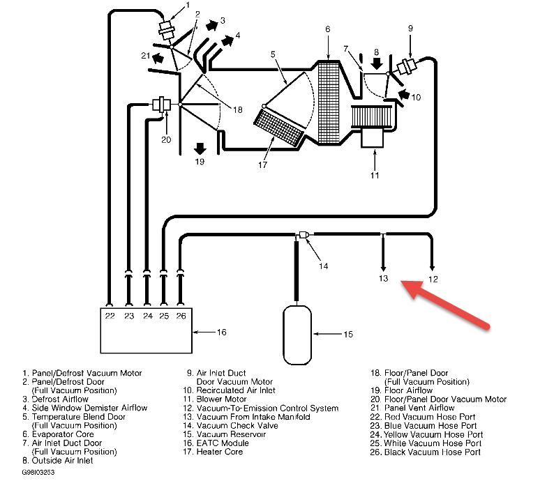
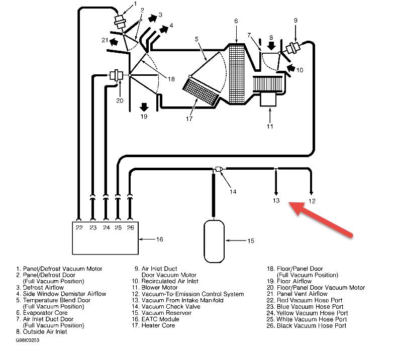
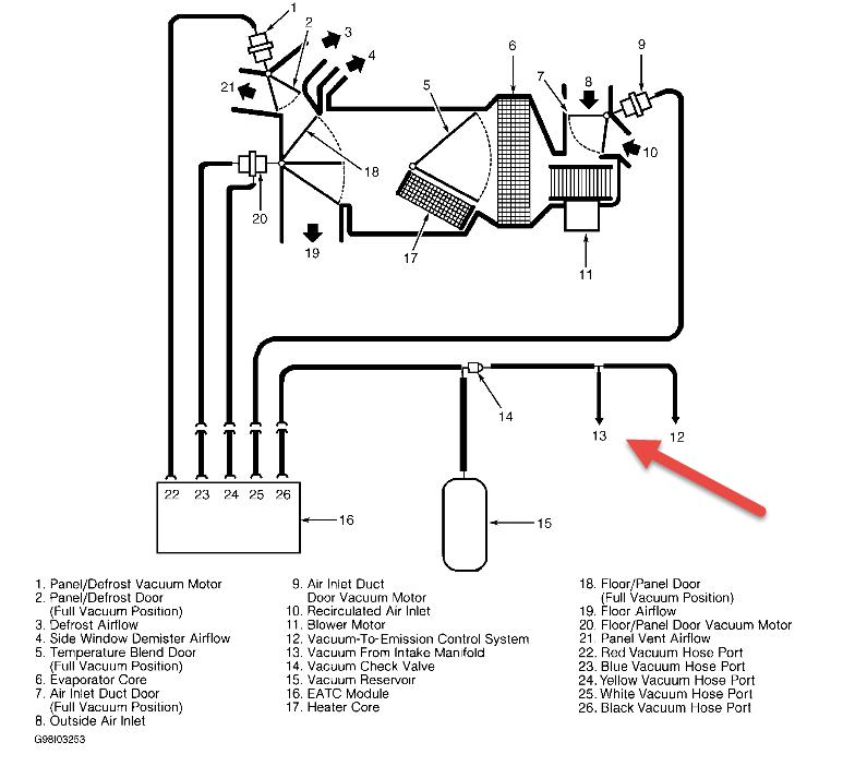
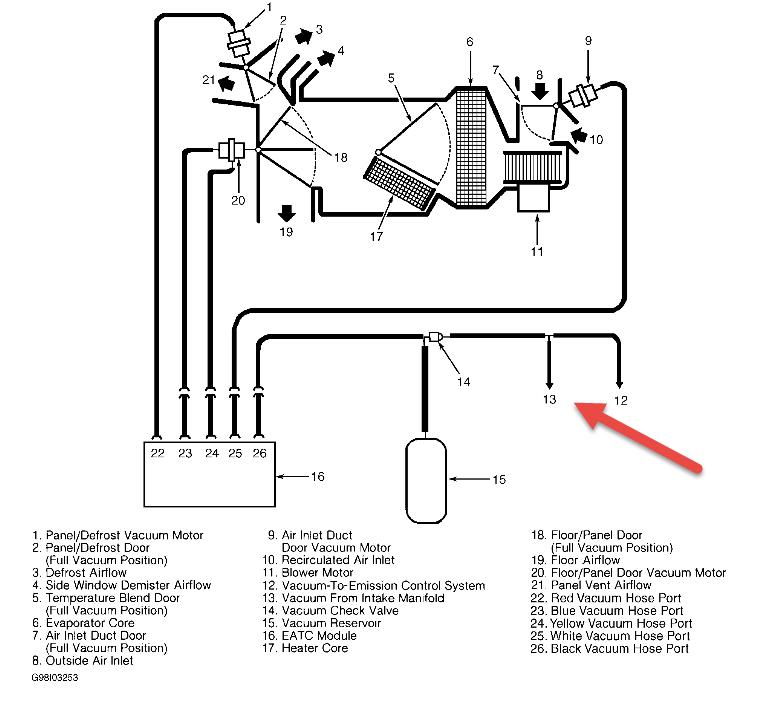
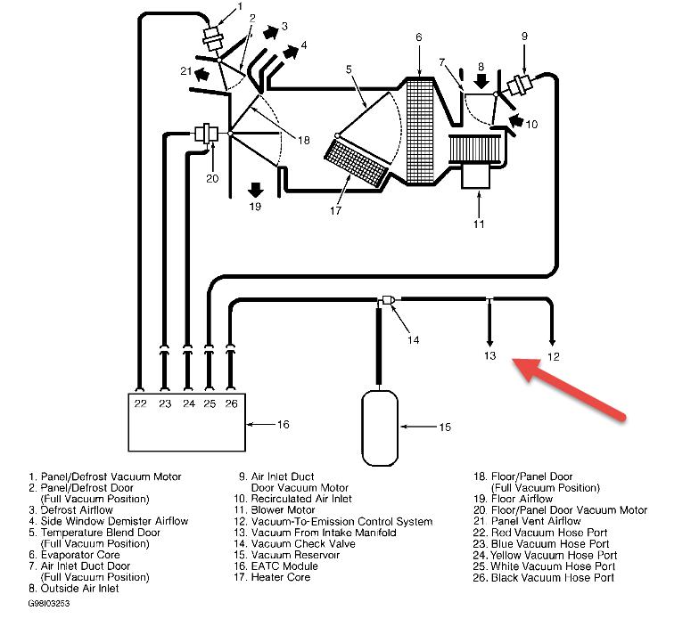
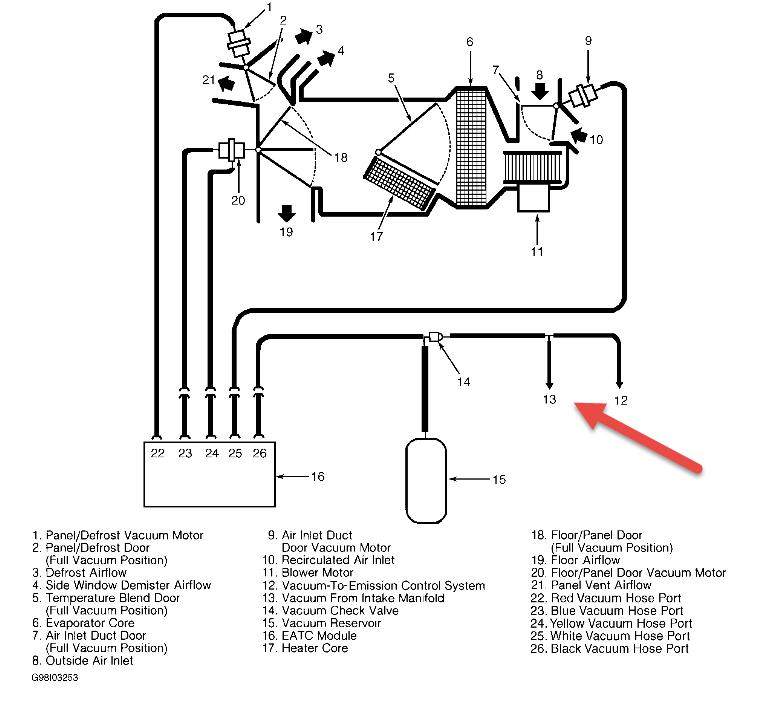
Check out the diagrams (Below). Please let us know what happens.

Cheers, Ken
Nov 3, 2020 at 10:59 AM (Merged)
Avatar
CHUCKMALLORY
  • MEMBER
  • 9 POSTS
Hi Ken thank you for your time,The ground and power lead are good.Not sure on how to test the ambient temp sensor.So this is what I have found out so far.Put the EATC module on max A/c temp set to 60 the blend door closes on the heater core.Now turn the temp up to 90 and the door open all the way the air is still ice cold.Now put the EATC to pnl/flr temp set to 60 door closes on heater core ice cold air still now set the temp to 90 door is all the way open still ice cold air. Now set the EATC to vent temp set to 60 door is closed on heater core warm air is coming out now set the temp to 90 the door is open all the way and the air is a little less warm.?? I used a vacuum pump on the vacuum doors motor all three of them and none of them would hold vacuum should they? Don't know if any of this will help? Now do you still think it is the EATC module? Thank you, Chuck
Nov 3, 2020 at 10:59 AM (Merged)
Avatar
STRAILER
  • AUTOMOTIVE REPAIR CONTRIBUTOR
  • 54,128 POSTS
Yes the door do leak a little that is normal. It sounds like the electric blend door is not working right I would try replacing it first. Here are diagrams to helps you. Check out the diagrams (Below). Please let us know what happens.

Nov 3, 2020 at 10:59 AM (Merged)
Avatar
CHUCKMALLORY
  • MEMBER
  • 9 POSTS
Can you define "working right"? Are you referring to the temperature, because the door seems to be opening and closing properly. Why wouldn't the temperature change accordingly? I have a hole cut in the housing I can see the temperature blend door moving. That is how I was able to tell you what it was doing in my last email to you.So please tell me why you want me to replace it (blend door actuator) it was replace last year. Thank you again, Chuck.
Nov 3, 2020 at 10:59 AM (Merged)
Avatar
STRAILER
  • AUTOMOTIVE REPAIR CONTRIBUTOR
  • 54,128 POSTS
I am thinking the actuator because they had problems with them in the shop can you tell me if it was an OEM part it was replaced with? If both heater hoses are hot then it you should be able to remove the actuator and move the door by hand to get full heat. Can you try that?

https://www.2carpros.com/articles/replace-blend-door-motor

Here is a guide to help you see what I am talking about.
Nov 3, 2020 at 10:59 AM (Merged)
Avatar
CHUCKMALLORY
  • MEMBER
  • 9 POSTS
Well its not the blend door or the actuator they are working fine. The water pump fins are all gone (gone) the coolant cannot be moving very much. So new water pump. Had the radiator boil out, now get some warm air not hot. Now it heater core replacement time. Thanks for the information.
Nov 3, 2020 at 10:59 AM (Merged)
Avatar
DIGGER DAVE
  • MEMBER
  • 6 POSTS
I just bought this SUV that is in great condition. The heater was working two days before I drove it away (of course) then when I did drive off all I got was a lot of air throughout the control range and settings but no heat. What could have happened in a two day time frame? I am in Oregon and I need heat! Thank you in advance, this is frustrating.
Nov 3, 2020 at 10:59 AM (Merged)
Avatar
PATENTED_REPAIR_PRO
  • AUTOMOTIVE REPAIR CONTRIBUTOR
  • 1,853 POSTS
First of all , make sure the cooling system is full of coolant, then after the engine warms up and thermostat opens, feel if both heater hoses at the firewall are hot. If one is hot and the other coming back out only luke warm, the heater core is clogged. If they both are just warm, see if there is a heater control valve on either heater hose that might not be opening.
If though both heater hoses are hot, the problem has got to be under the dash and most likely with a blend door, actuator, vacuum hose, etc.
Nov 3, 2020 at 10:59 AM (Merged)
Avatar
STRAILER
  • AUTOMOTIVE REPAIR CONTRIBUTOR
  • 54,128 POSTS
Wow good find, usually the engine will overheat when this happens. Here are diagrams to help you change out the heater core. You will need to vacuum down and recharge the AC system.

https://www.2carpros.com/articles/re-charge-an-air-conditioner-system

Check out the diagrams (below). Let us know what happens and please upload pictures or videos of the problem.
Nov 3, 2020 at 10:59 AM (Merged)
Avatar
DIGGER DAVE
  • MEMBER
  • 6 POSTS
Thank you, I will get on that tomorrow and let you know the results. After forty years of being a "shade tree mechanic" I cannot remember ever having to deal with a heater issue.
Nov 3, 2020 at 10:59 AM (Merged)
Avatar
CHUCKMALLORY
  • MEMBER
  • 9 POSTS
The car only got a little warm when the A/C on and going up a large hill. Turn the A/C off when you started up a hill hard to believe it did not overheat all the time it is driven two and half hours one way to work on Tuesday then the same on Thursday coming home for the last two years. (Never overheated) (Unbelievable) Now can you tell me how to test a ambient temperature sensor the one inside the dash.? Thank you!
Nov 3, 2020 at 10:59 AM (Merged)
Avatar
STEVE W.
  • AUTOMOTIVE REPAIR CONTRIBUTOR
  • 15,145 POSTS
Most of the older vehicles were simple, Slide a lever and the cable moved the air door so air went through a soldered brass and copper heater core and a heater control valve opened to let hot coolant through the system.
Yours is not quite as bad as the high tech ones but it uses vacuum to move most of the doors. The blend door that controls the heat is electronic and buried under the dash behind the airbag module in the center of the dash.
To get to it you pull the negative battery cable. Next remove the console if it has one, then remove the floor duct. Next you remove the two braces and the air bag module.
Now if it has the rear seat heat duct you need to cut the duct and fold it back out of the way. Now remove the floor duct adapter and behind it you will find the actuator.
Replace that and work your way back out. Fold the heat duct back into place and use a large zip tie to hold it in place.
Nov 3, 2020 at 10:59 AM (Merged)
Avatar
STRAILER
  • AUTOMOTIVE REPAIR CONTRIBUTOR
  • 54,128 POSTS
They are not giving how to test it just how to replace it, here are diagrams to help. Check out the diagrams (below). Please let us know what you find.
Nov 3, 2020 at 10:59 AM (Merged)
Avatar
DIGGER DAVE
  • MEMBER
  • 6 POSTS
Everything I have looked at says the blend door is right under the glove compartment covered with a "box", which is already loose. It is thirty three degrees out right now and I am not too excited about exploring it, maybe in a couple of hours. From what I understand, if there is heat to the back (which I forgot to check) and not the front then it is that blend door.
Nov 3, 2020 at 10:59 AM (Merged)
Avatar
CHUCKMALLORY
  • MEMBER
  • 9 POSTS
Okay, heater core is out and new one in. Now putting the dash back together. Here is a tip if you are replacing the heater core when your in the heater box if you cut the metal lines with a hacksaw then pull them through the fire wall it make it a lot easier to remove the hoses from the old core. You do not have to open the A/C system. I was able to do my without opening any lines.
Nov 3, 2020 at 10:59 AM (Merged)
Avatar
DIGGER DAVE
  • MEMBER
  • 6 POSTS
Okay, so the other information was bogus or the plenum door is under a second box,sheesh. I do have warm air in the rear, but ice cold in the front. I cannot even see where the hoses at the firewall connect to the core. Can I pull them off at the front and still flush? There are a couple of "T's" in the line that I have no idea where they go except down. I am sixty three and the less wrestling I have to do the better off I will be.
Thanks for all your help, I am trying to avoid shop charges.
Nov 3, 2020 at 10:59 AM (Merged)
Avatar
STRAILER
  • AUTOMOTIVE REPAIR CONTRIBUTOR
  • 54,128 POSTS
Nice! Good job on not having the remove the heater box, have not seen that done before. Let me know how it goes, thanks for the pictures. :)
Nov 3, 2020 at 10:59 AM (Merged)
Avatar
MARTDEB
  • MEMBER
  • 1 POST
My car does not heat in front only in back. can you please help?
Nov 3, 2020 at 10:59 AM (Merged)
Avatar
HMAC300
  • AUTOMOTIVE REPAIR CONTRIBUTOR
  • 48,601 POSTS
it might be blend door actuator but because you have automatic temperature control you have to scan for codes to see what is causing it or not. a mechanic has to do it. you can try pulling fuse for sixty seconds with key on then reinstall it may reset it.
Nov 3, 2020 at 10:59 AM (Merged)
Avatar
STEVE W.
  • AUTOMOTIVE REPAIR CONTRIBUTOR
  • 15,145 POSTS
Okay, lets reset a bit. Do you have the auxiliary rear heater with independent controls or just heat ducts to the rear?
Nov 3, 2020 at 10:59 AM (Merged)
Avatar
CHUCKMALLORY
  • MEMBER
  • 9 POSTS
All back together and glad to report, all is well heater gets good and hot. Now if I could only get the sirius radio working again that would be great.
Nov 3, 2020 at 10:59 AM (Merged)
Avatar
DIGGER DAVE
  • MEMBER
  • 6 POSTS
It has the auxiliary rear heater with independent controls. right now that is the only thing that is keeping me somewhat warm.
Nov 3, 2020 at 10:59 AM (Merged)
Avatar
STRAILER
  • AUTOMOTIVE REPAIR CONTRIBUTOR
  • 54,128 POSTS
Glad you could get it fixed, that kind of problem can be tough. Please use 2CarPros anytime we are here to help.

Please post your new question here, you must be logged in.

https://www.2carpros.com/questions/new

Cheers, Ken
Nov 3, 2020 at 10:59 AM (Merged)
Avatar
STEVE W.
  • AUTOMOTIVE REPAIR CONTRIBUTOR
  • 15,145 POSTS
Okay then the information I posted should be correct for the front heater. None of them make it real easy anymore. There are days I would love to play wack-a-mole with the guys who designed these things.
Nov 3, 2020 at 10:59 AM (Merged)
Avatar
DIGGER DAVE
  • MEMBER
  • 6 POSTS
Yeah I hear that. I am going to try to flush it first somehow, if that does not work then it is off to the shop. Thank you.
Nov 3, 2020 at 10:59 AM (Merged)
Avatar
DANNY CRUZ2
  • MEMBER
  • 3 POSTS
My heater doesn't work in the front only blows out cold air, but works in the back.
Nov 3, 2020 at 10:59 AM (Merged)
Avatar
WRENCHTECH
  • AUTOMOTIVE REPAIR CONTRIBUTOR
  • 20,761 POSTS

With the engine at full operating temp, locate the 2 heater hoses where they go into the firewall and feel them to see if they are both hot to the touch. If they are both hot, the heat in that vehicle is controlled by a blend door that regulates heated air flow. it is operated by an electric motor/actuator. The problem can be that the actuator is stripped or inoperative or the door itself could be damaged. This is what needs to be determined by examining the actuator and see if it is responding to heat change commands or not.
Nov 3, 2020 at 10:59 AM (Merged)
Avatar
DANNY CRUZ2
  • MEMBER
  • 3 POSTS
The friewall inside the truck or in the hood
Nov 3, 2020 at 10:59 AM (Merged)
Avatar
WRENCHTECH
  • AUTOMOTIVE REPAIR CONTRIBUTOR
  • 20,761 POSTS
In the engine compartment is the only place you have access to those lines.
Nov 3, 2020 at 10:59 AM (Merged)
Avatar
DANNY CRUZ2
  • MEMBER
  • 3 POSTS
So if they're both working i need a actuator
Nov 3, 2020 at 10:59 AM (Merged)