Tuesday, February 10th, 2015 AT 10:50 PM
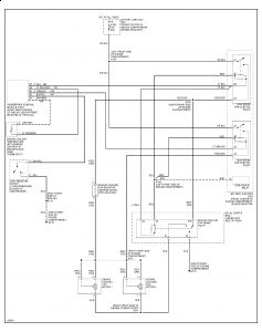
My temperature indicator always stayed at a constant position (about half way up). The other day, for no particular reason, I happened to glance down at the gauge and it was almost at the H level (all the way up). I opened the hood and noticed the reservoir was empty and there was green coolant all over the passenger side area on all parts around the reservoir. I bought a gallon of coolant and poured it in the reservoir. It took almost a full gallon less about a cup or two. No water just coolant, as it is cold here in NJ, and I had been topping off the reservoir with water in the warm months, because I had no coolant available and I didn't need to worry about freezing.) So, I thought maybe there might be something frozen in the cooling system causing a blockage. I let it sit for a few moments and then took it for a drive. The gauge stayed normal for a few minutes and then started creeping its way back to the H level. I pulled over and noticed the reservoir looked almost empty. I was close to home so I drove it home and then let it run and looked under the hood. The plastic reservoir was full and coolant was "forcing" itself out of the sealed pressurized cap on the reservoir. It was bubbling out at a very fast rate. I thought radiator, water pump, or blockage in the system somewhere. It was dark and I had a flashlight. I was ready to close the hood, when I noticed this type of metal stringy material near the air cleaner system toward the driver side of the engine. I looked at it and grabbed it and pulled it, and the material that I managed to pull off looked like belt material reinforced with bands of some sort of strings of metal. So, I thought it must be a belt that operates the water pump. Trouble is, everywhere I look on the Internet, says the main serpentine belt drives just about everything in the engine, including the water pump. So, my question is, what is the material I pulled off that looked like part of a belt and is that the cause of the engine overheating and bubbling out of the cap on the plastic reservoir? I didn't have a chance to look at it today in the daylight, but hope to work on it tomorrow. I need to replace whatever that "belt" type thing is, and find out why the system is overheating. (A side note: for about a month, I have noticed as I pull into a parking lot, and look at the road where I pulled in, a line of liquid in spots about the size of a silver dollar spaced about 5-6 inched apart. In other words, something was leaking out slowly as I drove, but didn't notice it until I would park and see these spots as if something was dripping slowly out as the engine is on.) When I am parked and the engine is off and cool, there is no puddle under the area where the plastic reservoir is, on the ground. The images are just a piece of what I pulled out, not the full size of the belt or whatever it is. Can you guys figure that out?




