Shut off while driving, will not start

Tiny
DONNIE 1983
  • MEMBER
  • 2000 TOYOTA CAMRY
  • 2.2L
  • 4 CYL
  • 2WD
  • AUTOMATIC
  • 194,000 MILES
Was running great, and just shut off. It was hard to start back, but I drove it about two miles back home and it shut off as I was pulling in the yard. It ran great on the way home. Now it took forever for me to get it t to start. Any help will be greatly appreciated, Thanks.
Monday, December 3rd, 2018 AT 7:23 PM

6 Replies

Tiny
JACOBANDNICKOLAS
  • MECHANIC
  • 110,194 POSTS
Hi and thanks for using 2CarPros.

A crank but no start condition can be the result of a few things. Things such as low fuel pressure, loss if ignition spark to the plugs are the most common reasons.

With that, I want you to read through the following link. It discuss the common reasons for the problem, how to check, and how to fix.

https://www.2carpros.com/articles/car-cranks-but-wont-start

Here are specific links for checking fuel pressure and ignition spark:

https://www.2carpros.com/articles/how-to-check-fuel-system-pressure-and-regulator

https://www.2carpros.com/articles/how-to-test-an-ignition-system

_________________

Here are a couple links that show how to use a test light and volt meter:

https://www.2carpros.com/articles/how-to-use-a-test-light-circuit-tester

https://www.2carpros.com/articles/how-to-use-a-voltmeter

________________

Based on your description, I would check fuel pressure first. Here are the manufacturer's specs for pressure:

Fuel Pressure 44 to 50 psi

Here are the specific directions for your vehicle when checking pressure: Pics 1 and 2 correlate with these directions.

___________________________________

COMPONENT TESTS AND GENERAL DIAGNOSTICS
CHECK FUEL PRESSURE
a. Check the battery positive voltage is above 12 V.
b. Disconnect the negative (-) terminal cable from the battery.

c. Remove the union bolt and 2 gaskets, and disconnect the fuel inlet hose from the fuel filter outlet.

CAUTION:
- Put a shop towel under the fuel filter.
- Slowly loosen the union bolt.

d. Install the fuel inlet hose and SST (pressure gauge) to the fuel filter outlet with the 3 gaskets and SST (union bolt).

SST 09268-45014 (09268-41190, 90405-06167)

Torque: 29 N.m (300 kgf.cm, 21 ft.lbf)

e. Wipe off any splattered gasoline.
f. Reconnect the negative (-) terminal cable to the battery.
g. Connect a TOYOTA hand-held tester to the DLC3. (See step 1 in check fuel pump operation (a) to (e))
h. Measure the fuel pressure.

Fuel pressure: 301 -347 kPa (3.1-3.5 kgf/sq.cm, 44-50 psi)

If pressure is high, replace the fuel pressure regulator.
If pressure is low, check the fuel hoses, fuel hose connections, fuel pump, fuel filter and fuel pressure regulator.

i. Disconnect the TOYOTA hand-held tester from the DLC3.
j. Start the engine.
k. Measure the fuel pressure at idle.

Fuel pressure: 301-347 kPa (3.1-3.5 kgf/sq.cm, 44-50 psi)

i. Stop the engine.

m. Check that the fuel pressure remains as specified for 5 minutes after the engine has stopped.

Fuel pressure: 147 kPa (1.5 kgf/sq.cm, 21 psi) or more

If pressure is not as specified, check the fuel pump, pressure regulator and/or injectors.

n. After checking fuel pressure, disconnect the negative (-) terminal cable from the battery and carefully remove the SST to prevent gasoline from splashing.

SST 09268-45014

o. Reconnect the fuel inlet hose with 2 new gaskets and the union bolt.

Torque: 29 N.m (300 kgf.cm, 21 ft.lbf)

p. Reconnect the negative (-) terminal cable to the battery.
q. Check for fuel leaks.
__________________________________________
If you determine the fuel pump is bad, here are the directions to replace it. The remaining pictures correlate with these directions.

__________________________________________

REMOVAL AND INSTALLATION
COMPONENTS

TYPE A Pic 3

TYPE B Pic 4

REMOVAL

CAUTION: Do not smoke or work near an open flame when working on the fuel pump.

1. REMOVE REAR SEAT CUSHION
2. REMOVE FLOOR SERVICE HOLE COVER
a. Take out the floor carpet.
b. Remove the service hole cover.

HINT: At the time of installation, please refer to the following items. Check for fuel leakage.

3. DISCONNECT FUEL PUMP & SENDER GAUGE CONNECTOR
4. REMOVE NO.1 FUEL TANK PROTECTOR
Remove the 2 bolts and No.1 fuel tank protector.
Torque: 4 Nm (40 kg.cm, 35 in.lb)

5. DISCONNECT FUEL TUBE (FUEL TUBE CONNECTOR)

CAUTION:
- Perform disconnecting and connecting operations of the fuel tube connector (quick type) after observing the precautions.
- As there Is retained pressure in the fuel pipe line, prevent it from splashing inside the vehicle compartment.

6. REMOVE FUEL PUMP ASSEMBLY FROM FUEL TANK
a. Remove the 6 bolts and fuel tank vent tube set plate.
Torque: 4 Nm (40 kg.cm, 35 in.lb)
b. Pull out the fuel pump assembly.
c. Remove the gasket from the pump assembly.

NOTE:
- Do not damage the fuel pump filter.
- Be careful that the arm of the sender gauge should not bent.

HINT: At the time of installation, please refer to the following items. Install a new gasket to the pump assembly.

INSTALLATION
Installation is in the reverse order of removal.

________________________________________________

I hope something here helps. Let me know if you need help or just have other questions.

Take care,
Joe
Was this
answer
helpful?
Yes
No
Monday, December 3rd, 2018 AT 8:20 PM
Tiny
DONNIE 1983
  • MEMBER
  • 5 POSTS
It has good fuel pressure and I put a new fuel filter on it and it still has the same issue. You can hear it trying start every time you try to start it.
Was this
answer
helpful?
Yes
No
+1
Tuesday, December 4th, 2018 AT 1:24 AM
Tiny
DONNIE 1983
  • MEMBER
  • 5 POSTS
Could it be the IAC, idle air control valve? That is what it seemed to be the first time I Googled it.
Was this
answer
helpful?
Yes
No
+1
Tuesday, December 4th, 2018 AT 6:16 AM
Tiny
JACOBANDNICKOLAS
  • MECHANIC
  • 110,194 POSTS
Welcome back:

The IAC is responsible for maintaining idle speed. It allows a metered amount of air to enter the engine when your foot is off the gas. When they fail, most times the engine idle speed will be erratic and not steady. It should, however, start when you place your foot on the throttle.

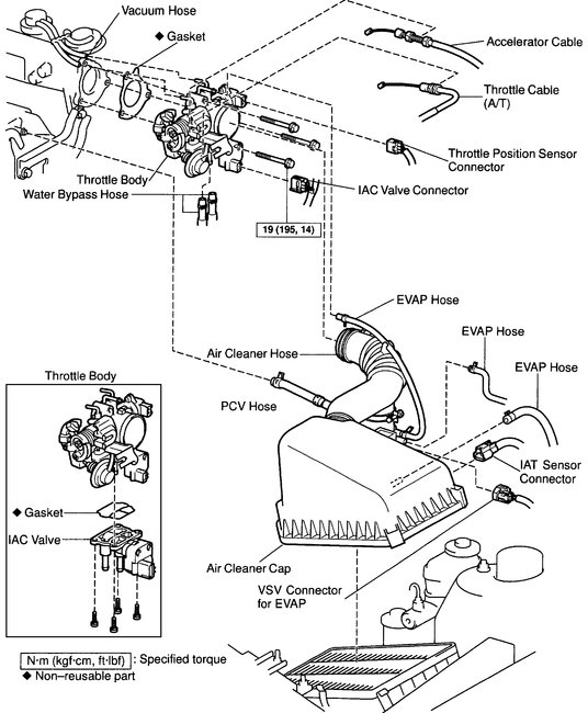
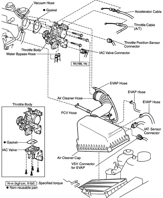
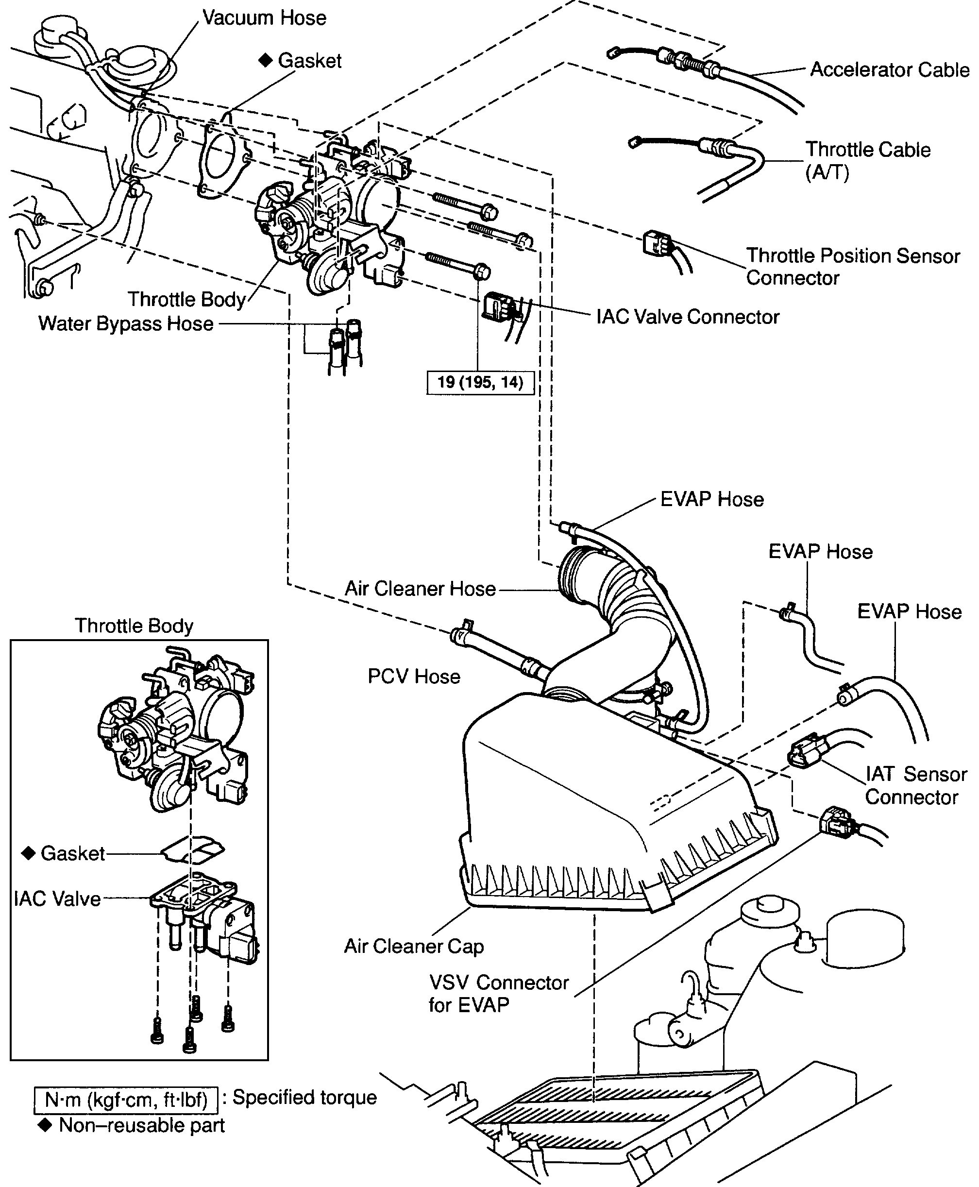
I added a picture of the IAC's location. You can remove it and make sure there is not a build up of carbon or dirt restricting it.

Here are the directions for replacing it. The last three pictures correlate with these directions.

________________________

REMOVAL AND INSTALLATION

COMPONENTS

REMOVAL
1. REMOVE THROTTLE BODY

2. REMOVE IAC VALVE
Remove the 4 screws, IAC valve and gasket.

INSTALLATION
1. INSTALL IAC VALVE

a. Place a new gasket on the throttle body.

B. Install the IAC valve with the 4 screws.
2. INSTALL THROTTLE BODY

_______________________

Let me know if this helps. Remember, the IAC is responsible for maintaining idle speed.
Was this
answer
helpful?
Yes
No
+1
Tuesday, December 4th, 2018 AT 6:16 PM
Tiny
DONNIE 1983
  • MEMBER
  • 5 POSTS
It was running great and all of a sudden shut off. It took a few minutes to get it to start back and when it did it ran great. Got it home and now will not start again. I know I have fuel pressure to the fuel filter, because I put a new filter on it. I also have spark to because I checked the plugs and put new plugs in it to. Please tell me what you would check or what you think it is. I really need to get it going. Also, timing belt was changed about three months ago and it is still tight. Thanks for the help!
Was this
answer
helpful?
Yes
No
Wednesday, December 5th, 2018 AT 6:10 AM
Tiny
JACOBANDNICKOLAS
  • MECHANIC
  • 110,194 POSTS
Welcome back.

If timing is good and there is no compression issues, try this. See if it will start for a couple seconds using starting fluid. If it does, then we know it is fuel related. If it does not, then it is ignition.

If it is fuel related and you are certain pressure is within spec, you will need to check if the injectors are working. Here is a link a link for testing them:

https://www.2carpros.com/articles/how-to-test-a-fuel-injector

Keep in mind, you may have fuel pressure, but if it is too low, the injectors may not be working.

Let me know what happens and what you find.

Joe
Was this
answer
helpful?
Yes
No
+1
Wednesday, December 5th, 2018 AT 6:20 PM

Please login or register to post a reply.