Monday, January 17th, 2011 AT 4:39 PM
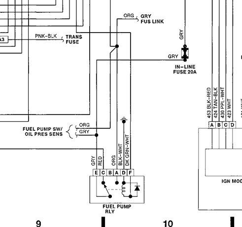
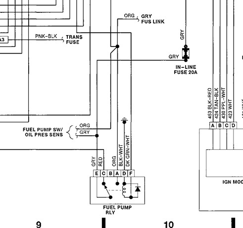
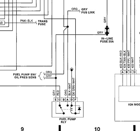
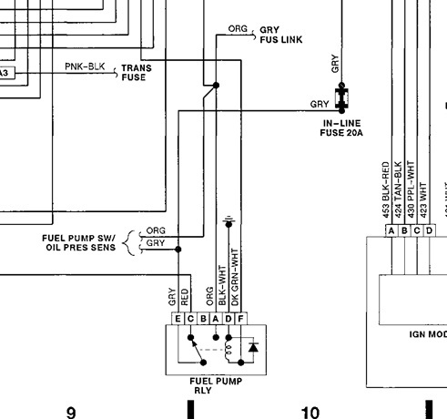
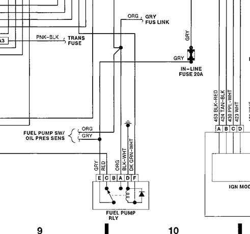
91Gmc Serria has no fuel and no fire power to the fuel pump with the key in the on position but no power to the the pump in the start position no fire at any time. Replace the ecm, fuel pump, fuel pump relay, ingnition switch, oil pressure switch





