Lights problem?

Tiny
MANSONMAULER
  • MEMBER
  • 2003 CHEVROLET IMPALA
  • 3.4L
  • V6
  • 2WD
  • AUTOMATIC
  • 196,476 MILES
Dash lights would dim whenever I started the car. So, replaced the dimmer relay switch a couple days ago. Worked like a Champ. I noticed a rear bulb was flickering. So took the light assembly out and replaced the little bulb that is for sidelight, I guess. I checked taillight bulb since there’s only two bulbs it was good. Put it back together turned in lights and of course figured socket bad as it kept flickering. Then I noticed the dash lights were dim again when I started the car. Also, rear lights plus license plate lights didn’t come on. I had turning signals, brake lights, a flasher when I used them but no dash lights and now not just regular lights in the rear. Running lights, I think they’re called. Everything is fine upfront. Checked all fuses/relays everything checked out. Ground good. I’m now worse off than before. Should have left the flickering bulb. Oh, replaced all in one headlight switch also. Any ideas?
Upset in Iowa.
Wednesday, December 21st, 2022 AT 6:14 AM

7 Replies

Tiny
STEVE W.
  • MECHANIC
  • 15,697 POSTS
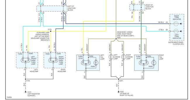
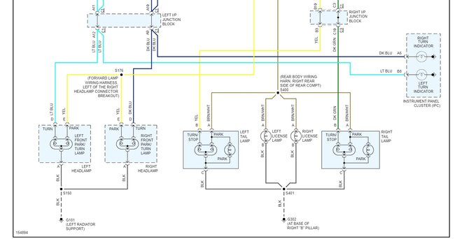
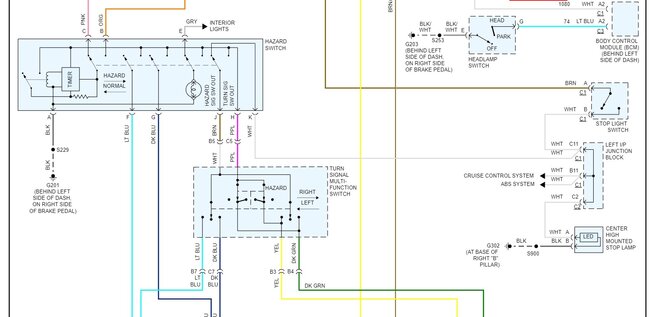
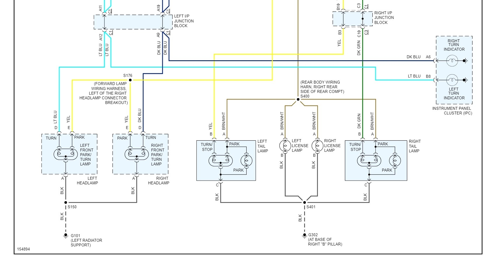
Welcome to the wonderful world of electric issues. Attached is the wiring to the lamps. The good thing is they are somewhat simple as they all use the same circuits so it's likely a single fault. First grab a test light. Nothing fancy, just the cheap one works fine. https://www.2carpros.com/articles/how-to-use-a-test-light-circuit-tester
Now go to the under-hood junction box and find the right instrument panel 1 fuse. I doubt it's the problem, but we need a starting point. Use the test light to check both ends of the fuse for power. https://www.2carpros.com/articles/how-to-check-a-car-fuse
Now go inside the car and turn on the lights, just to running lights first. Now check and see if it is only the rear that is out or are the front ones out as well? I notice you said the fronts were OK, but I'd like to verify that.
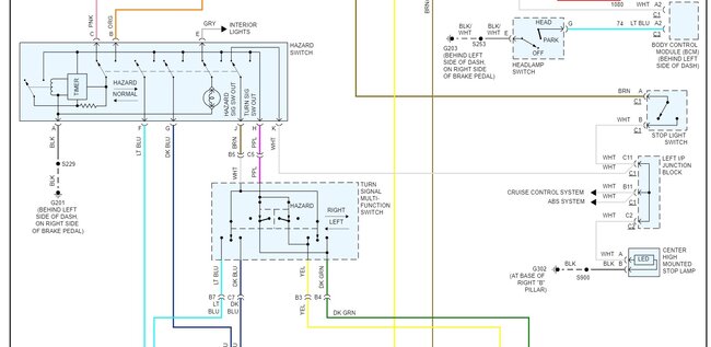
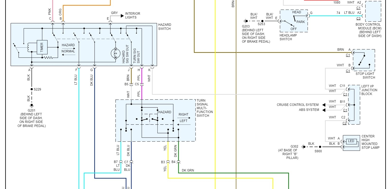
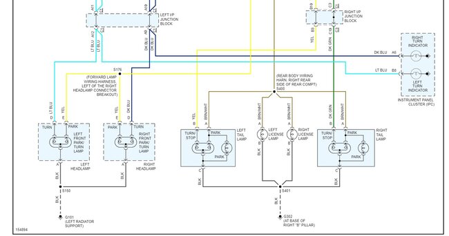
Next go to the fuse box on the right side of the dash and remove the access cover. Inside you will see the park lamp relay and a fuse for the front and another for the rear parking lamps. We will start testing here. With the lights and key on use the test light attached to a good ground to test the two fuses circled in green. Those feed the front and rear lamps. I don't trust visual inspection on fuses. If you test and get a good light at both fuses, then we will move to the rear of the car and test there. For that you can pick one of the lamps, maybe el-flicko first. Use the test light and see if you have power at the brown wire terminal inside the socket. You can test that same brown wire in each socket as they are all spliced together. You say that the brake and turn work and those share the same ground as the others so it shouldn't be that. I suspect it might be a fuse or the wiring that feeds from it to the rest of the vehicle. That is because your dash lights are out as well, and they are fed from the fuse that powers the rear lights. GM has had issues before with the fuse terminals in the boxes failing. So, I would test the fuse, then remove it and see if the fuse contacts are weak or damaged. If you don't see an issue and the lights are still out, we can do a reverse feed to see where the power stops. For that you would pick a rear lamp, remove the bulb and run a 15-amp fused wire between the brown wire terminal to battery positive. Did the lights come on or did the fuse blow? If the lights come on and the dash lights as well the issue is in the IP fuse box, it is replaceable but first you will want to disconnect the battery neg. Then unbolt and remove the wiring harness block from the box, look at the pins for corrosion or damage. If you see any replace the box, if not and you still have no lights it's likely that the circuit inside it has failed which means you replace the box or go to the wiring harness and jumper the front and rear together and replace the fuse to handle the increased load, not something I would do.
Good luck and let us know what you find.
Was this
answer
helpful?
Yes
No
Wednesday, December 21st, 2022 AT 9:01 AM
Tiny
MANSONMAULER
  • MEMBER
  • 5 POSTS
I should have asked how do you turn on just running lights. When I start the car or turn on car headlights a side marker come on a work but nothing from rear. And when replacing relays how do you know which way they go or if they’re in there right.
Was this
answer
helpful?
Yes
No
Wednesday, December 21st, 2022 AT 11:11 PM
Tiny
STEVE W.
  • MECHANIC
  • 15,697 POSTS
Relays only fit one way unless they are the newer 4 pin style, on those you just plug them in.
All the above still applies in terms of the running lights, the relay and fuse power, the rear lights and the dash. Depending on which ones are not working that is where you need to start testing. For instance, you said no rear running lights and no dash lights. Those are both powered through the parking lamp relay and the rear parking lamp fuse.
The park lamp relay powers all 3 systems, so front and rear running lights and the dash lights all go through the same relay. If the front running lights work, the relay is okay. If both the dash lights and rear running lights are out, then check the rear lamp fuse first.
Was this
answer
helpful?
Yes
No
+1
Wednesday, December 21st, 2022 AT 11:47 PM
Tiny
MANSONMAULER
  • MEMBER
  • 5 POSTS
Steve,

Where would I find that rear lamp fuse you stated? God be great if that was it...
Was this
answer
helpful?
Yes
No
Wednesday, December 21st, 2022 AT 11:53 PM
Tiny
STEVE W.
  • MECHANIC
  • 15,697 POSTS
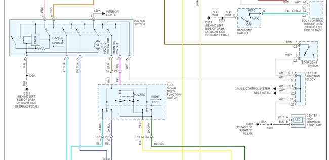
Check the fuse box on the right end of the dash. Take a look at the images I added in the earlier post, it shows the box and the fuses.
Was this
answer
helpful?
Yes
No
Thursday, December 22nd, 2022 AT 9:45 AM
Tiny
MANSONMAULER
  • MEMBER
  • 5 POSTS
Steve, I cannot thank you enough, it worked. Took your info step by step and it worked. You Are the Man. Much gratitude and Merry Christmas.
Was this
answer
helpful?
Yes
No
Thursday, December 22nd, 2022 AT 2:45 PM
Tiny
STEVE W.
  • MECHANIC
  • 15,697 POSTS
Good to hear you found it. Thank you for using 2CarPros.
Was this
answer
helpful?
Yes
No
Thursday, December 22nd, 2022 AT 4:56 PM

Please login or register to post a reply.