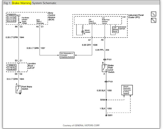
Friday, April 23rd, 2010 AT 4:30 PM
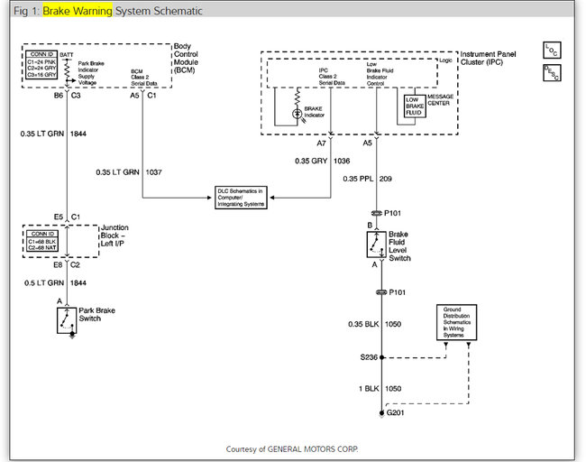
The brake light went off on the front panel with the message brake fluid low and on the left side brake light message went off too, I cheked fluid level is ok, brake pads are ok, and I purged the four wheel so what is the problem with my car?








