Will not turn over?

Tiny
JUMKU
  • MEMBER
  • 2007 FORD FOCUS
  • 2.0L
  • 4 CYL
  • 2WD
  • AUTOMATIC
  • 150 MILES
Just put a new starter on and it won't start. It doesn't even make the clicking noise? What do I need to do to get this problem fixed?
Wednesday, October 7th, 2020 AT 12:53 PM

1 Reply

Tiny
JACOBANDNICKOLAS
  • MECHANIC
  • 110,194 POSTS
Hi,

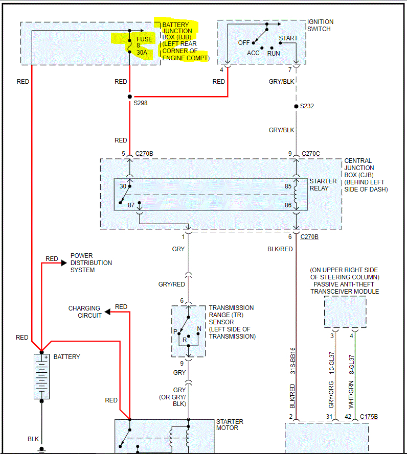
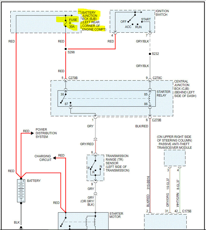
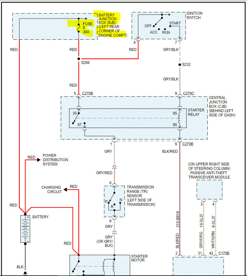
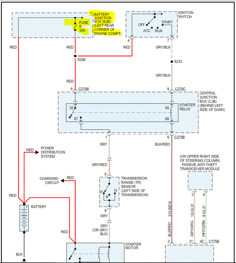
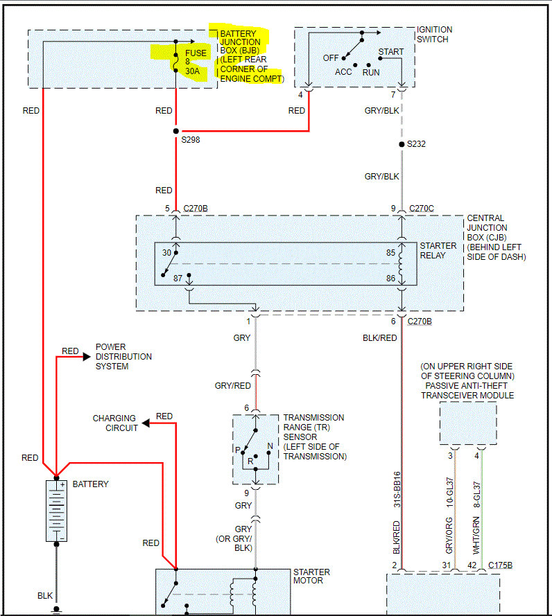
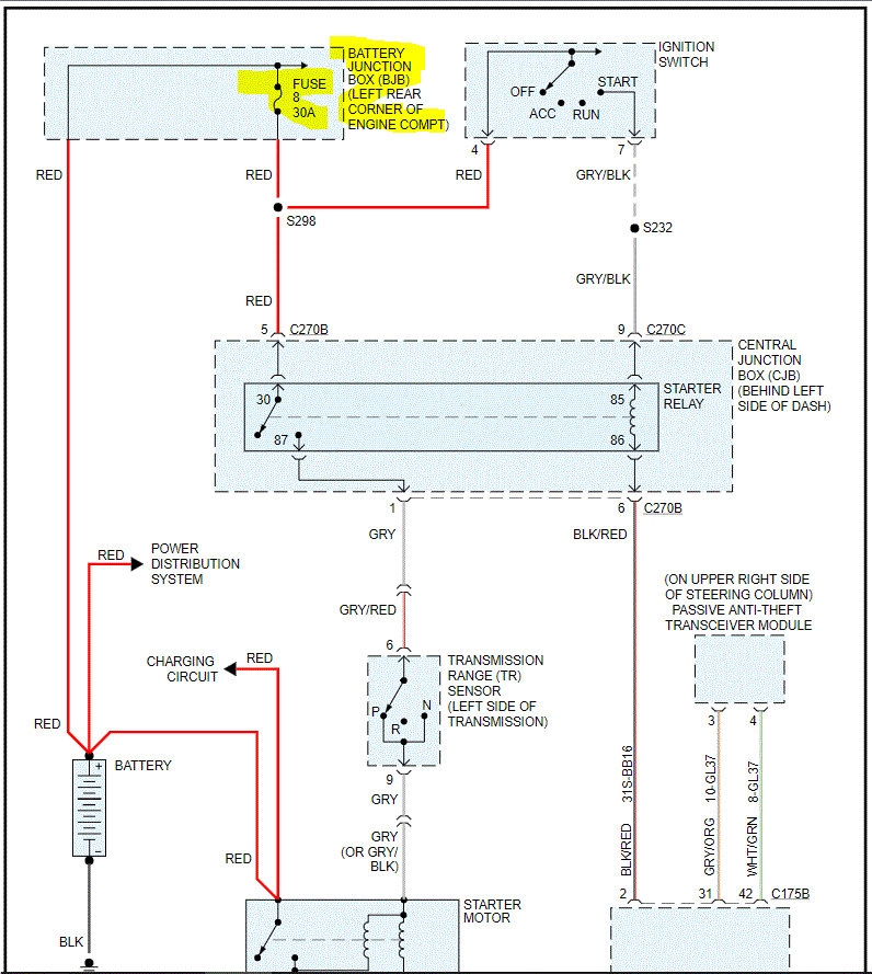
If everything else on the vehicle is working other than the starter, first check fuse 8 in the fuse box under the hood. See pics 1, 2 and 3.

In addition to checking the fuse, confirm there is power to it and out from it. Here is a link you may find helpful:

https://www.2carpros.com/articles/how-to-check-a-car-fuse

If the fuse is good, then check to see if the vehicle will start in neutral. If the neutral safety switch has failed, it can cause this type of issue.

Next, we need to check the starter relay. It is in the central junction box under the dash. I attached two pics below showing it and location.

If there is another relay with the same part number, switch the two relays to see if that changes things. If that doesn't, here is a link explaining how to check one:

https://www.2carpros.com/articles/how-to-check-an-electrical-relay-and-wiring-control-circuit

_______________________

If everything checks good, I need you to have a helper turn the key to the start position while you check for voltage to the S terminal on the starter. The larger wire comes straight from the battery, so it will always have 12v. The smaller wire is the trigger wire which only receives 12v when the key is in the start position.

Here is a link to help with that procedure:

https://www.2carpros.com/articles/starter-not-working-repair

Do these things and let me know what you find or if you have other questions.

Take care,
Joe
Was this
answer
helpful?
Yes
No
Wednesday, October 7th, 2020 AT 6:28 PM

Please login or register to post a reply.