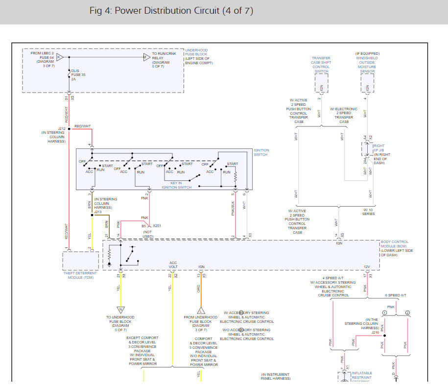
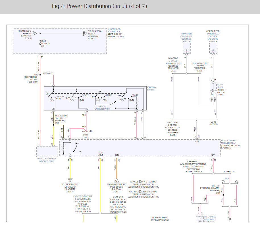
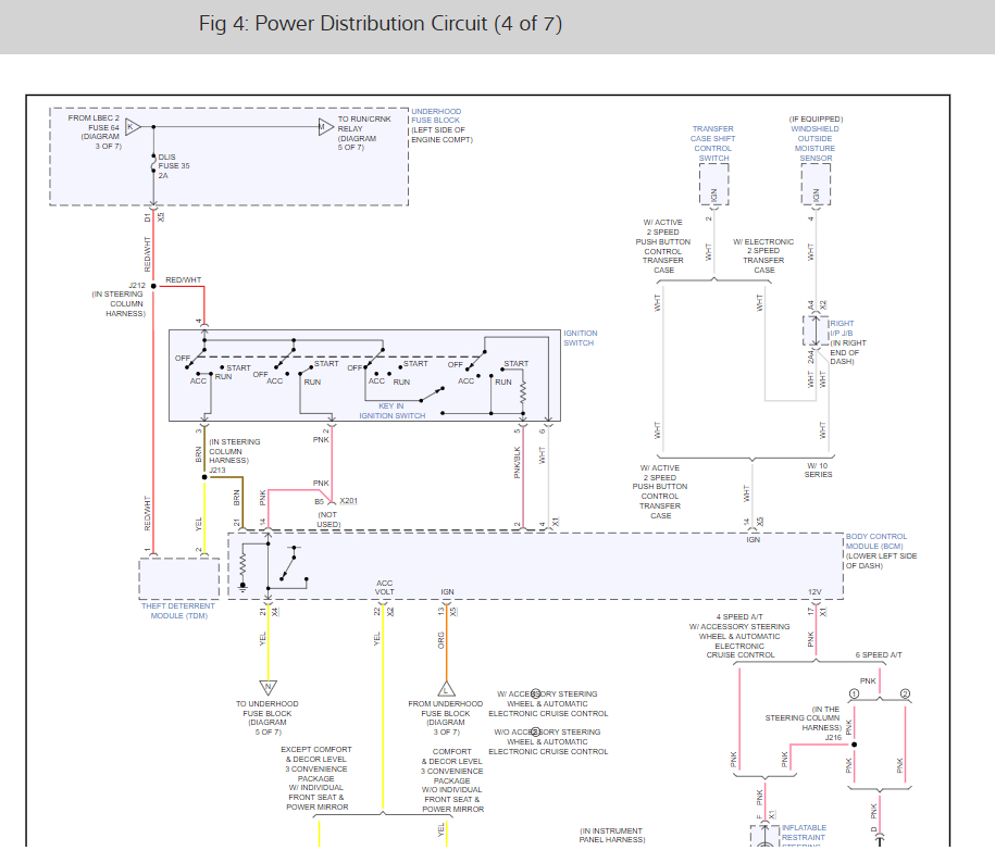
Wednesday, August 14th, 2019 AT 9:58 PM
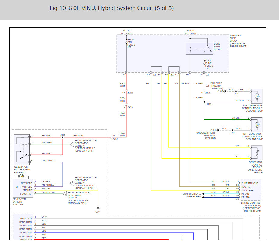
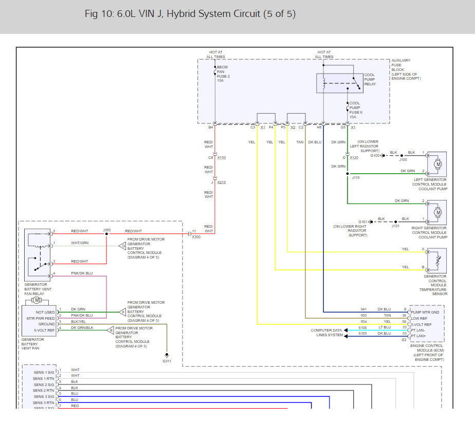
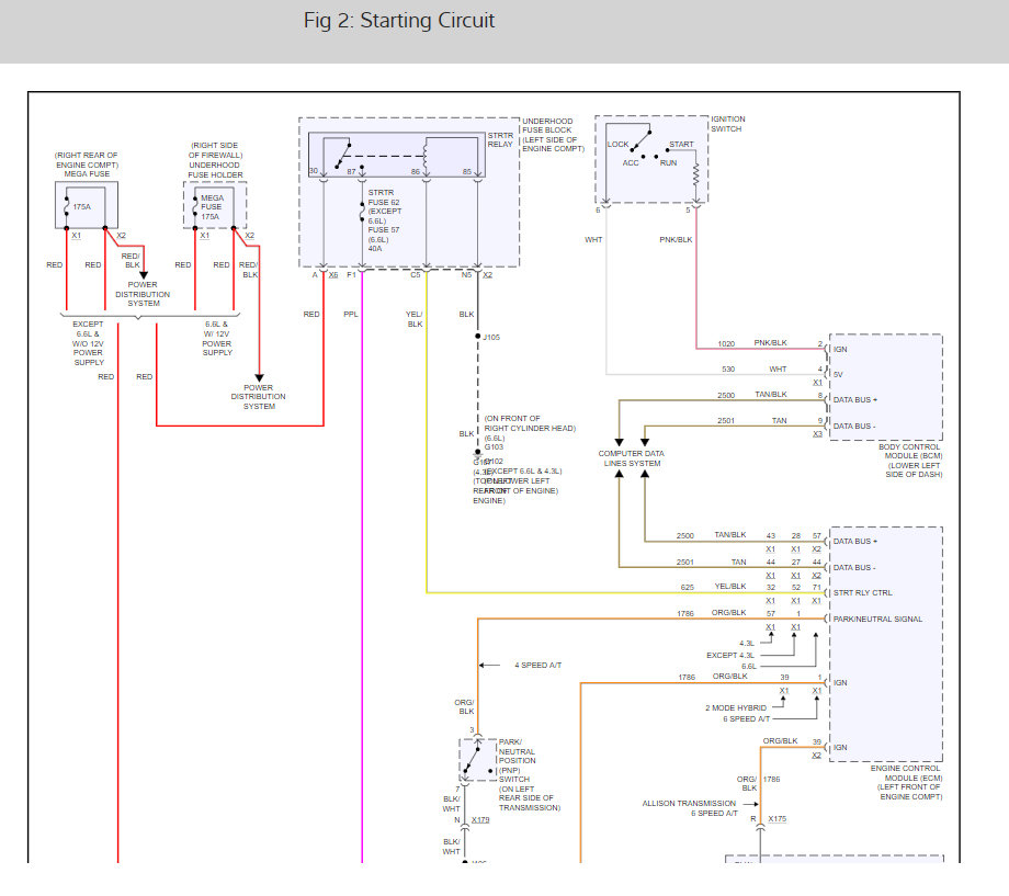
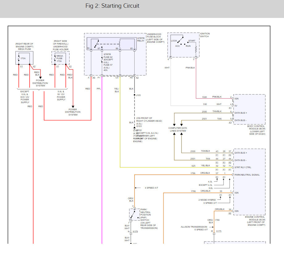
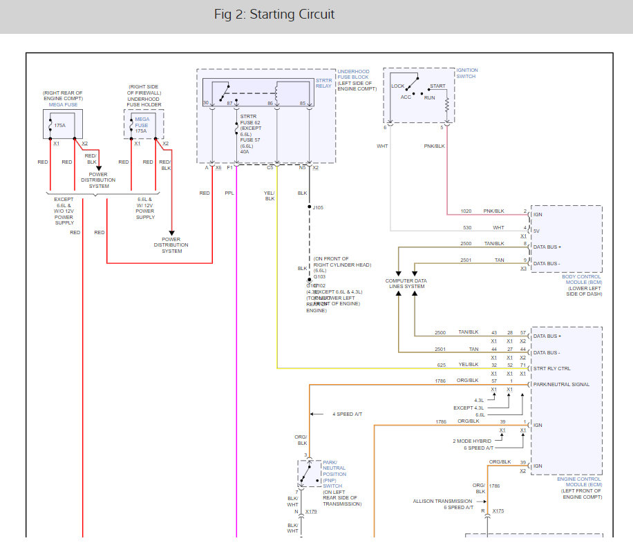
I went out to the truck in the morning tried to start it and everything was dead. I drove it the night before and all was well. So I went down and bought a new correct battery and installed it. Still no crank. But I now had lights and radio. The dash said check hybrid system. I had a friend that highly recommended a hybrid mechanic that would come to the house and repair it. He brought out a lap top and messed with it 4 or 5 times for about 3 hours each time. He told me it was the big battery. So we replaced it. No change. Then he said it was the big box under the hood with all the big wires going into it. So we replaced it. No change. So then he said the battery going bad took out a program in the computer and I had to tow it to his shop for him to fix it. Next we were waiting for a programmer that only came in on Thursdays. Reprogrammed and no change. So he then replace my new 12 volt battery with a another new battery saying it had a bad cell. No change. Next he said it needed some kind of module that he had to get from the dealer and it would take a couple of weeks. It has been about 2 months now and he just called a week ago and said it has a bad main board that was caused by the battery going dead. Another dealer part. I don't know if that was replaced because now he has called and said that he would bring it back to me and give me back my fifteen hundred dollars and keep all the new parts he put in. The reason he gave is that it now needs a new inverter that has to come from the dealer with a cost of $5,500.00 just for the part. Now I do not know what to do with this truck and it seems I will never know what he actually did. He insists that it needed all that stuff and it all went out at the same time while it was sitting in front of my house. Any help would be very much appreciated.




























