Will not crank over

Tiny
OLMARINE
  • MEMBER
  • 1998 FORD F-150
  • 4.2L
  • 6 CYL
  • 2WD
  • AUTOMATIC
  • 101,000 MILES
So it was working fine then all of a sudden it wouldn't start. Battery has 12.4 now it had 12.6, replaced the starter and still same problem. Lights and everything comes on as normal when key is turned but no clicking or anything when turned to start. Have not checked the battery cables yet going to in the morning, but other than those I am at a loss.
Friday, March 19th, 2021 AT 8:34 PM

1 Reply

Tiny
JACOBANDNICKOLAS
  • MECHANIC
  • 110,194 POSTS
Hi,

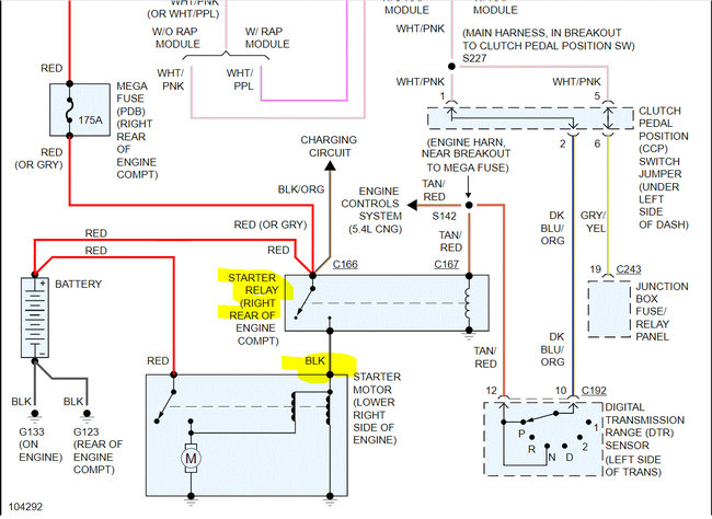
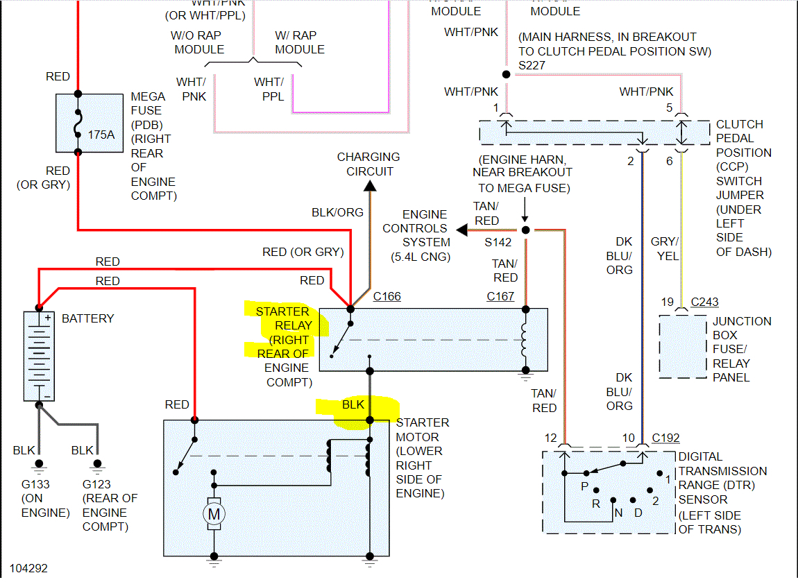
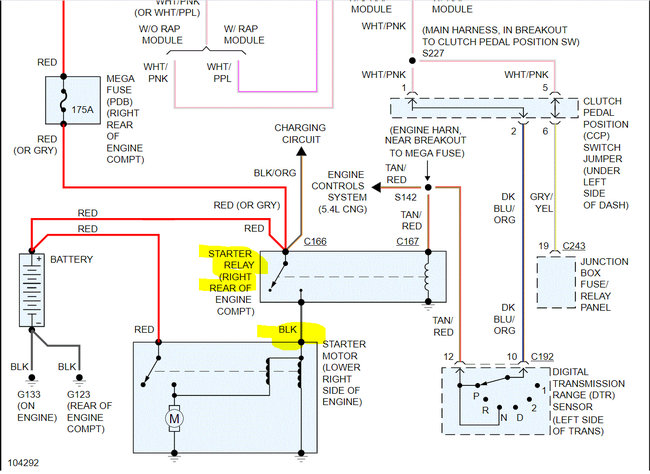
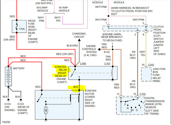
First, see if it will start if you place the transmission in neutral. If it doesn't, I need you to check fuse 21 in the fuse panel. Pic 1 shows the location. Pics 2 and 3 show the entire wiring schematic for the starting system. If the fuses are good, switch the relay with a different one having the same part number.

When checking the fuse, make sure there is power to and from it. Here is a link you may find helpful:

https://www.2carpros.com/articles/how-to-check-a-car-fuse

Here is a link that shows how to test a relay:

https://www.2carpros.com/articles/how-to-check-an-electrical-relay-and-wiring-control-circuit

If both the fuse and relay are good, then I need you to check for power at the starter. There are two wires. The smaller one is black and should have 12v only when the key is in the start position. You will need a helper to check this. Also, here is a link that is more specific:

https://www.2carpros.com/articles/starter-not-working-repair

Let me know what you find or if you have other questions.

Take care,
Joe

Also, see the pics below for schematics and fuse location.

Was this
answer
helpful?
Yes
No
Sunday, May 30th, 2021 AT 3:47 PM

Please login or register to post a reply.