Shut off while driving, will not start

Tiny
MELISSA ROBITAILLE
  • MEMBER
  • 2000 DODGE AVENGER
  • 2.5L
  • 6 CYL
  • 2WD
  • AUTOMATIC
  • 200,000 MILES
Just bought this car, just quit running while driving. It cranks won't start. I've replace plugs and wires. New distributor cap and rotor. New crankshaft sensor new battery. Still no spark. Now what
Sunday, March 3rd, 2019 AT 4:35 PM

1 Reply

Tiny
JACOBANDNICKOLAS
  • MECHANIC
  • 110,194 POSTS
Hi and thanks for using 2CarPros.

First, remove the distributor cap and have a helper crank the engine. Is the rotor turning?

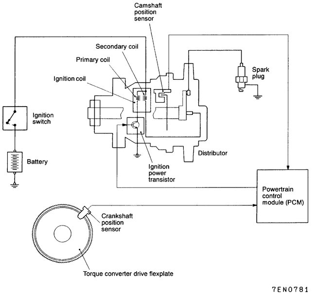
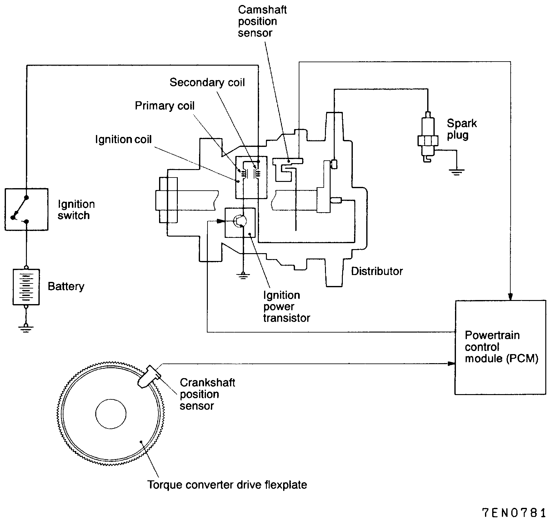
If so, then I need to have you check the ignition coil. Here are the directions and information on the resistance required. Picture 1 shows the pins involved at the distributor.

1. Measurement of the primary coil resistance Measure the resistance between connector terminals 11 and 12 of the distributor.

Standard value: 0.6 - 0.8 ohms

2. Measurement of the secondary coil resistance Measure the resistance between the high-voltage terminal and connector terminal 11.

Standard value: 12 - 18 ohms

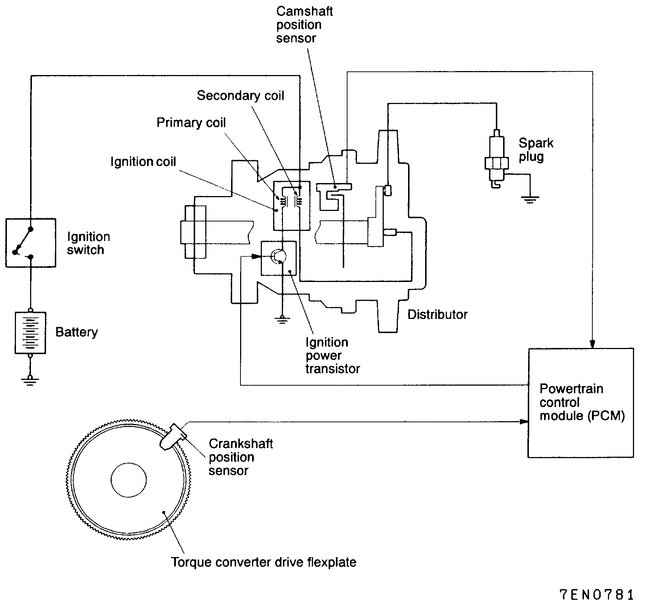
I also attached picture 2. It shows the wiring schematic for the ignition system.

Here are a couple links you may find helpful:

https://www.2carpros.com/articles/how-to-use-a-voltmeter

https://www.2carpros.com/articles/how-to-check-wiring

https://www.2carpros.com/articles/car-cranks-but-wont-start

Let me know what you find or if you have other questions.

Take care,
Joe
Was this
answer
helpful?
Yes
No
Sunday, March 3rd, 2019 AT 5:41 PM

Please login or register to post a reply.