No crank, no start, but lights work

Tiny
AKT0921
  • MEMBER
  • 1999 CHEVROLET SUBURBAN
  • 4WD
  • AUTOMATIC
  • 200,000 MILES
When we turn the key, the dash lights come on and I hear the fuel pump buzz, (i think that's what that is), but no clicking, no turning over, no noise. Nothing. Reading through the different posts, and trying to jump start, we finally tried a new relay. Still nothing. But then, I saw where you can jump pin 87 directly to the battery, tried that, and it started right up. I drove it thirty miles home, turned it off, then it started again. What is the issue? My boyfriend keeps thinking it's the battery, but everything works, and there is no dimming as it's shutting off. I think it's a wiring issue, from what I've been reading, but I'm not sure. Why did jumping the relay make it work?
Thursday, April 21st, 2022 AT 7:11 PM

3 Replies

Tiny
JACOBANDNICKOLAS
  • MECHANIC
  • 110,194 POSTS
Hi,

A relay is basically just a fancy switch that utilizes an electrical trigger signal to activate. Once activated the relay connects an electrical supply to a particular accessory. In this case, the starter motor.

Before anything, see if it will start in neutral to eliminate a faulty park/neutral safety switch.

Here is how it works. By applying power to pin 87, you bypassed a few of the circuits and sent power directly to the start solenoid causing it to engage. The idea that it worked tells me two things. First, there is nothing wrong with the starter, and secondly, the battery is at least okay.

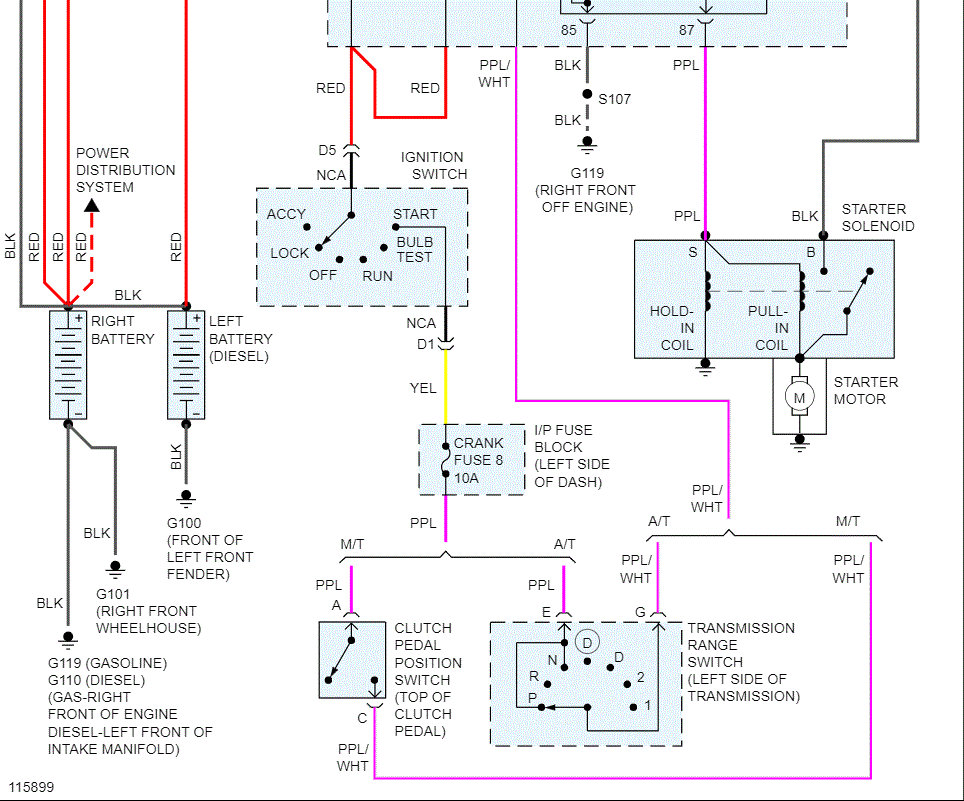
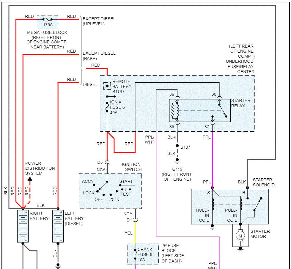
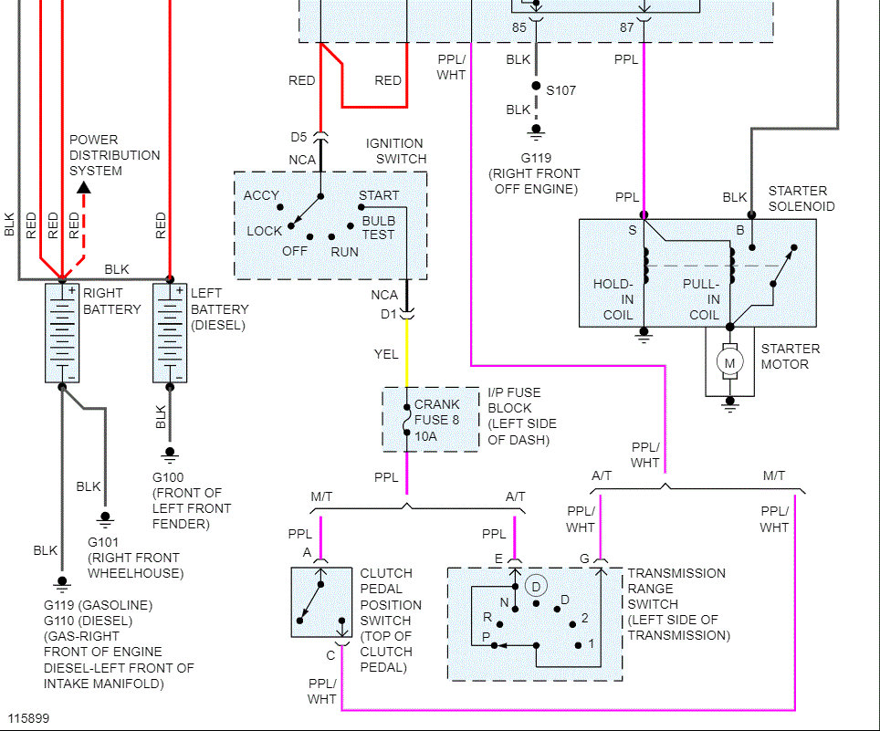
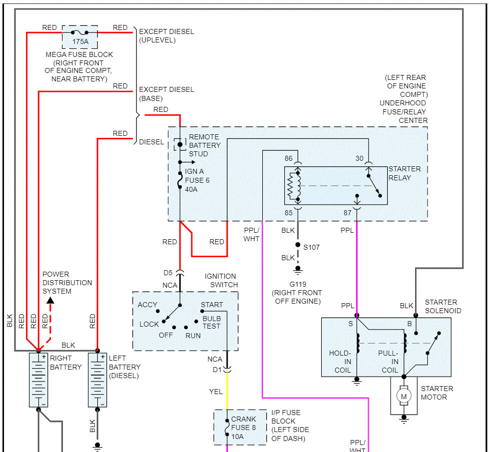
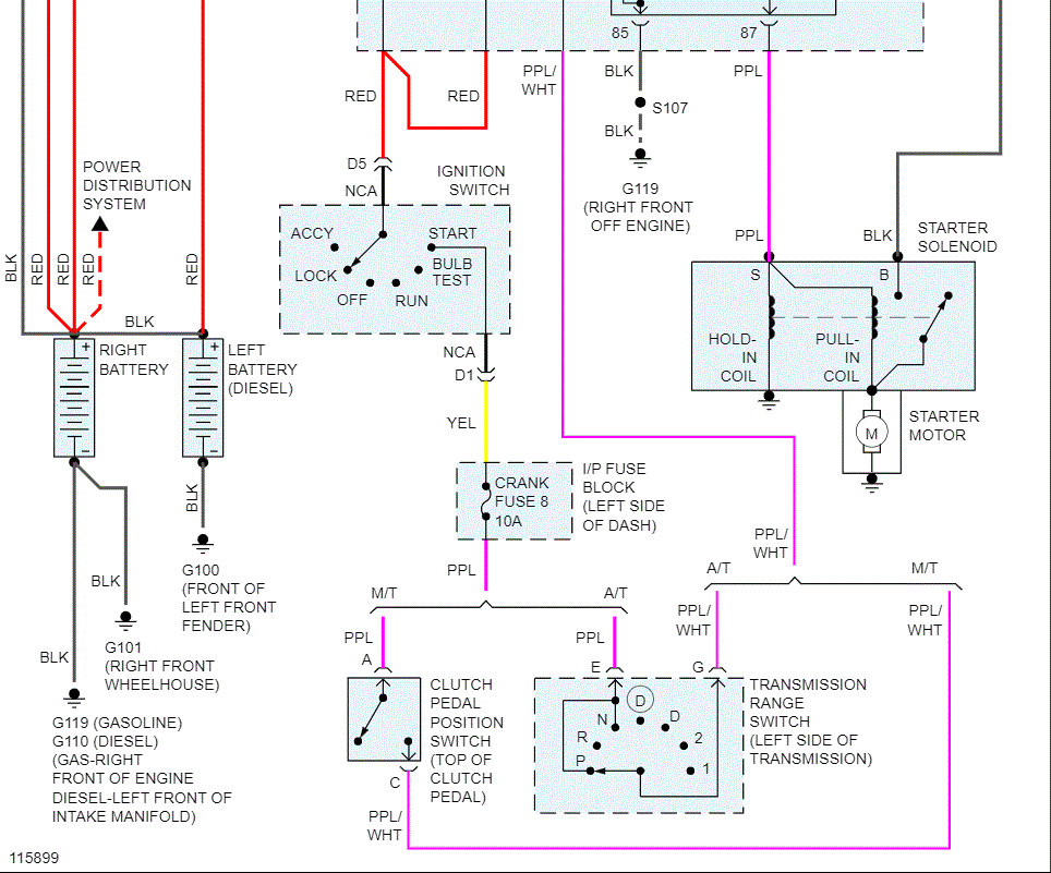
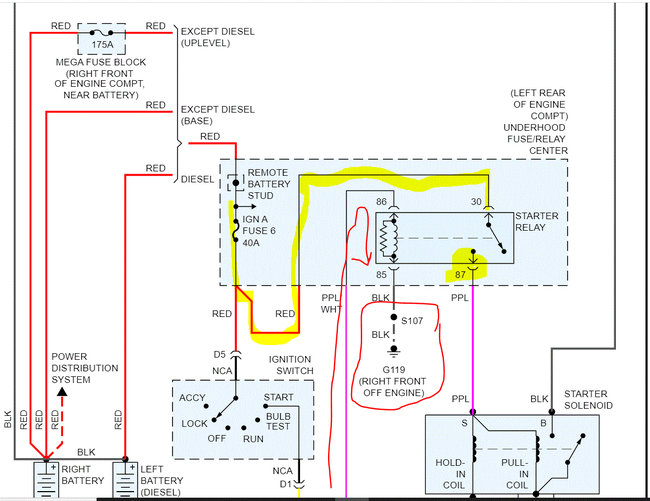
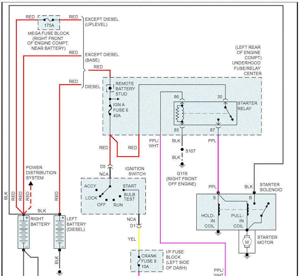
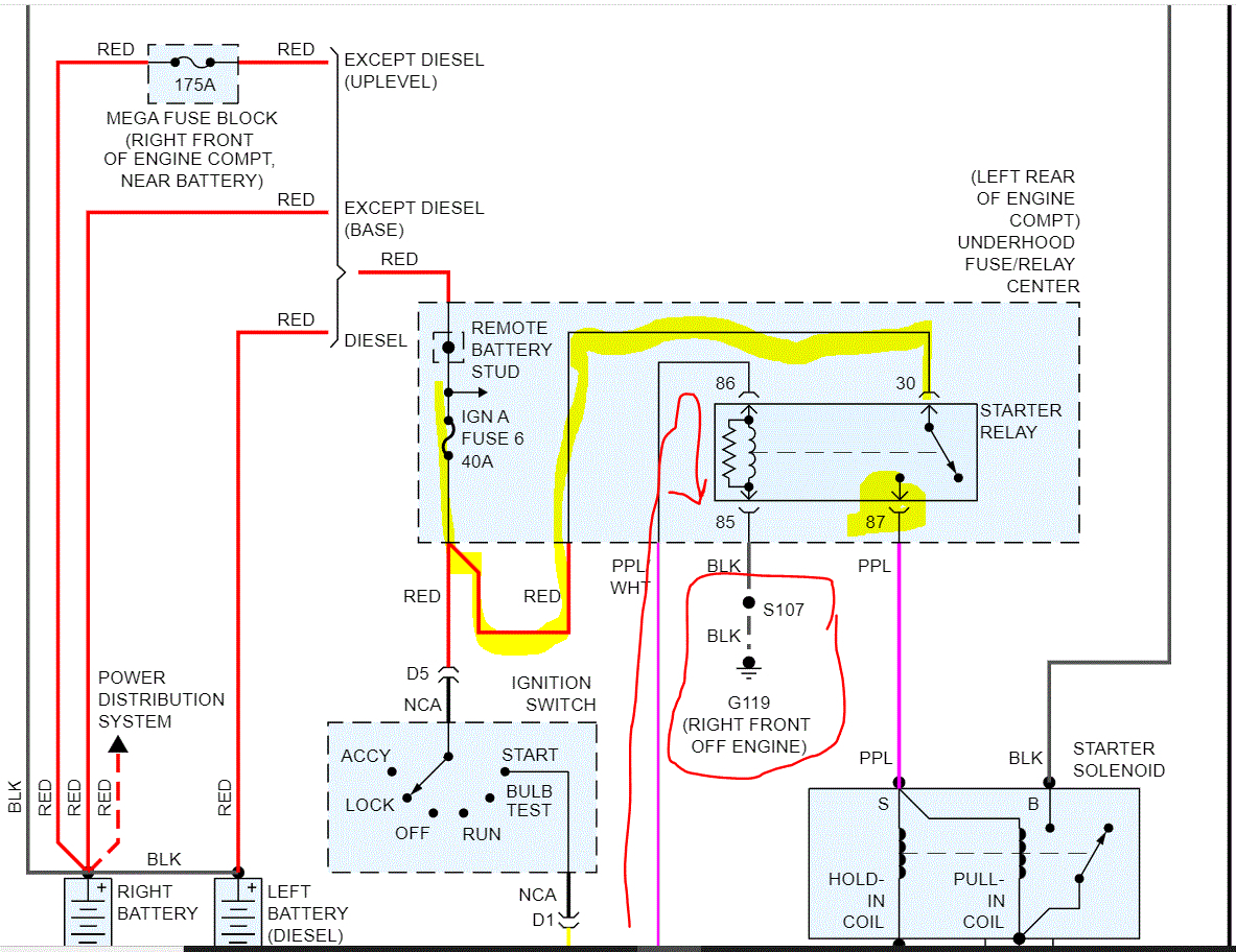
Here is how it works: If you look at pic 1 below, I highlighted a few things including pin 87. If you notice pins 30 and 87 are the switch portion of the relay. Pin 30 has power at all times and pin 87 only gets power when the relay is triggered.

For the relay to trigger, first the key has to be turned to the start position. At that point, power goes through a 10-amp crank fuse, then to the neutral park switch, and then makes its way to pin 86 on the relay. Once power reaches 86, it has a direct path to ground via pin 85 which completes the primary side of the relay circuit.

Once the primary side is complete, an electromagnetic field is created in the relay and pulls the switch between pins 30 and 87 closed, and power is sent to the starter solenoid to engage the starter. By jumping power from the battery to pin 87, you bypassed all of the things I mentioned. If you look through this link, it gives a better description of how the relay works and how to test one:

https://www.2carpros.com/articles/how-to-check-an-electrical-relay-and-wiring-control-circuit

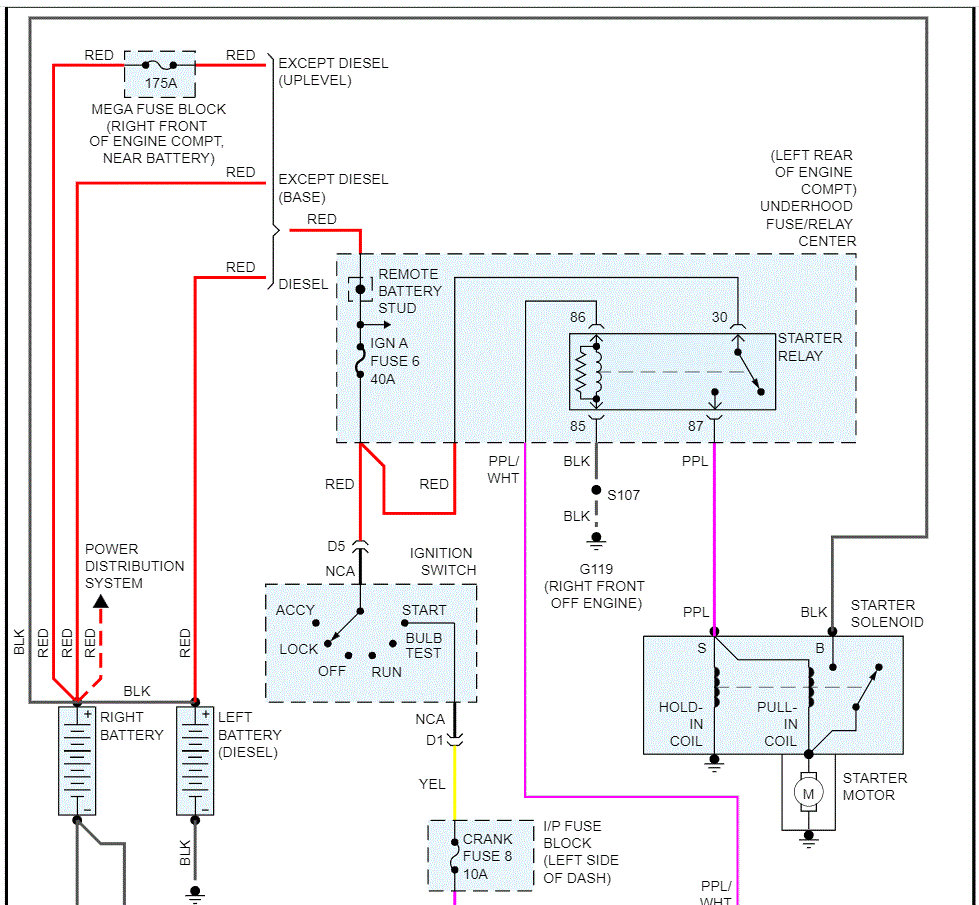
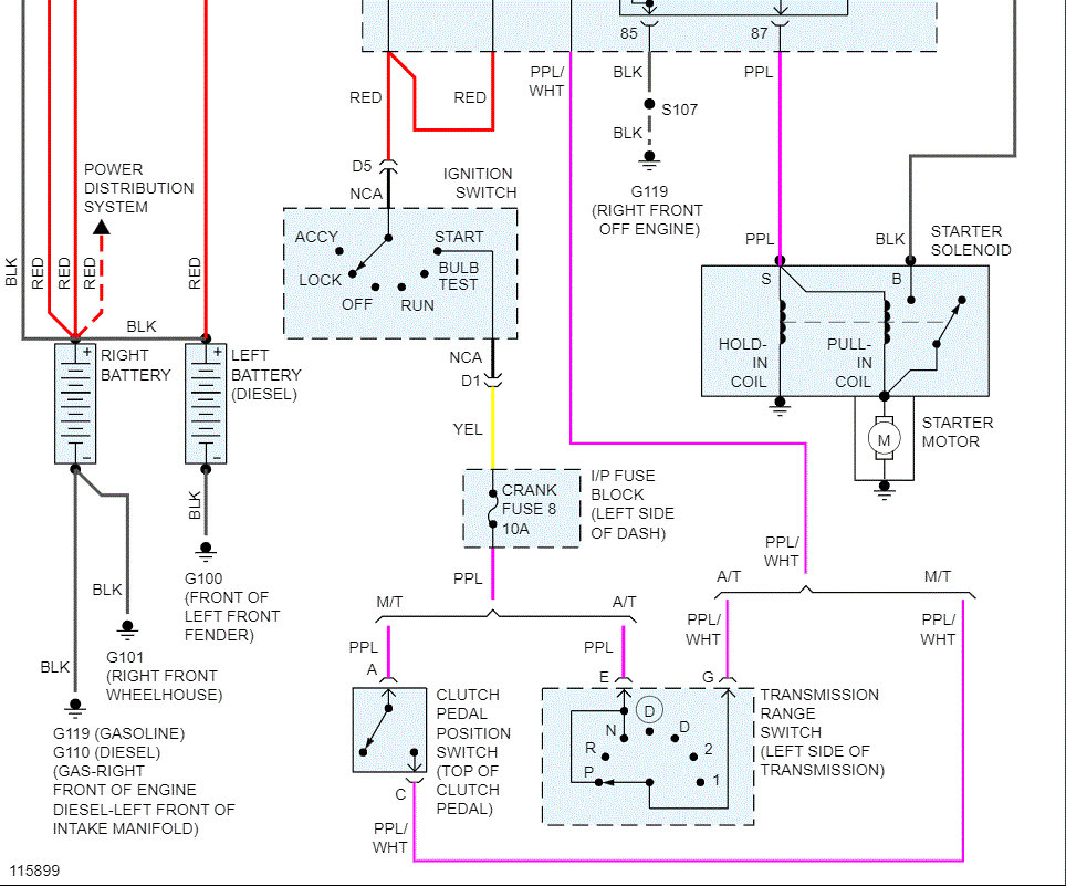
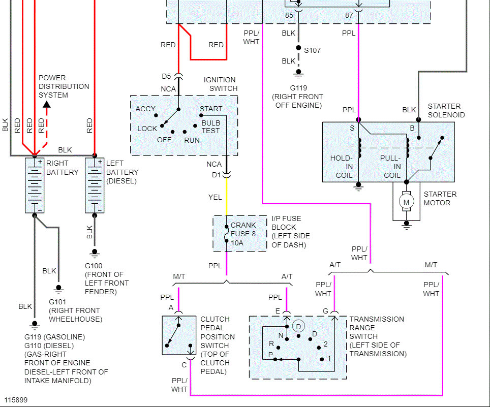
So, if you look at pics 2 and 3, I included the schematic for the starter circuit. The first things I would check are the fuses. In the under-hood fuse box is the ignition fuse (fuse 6, 40 amp). In addition to checking the fuse, confirm there is power to it. Here is a link that explains how that is done:

https://www.2carpros.com/articles/how-to-check-a-car-fuse

If that fuse is good, check fuse 8 in the fuse panel under the dash. Do the same thing. Confirm there is power to it.

If both are good, then we need to confirm two things. First, does the power make it to relay pins 30 and 86? Note: that both pins 86 and the fuse (10 amp in the vehicle) will only have power when the key is in the start position. If there is power, then you need to confirm there is a ground path via pin 85 in the relay box.

Try this and let me know what you find. I hope I made this understandable.

Pics 2 and 3 are the wiring schematic for your review. Pics 4 and 5 are the fuses I need you to check.

Take care,

Joe

See pics below.
Was this
answer
helpful?
Yes
No
Thursday, April 21st, 2022 AT 8:21 PM
Tiny
AKT0921
  • MEMBER
  • 2 POSTS
Well, my boyfriend was convinced it had to do with the battery, but I'm not. And he wasn't trying to hear what I was suggesting.

It started all day yesterday just fine. Went out today and nothing.

I'm about to check the fuses as you suggested. Will let you know the outcome.
Was this
answer
helpful?
Yes
No
Saturday, April 23rd, 2022 AT 11:04 AM
Tiny
JACOBANDNICKOLAS
  • MECHANIC
  • 110,194 POSTS
Hi,

You are correct about the battery. If it started when you jumped the relay, then the battery is good enough to start the car.

Let me know what you find or if you have other questions.

Take care,

Joe
Was this
answer
helpful?
Yes
No
Saturday, April 23rd, 2022 AT 8:32 PM

Please login or register to post a reply.