Sunday, March 8th, 2020 AT 4:18 PM
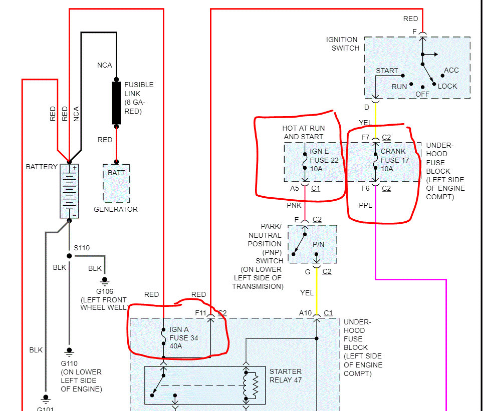
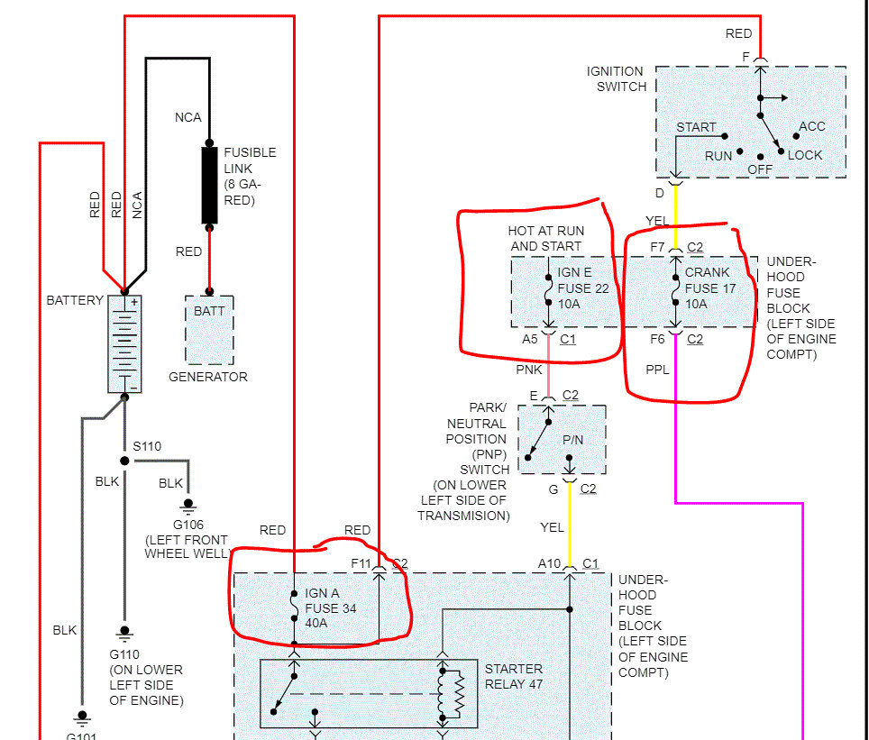
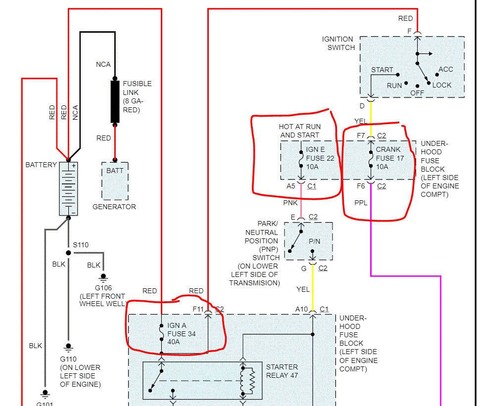
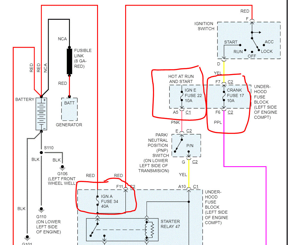
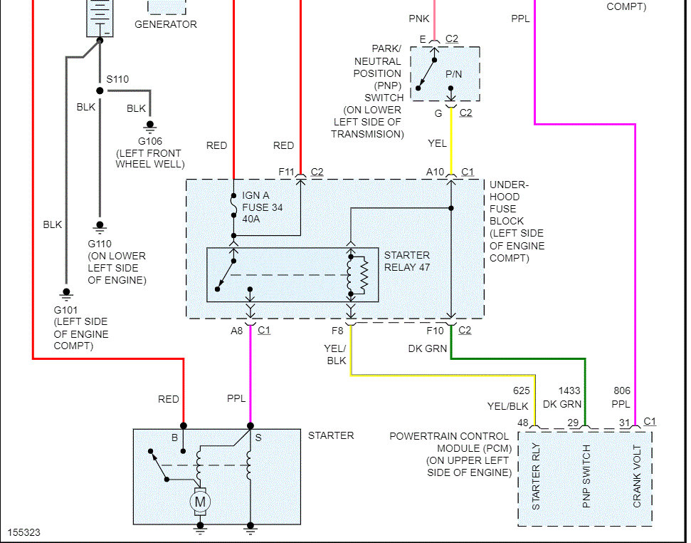
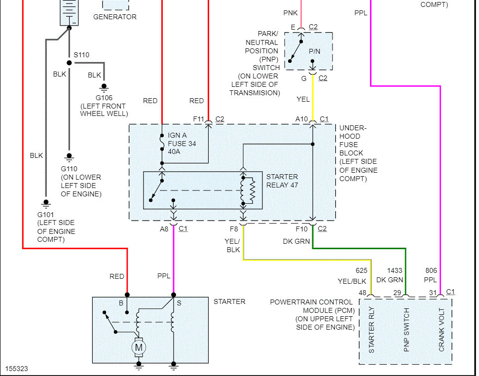
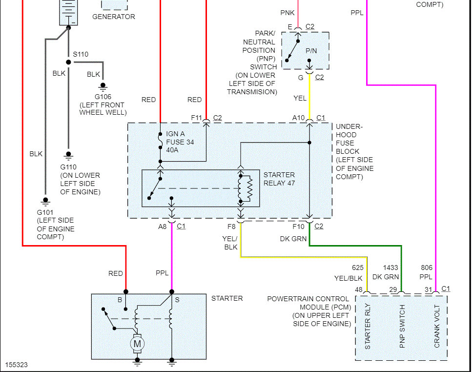
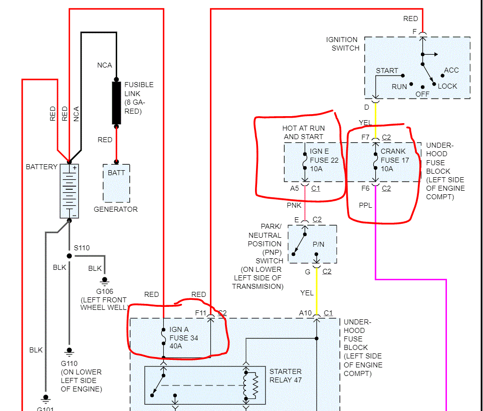
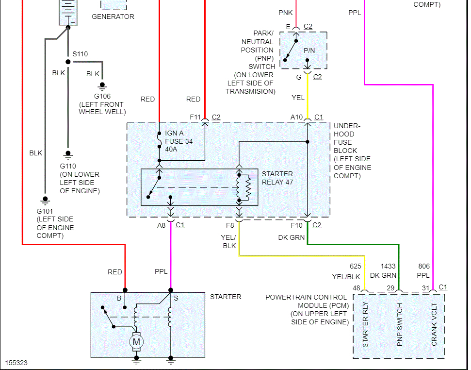
Stopped and got gas at the gas station. I came back out to the car to leave and it would not start and would not come out of park. It doesn't even try to start. But all the electrical works lights, radio. Bought a new battery and still doesn't crank or come out of park. It did have a blown ign fuse, I also replaced it and still nothing.


