Saturday, February 19th, 2022 AT 5:04 PM
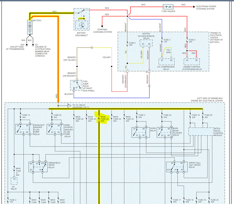
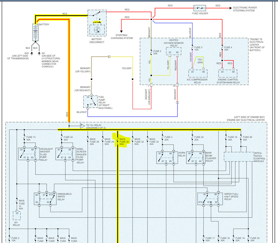
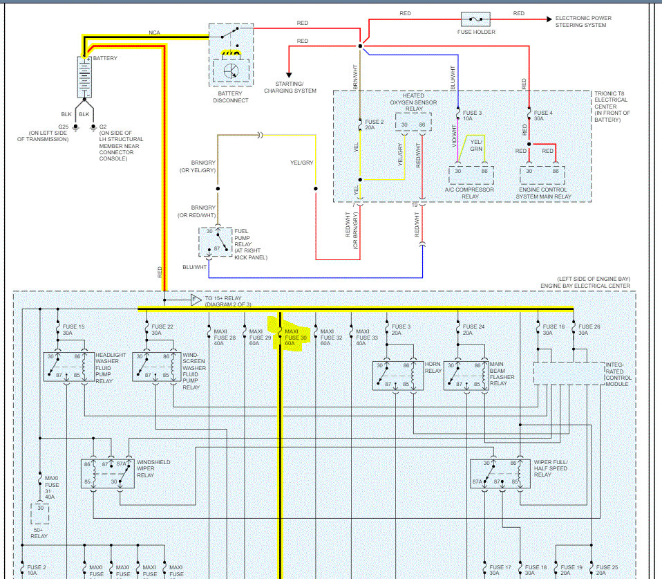
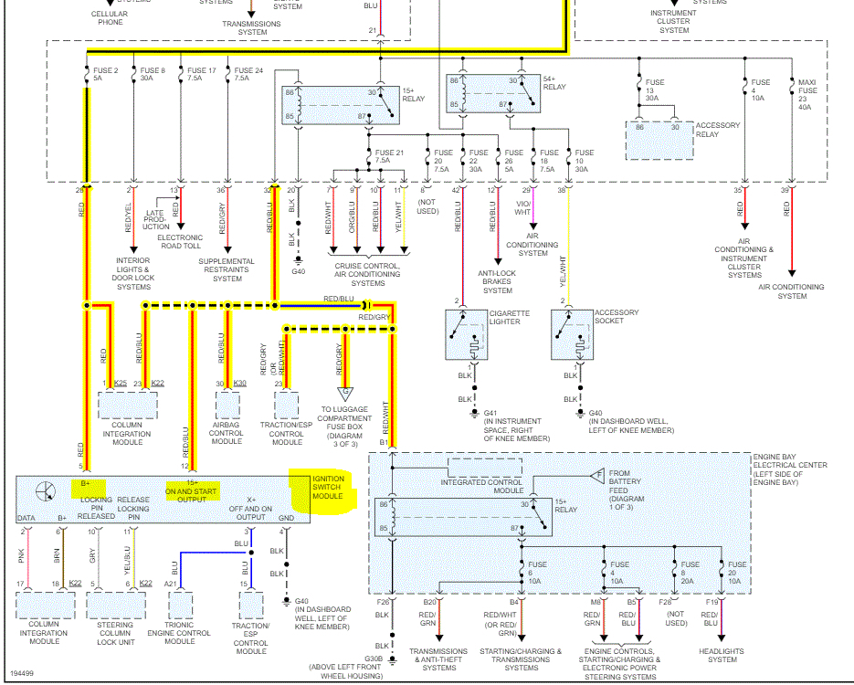
So, about a month ago I took a break at work, turned on my car, used the heater; turned it off went back inside. Went to leave about an hour later and my key would not turn in the ignition it is a key fob, even when I bypass the locking mechanism, I still get no power anywhere. When I turn my key there's no lights at all on the dash panel. My interior lights when I try to turn them on, they turn off as soon as I turn them on as like one quick flash, but I can flash my high beams on and off, I can use my radio whether my key is in or not. My trunk light stays on when I open the trunk. I can open my trunk which is an electric button that I can't use unless I'm connected to the battery. I replaced the ignition switch, steering control module, main relays, and checked fuses. I have had no bad fuses at all, the only thing that I do know positively is I have a shut off switch relay on the battery off the positive terminal, but that seems to be clear too. So, I just don't really know where the problem could be all. I know that there's no power going to my ignition but there's power going somewhere to my car otherwise my radio wouldn't work, my trunk wouldn't open, and my trunk light wouldn't stay on, and I couldn't use my high beams. So, I don't know. Any advice would be helpful. I've tried anything and everything I can think of. It gave me no symptoms that I recognized before this happened. Like I said I have some power obviously otherwise the lights wouldn't even flash I would assume but my horn doesn't work but my radio works and as far as I know those are in the same fuse box. So, I just don't understand what is going on.






















