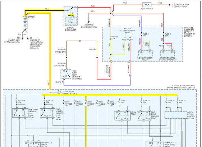
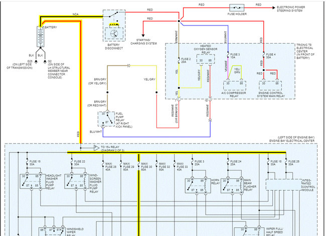
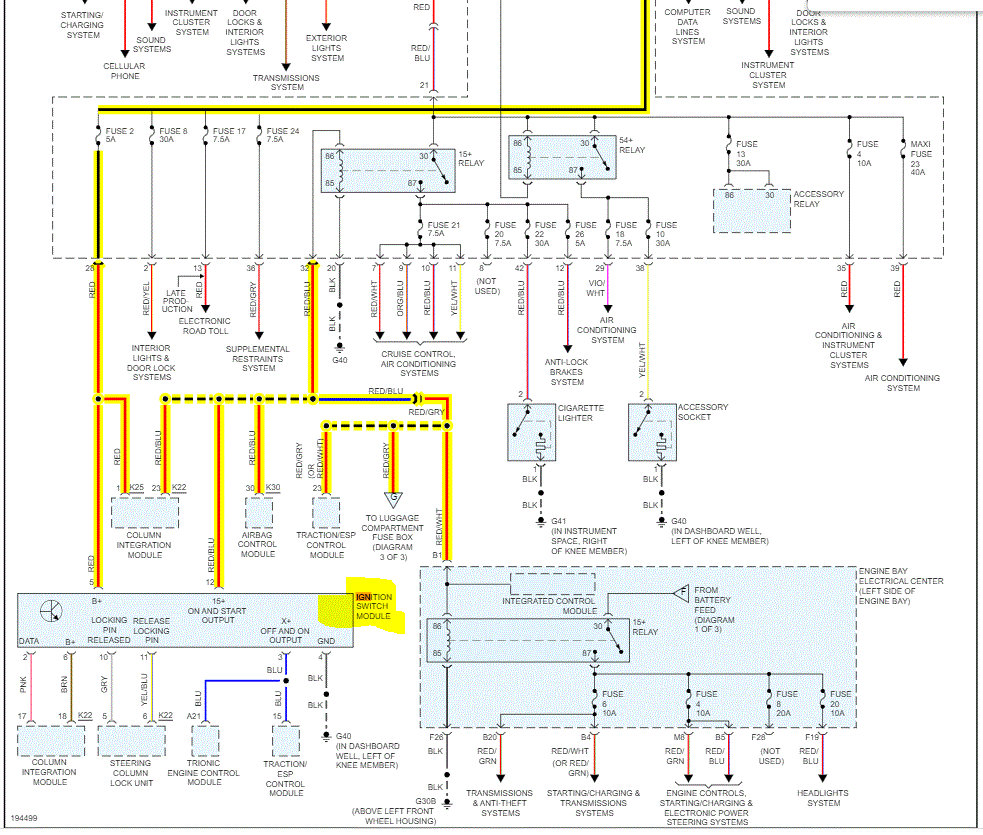
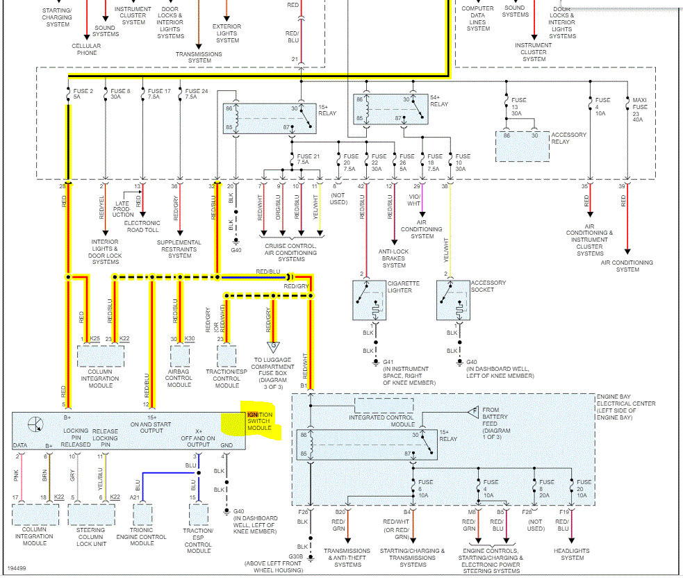
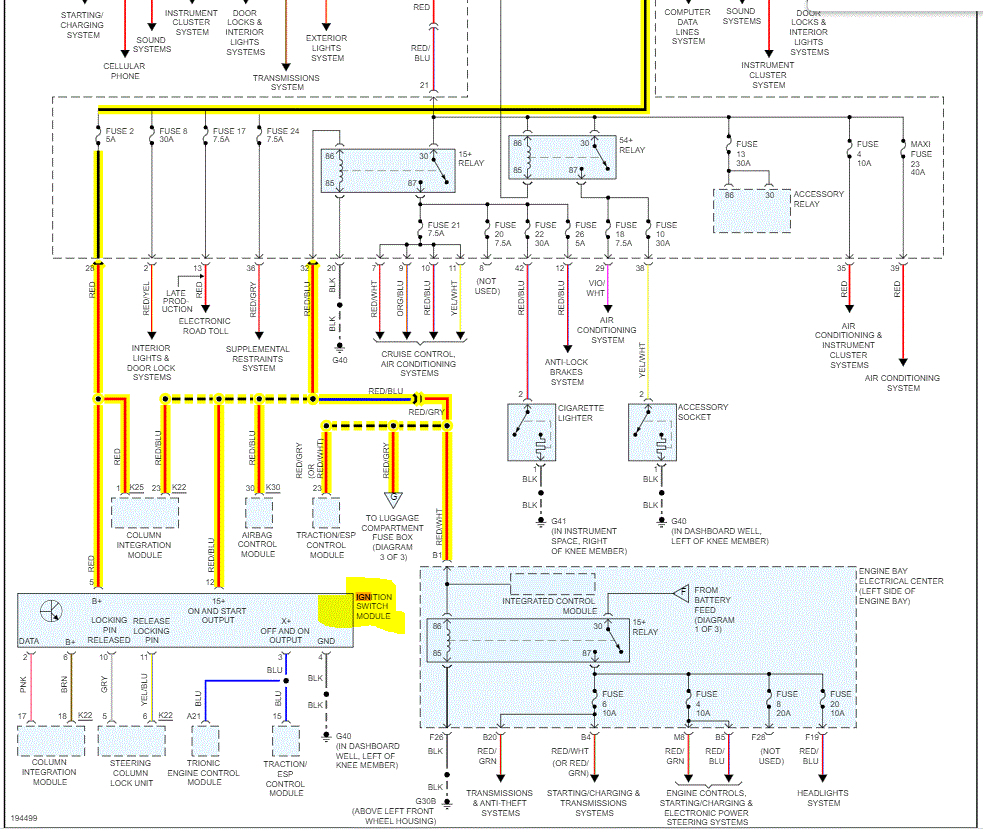
This is a tough one. Based on what you have already done, I suspect there are no power issues related to the switch. However, I feel that is where we need to start. When you turn the key to the start position and nothing turns on, that sounds like a power supply is missing.
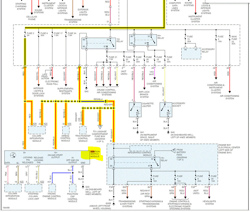
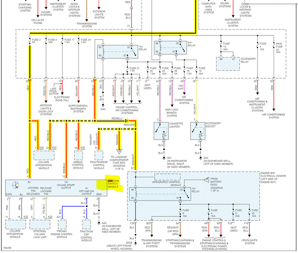
Take a look at the schematic below. I highlighted the power supply from the battery to the switch. I need you to confirm all power supplies are good, fuses are good, and there is power to all fuses to the switch. (Red wire).
Let me know.
Joe
Was this helpful?
Yes
No
+1
Saturday, April 16th, 2022 AT 4:37 PM





