Monday, April 27th, 2020 AT 8:25 AM
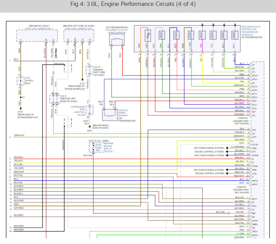
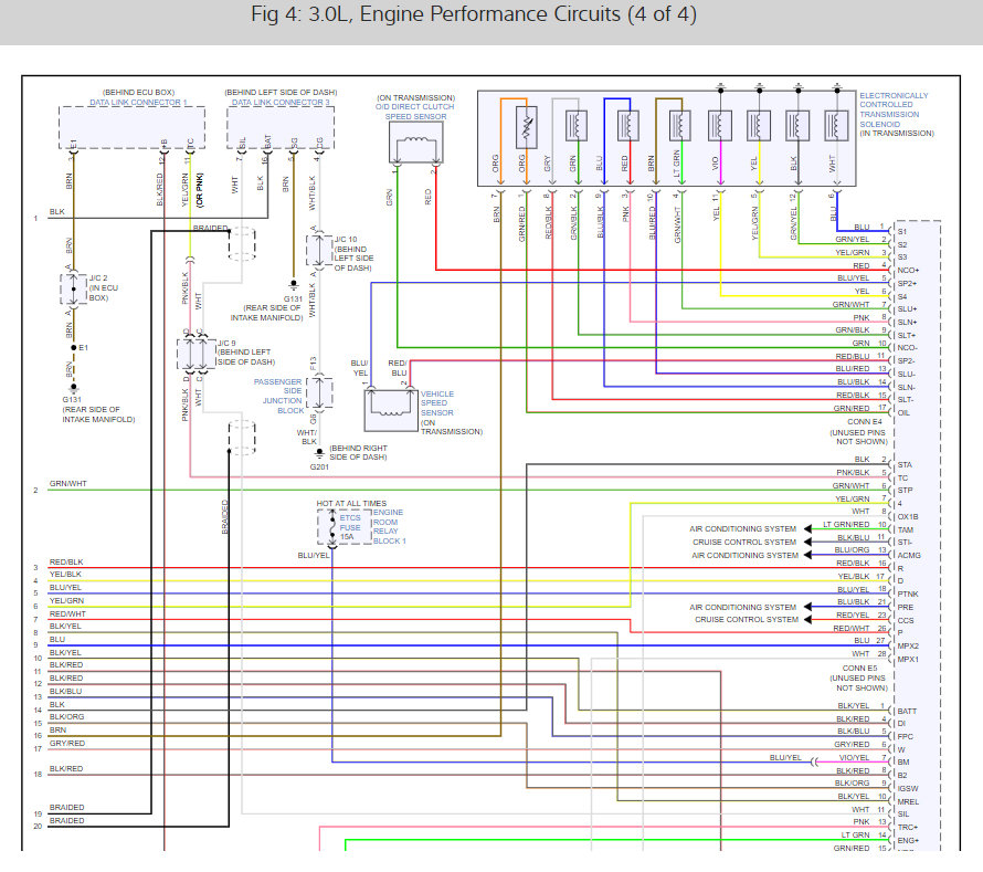
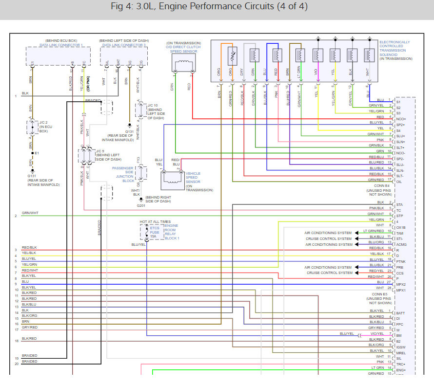
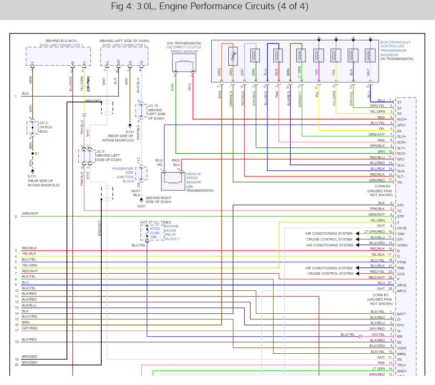
Okay, so I have been without running car for about week and a half now and i'm about to lose my mind. It happen on highway and it just kind of lost throttle response and backfired once or twice then came to a stop. It will crank and sputter like it wants to start but will not. Or it actually has for a second or two but no throttle response and shuts off. I can happily upload video if anyone wants. I am getting codes p1128, p1129 and 1130. I was getting 1128 and 1300 before and have had throttle issues in past so I had an extra throttle body and I did change the motor TPS and apps, so basically all the components. I tried to start after replacing that and got all 3 codes I didn't clear it but did leave the battery off for at least a day so probably cleared but wanted to include all the codes so I can provide as much info as possible. I don't want or have the money to throw parts at it so help on what the issue is would be appreciated. Thanks











