Will not start after turning key

Tiny
JALFANO24
  • MEMBER
  • 1999 BUICK CENTURY
  • 3.1L
  • 6 CYL
  • 2WD
  • AUTOMATIC
  • 172,000 MILES
This car was repaired last year for this same issue with an ignition switch and column shift. See picture for description.

It only took a few days for this issue to arise again, and it only occurs on occasion, maybe 1 out of every 10 starts. Eventually it will start but lately it’s been several days with no luck.

Originally, we thought moving the steering up and down would be the cause and solution to getting it started but that doesn’t work anymore.

The starter was ruled out last year and the battery is relatively new.

I have a video of what it does attached.

I imagine I need to check fuses and relays.

Where should I start?
Saturday, July 2nd, 2022 AT 11:18 AM

3 Replies

Tiny
JACOBANDNICKOLAS
  • MECHANIC
  • 110,194 POSTS
Hi,

I wouldn't think the ignition switch failed again, but anything is possible. However, let's try to narrow things down first.

The first thing to try is this. See if it starts in neutral. There could be an issue with the neutral safety switch. Actually, see if it starts in any gear, just make sure your foot is on the brake.

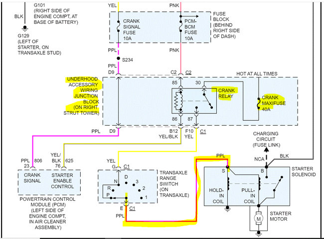
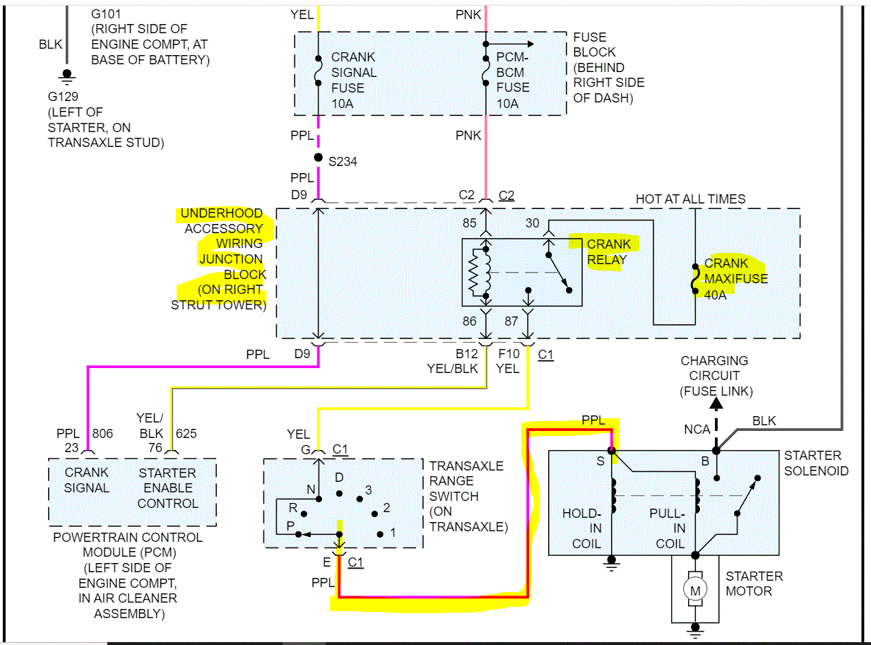
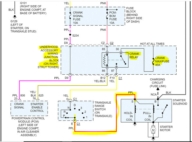
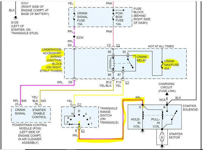
If that doesn't help, then we need to look at the wiring and power supplies. If you look below, I attached the wiring schematic for the starting circuit. Note there are several different fuses that are involved and a starter relay. Start by checking the fuses I highlighted. Note: In addition to checking the fuses, it is important to confirm there is power to and from them. Here is a link you may find helpful:

https://www.2carpros.com/articles/how-to-check-a-car-fuse

If the fuses all test good, then I need you to locate the starter relay. If there is a different relay in the box having the same part number, simply switch them to see if that changes things. If there isn't, here is a link that explains how to test a relay:

https://www.2carpros.com/articles/how-to-check-an-electrical-relay-and-wiring-control-circuit

If the relay is good, then we need to check for power at the starter motor. If you notice in the schematic, there is a heavier gauge black wire that comes directly from the battery. That will always have 12v so be careful working around it. There will be a smaller gauge purple wire that goes to the S terminal on the starter. That wire will only have power when the key is in the start position and at no other time. Have a helper turn the key to the start position while you check for power to that wire.

If there is power, replace the starter motor. If there is no power, then we need to consider the switch. We will work through that as needed. Try these things first.

Take care and I hope you have a nice 4th of July.

Joe

See pics below. Note: I had to cut the page in two, so it is readable for you. I did overlap them so you can follow from one to the next. Also, pic 3 shows what to check in the under-hood fuse box and pic 4 shows the interior fuse box.

Was this
answer
helpful?
Yes
No
Saturday, July 2nd, 2022 AT 9:57 PM
Tiny
JALFANO24
  • MEMBER
  • 55 POSTS
Update: This Sunday we put a battery jumper on the car as the battery had been depleted with all the attempts of starting. After 2 hours, the car started up with no issue. We took the car for a short trip to the auto part store and had their tester used for battery/alternator/and starter. The battery showed that it needed to be recharged or was bad (it was only 4 years old) and the alternator test passed with no issues.

The tester also allowed for the starter to be checked and that test failed. So not sure how accurate it was that it tested the starter, but we brought the car to our mechanic and let them know what we went through and the test results. It's odd because we think this is the same issue it had one year ago.

I will let you know the results when it is diagnosed by the mechanic. Hopefully, our findings on Sunday reduce the time it takes for the mechanic to diagnose but yet confirm that is the actual problem.

Stay tuned.
Was this
answer
helpful?
Yes
No
Wednesday, July 27th, 2022 AT 7:18 AM
Tiny
JACOBANDNICKOLAS
  • MECHANIC
  • 110,194 POSTS
Hi,

Thank you for the update. I look forward to hearing what is found.

Take care,

Joe
Was this
answer
helpful?
Yes
No
Wednesday, July 27th, 2022 AT 7:34 PM

Please login or register to post a reply.