Engine will not start after being driven

Tiny
DANE DESPAW SR.
  • MEMBER
  • 2005 CHEVROLET EQUINOX
  • 3.4L
  • 6 CYL
  • 2WD
  • AUTOMATIC
  • 196,000 MILES
It will start and run. After driving any distance, it won’t start again until it cools down. Starter solenoid? If not, what should I look at?
Saturday, February 20th, 2021 AT 10:44 AM

10 Replies

Tiny
KASEKENNY
  • MECHANIC
  • 18,907 POSTS
When this happens, I suspect it just cranks? If so, this sounds more like a possible fuel issue.

Does the engine ever stall when hot? If so, that could be a crank sensor.

https://www.2carpros.com/articles/symptoms-of-a-bad-crankshaft-sensor

Here is a guide that will help with this issue in general:

https://youtu.be/dCjmRL3p4Cs

Once we run through this info let's start with checking the fuel pressure when you are trying to restart.

https://www.2carpros.com/articles/how-to-check-fuel-system-pressure-and-regulator

If the pressure is ok, then this could be a starter solenoid but normally they don't care about engine temperature. Either they are going to start or not and when they fail, they don't engage the starter to turn the engine which is why I asked if the engine turns over. However, if it is the starter, try tapping on the solenoid and see if it starts the vehicle.

Let's start with the and go from there. Thanks
Was this
answer
helpful?
Yes
No
Sunday, February 21st, 2021 AT 1:42 PM
Tiny
DANE DESPAW SR.
  • MEMBER
  • 75 POSTS
Thank you. No, when this happens the engine does not turn over. Dashboard lights up like expected, but that is all I get. When the engine is cool, it starts right up like it should. At first I thought temperature sensor, but I’m not getting a DTC for that. By the way, I have replaced the crankshaft sensor recently due to a separate issue with programming a new ECM.
Was this
answer
helpful?
Yes
No
Sunday, February 21st, 2021 AT 6:50 PM
Tiny
KASEKENNY
  • MECHANIC
  • 18,907 POSTS
Okay. If the engine would crank and not start then we could suspect that crank sensor.

However, the fact that you don't get anything it could be the starter solenoid. So we need to check voltage at the starter on the 2 wires. The red wire should have 12 volts all the time. The other should only have 12 volts when you are cranking the engine. If you do then the starter is the issue. If it does not have 12 volts when cranking then more than likely the relay is the issue.

https://www.2carpros.com/articles/how-to-check-an-electrical-relay-and-wiring-control-circuit

Let me know what you find with this and we can go from there. Thanks
Was this
answer
helpful?
Yes
No
Monday, February 22nd, 2021 AT 5:47 PM
Tiny
DANE DESPAW SR.
  • MEMBER
  • 75 POSTS
Okay. Tested wiring when the car would start and have power as it should have. Tested when it wouldn’t start and no power at the starter on either wire. Changed the relay out and the car is still doing the same thing. Starts fine when it’s cold, won’t start when it’s hot. I don’t know if the vehicle temperature makes any difference or if it’s just coincidence, but the only difference that I’ve seen so far. Also, last night it registered a dtc for Evan emissions vent performance. Would that solenoid have an effect here?
Was this
answer
helpful?
Yes
No
Thursday, February 25th, 2021 AT 1:14 PM
Tiny
KASEKENNY
  • MECHANIC
  • 18,907 POSTS
No it would not have an effect but I just want to make sure we are on the same page. When it is not starting, you have no power on the purple wire which I understand. However, the red wire should have 12 volts at all times. So if you have no voltage here then we need to find out what is happening with that battery cable. More then likely when it is hot it is not able to carry the current.

So that means the cable is most likely failing. When this is happening let's do what is called a voltage drop test. This means you put one lead at the battery positive terminal and the other at the terminal of the red wire at the starter and tell me how many volts it is showing.

Let me know if you have questions. Thanks
Was this
answer
helpful?
Yes
No
Thursday, February 25th, 2021 AT 7:02 PM
Tiny
DANE DESPAW SR.
  • MEMBER
  • 75 POSTS
Okay. I’ll try that tonight after work. But I need to admit that I misspoke on the power. The red wire has power when the key is on regardless if it’s starting or not, but when the car won’t start, it doesn’t have power when the key is off.
Was this
answer
helpful?
Yes
No
Friday, February 26th, 2021 AT 3:46 AM
Tiny
KASEKENNY
  • MECHANIC
  • 18,907 POSTS
Okay. That red wire from the battery should have 12 volts all the time no matter what position the key is in. However, if there is 12 volts when the key in on then lest move on past this for now.

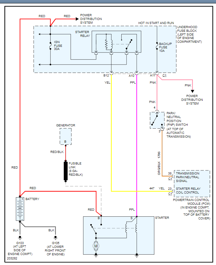
Take a look at this wiring diagram below. We can assume when this acts up and the engine does not turn over that the purple wire have no voltage.

If that is the case we need to find out why. Is the PCM not grounding the relay or is there no power to the 12 volt side of the relays?

Take a look at number 1 and 2. We need to test this relay when this is acting up. So to do this we need to put a meter on battery positive and the other lead on the terminal of the relay coming from the PCM. Then crank the engine. There should be 12 volts. What is happening is the PCM is grounding this relay and that closes the relay to send power down to the starter.

Then we need to make sure there is 12 volts at both locations on the relay that I am pointing too.
Was this
answer
helpful?
Yes
No
Friday, February 26th, 2021 AT 6:39 PM
Tiny
DANE DESPAW SR.
  • MEMBER
  • 75 POSTS
After following those steps, I ended up changing the relay a second time. Problem seems to be solved at this point. Thank you for the guidance.
Was this
answer
helpful?
Yes
No
Sunday, March 7th, 2021 AT 12:25 PM
Tiny
KASEKENNY
  • MECHANIC
  • 18,907 POSTS
Wow. It is rare but I guess you got a faulty relay. That is the worst because you never expect to get a faulty part especially a relay like that.

Thanks for the update. That is great info and I am sure that will help other. Thanks for using 2CarPros.
Was this
answer
helpful?
Yes
No
Sunday, March 7th, 2021 AT 7:06 PM
Tiny
DANE DESPAW SR.
  • MEMBER
  • 75 POSTS
Yes, indeed. I’m happy I was able to exchange it for another one. Thank y’all for being here for guys like me.
Was this
answer
helpful?
Yes
No
Monday, March 8th, 2021 AT 4:34 AM

Please login or register to post a reply.