Will not start after connecting the battery cables incorrectly

Tiny
MURPHY3462
  • MEMBER
  • 1989 FORD F-150
  • 5.0L
  • V8
  • 2WD
  • AUTOMATIC
  • 116,860 MILES
I hooked the battery up wrong and fried the solenoid. Now the truck tries to start but it won't but also the fuel pump stays on when I turn the key.
Saturday, February 5th, 2022 AT 9:06 AM

3 Replies

Tiny
AL514
  • MECHANIC
  • 5,584 POSTS
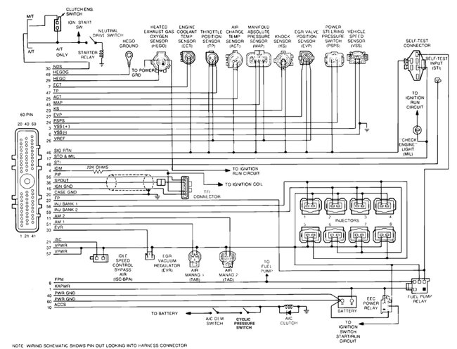
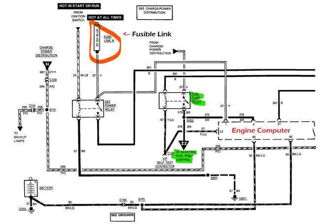
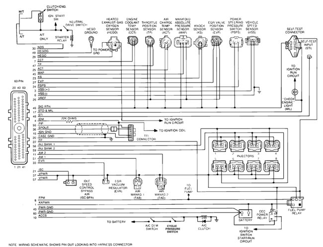
Hello, unfortunately when this happens, most of the time the engine computer ends up getting burnt and fails. Having direct current flow into the engine computer (ECM) on the Ground circuits that are not protected from this happening causes a lot of damage. But you would first start going through all the fuses in the entire vehicle and checking them all. There are probably Fusible Links on this vehicle. They look like black tubes on the wires usually near the battery, they act just like a fuse, over current flow burns them up and protects the circuit. The fact that the ECM may be damaged though is a reality. The ECM controls the Fuel Pump Relay by grounding the control side of the relay to turn the pump on, I will post a diagram showing this, but that's another sign that the part of the ECM that controls that circuit might have a burned driver on the circuit board. You can probably take this computer apart after it's disconnected from the truck and look at the circuit board for burn marks.
But hooking up the battery backwards is one of the most damaging things that can happen to a vehicle. But go through the fuses and see if there's any that have failed. I will post wiring diagrams for circuits you can test with a multimeter or test light to see if anything is functioning.

I've added the fuse panel diagram below (second diagram), and the Fuel Pump Relay circuits. Hopefully, this can be saved by replacing some fuses and possibly a couple relays.
Do you own an automotive test light (12 volt) or a multimeter?

https://www.2carpros.com/articles/how-to-check-a-car-fuse

https://www.2carpros.com/articles/how-to-check-an-electrical-relay-and-wiring-control-circuit

https://www.2carpros.com/articles/how-to-check-wiring
Was this
answer
helpful?
Yes
No
Saturday, February 5th, 2022 AT 9:57 AM
Tiny
MURPHY3462
  • MEMBER
  • 2 POSTS
How do I find the fusible links?
Was this
answer
helpful?
Yes
No
Saturday, February 5th, 2022 AT 10:08 AM
Tiny
AL514
  • MECHANIC
  • 5,584 POSTS
I put the diagrams above, but these are what they look like, they are a section of wire (usually black) that is larger than the wire it's on. Mostly they are near the battery. But you'll have to go through the fuses in the fuse panel as well.

How long was the battery hooked up backwards for?
Was this
answer
helpful?
Yes
No
Saturday, February 5th, 2022 AT 10:17 AM

Please login or register to post a reply.