Thursday, December 26th, 2019 AT 11:18 PM
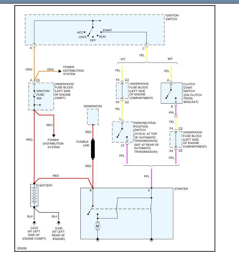
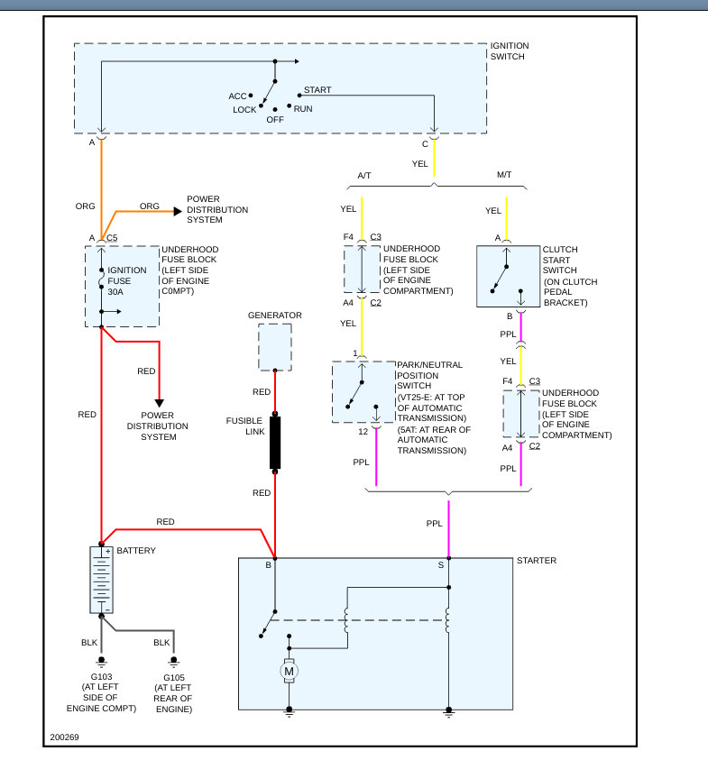
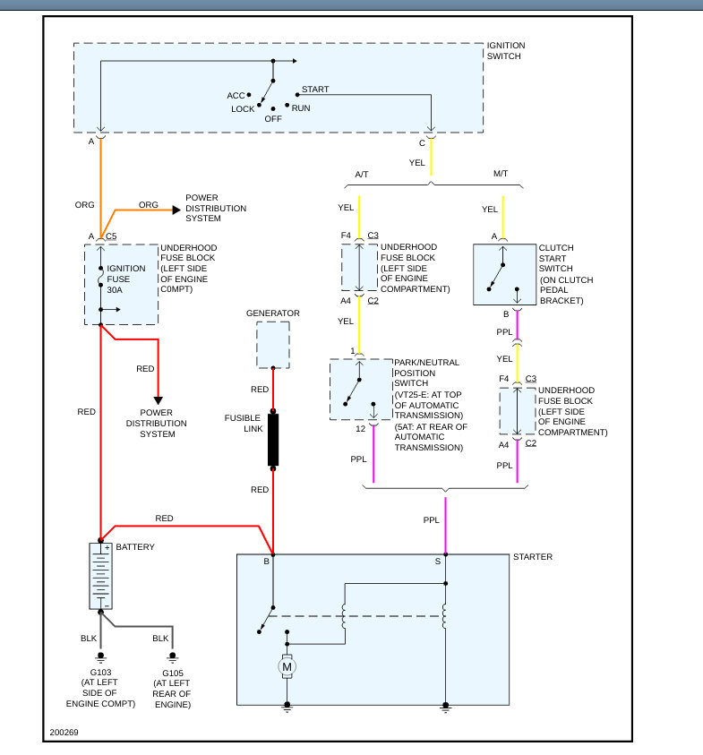
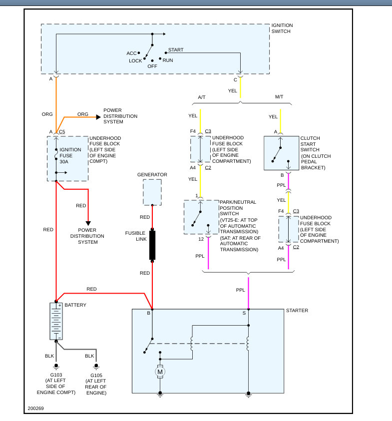
The other morning I came out and started the car just fine before taking my girlfriend to work. I let it heat up for about 10 minutes. When I was ready to leave I got in the car and noticed my heater blower was really quiet and I had it on the highest setting. I gave the car some gas and the rpm's went up and c e back down but stuck on 1000. When I gave it gas again the rpm's wouldn’t move. So I turned the car off and tried starting it again but the car would only make a clicking noise. I replaced the crankshaft sensor and the starter but still have no luck starting it. There is now white smoke coming out of the intake. Battery is fully charged. The timing belt moves just fine along with other belts.



































