Engine will not start?

Tiny
WRENCHTECH
  • MECHANIC
  • 20,761 POSTS
Please define what "getting fuel" means. Fuel pressure? Injector pulse?
What is the fuel pressure?
Was this
answer
helpful?
Yes
No
Sunday, August 30th, 2020 AT 10:52 AM (Merged)
Tiny
JEFF24
  • MEMBER
  • 3 POSTS
I do not have a pressure gauge for fuel is there any other way to find out
Was this
answer
helpful?
Yes
No
Sunday, August 30th, 2020 AT 10:52 AM (Merged)
Tiny
WRENCHTECH
  • MECHANIC
  • 20,761 POSTS
No, the fuel pressure needs to be accurate. Some parts stores will loan a gauge out.
Was this
answer
helpful?
Yes
No
Sunday, August 30th, 2020 AT 10:52 AM (Merged)
Tiny
JEFF24
  • MEMBER
  • 3 POSTS
What should the pressure be
Was this
answer
helpful?
Yes
No
Sunday, August 30th, 2020 AT 10:52 AM (Merged)
Tiny
WRENCHTECH
  • MECHANIC
  • 20,761 POSTS
Fuel Pressure

Engine at curb idle 339 kPa ±34 kPa (49.2 psi ±5 psi)

Pressure Leakdown (fuel pump not engaged) Not fall below 30 psi for 5 minutes
Was this
answer
helpful?
Yes
No
Sunday, August 30th, 2020 AT 10:52 AM (Merged)
Tiny
TATIANATEARE
  • MEMBER
  • 5 POSTS
  • 1998 JEEP GRAND CHEROKEE
  • 133,000 MILES
In the mornings or usually after a couple of hours of not running it will not start right away, it takes a couple of tries. Than sometimes after starting it up and Im starting to drive it wont accel, it jolts forward slowly and than out of no where it will start to accel as normal. My cadallac converter has a hole in it I dont know if this could be the problem
Was this
answer
helpful?
Yes
No
Sunday, August 30th, 2020 AT 10:52 AM (Merged)
Tiny
DRCRANKNWRENCH
  • MECHANIC
  • 3,380 POSTS
The O2 sensor is seeing a lean air/fuel ratio from the hole in the catalytic converter. So, it react by putting more gas than needed into engine. This creates a rich air/fuel ratio which is not what you want to start a cold vehicle. There is a valve called The Fast Idle Thermo Valve FIT, which senses coolant temperature and lets in air through ports to lean out the mixture at the throttle body. It then closes ports as the coolant temperature rises.
Your engine is having trouble burning all the excess fuel and your MPG is probably a lot worse than it should be.
Just plugging the hole with some exhaust weld epoxy from an auto parts store would be a good way to see if this is the source of the problem. However, it is not the way to fix it. I would replace the catalytic converter as it is probably deteriorated inside and will only coninue to give you trouble if you patch it. It can also clog up and cause rough idle and no start situations.
Was this
answer
helpful?
Yes
No
Sunday, August 30th, 2020 AT 10:52 AM (Merged)
Tiny
RAINVILLE3000
  • MEMBER
  • 1 POST
  • 1998 JEEP GRAND CHEROKEE
  • 4.0L
  • 6 CYL
  • 4WD
  • AUTOMATIC
  • 300,000 MILES
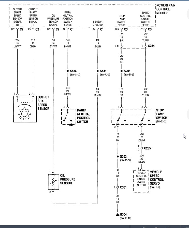
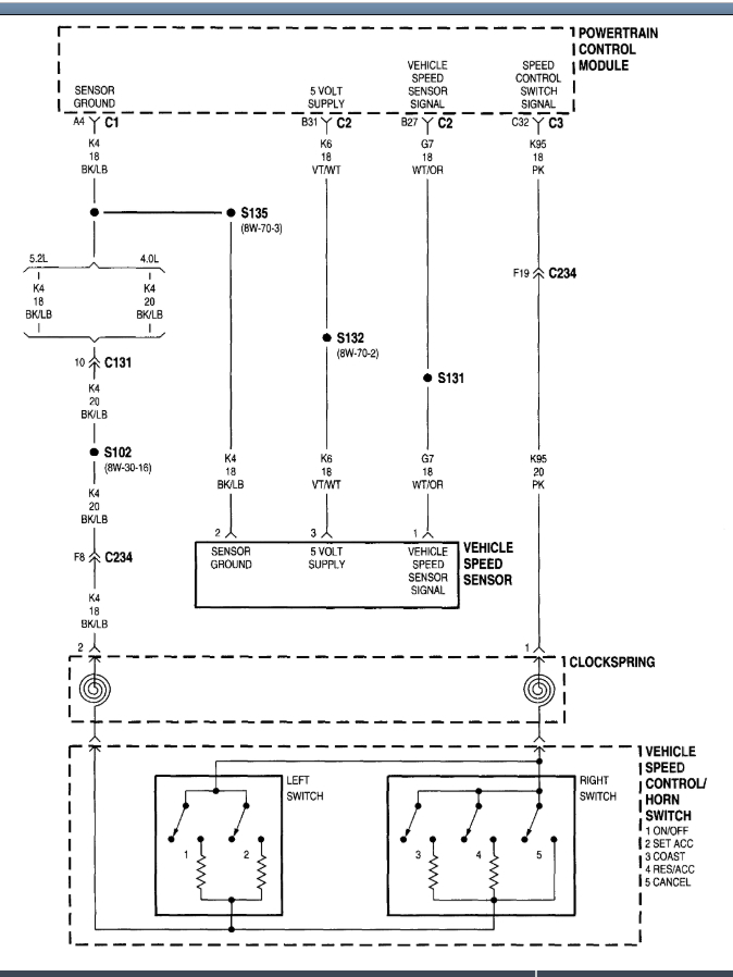
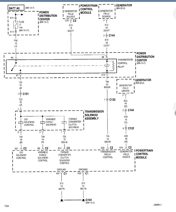
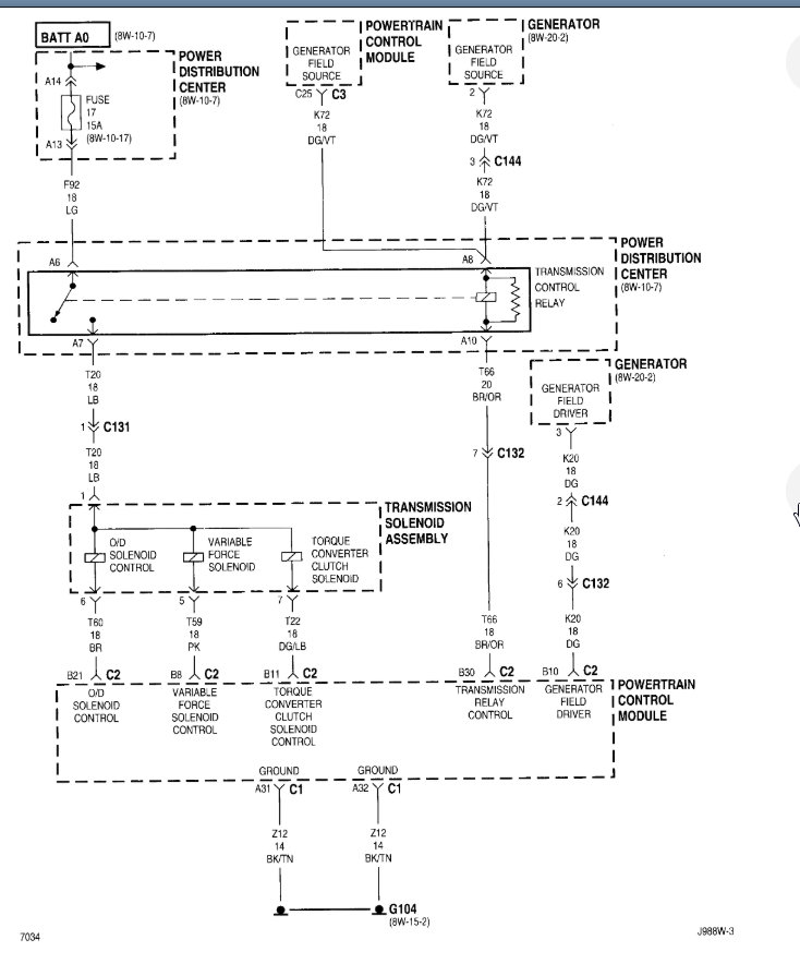
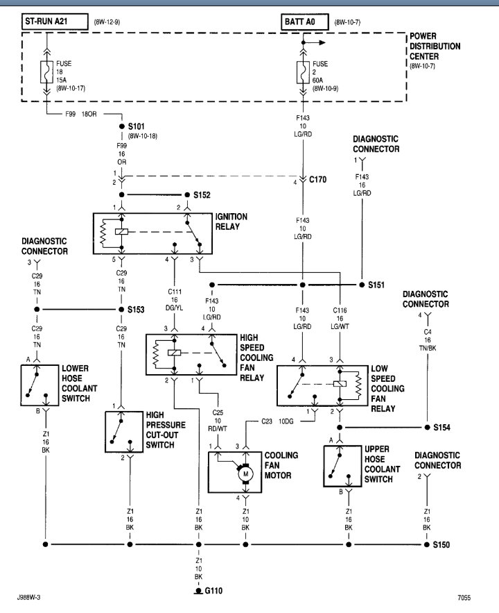
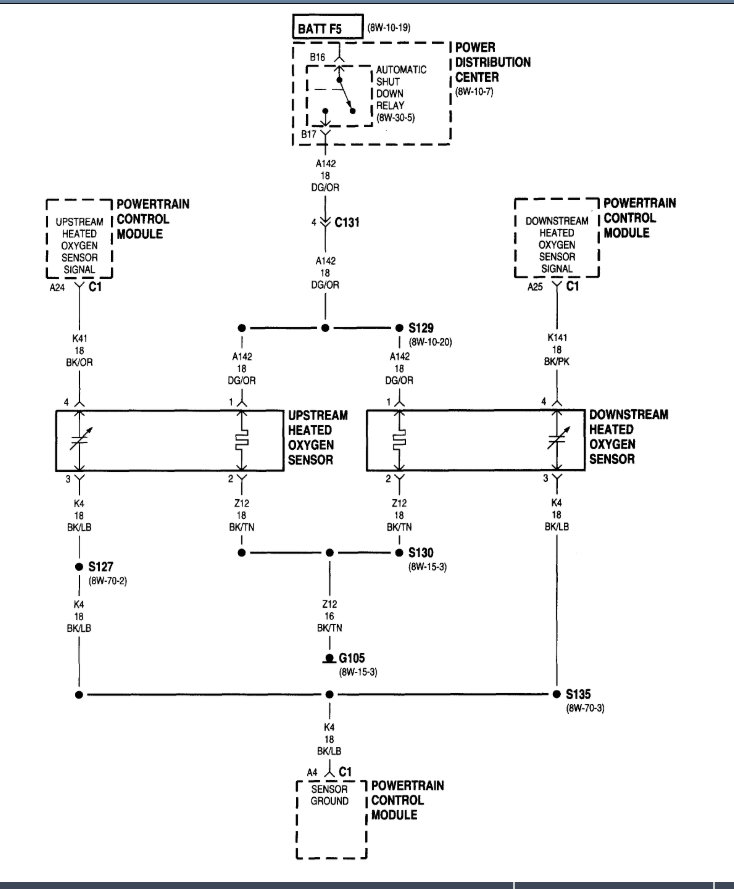
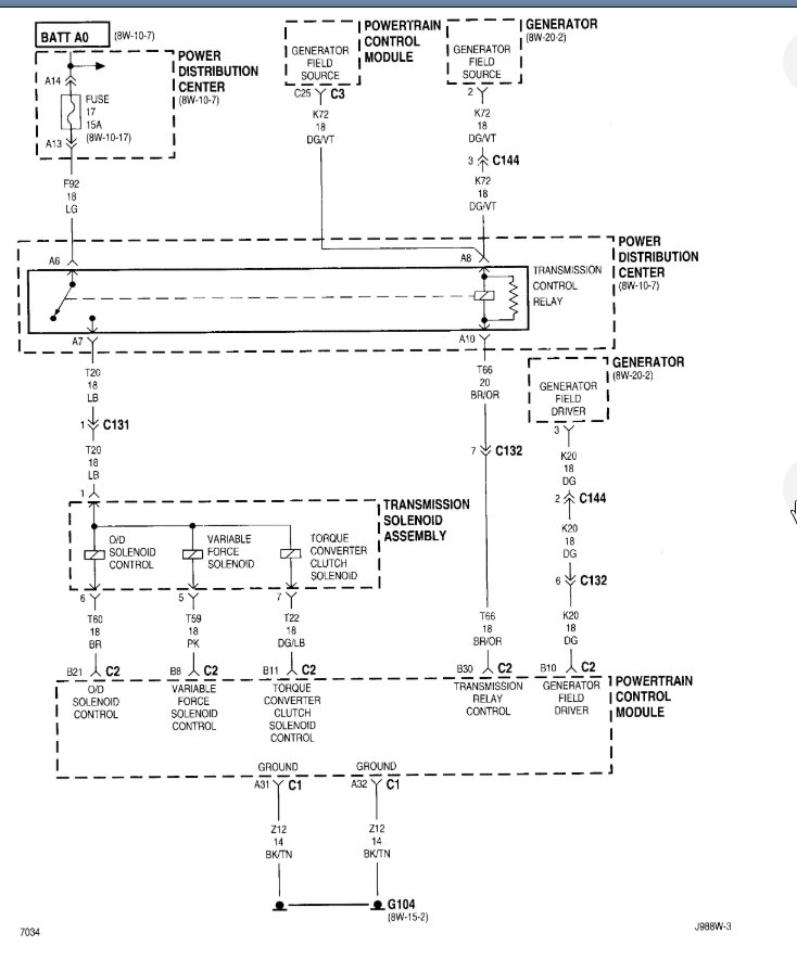
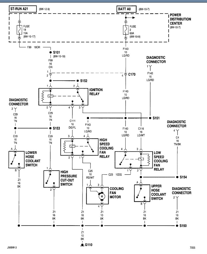
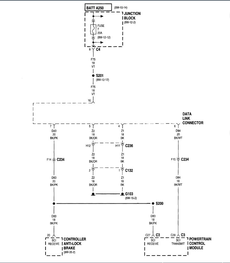
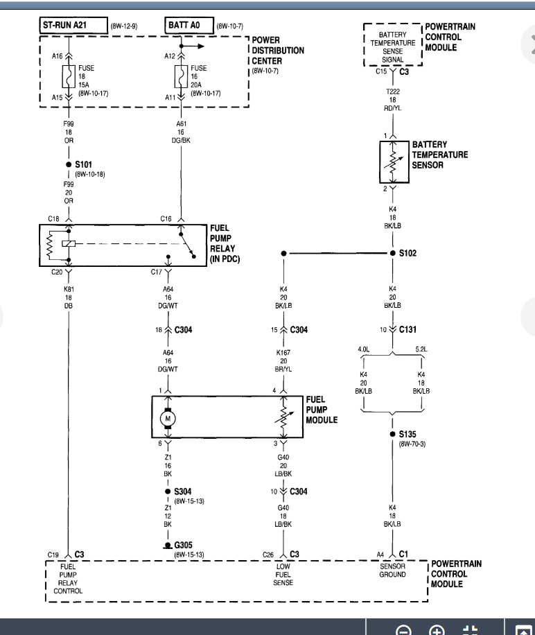
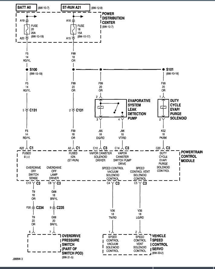
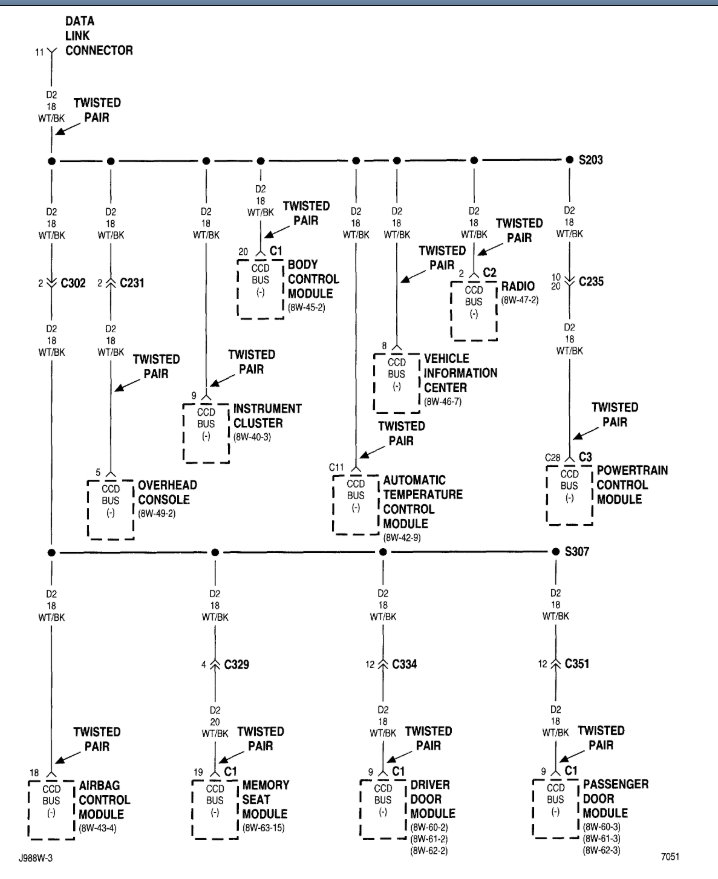
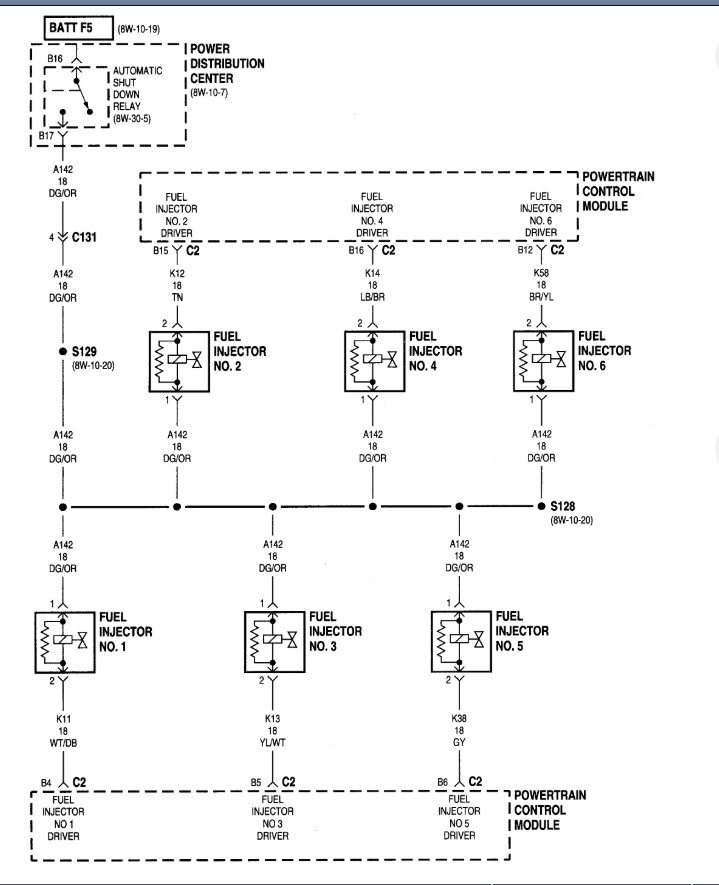
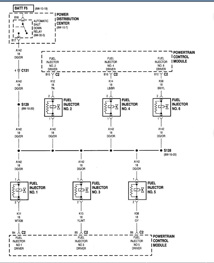
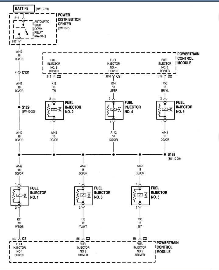
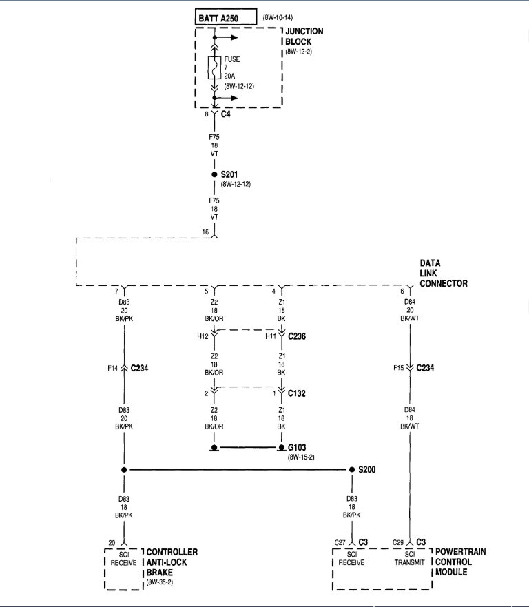
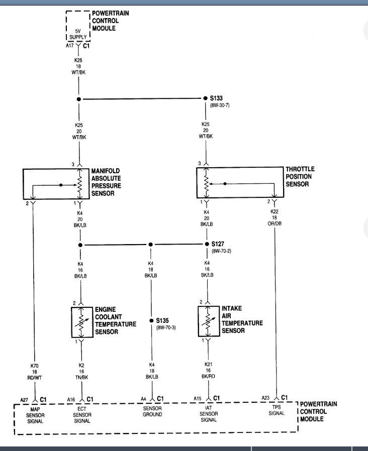
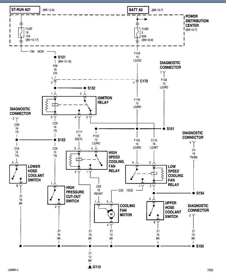
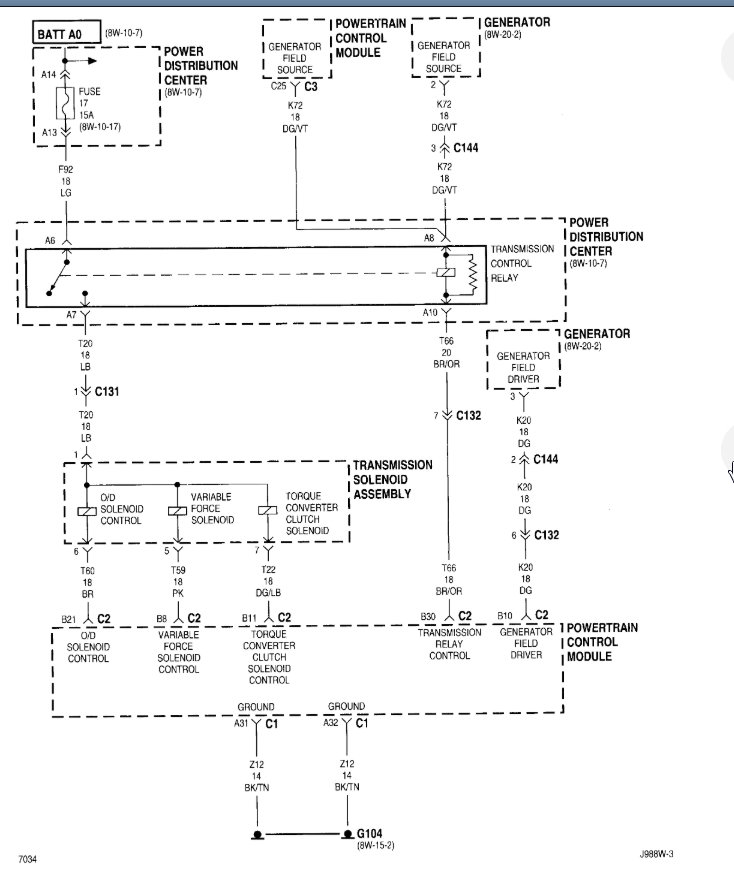
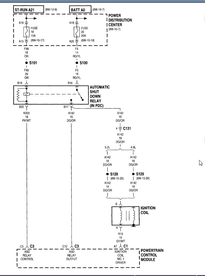
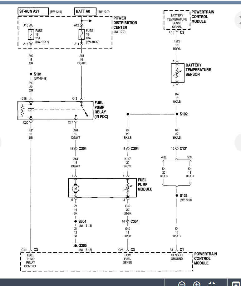
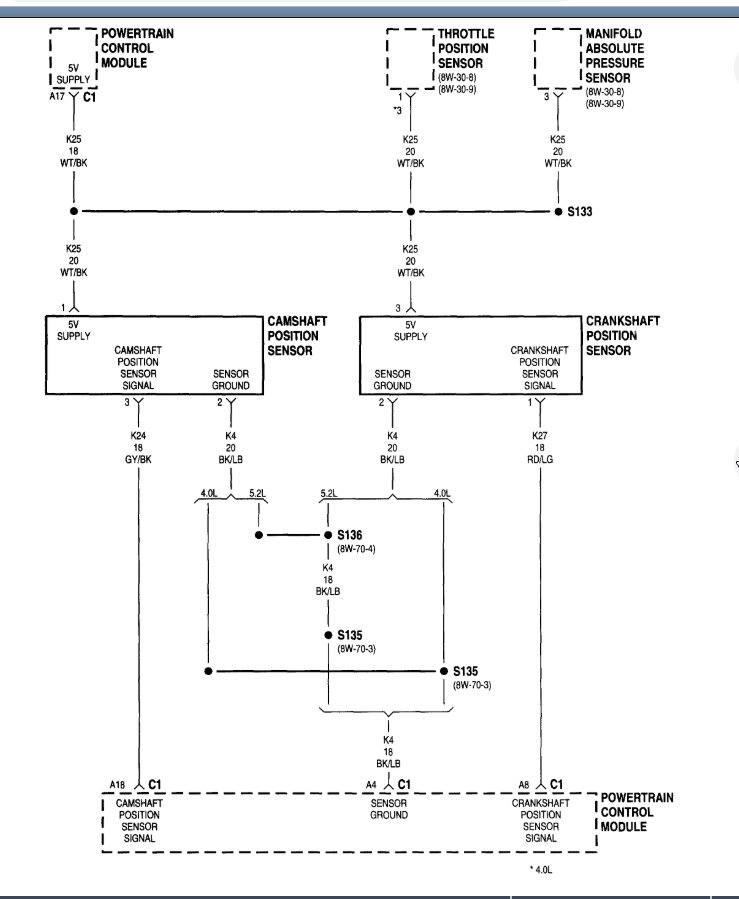
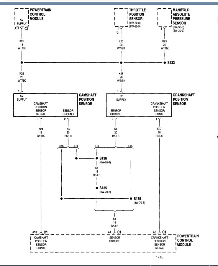
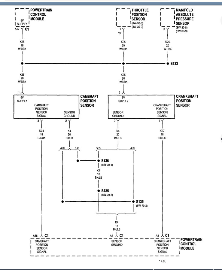
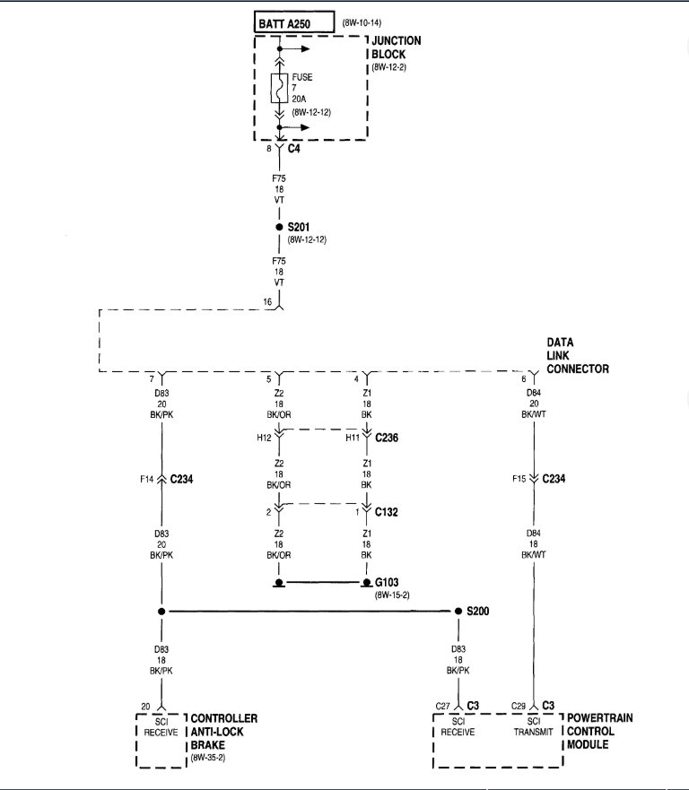
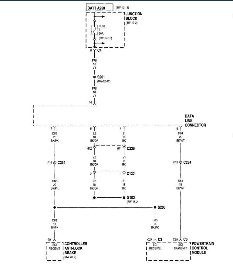
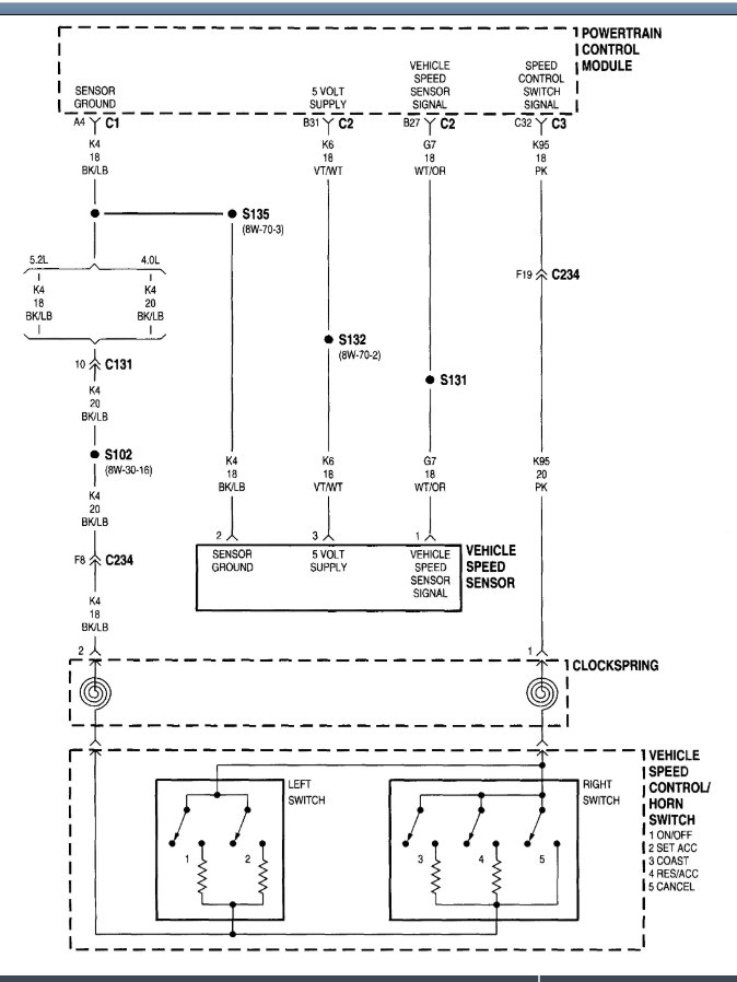
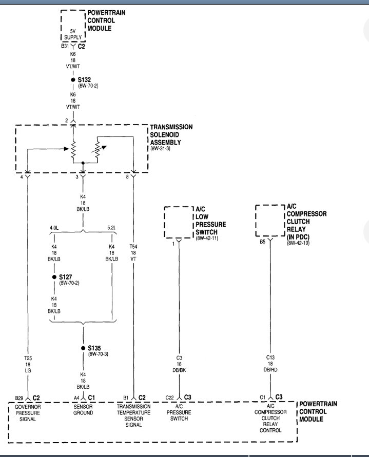
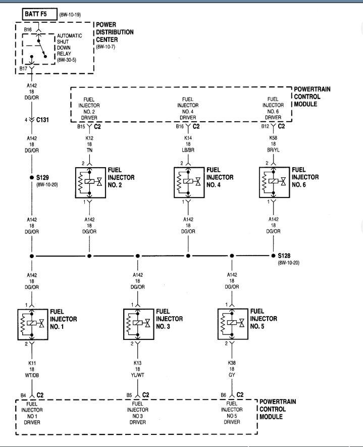
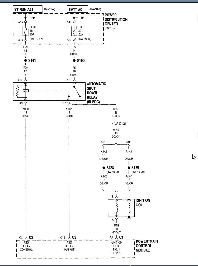
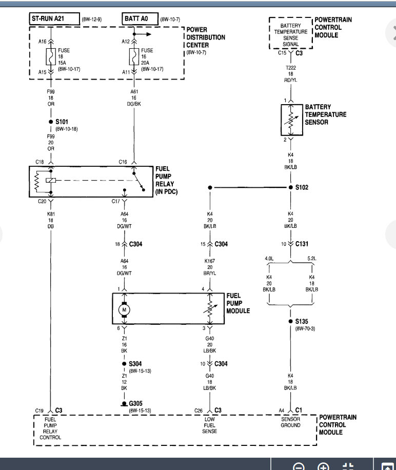
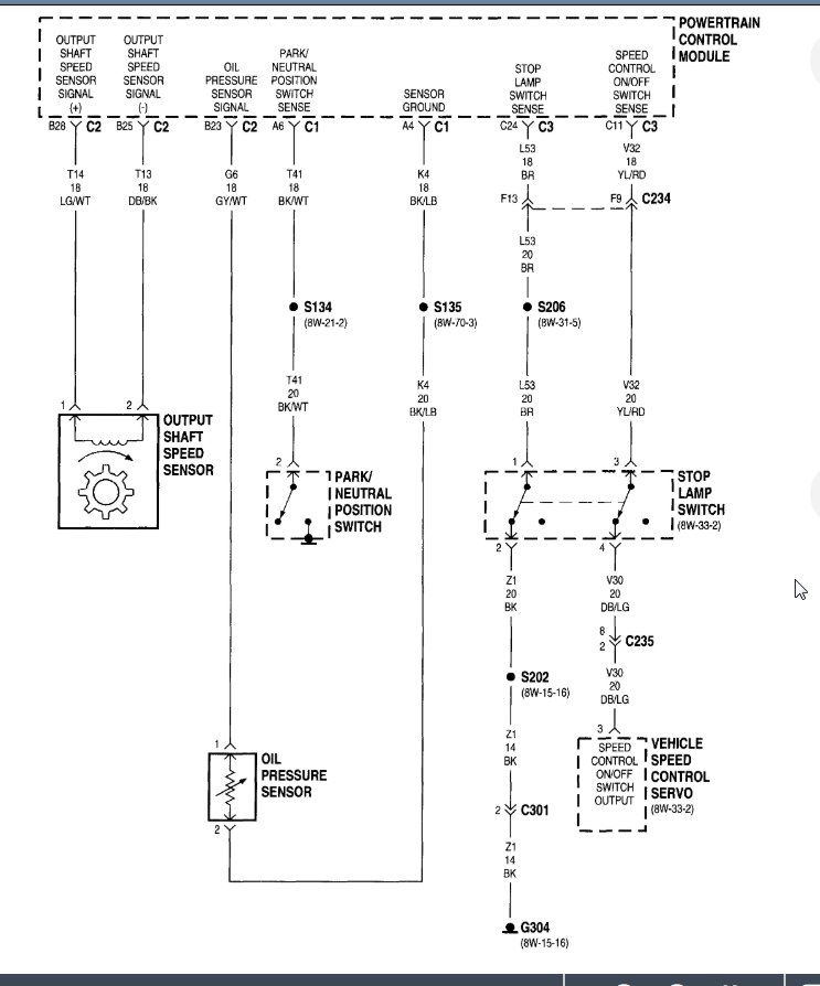
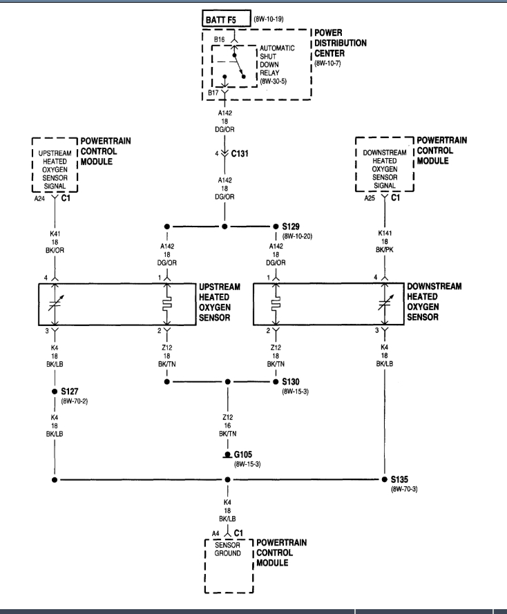
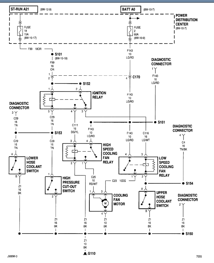
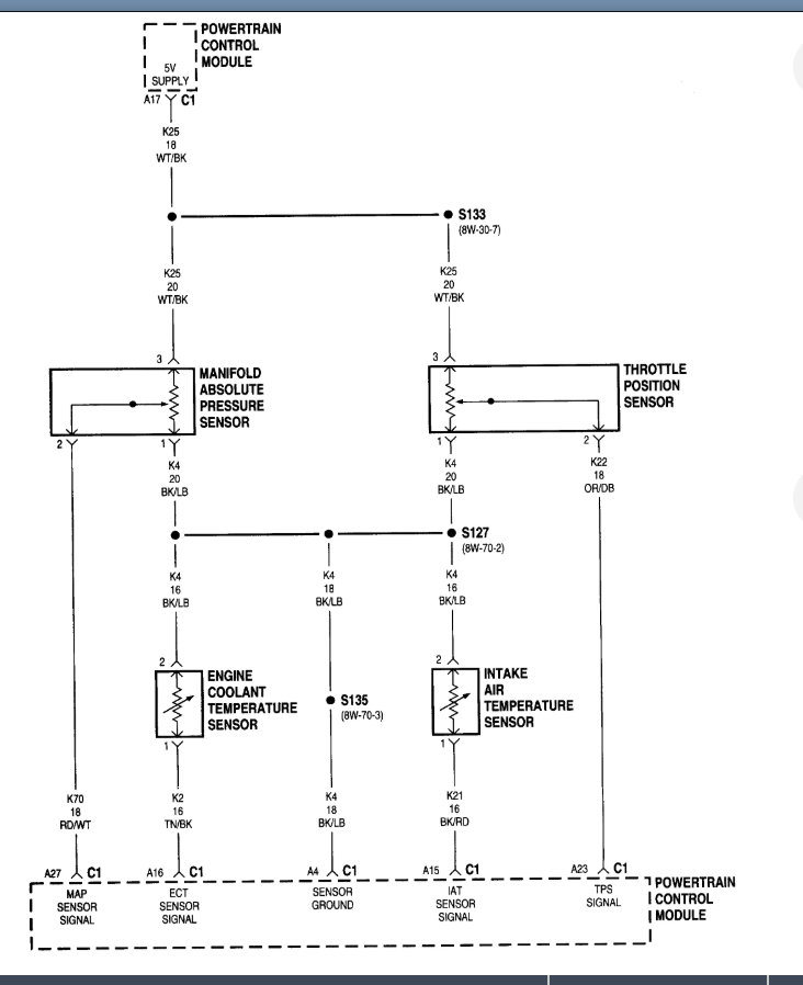
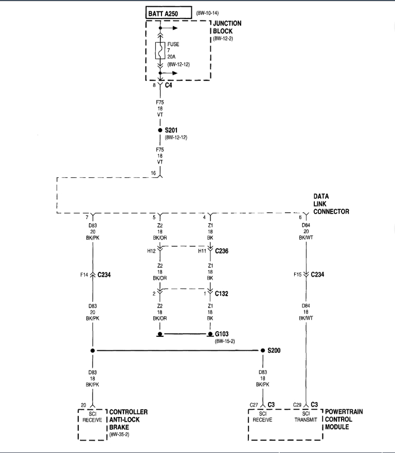
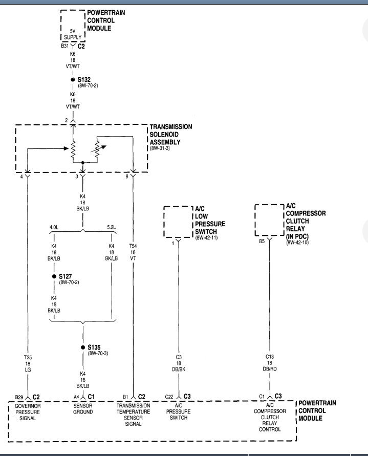
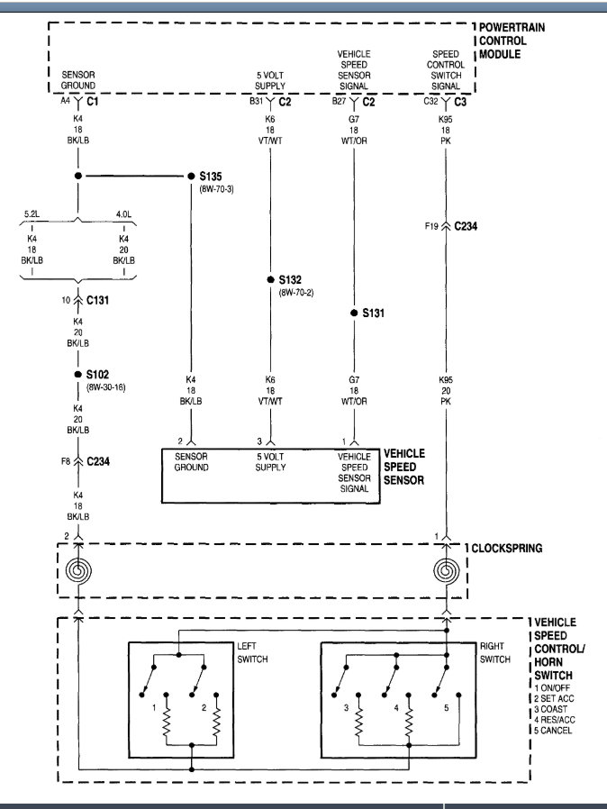
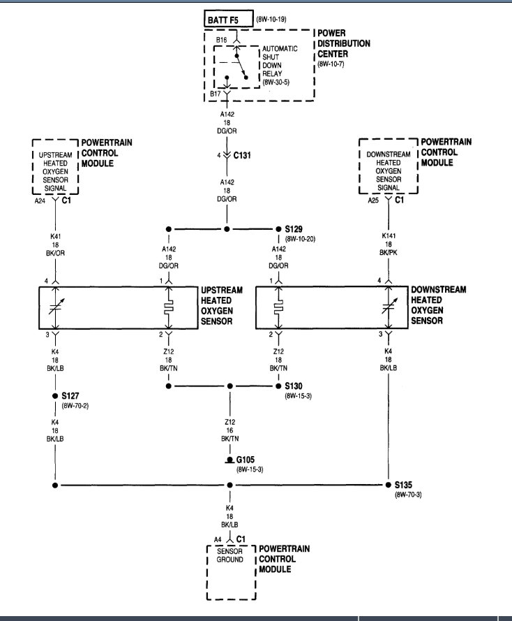
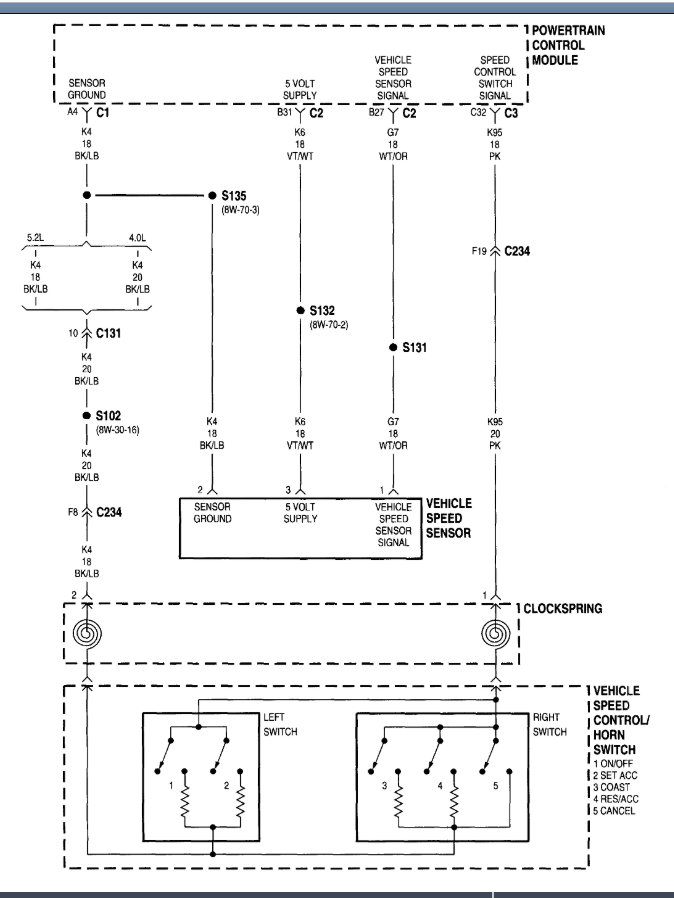
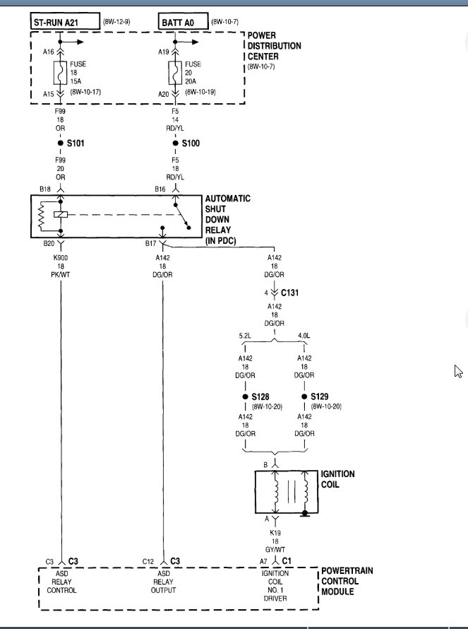
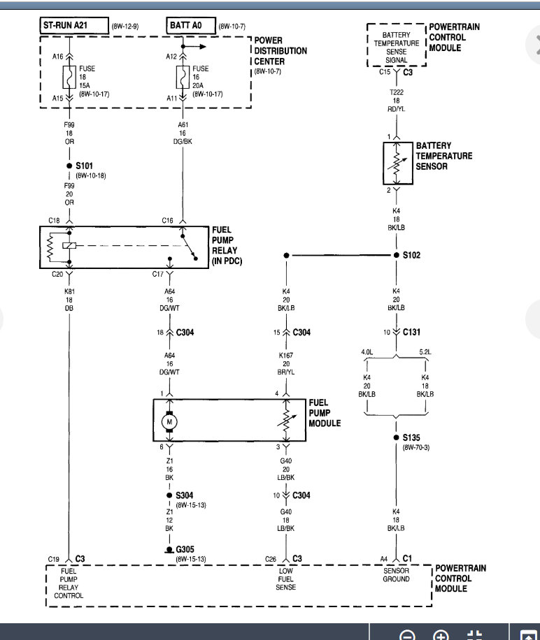
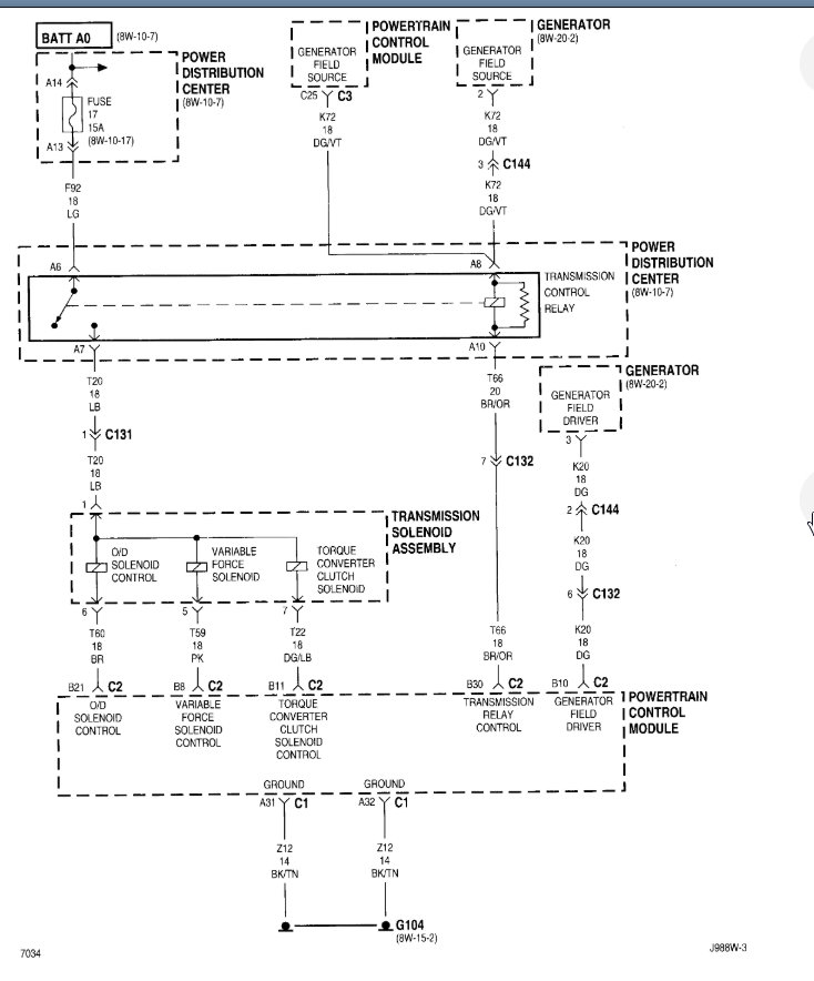
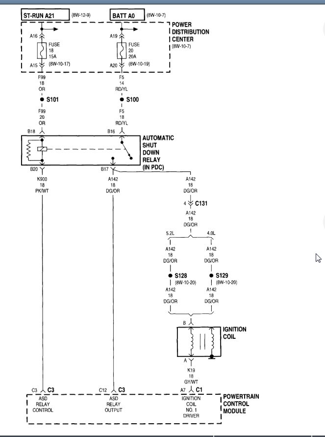
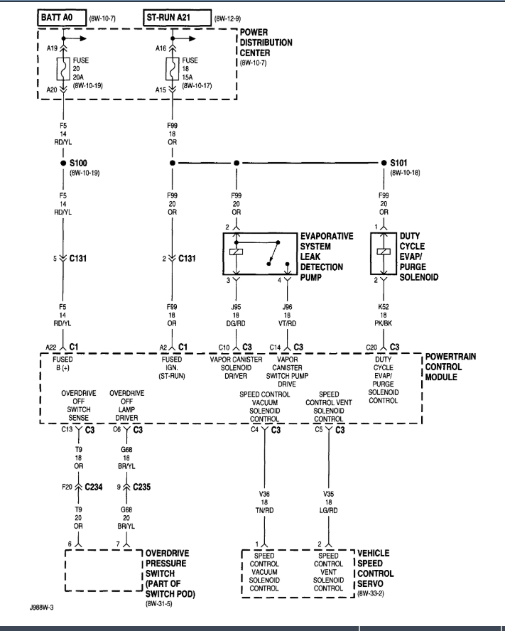
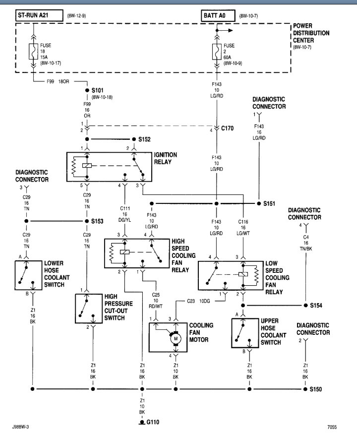
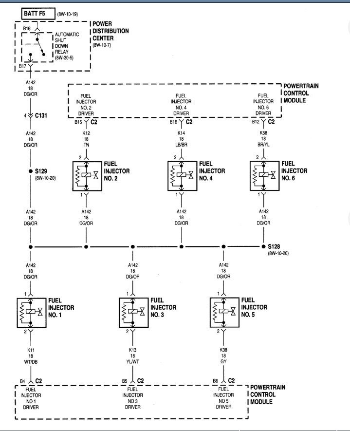
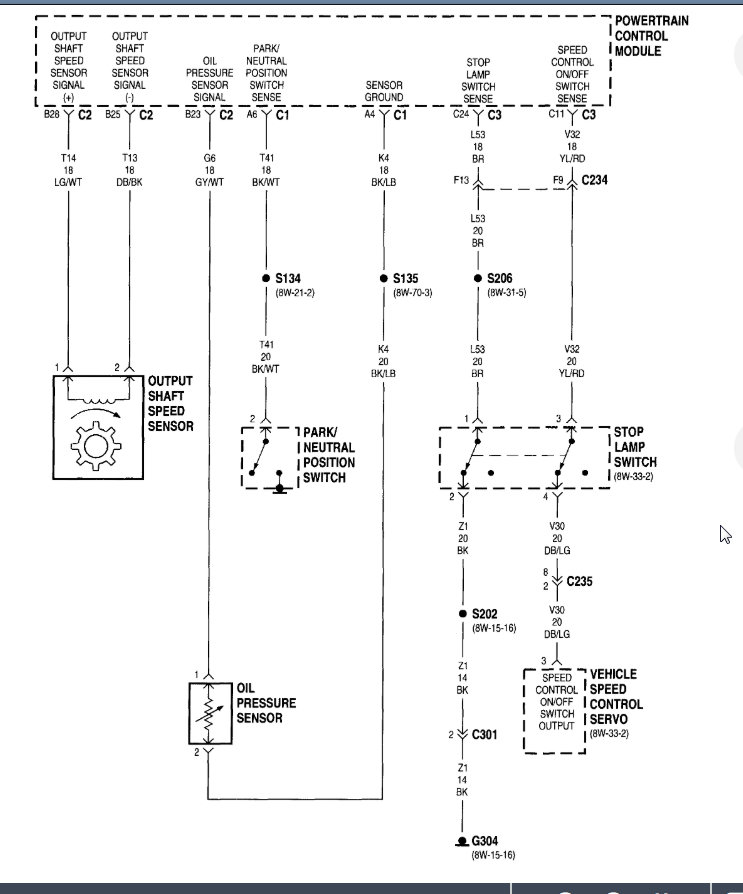
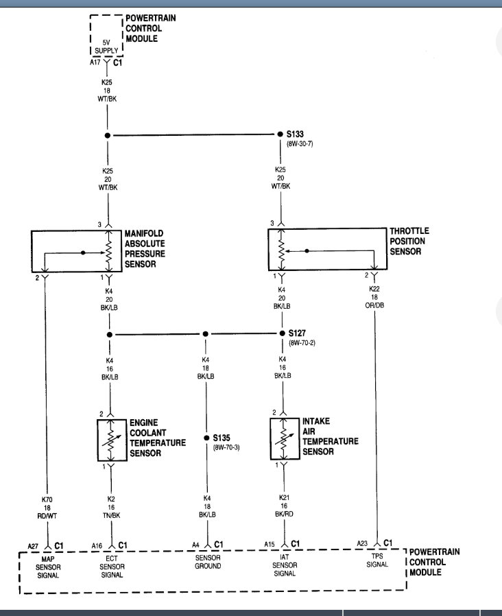
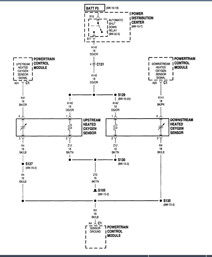
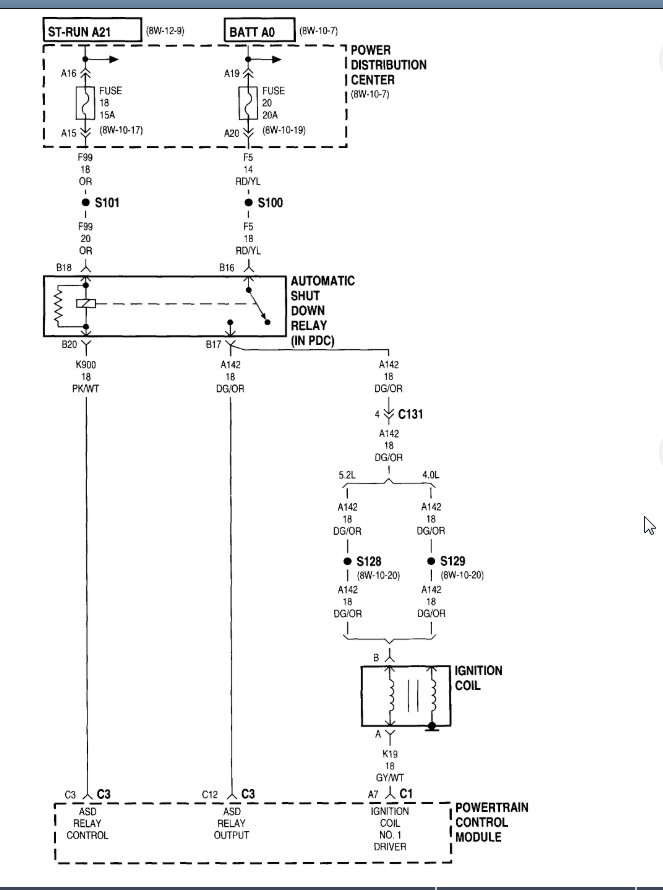
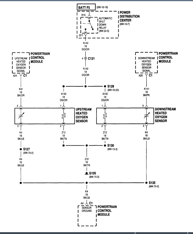
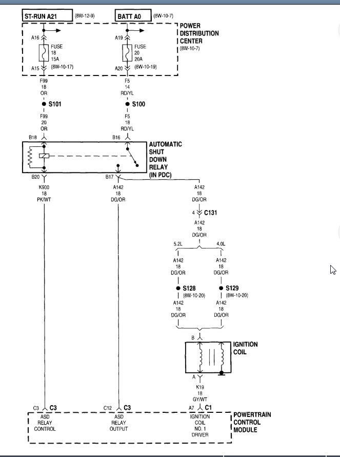
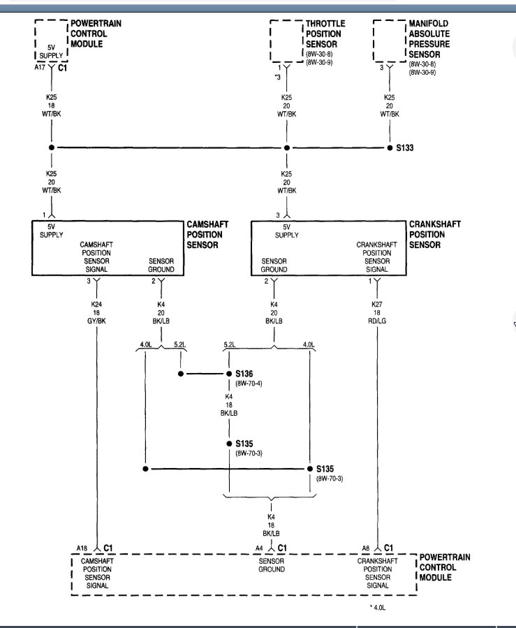
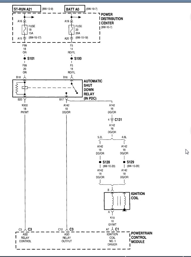
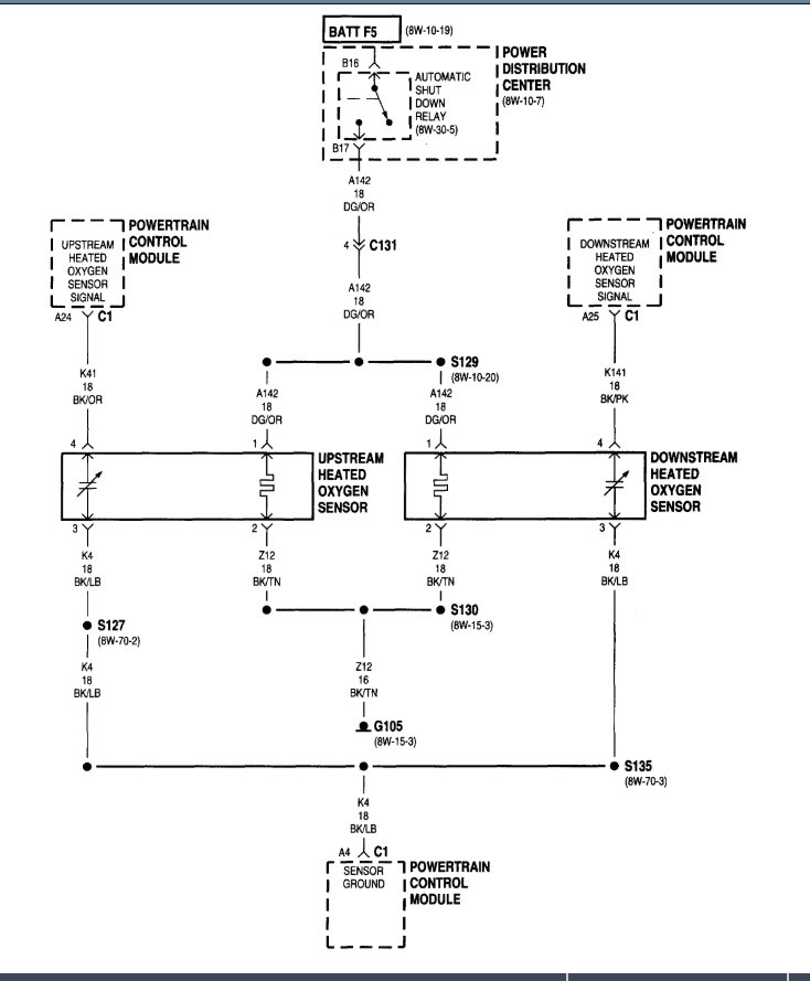
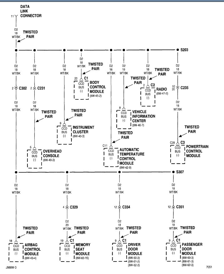
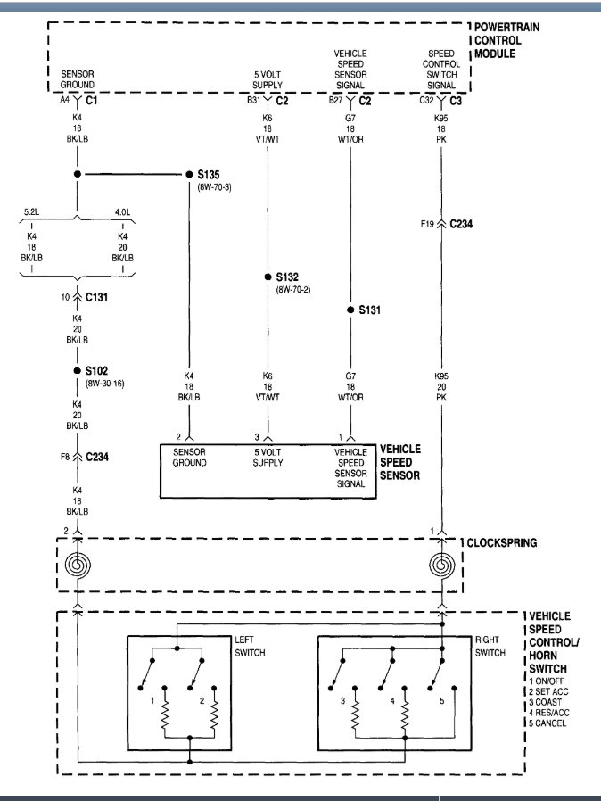
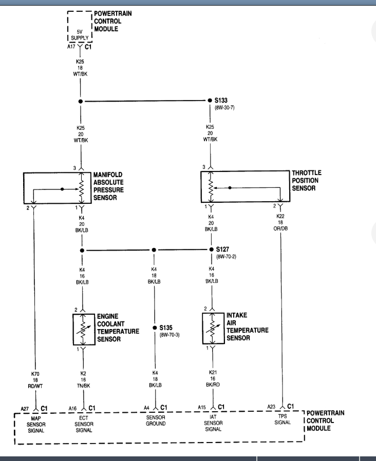
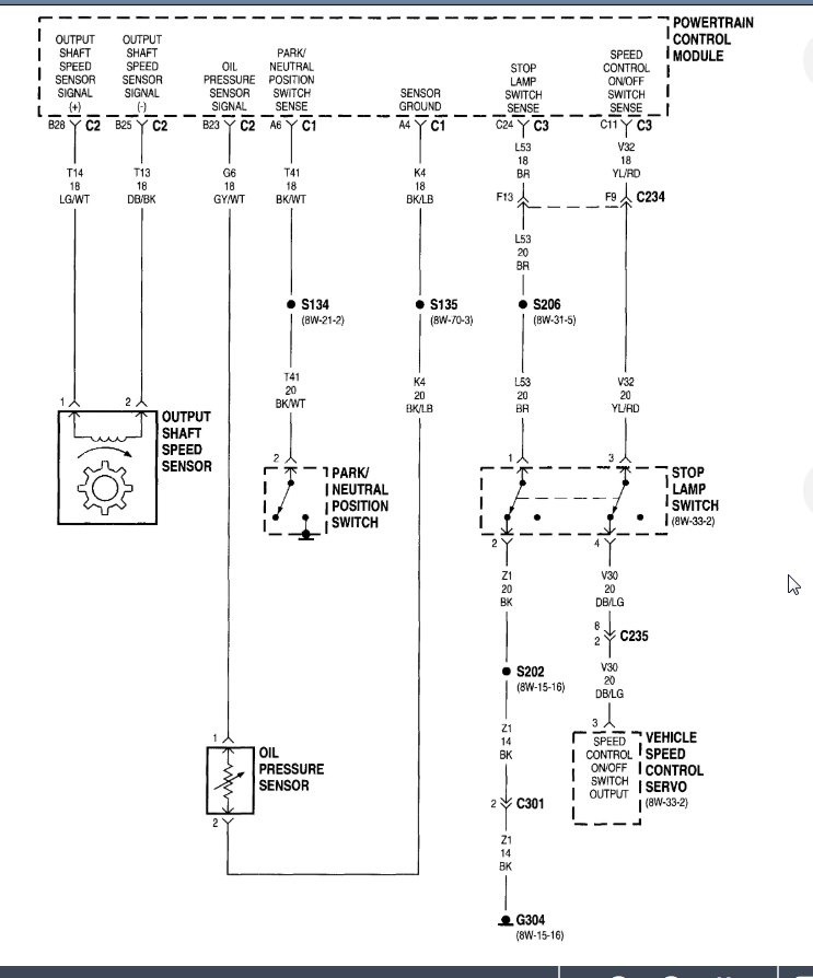
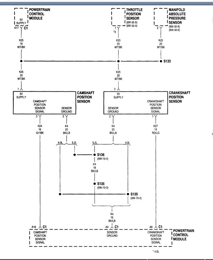
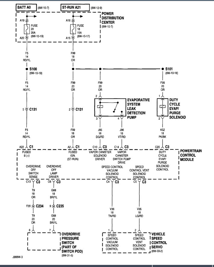
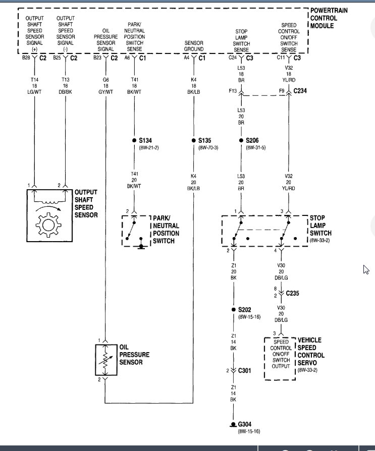
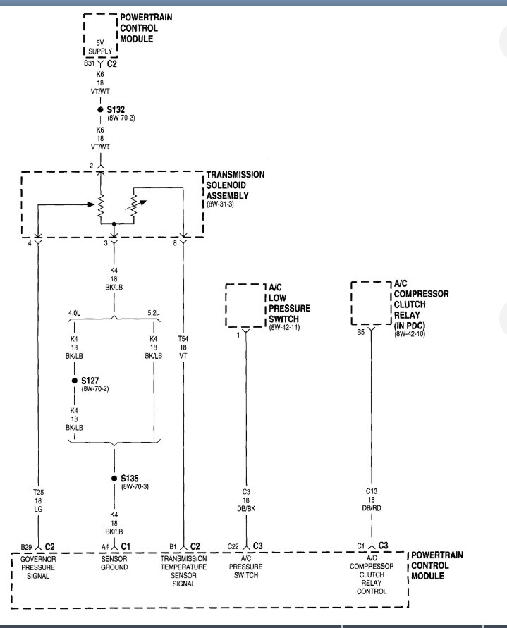
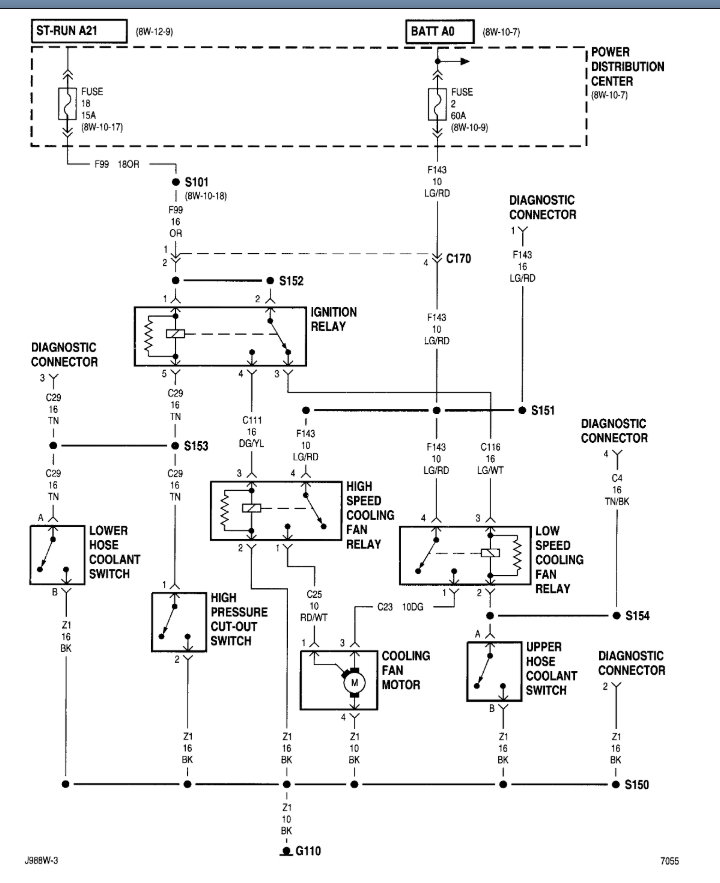
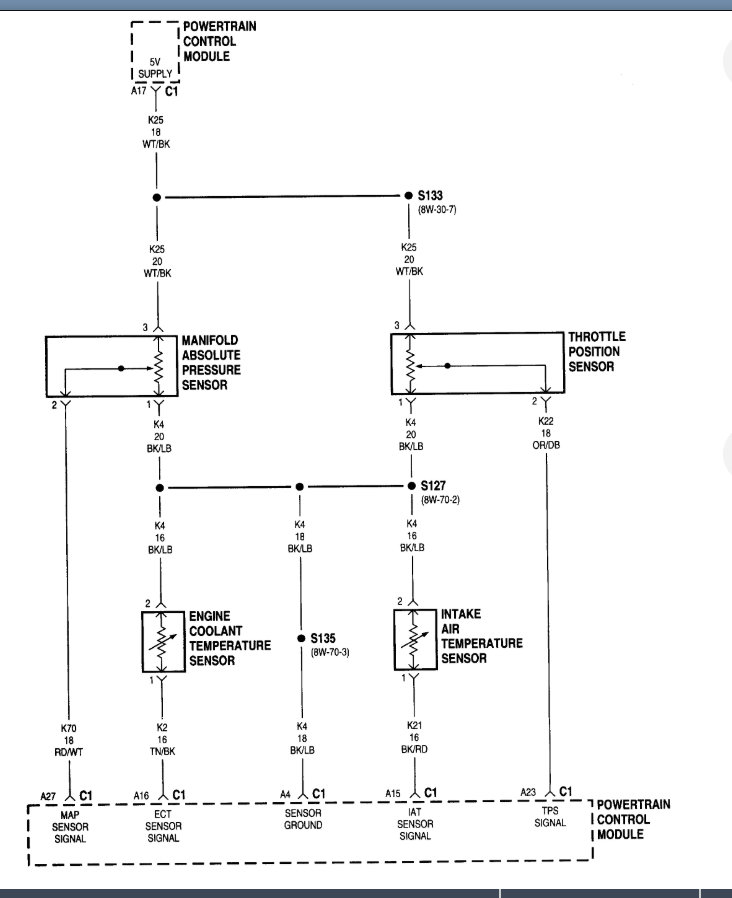
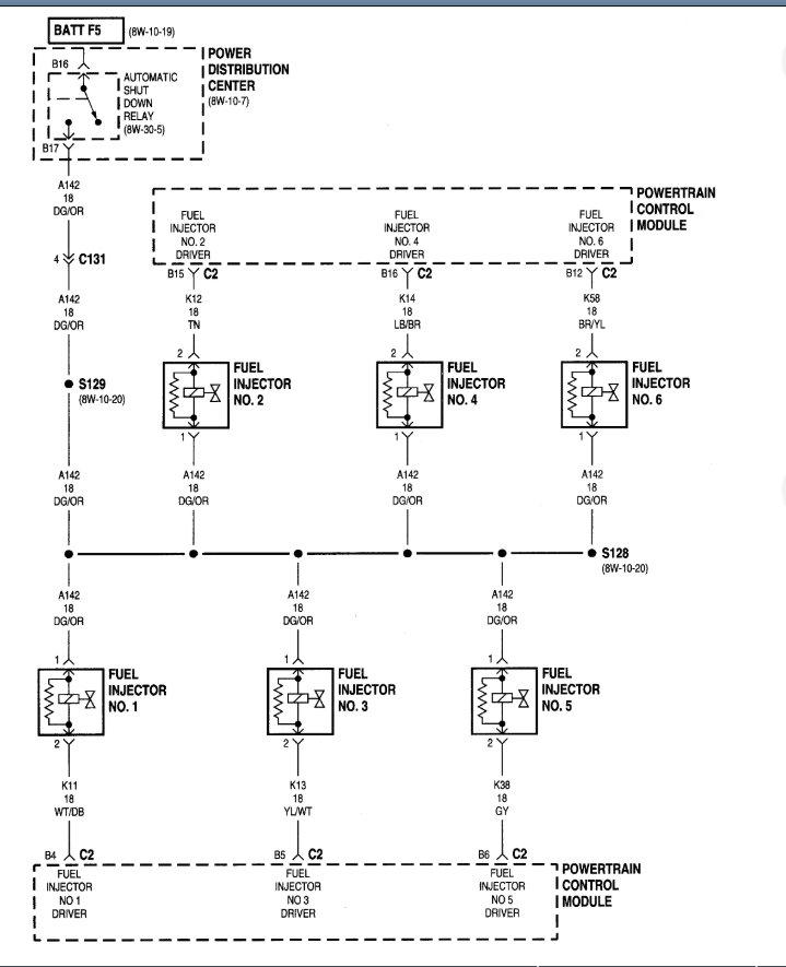
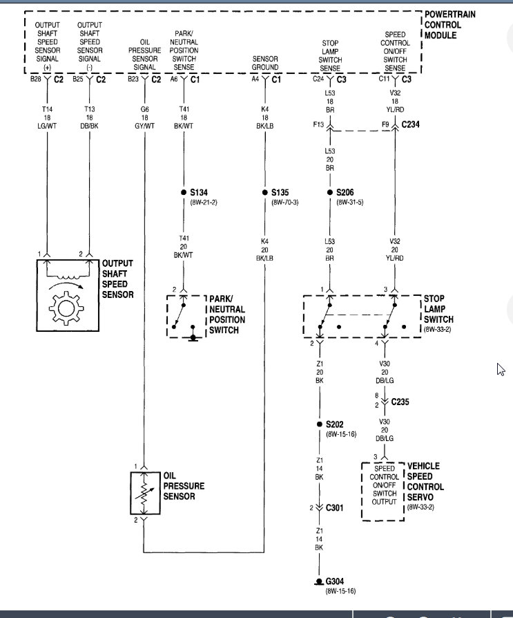
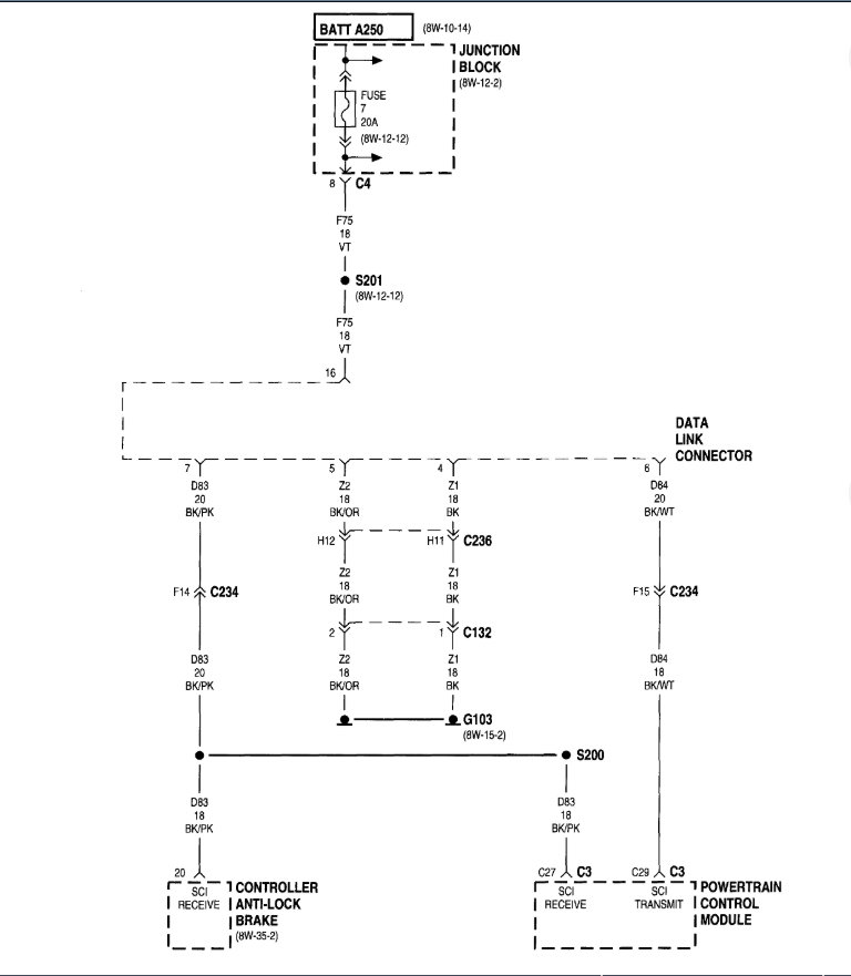
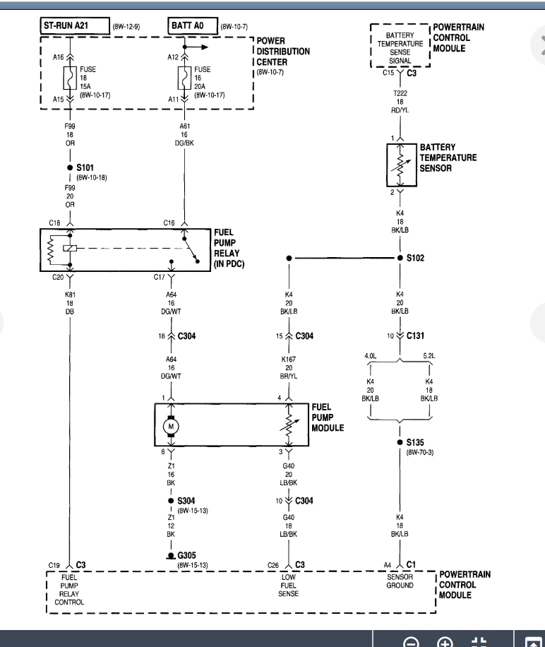
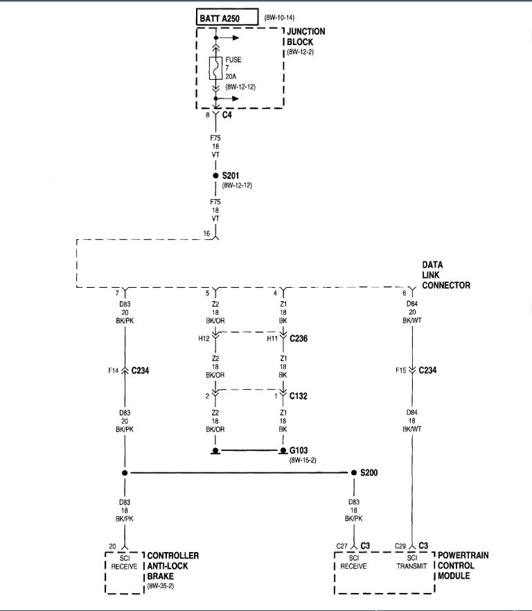
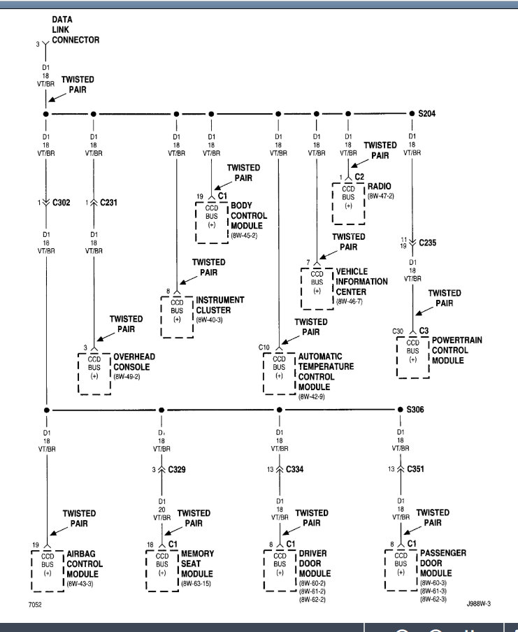
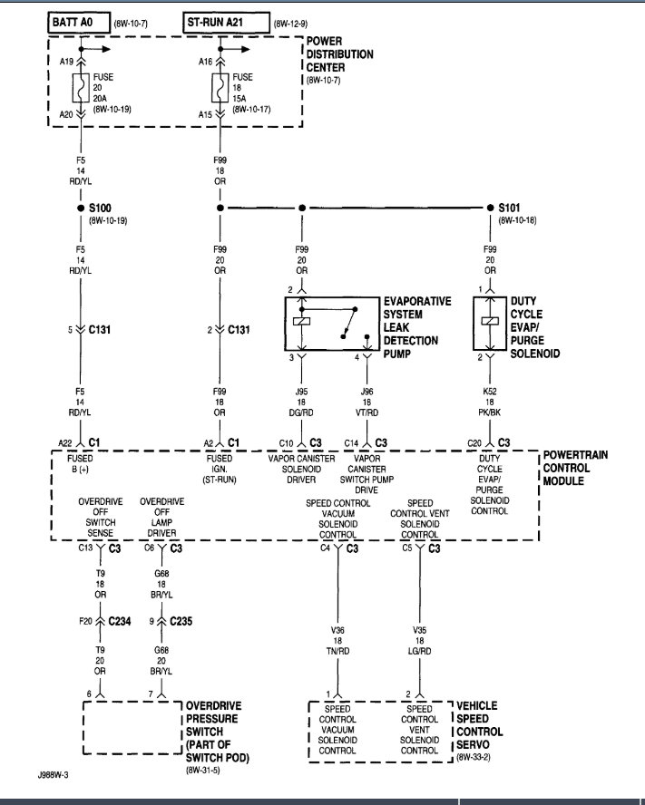
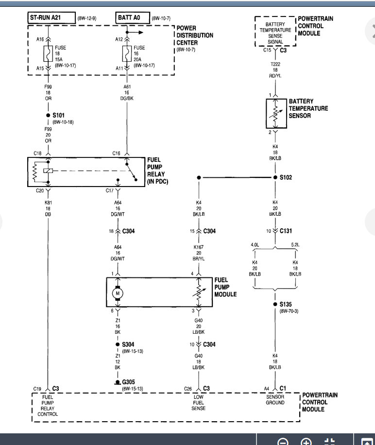
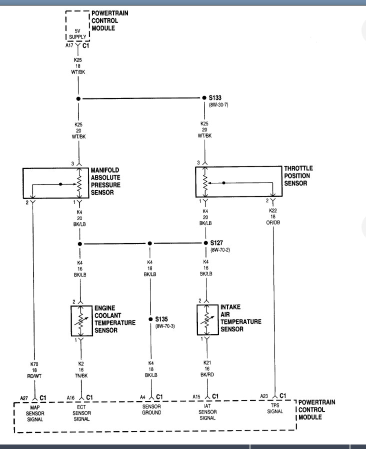
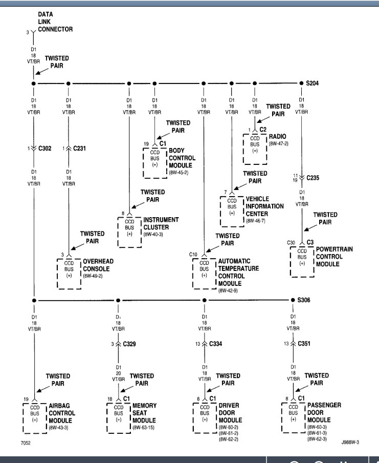
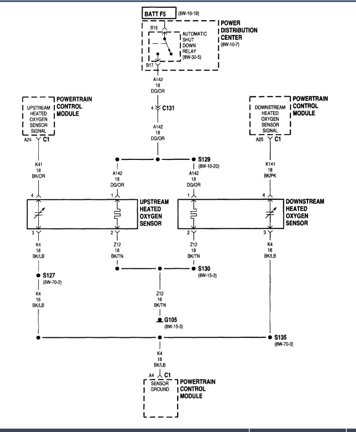
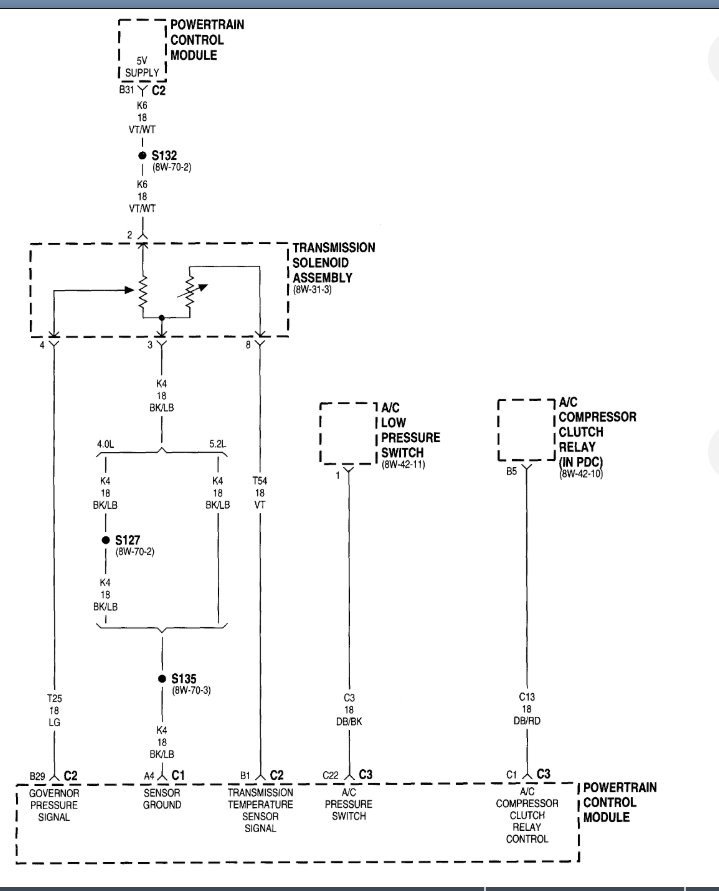
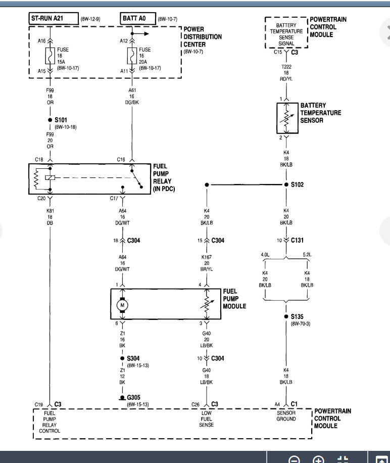
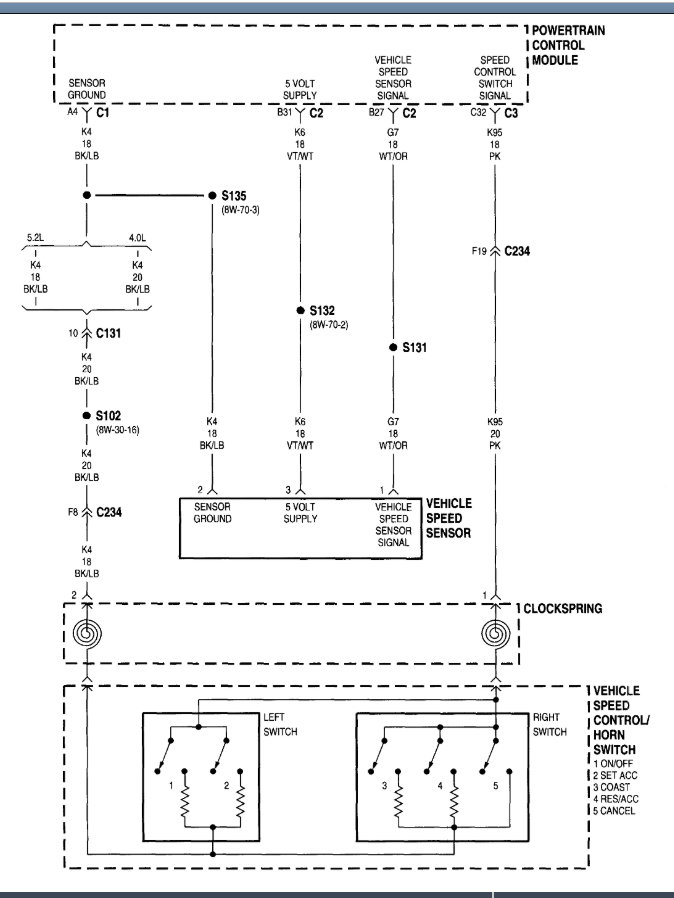
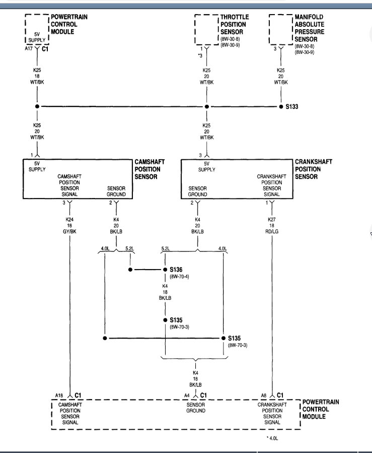
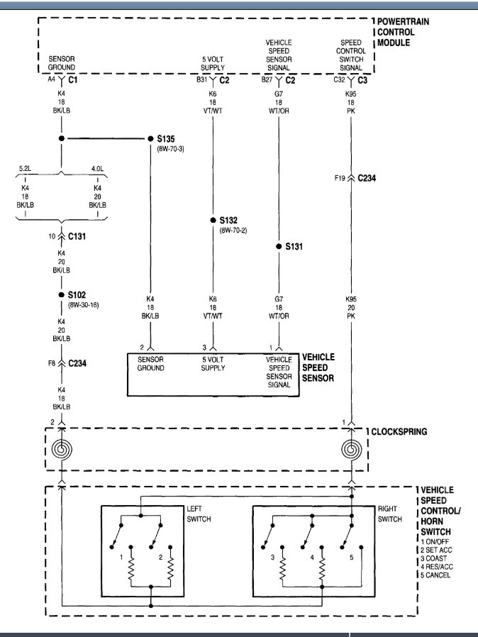
Every thing has power but the ECM. Need a wiring diagram of the ECM.
Was this
answer
helpful?
Yes
No
Sunday, August 30th, 2020 AT 10:53 AM (Merged)
Tiny
KASEKENNY
  • MECHANIC
  • 18,907 POSTS
Here are all the diagrams for the PCM. Clearly you need to verify B+ feeds and all the grounds. If you have no power to the ECM then that is where you start. Otherwise you need to check the crank signal and make sure the PCM is able to fire the injectors and coils. Let me know if you need more info. Thanks
Was this
answer
helpful?
Yes
No
+1
Sunday, August 30th, 2020 AT 10:53 AM (Merged)
Tiny
PETERBECK
  • MEMBER
  • 1 POST
  • 1998 JEEP GRAND CHEROKEE
  • 6 CYL
  • 4WD
  • AUTOMATIC
  • 172,248 MILES
Hey im haveing problems my car starts but sometime when I drive it it stals out whenever I hit the brake the rpms just shoot down I dont know what to do
Was this
answer
helpful?
Yes
No
Sunday, August 30th, 2020 AT 10:53 AM (Merged)
Tiny
JDL
  • MECHANIC
  • 16,098 POSTS
Might be a problem with idle air system? Clean the throttle-body. Any applicable trouble codes?
Was this
answer
helpful?
Yes
No
Sunday, August 30th, 2020 AT 10:53 AM (Merged)

Please login or register to post a reply.