Monday, June 28th, 2021 AT 7:43 AM
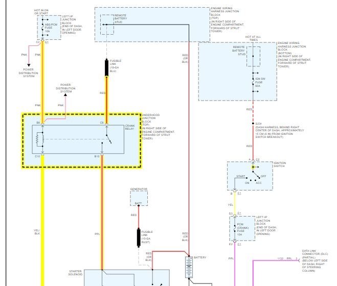
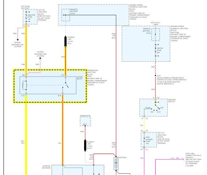
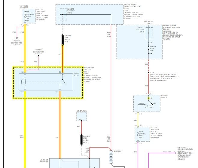
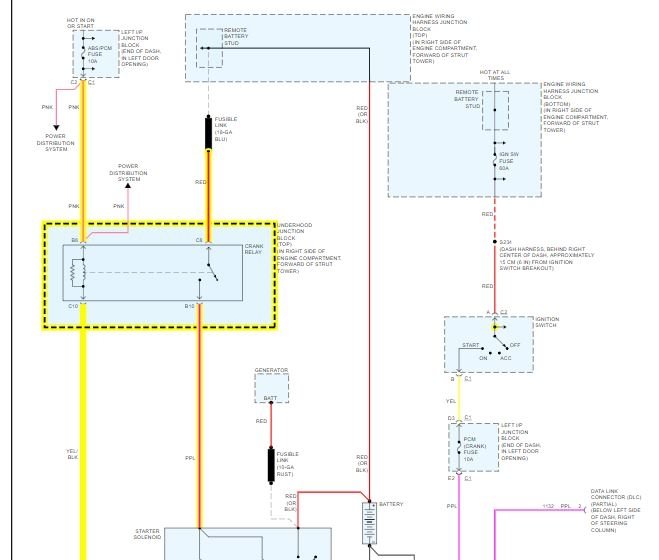
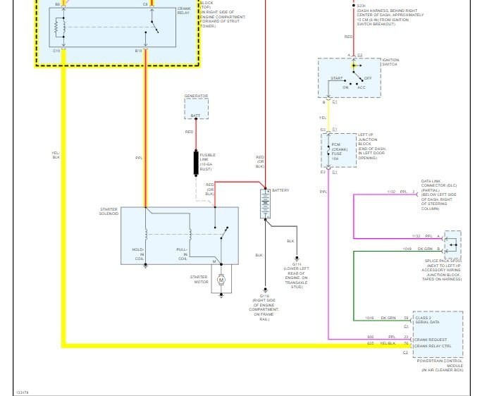
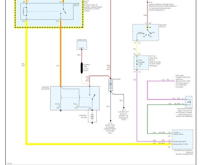
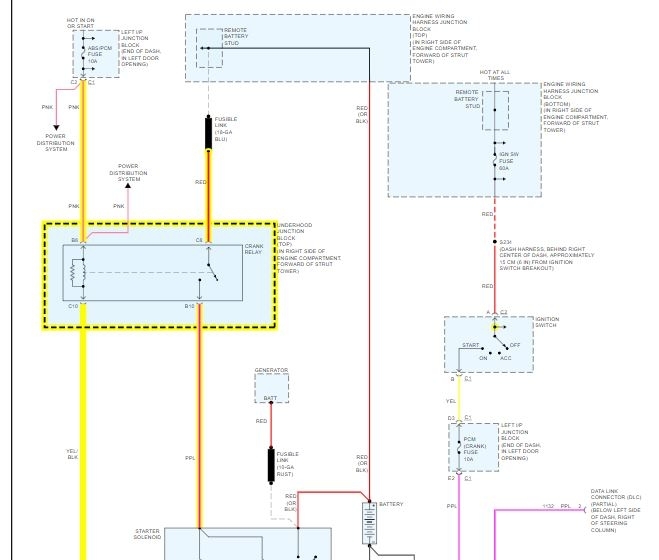
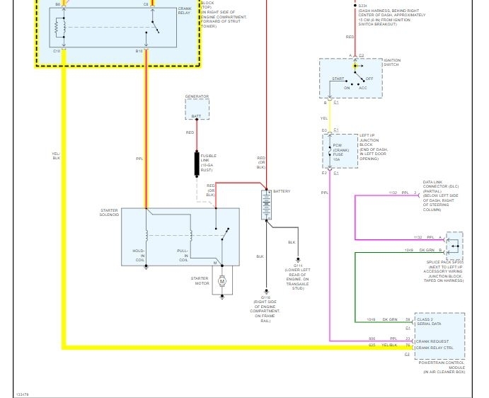
Turn key to start nothing happens no power. Turn key to access. Power comes on. Battery is one year old terminals are clean and tight. Alternator is outing out at 13.V. This happens approximately 2-3 times a week. After cont. Trying it starts?





