No crank no start issue?

Tiny
RONANDERSON50
  • MEMBER
  • 1999 JEEP GRAND CHEROKEE
  • V8
  • 4WD
  • AUTOMATIC
  • 142,000 MILES
Nothing happens when I turn the key. The battery is good.
Tuesday, July 11th, 2023 AT 7:50 AM

5 Replies

Tiny
KEN L
  • MASTER CERTIFIED MECHANIC
  • 55,535 POSTS
It sounds like the starter motor has gone bad, but to be sure let's check for power at the starter trigger wire.

Here is a guide that can help:

https://www.2carpros.com/articles/starter-not-working-repair

Also try to start the engine in neutral and let me know.

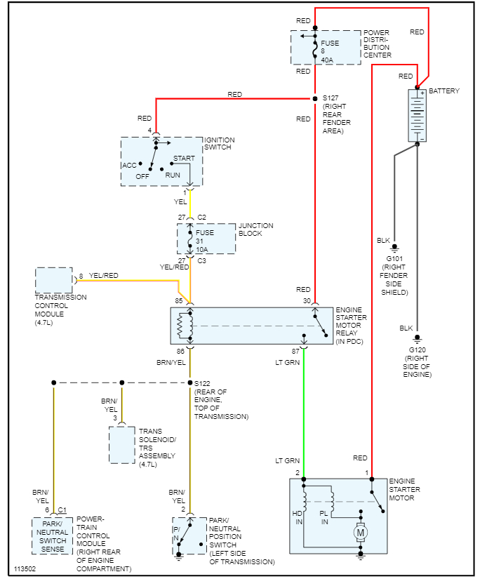
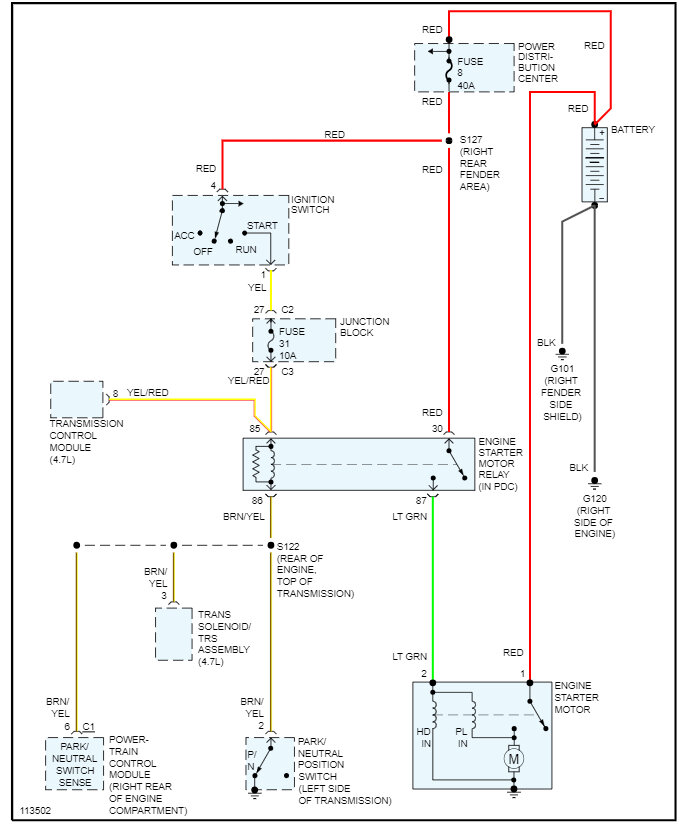
Here is how to change the starter out in case you need it. Check out the images (below). Please let us know what happens. I have included the starter wiring diagrams so you can see how the system works, also please check out the starter relay if the trigger wire is not getting power.
Was this
answer
helpful?
Yes
No
+1
Tuesday, July 11th, 2023 AT 5:47 PM
Tiny
RONANDERSON50
  • MEMBER
  • 5 POSTS
Even if the starter was bad wouldn't the radio or power door locks work.
Was this
answer
helpful?
Yes
No
Tuesday, July 11th, 2023 AT 7:25 PM
Tiny
KEN L
  • MASTER CERTIFIED MECHANIC
  • 55,535 POSTS
Yes they should work, Did you notice anything else?
Was this
answer
helpful?
Yes
No
+1
Thursday, July 13th, 2023 AT 9:20 AM
Tiny
RONANDERSON50
  • MEMBER
  • 5 POSTS
It is totally dead like there is no battery in it.
Was this
answer
helpful?
Yes
No
Thursday, July 13th, 2023 AT 9:30 AM
Tiny
KEN L
  • MASTER CERTIFIED MECHANIC
  • 55,535 POSTS
Okay, then we need to check the battery connections and then the fusible links.

Here is a guide to help:

https://www.2carpros.com/articles/everything-goes-dead-when-engine-is-cranked

I would test through the fusible link this guide should help and I have included the power distribution wiring diagrams so you can see how main power is fed into the vehicle.

https://www.2carpros.com/articles/how-to-use-a-test-light-circuit-tester

Check out the images (below). Let us know what happens and please upload pictures or videos of the problem so we can see what's going on.
Was this
answer
helpful?
Yes
No
Thursday, July 13th, 2023 AT 6:03 PM

Please login or register to post a reply.