Wiring diagram for power windows lock

Tiny
LOUD PELLETIER
  • MEMBER
  • 2003 CHEVROLET SILVERADO
  • 8.1L
  • V8
  • 4WD
  • AUTOMATIC
  • 155,000 MILES
Hello, I would like to have the wiring diagram of the end of the wiring harness of a Silverado 2002 and 2003 of the picture below and c1 c2 c3 c4 pinout of left I/P and mid bussed electrical center and right bussed electrical center.
Wednesday, August 18th, 2021 AT 7:21 AM

2 Replies

Tiny
LOUD PELLETIER
  • MEMBER
  • 39 POSTS
Like this but other c3, c2, c1.
Was this
answer
helpful?
Yes
No
Wednesday, August 18th, 2021 AT 9:25 AM
Tiny
JACOBANDNICKOLAS
  • MECHANIC
  • 110,192 POSTS
Hi

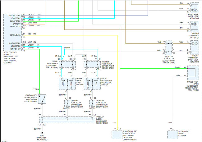
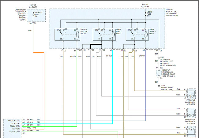
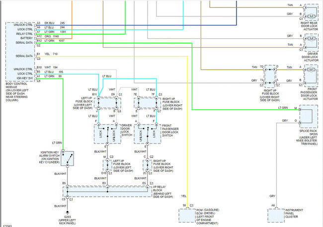
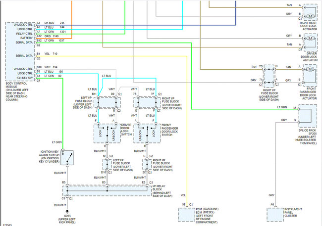
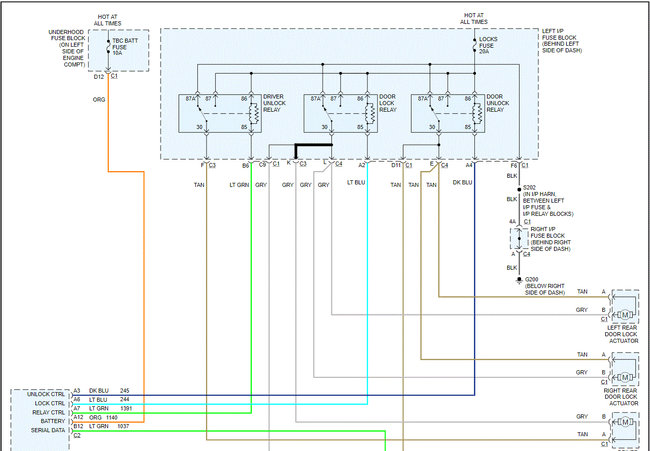
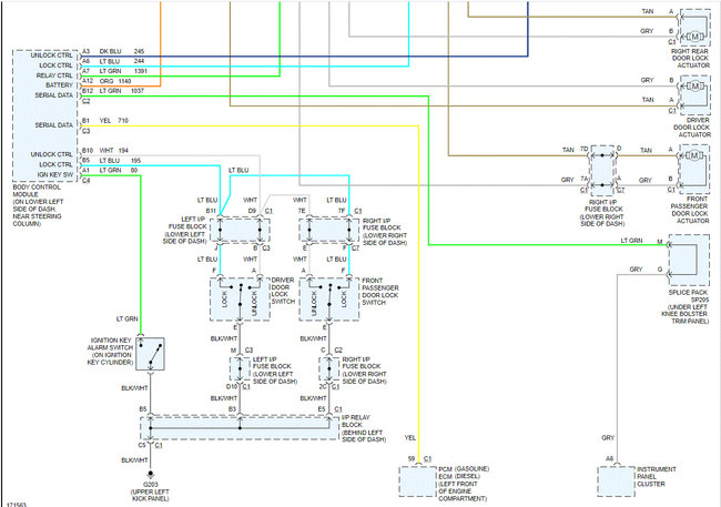
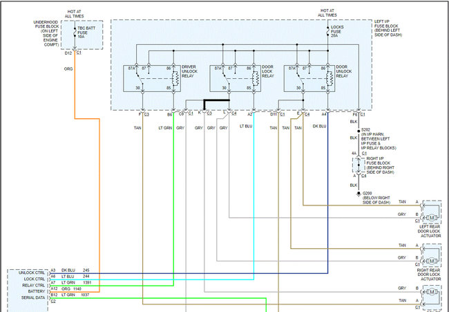
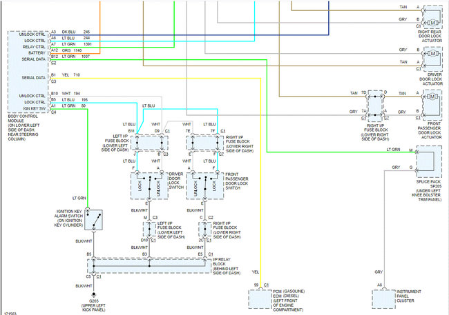
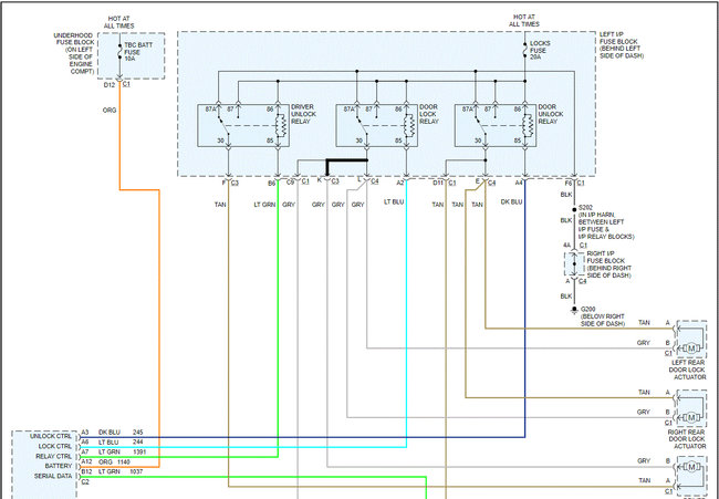
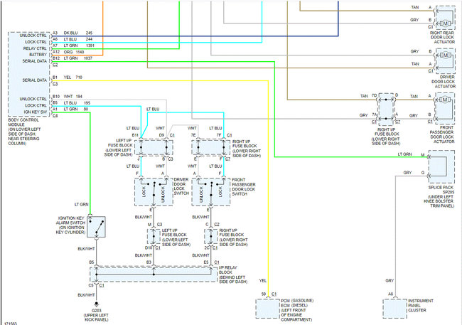
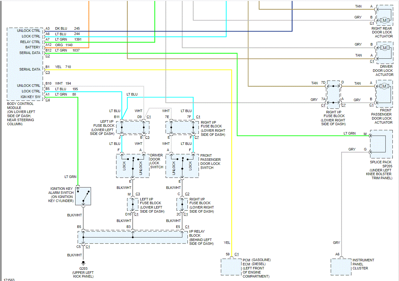
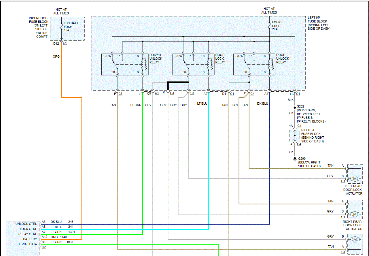
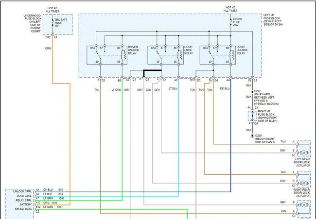
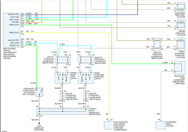
I attached the wiring schematic below for the power windows and locks below. You should be able to determine which pin to check based on the wire's color.

Pics 1 and 2 are the windows and pics 3 and 4 are the locks. Note that I had to cut each schematic in half to make it readable. I did overlap them so you can follow from one to the next.

As far as the pinouts, I attached the C1 and C3. For some reason, I don't have the C2.

Note: This information is for a 2003 K2500. If you need additional information for the 2002, I need you to start a new thread. We try to keep the threads specific to one vehicle/problem so that it helps others. I hope you understand.

Just copy and paste your question requesting info for the different year.

Here is the link to start a new thread:

https://www.2carpros.com/questions/new

Also, I went with the K2500 because the engine size isn't offered in the 1/2 ton truck. I made the assumption it was a 3/4 ton. Let me know if that is correct.

Here is a link that you may find helpful:

https://www.2carpros.com/articles/how-to-check-wiring

I hope I got the right info for you. Let me know if it helps.

Joe

See pics below.

Was this
answer
helpful?
Yes
No
-1
Wednesday, August 18th, 2021 AT 8:33 PM

Please login or register to post a reply.