Power window wiring diagram

Tiny
FHULETT
  • MEMBER
  • 2003 CHEVROLET SILVERADO
  • 6.0L
  • V8
  • 2WD
  • AUTOMATIC
  • 120,000 MILES
It has manual locks and windows. I have added power windows and locks withe the factory door harnesses.

I have not been able to locate a dash harness that has all of the same connectors ( plugs ) as mine has. I have pulled a few! And every BCM is different as well. So.

Is there a diagram of the actual switch pins for :

DS window switch
DS lock switch
DS power window switch

PS window switch
PS lock switch

If I can find out what each pin controls I can make the correct connections and add relays where needed

Hope this was enough info?

Thanks
Wednesday, April 15th, 2015 AT 7:55 AM

9 Replies

Tiny
JACOBANDNICKOLAS
  • MECHANIC
  • 110,192 POSTS
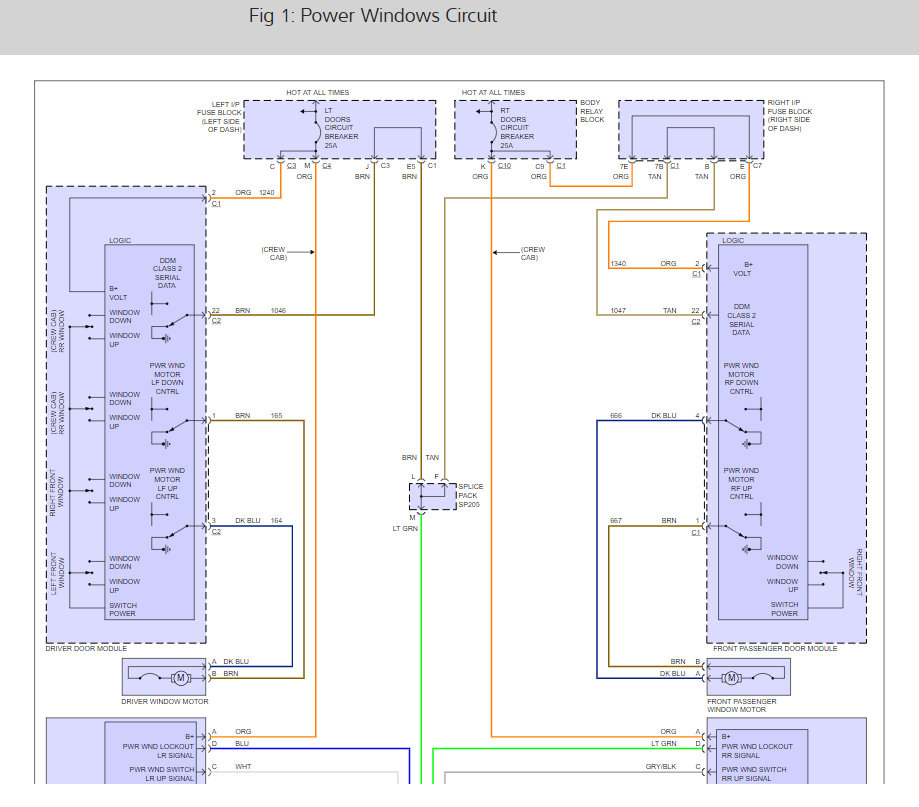
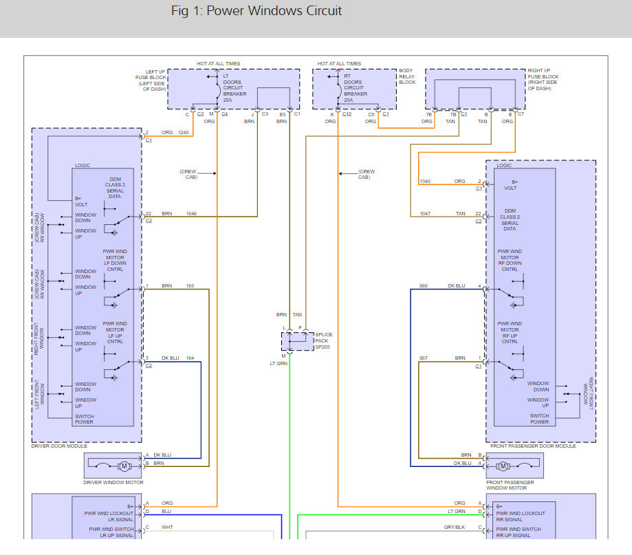
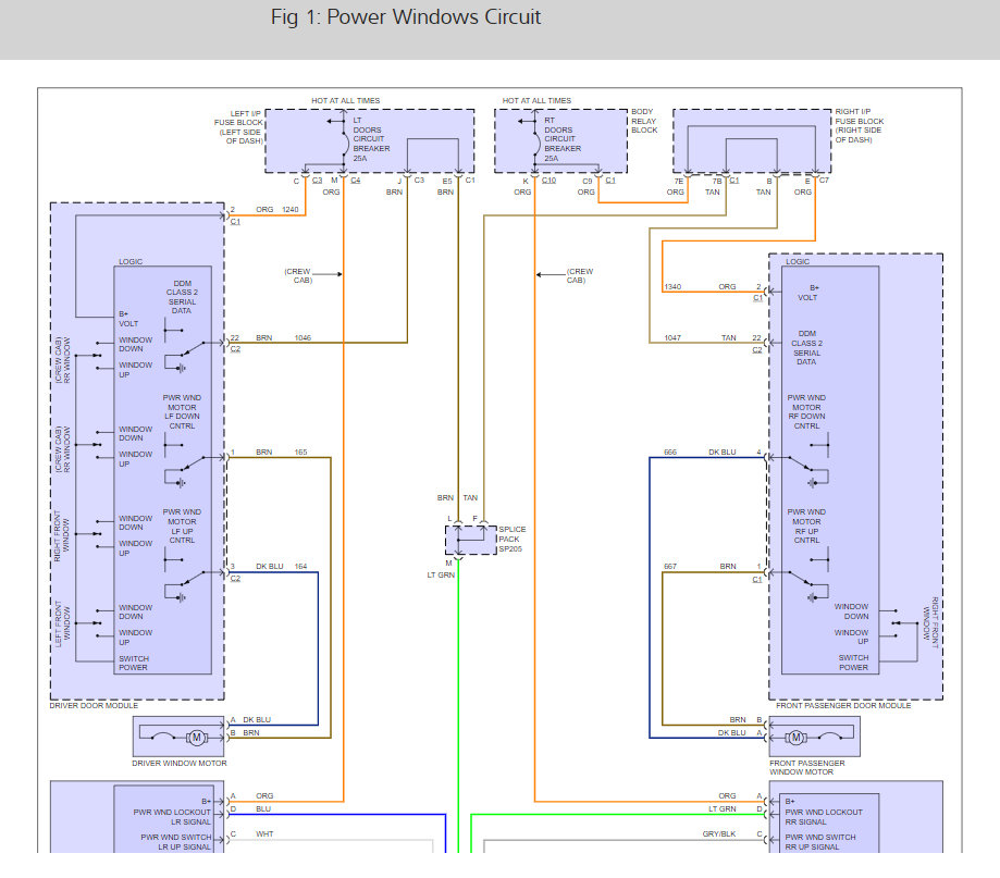
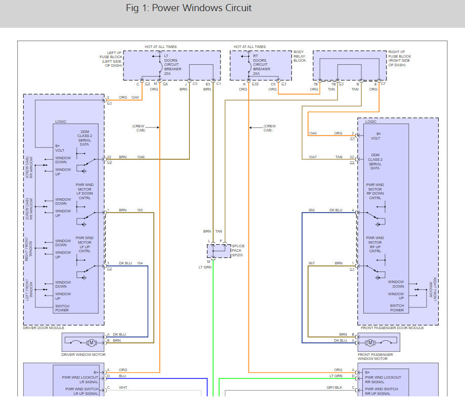
Here is a guide to help you test the wiring and the window wiring diagrams below.

https://www.2carpros.com/articles/how-to-check-wiring

Check out the diagrams (Below). Please let us know if you need anything else to get the problem fixed.
Was this
answer
helpful?
Yes
No
+19
Saturday, April 18th, 2015 AT 8:56 PM
Tiny
FHULETT
  • MEMBER
  • 2 POSTS
Driver and passenger door wiring, the plugs on the ends. There is 1 for the passenger door. There are 2 for the driver door.

I am looking to find out what each pin in the connector would control.

Example: 1st pin= ground, 2nd pin= hot all time, 3rd pin= accessory power etc.

In other words I will be hard wiring all the needed connections from the factory harness to the power window, locks and power mirrors I just need which wire does what so thanks for the wiring diagrams got it fixed it was a bad switch (main)

Thank you,
Jaxson
Was this
answer
helpful?
Yes
No
-1
Sunday, April 19th, 2015 AT 12:49 PM
Tiny
KASEKENNY
  • MECHANIC
  • 18,907 POSTS
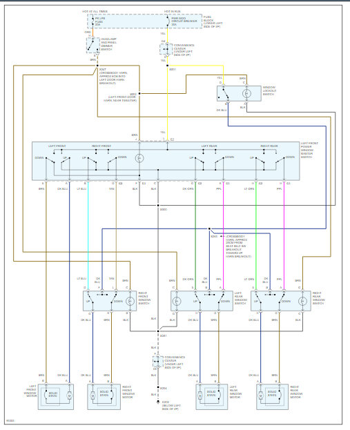
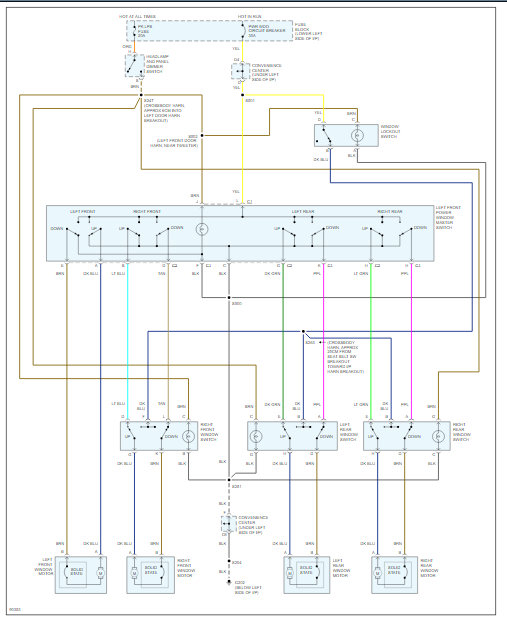
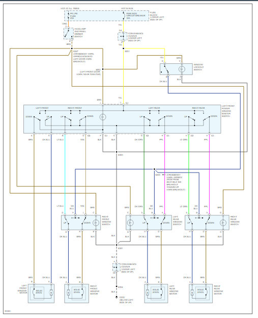
Understood. Here are the connector view diagrams for each of these components.

Please run through these and let us know if you need more info. Thanks
Was this
answer
helpful?
Yes
No
+4
Tuesday, April 28th, 2015 AT 5:24 AM
Tiny
LIZARD0826
  • MEMBER
  • 1 POST
  • 2004 CHEVROLET SILVERADO
2004 Chevy Silverado

I need the diagram for the power window wiring. I'm trying to convert a manual to a power windows and mirrors? Can someone help?
Was this
answer
helpful?
Yes
No
+9
Friday, June 21st, 2019 AT 1:59 PM (Merged)
Tiny
DR LOOT
  • MECHANIC
  • 2,311 POSTS
I believe the easier way to do that is to go to the junkyard and remove the wiring harness from the door of your same truck it should plug right in and your truck should already be wired for electric windows from the factory even though it came with manual
Was this
answer
helpful?
Yes
No
Friday, June 21st, 2019 AT 1:59 PM (Merged)
Tiny
DOWNTIMEINC
  • MEMBER
  • 1 POST
  • 1999 CHEVROLET SILVERADO
  • V6
  • 2WD
  • AUTOMATIC
Hi All.I just replaced the drivers door on my base model 1999 chev Silverado with one from a 2004 that has the power windows/mirror/lock options. I have a couple questions:
1. The window on the new door was partially down when I got it and the first thing I need to do is try to get it to close. Is there a way to 'jump' power to it to close it? I'm trying to figure out which color wires to connect to the pos/neg on a 12 volt power source - would this work?

2. There are two 'plug in' spots on the fuse box, one for base and one for the power window model, is it going to be possible to get the power options on the new door working, or should I break down and swap the old windup window and panel in.

Thanks in advance.
Was this
answer
helpful?
Yes
No
Friday, June 21st, 2019 AT 2:00 PM (Merged)
Tiny
JACOBANDNICKOLAS
  • MECHANIC
  • 110,192 POSTS
First, all you need to do is provide 12v of power directly to the window motor on one wire and a ground on the other. You can actually just use a battery charger rather than trying to run a wire from the truck's battery. When you do this, the window will either go up or down. If it goes down, simply switch the wires going to the motor so that you change the polarity and the window, will go up.

As far as trying to get power to the new door, yes it can be done, but I can't say if your vehicle is equipped with the wiring to the door. If I would have to guess, I would say it isn't. However, that doesn't mean it can't be done. You will just need to provide power to the switch that is in the new door. The switch is what changes the polarity to determine if the window goes up or down.

To be honest, if it was mine, I think I would change it to the original design for a couple reasons. First, pwr windows always seem to break. Second, it will actually be easier to make it manual like the old door than it would be to do what is needed to make it power.
Was this
answer
helpful?
Yes
No
-2
Friday, June 21st, 2019 AT 2:00 PM (Merged)
Tiny
DADFIXIT
  • MEMBER
  • 1 POST
  • 1994 CHEVROLET SILVERADO
  • 6.5L
  • V8
  • 4WD
  • AUTOMATIC
  • 200,000 MILES
Swapped doors from 1997 Suburban need to make windows work. I need to put connector from old door to new door and splice correct wires.
Was this
answer
helpful?
Yes
No
+1
Monday, November 30th, 2020 AT 4:48 PM (Merged)
Tiny
DANNY L
  • MECHANIC
  • 5,648 POSTS
Hello, I'm Danny.

Here is a quick wire testing tutorial to view:

https://www.2carpros.com/articles/how-to-check-wiring

I've attached 2 pictures below.First picture is your 1994 Silverado and the second is the 1997 Suburban.Hope this helps and thanks for using 2CarPros.

Danny-
Was this
answer
helpful?
Yes
No
+2
Monday, November 30th, 2020 AT 4:48 PM (Merged)

Please login or register to post a reply.