Computer wiring diagram

Tiny
A604
  • MEMBER
  • 1996 DODGE CARAVAN
  • 3.8L
  • V6
  • FWD
  • AUTOMATIC
  • 130,000 MILES
I cannot find a complete wiring diagram for my car listed above. I am diagnosing a limp mode problem without a scan tool, and I need correct TCM pin identities etc.
Saturday, July 8th, 2017 AT 12:48 PM

36 Replies

Tiny
KEN L
  • MASTER CERTIFIED MECHANIC
  • 55,281 POSTS
Hello,

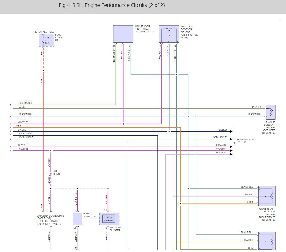
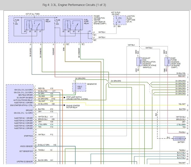
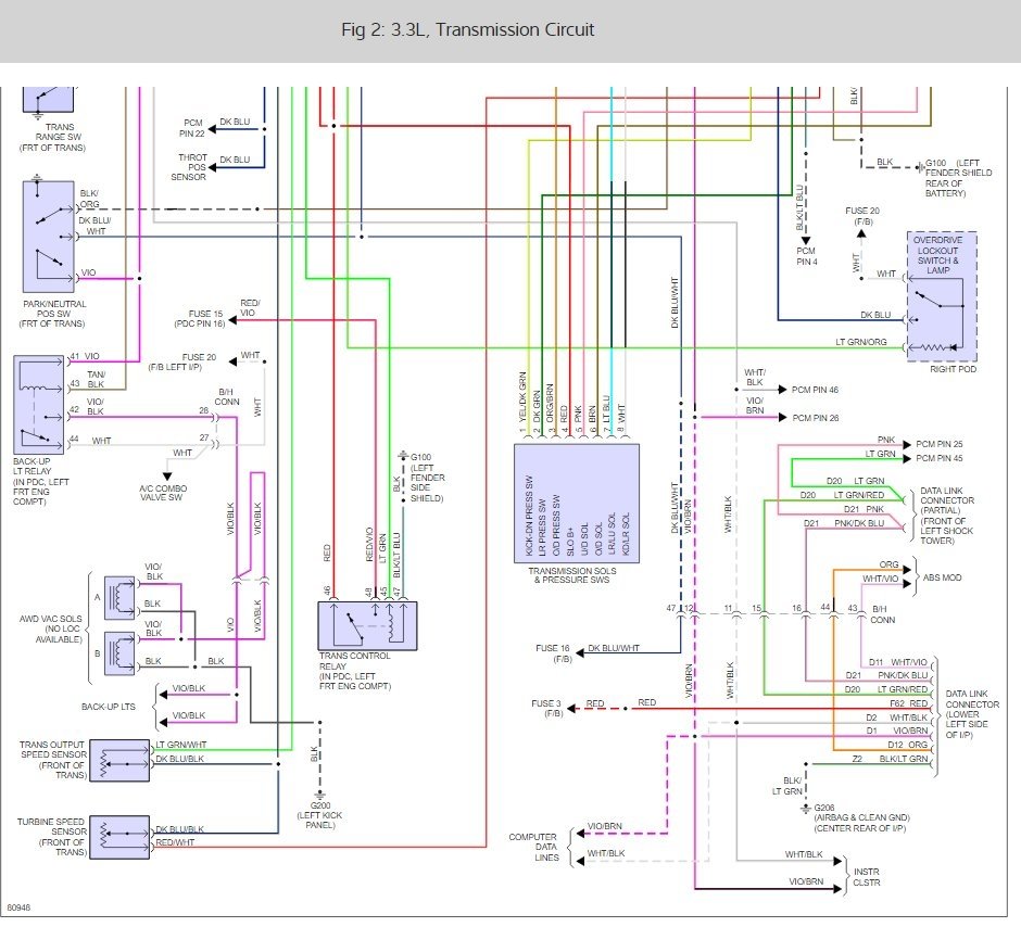
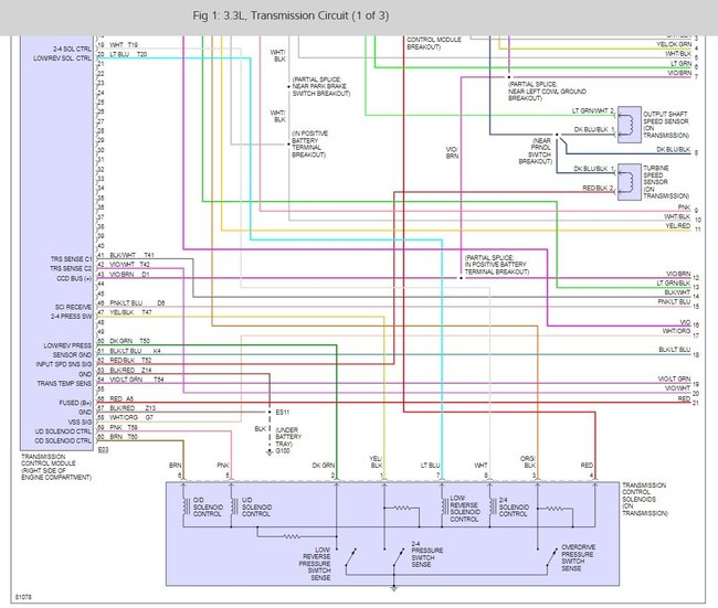
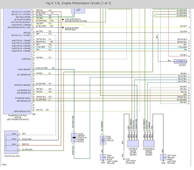
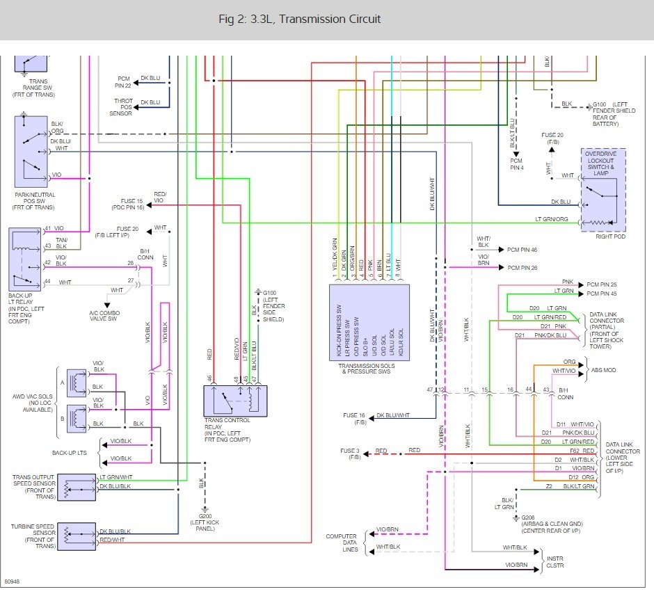
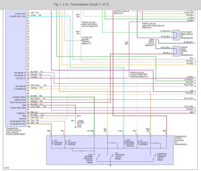
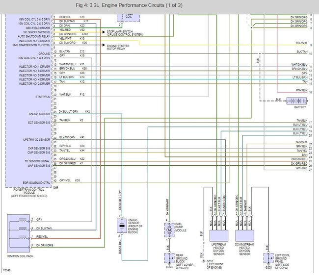
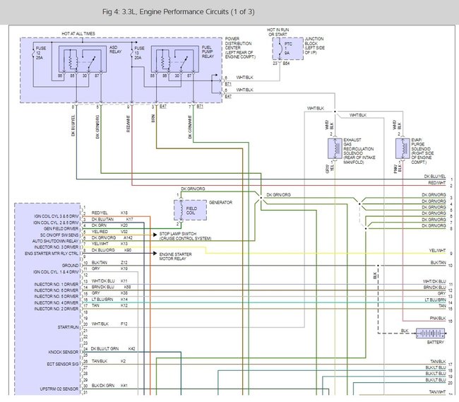
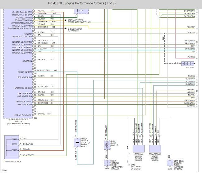
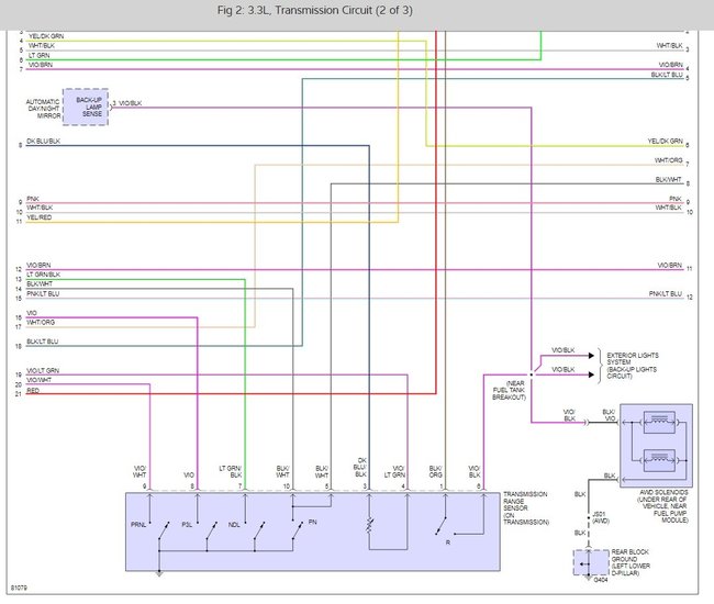
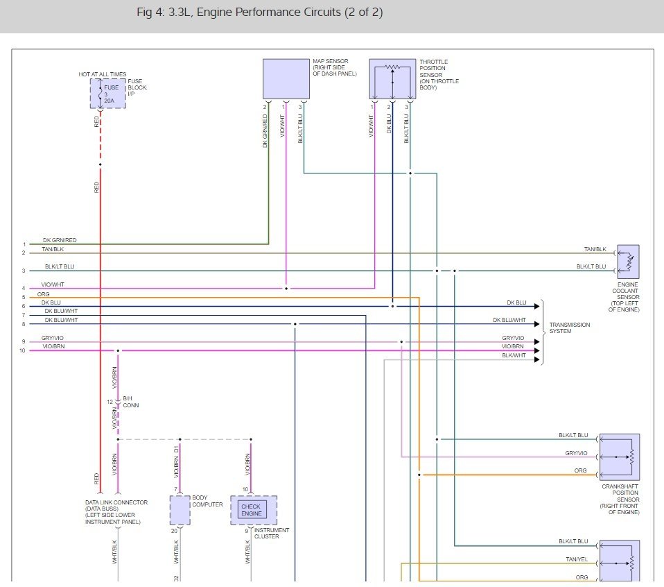
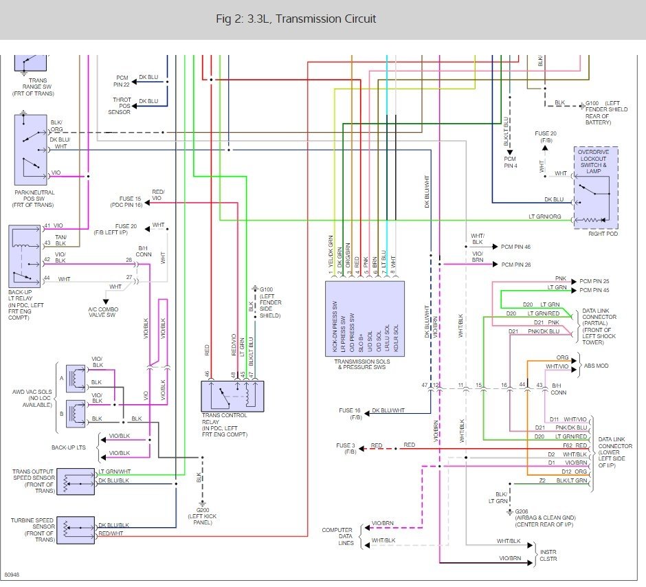
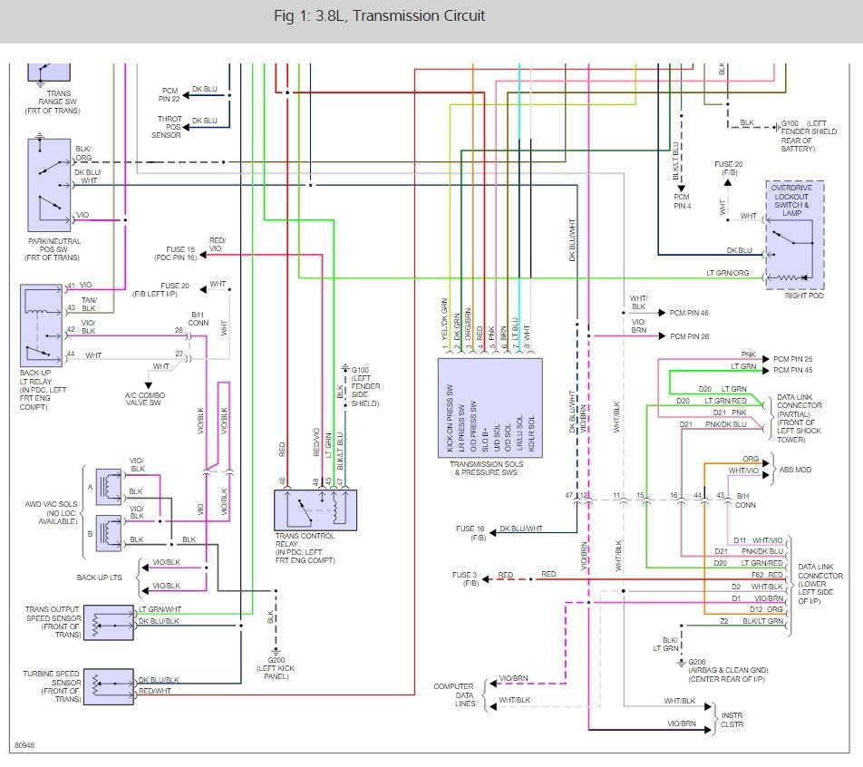
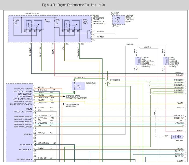
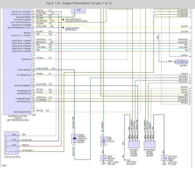
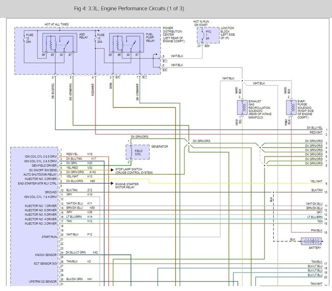
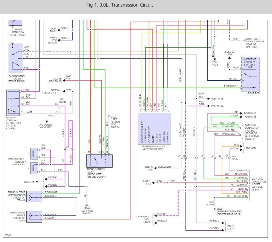
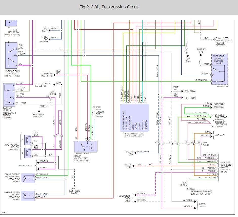
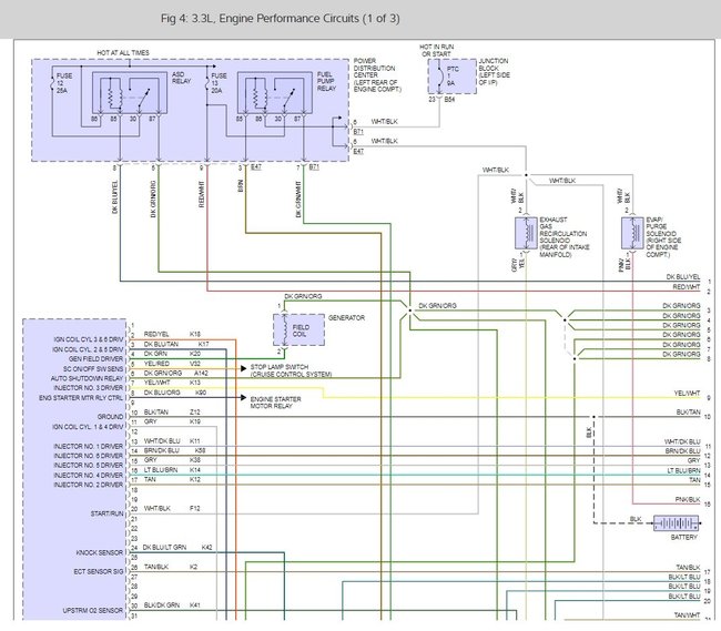
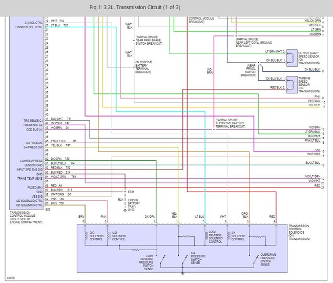
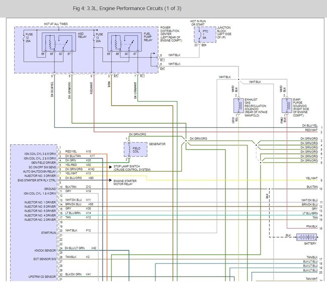
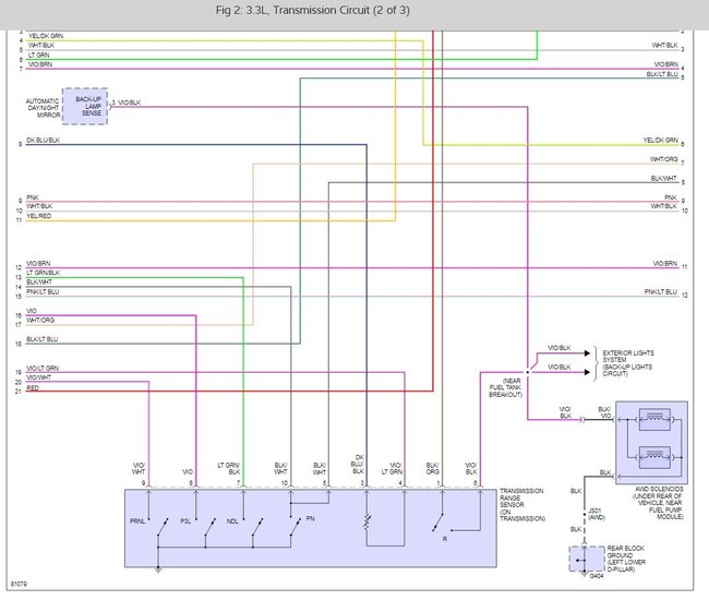
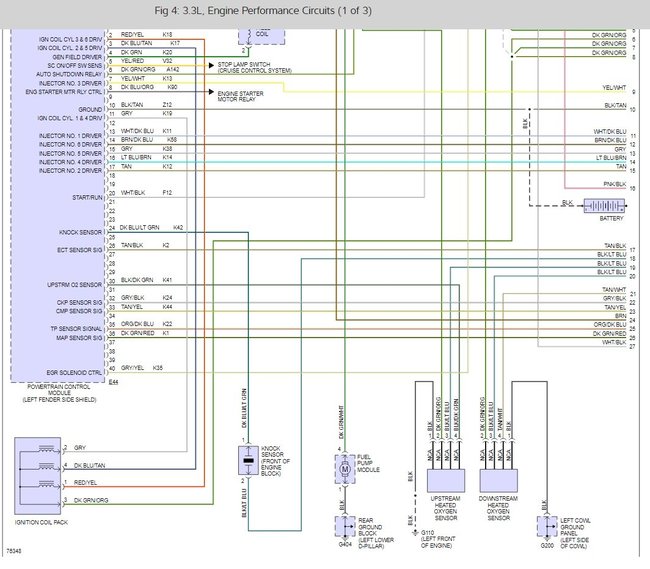
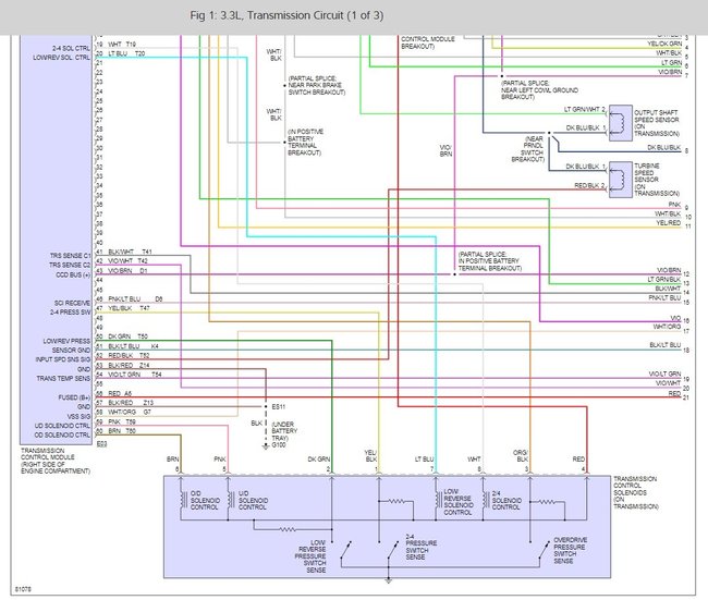
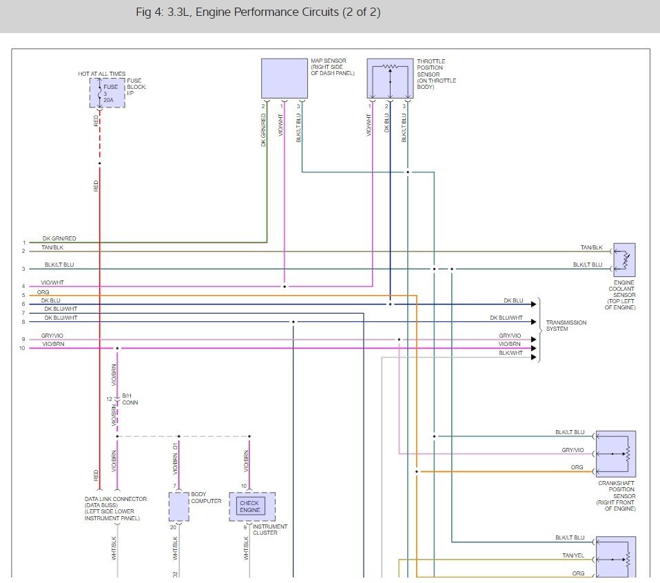
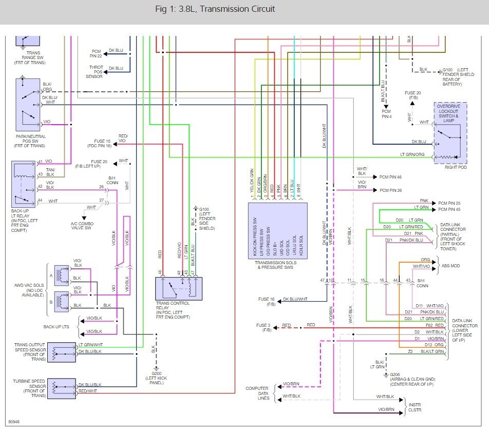
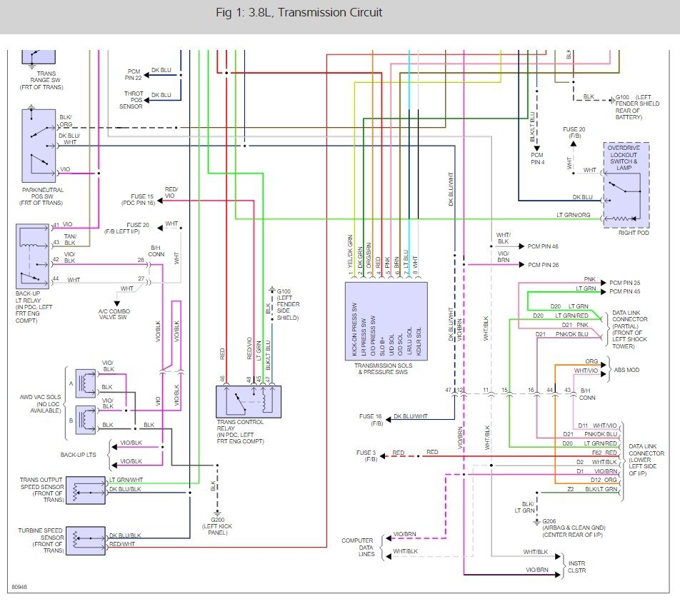
Here are wiring diagrams (below) for the engine and transmission along with a guide to help you do some testing.

https://www.2carpros.com/articles/how-to-check-wiring

Please let us know what happens, we are interested to see what it is.

Cheers, Ken
Was this
answer
helpful?
Yes
No
+9
Monday, July 10th, 2017 AT 11:33 AM
Tiny
A604
  • MEMBER
  • 38 POSTS
I apologize I should have paid more attention. The vehicle is a 1995 3.8L not a 96. Huge difference.
Was this
answer
helpful?
Yes
No
+2
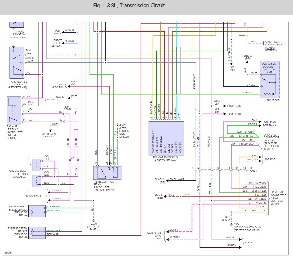
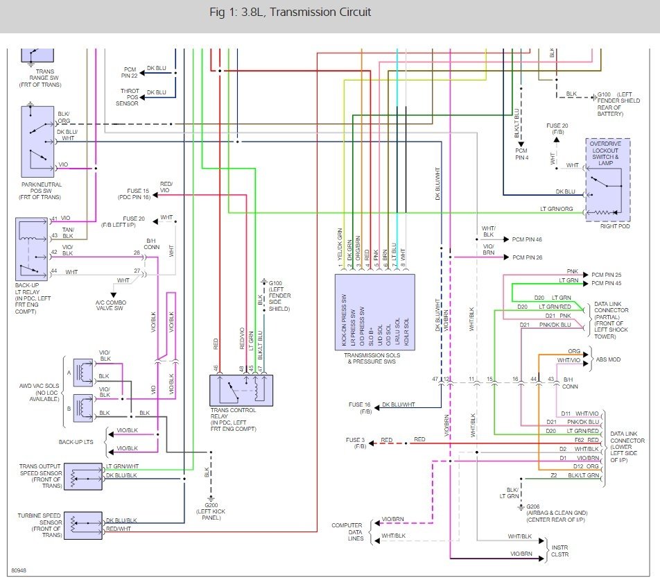
Monday, July 10th, 2017 AT 5:51 PM
Tiny
KEN L
  • MASTER CERTIFIED MECHANIC
  • 55,281 POSTS
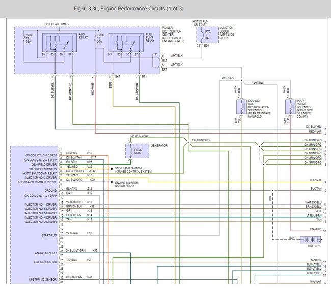
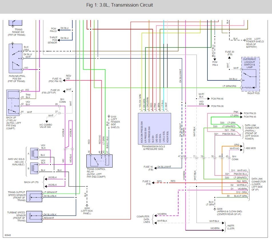
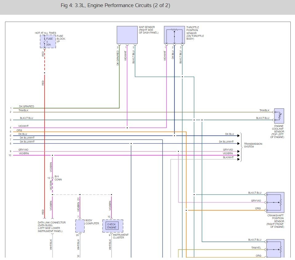
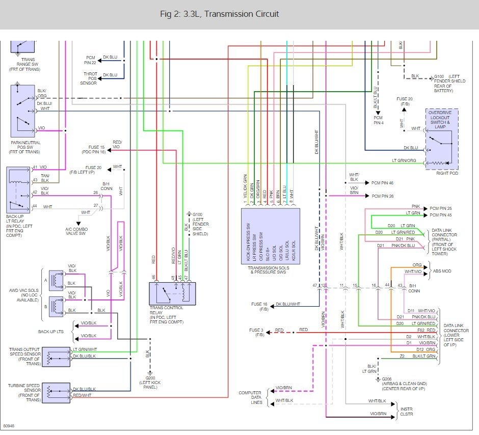
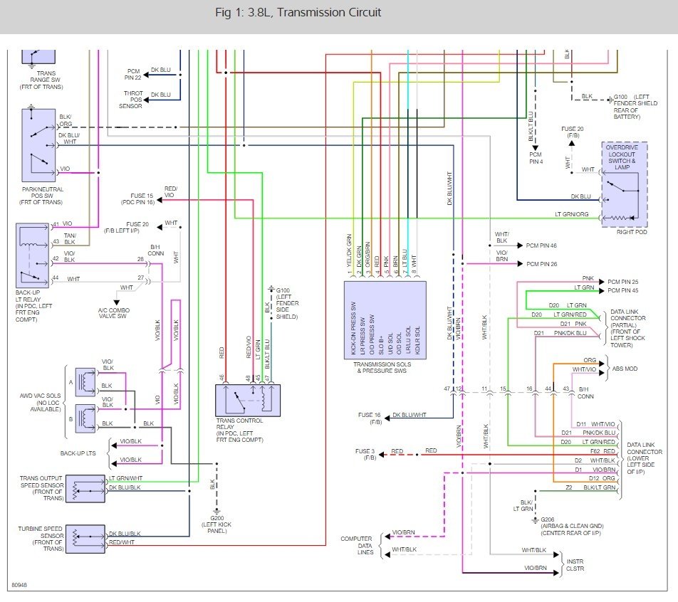
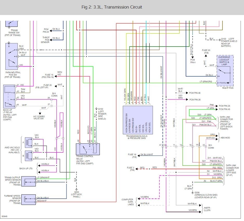
Yep there is a big difference :) here you go (below)

Please let us know if you need anything else to get the problem fixed.

Cheers, Ken
Was this
answer
helpful?
Yes
No
+4
Tuesday, July 11th, 2017 AT 3:20 PM
Tiny
A604
  • MEMBER
  • 38 POSTS
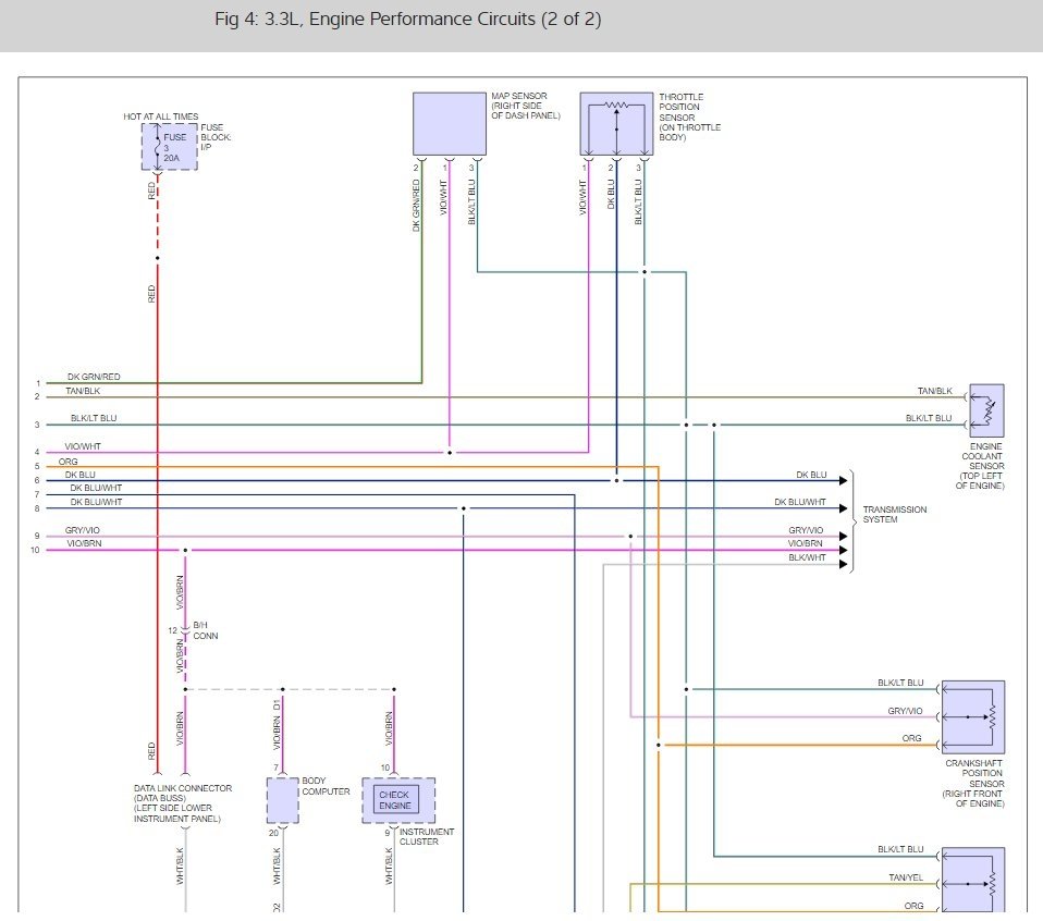
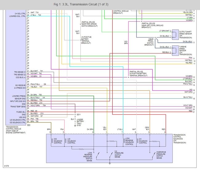
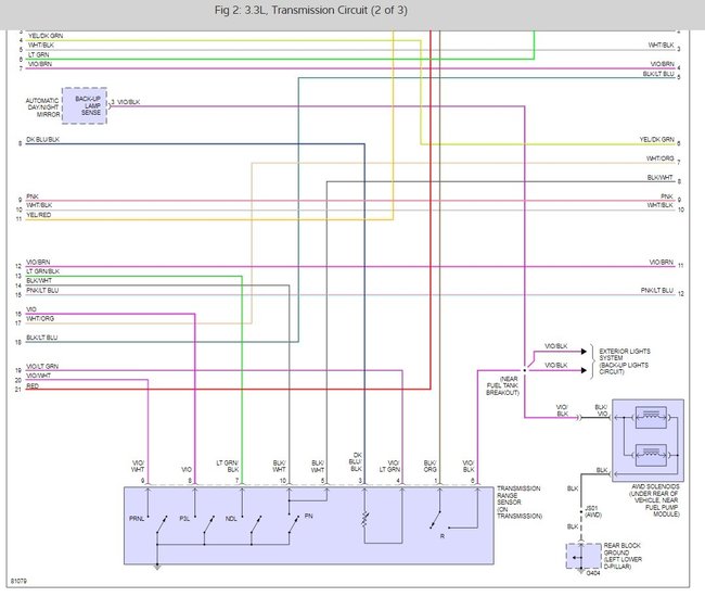
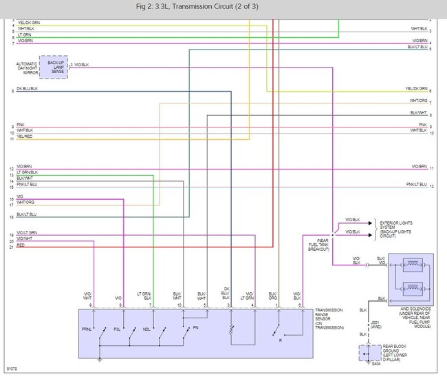
I mainly need a diagram of the tcm connector wires, shift solenoid block (8 pin ) connector wires
Was this
answer
helpful?
Yes
No
Tuesday, July 11th, 2017 AT 3:36 PM
Tiny
KEN L
  • MASTER CERTIFIED MECHANIC
  • 55,281 POSTS
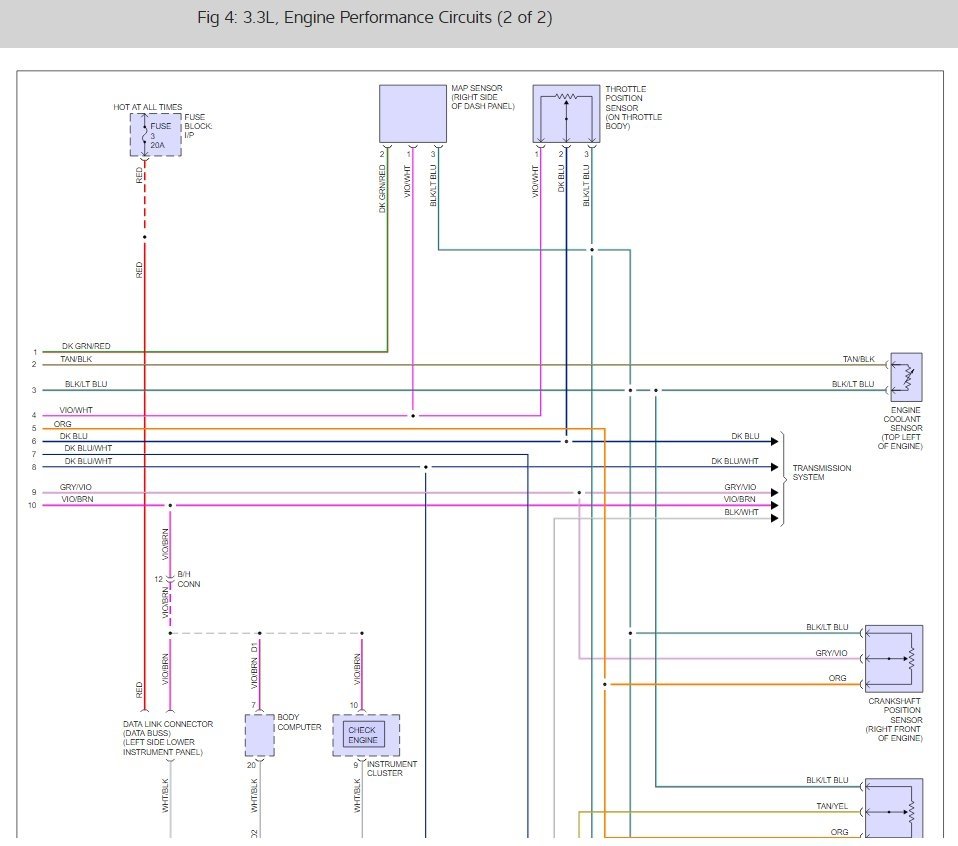
Yep got you covered (below).

Please use 2CarPros anytime, we are here to help. Tell a friend please.

Cheers, Ken
Was this
answer
helpful?
Yes
No
+3
Wednesday, July 12th, 2017 AT 10:59 AM
Tiny
A604
  • MEMBER
  • 38 POSTS
Thank you, I will put them to work this evening when it cools down some, I'm in Arizona.
Was this
answer
helpful?
Yes
No
Wednesday, July 12th, 2017 AT 11:12 AM
Tiny
A604
  • MEMBER
  • 38 POSTS
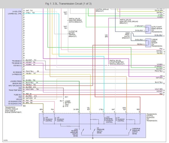
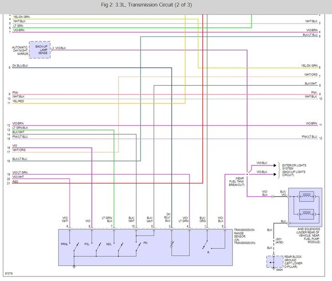
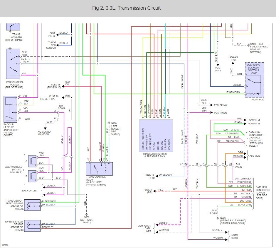
Oh one other item does it make a difference these diagrams say 3.3l and my vehicle is a 3.8l
Was this
answer
helpful?
Yes
No
+2
Wednesday, July 12th, 2017 AT 11:15 AM
Tiny
KEN L
  • MASTER CERTIFIED MECHANIC
  • 55,281 POSTS
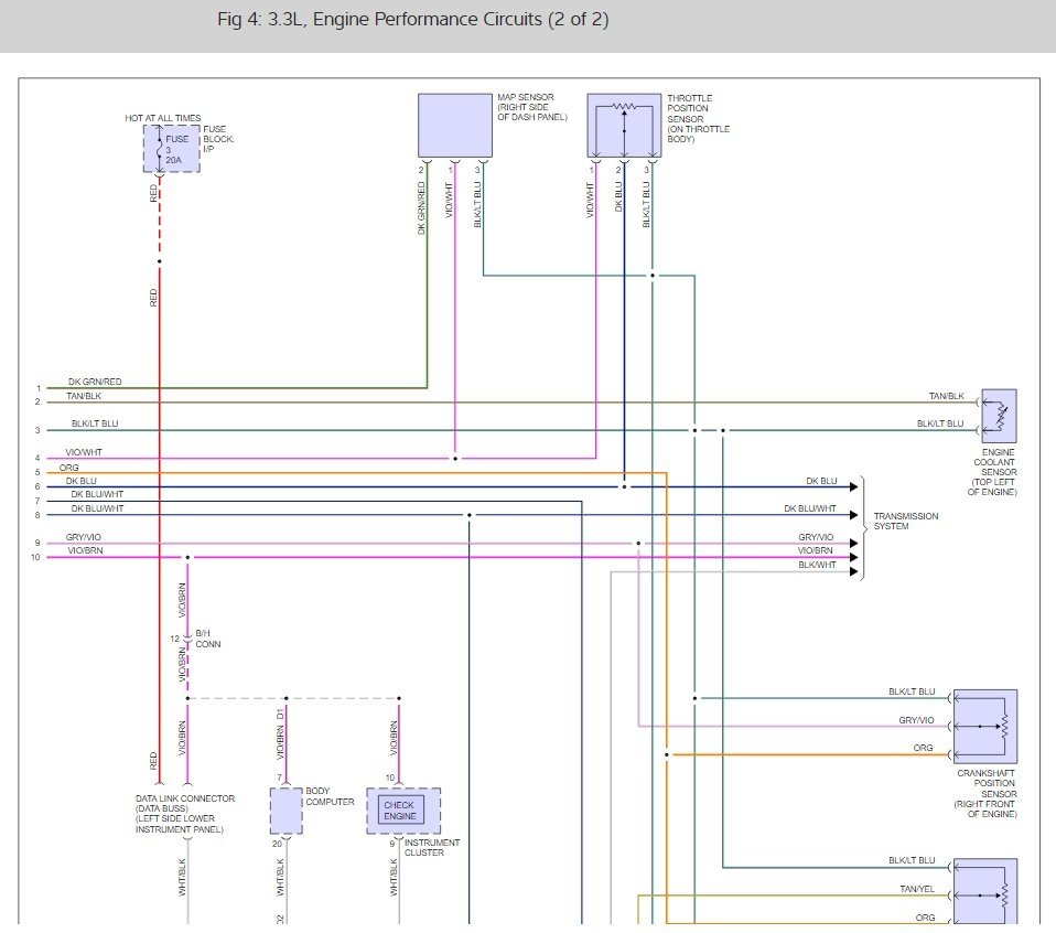
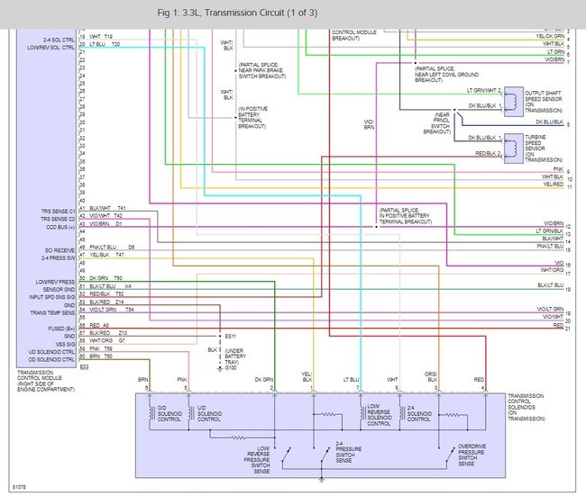
They shouldn't but let me get you the 3.8 to be sure

Cheers!
Was this
answer
helpful?
Yes
No
+3
Wednesday, July 12th, 2017 AT 11:19 AM
Tiny
A604
  • MEMBER
  • 38 POSTS
Thank you sir
Was this
answer
helpful?
Yes
No
Wednesday, July 12th, 2017 AT 11:24 AM
Tiny
KEN L
  • MASTER CERTIFIED MECHANIC
  • 55,281 POSTS
Please use 2CarPros anytime, we are here to help. Tell a friend please.

Cheers, Ken
Was this
answer
helpful?
Yes
No
+3
Wednesday, July 12th, 2017 AT 3:51 PM
Tiny
A604
  • MEMBER
  • 38 POSTS
  • 1995 DODGE CARAVAN
  • 3.8L
  • V6
  • FWD
  • AUTOMATIC
  • 150,000 MILES
While driving went into limp mode meaning I had P, R, N, and second. I changed fluid and filter (atf+4), normal silt in pan no shiny metal. I also put Lucas transmission fix in. Van drove fine for 189 miles then limp mode again, I went ahead and changed fluid and filter, pan filter and fluid were clean. No Lucas this time. Drove fine gain for maybe eighty miles before limp mode. I am mms or in a position to have it scanned for transmission codes. I know when it is going to be in limp mode as soon as the engine starts here is how. As soon as it starts there will be a slow ratchet sound ( for two seconds) two times. I know it is in limp mode. When it is not there is no ratcheting sound, and when I put it in gear it smooth with that normal solenoid buzz click sound. I have found no bad wires connections, or grounds. Relay is good, I have correct voltage at TCM connector pins 8, 11, 60, 59, 19, 20, 15, 16, 17, 56 but not at 9, 57, 47. Wires for those 3 go to 8 pin connector on the solenoid assembly and test good with ohms. Any Ideas?
Was this
answer
helpful?
Yes
No
Monday, July 17th, 2017 AT 9:33 AM (Merged)
Tiny
KEN L
  • MASTER CERTIFIED MECHANIC
  • 55,281 POSTS
Hello,

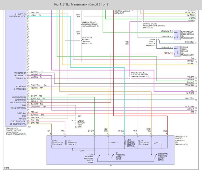
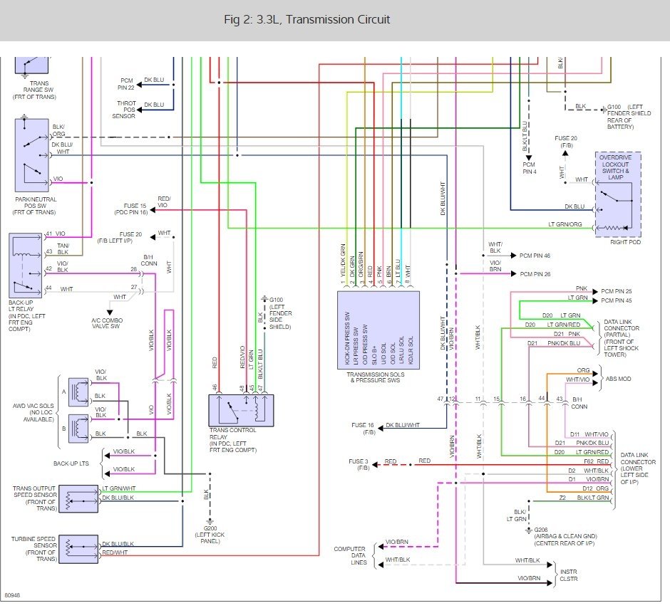
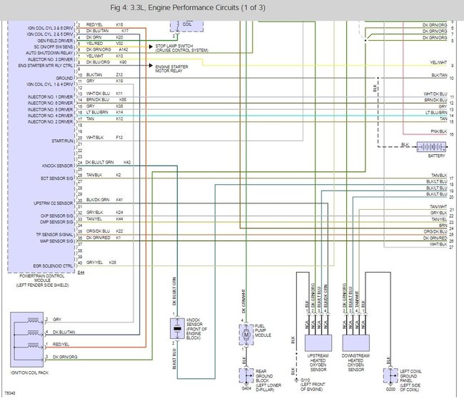
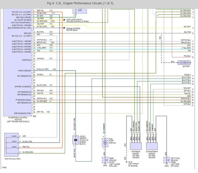
Yep, it could be a speed sensor or the solenoid pack. I have seen failures for both, Here are some diagrams (below) and a guide to give you an idea when changing the sensor.

Please let us know what happens.

Cheers, Ken
Was this
answer
helpful?
Yes
No
+1
Monday, July 17th, 2017 AT 9:33 AM (Merged)
Tiny
A604
  • MEMBER
  • 38 POSTS
I now also have voltage at pins 9, 47, and 57 on tcm connector. So I did a amperage draw test. Pins 19, 20, 59, and 60 which are the solenoids they all fell into spec at 6.75amps. Is there a way to test the two speed sensors with a multimeter?
Was this
answer
helpful?
Yes
No
Monday, July 17th, 2017 AT 9:33 AM (Merged)
Tiny
KEN L
  • MASTER CERTIFIED MECHANIC
  • 55,281 POSTS
Yep here is a guide to help you get the job done.

https://www.2carpros.com/articles/how-to-use-a-voltmeter

Please let us know what you find.

Cheers, Ken
Was this
answer
helpful?
Yes
No
+1
Monday, July 17th, 2017 AT 9:33 AM (Merged)
Tiny
A604
  • MEMBER
  • 38 POSTS
Do you know what they read
Was this
answer
helpful?
Yes
No
Monday, July 17th, 2017 AT 9:33 AM (Merged)
Tiny
KEN L
  • MASTER CERTIFIED MECHANIC
  • 55,281 POSTS
Look for open circuits telling you the component is bad check that first.
Was this
answer
helpful?
Yes
No
+1
Monday, July 17th, 2017 AT 9:33 AM (Merged)
Tiny
A604
  • MEMBER
  • 38 POSTS
Well, circuits are good on both speed sensors. ( From tcm connector to and thru sensors). Not sure what to do next without a scanner?
Was this
answer
helpful?
Yes
No
Monday, July 17th, 2017 AT 9:33 AM (Merged)
Tiny
A604
  • MEMBER
  • 38 POSTS
  • 1995 DODGE CARAVAN
  • 3.8L
  • V6
  • FWD
  • AUTOMATIC
  • 150,000 MILES
I am troubleshooting transmission checking for voltage at TCM connector with a jumper wire at eatx relay I have one to two volts at pressure switch pins 50, 47, and 9. I am supposed to have twelve volts (reference) correct? I do not know what to do next. I have no scan tool, van is in limp mode, no check engine light little.
Was this
answer
helpful?
Yes
No
Monday, July 17th, 2017 AT 9:33 AM (Merged)
Tiny
CARADIODOC
  • MECHANIC
  • 34,463 POSTS
Do you have twelve volts on the jumper wire at the relay socket? If not, check fuse fifteen under the hood.
Was this
answer
helpful?
Yes
No
+1
Monday, July 17th, 2017 AT 9:33 AM (Merged)
Tiny
A604
  • MEMBER
  • 38 POSTS
Also could I get wiring diagram for the ECM
Was this
answer
helpful?
Yes
No
+1
Monday, July 17th, 2017 AT 9:33 AM (Merged)

Please login or register to post a reply.