Saturday, November 20th, 2010 AT 10:52 PM
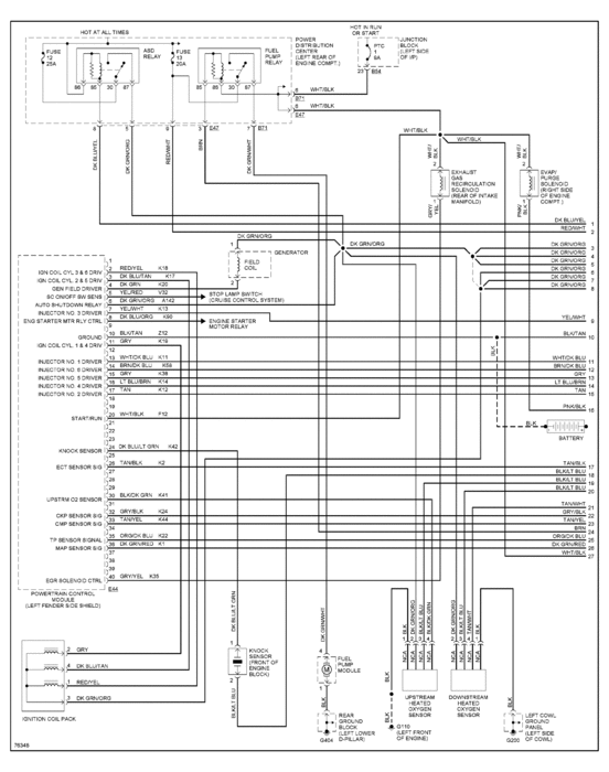
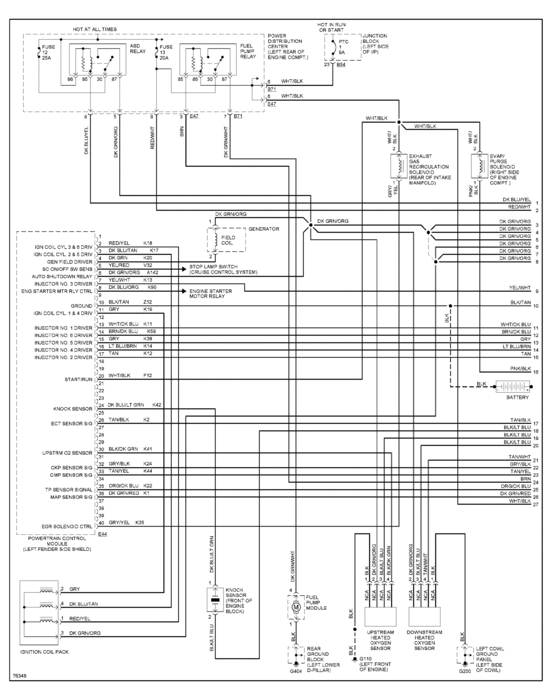
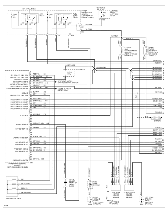
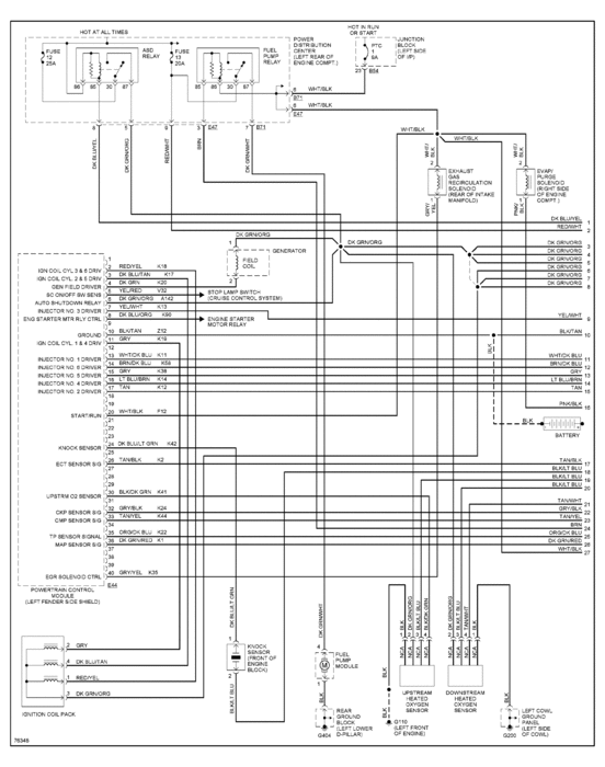
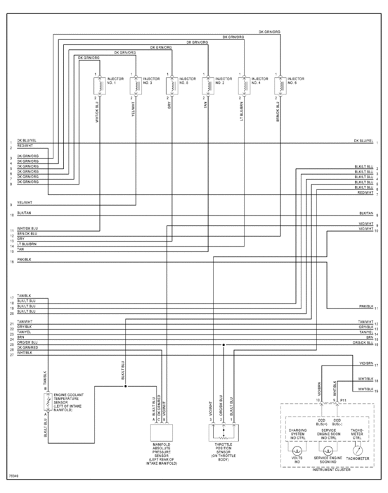
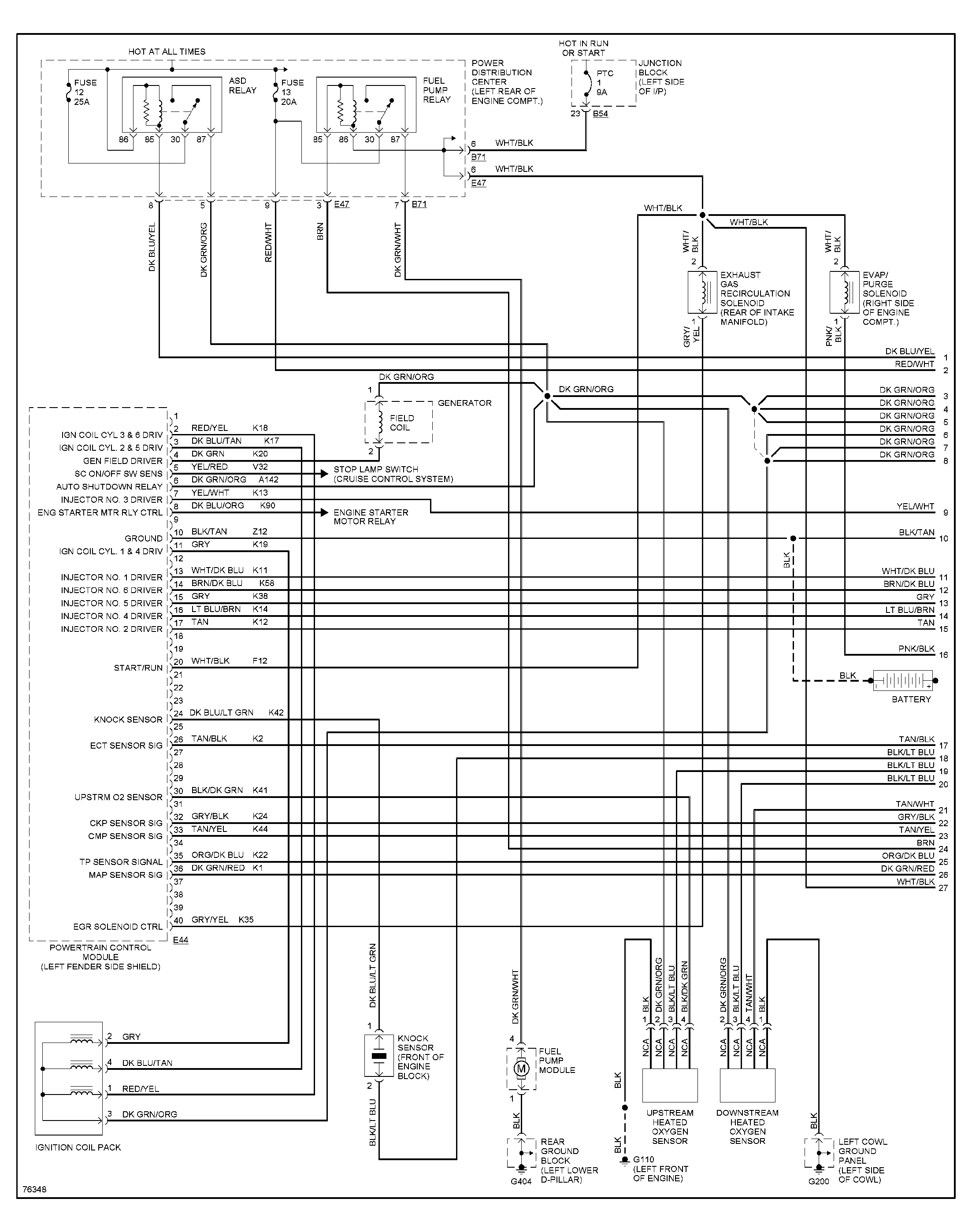
Have 1996 dodge caravan 3.8L with no spark. Ignition have to wiggle key to turn tumbler, but it will turn over just no spark. Have replaced crank shaft position sensor, cam position sensor, PCM computer, cleaned all the ground terminals, checked all fuses but nothing. While cranking I have 12 volts going to plug to coil pack. But not the flashing rounds that I was told I should have. Just got PCM from Autocomputerexchange but nothing. Can it have something to do with the actuall ignition switch? Like some security feature? I am at a loss.





