Windshield wiper randomly stops working?

Tiny
PHOTOG7
  • MEMBER
  • 2003 HONDA ACCORD
  • 3.0L
  • V6
  • 2WD
  • AUTOMATIC
  • 90,000 MILES
When the wiper has been on for a bit (over 10 minutes) I notice it sometimes would stop working. I'd have to turn it on/off and mess with it before it works again for a little. What can the issue be? I was thinking about replacing the motor.
Tuesday, August 3rd, 2021 AT 4:55 PM

2 Replies

Tiny
JACOBANDNICKOLAS
  • MECHANIC
  • 110,192 POSTS
Hi,

It could be the motor is overheating. What I suggest is this: When it stops working, check to see if it is still getting power. If it gets power and doesn't run, then replace the motor. If there is a loss of power, then we need to work backward.

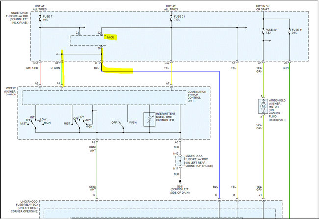
I attached the wiring schematic below for your reference. It covers the wiper/washer system.

First, when they stop with the switch still on, go to the motor and check the blue wire (low speed) for power and then the yellow wire (high speed) for power. The green wire should have power all the time if the key is in the on position.

Now, if they all work, then confirm continuity to ground via the black wire. If you have that, then we need to check the blue wire from the MICU (multiplex integrated control unit) and the green wire with a white tracer from the multi-function switch. Note, there is a black wire there for ground. It too should be checked to see if there is continuity to ground.

I realize this may sound confusing. Please let me know if you have questions or need help.

Here is a link you may find helpful when testing wires and connectors:

https://www.2carpros.com/articles/how-to-check-wiring

I don't think it is a fuse issue because it starts working again unless it is loose or corroded. I suspect it is a weak connection or corrosion causing the problem. So, make sure to check the connectors when you disconnect them. One other thing. Does the wiper washer stop working as well?

Take care,

Joe

See pics below.
Was this
answer
helpful?
Yes
No
Tuesday, August 3rd, 2021 AT 10:10 PM
Tiny
STEVE W.
  • MECHANIC
  • 15,682 POSTS
Two possible reasons would be the overheating Joe covered while another could be an issue with the motor itself just being worn. These are a brushed motor and depending on use they can stop making contact.
Was this
answer
helpful?
Yes
No
Wednesday, August 4th, 2021 AT 12:55 PM

Please login or register to post a reply.