Thursday, August 13th, 2009 AT 9:53 PM
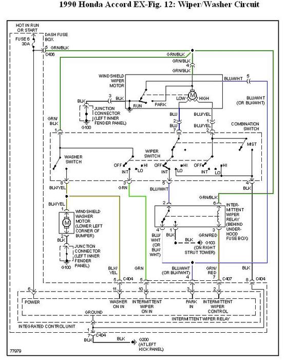
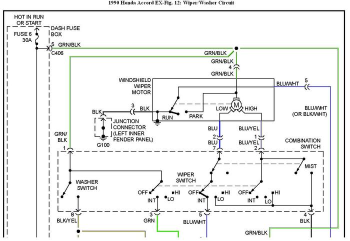
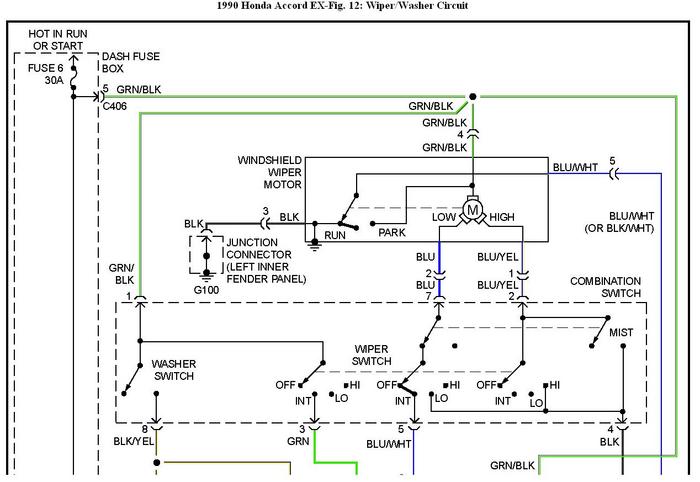
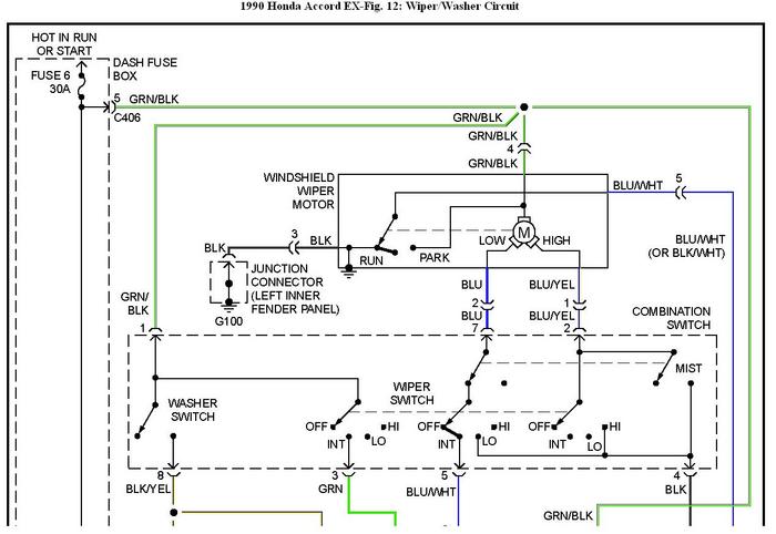
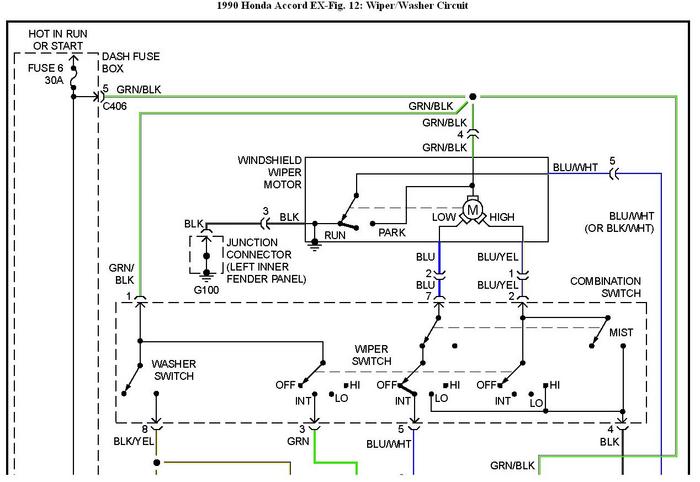
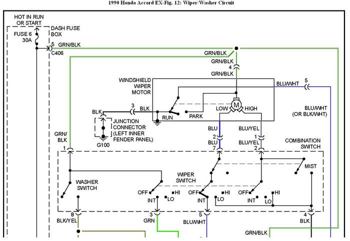
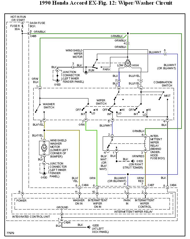
The windshield wipers only work if I hold the lever down (lever goes up or down for manual wiper movement and gets turned forward and backwards for intermittent setting). The intermittent setting does not work anymore. How do I fix it? Please help driving in the rain gets extremely annoying. Thanks



