Hi Cheryl
Is the part you are talking about the #1 red arrow in the pic above? Is this the bushing you are talking about or where it goes?
I have looked in two different manuals no bushings
Depending on how it is worn (if you can take a pic so I can see it better) it may be better to replace the linkage. I show the dealer is about $78 for the linkage.
I have attached info on how to remove..does this help?
Again, in my experience if it is stripped where I think it is, the linkage needs to be replaced. You don't want this going bad on you during a rain storm.
Last, it looks like you may have some recalls on your vehicle. The dealer may fix these for free. Please contact the dealer service department, give them the VIN number of your car and have them check on these to see if they apply to you. I have attached them at the very bottom.
Open the hood, and remove the cap nuts and wiper arms. NOTE : Remove the wiper arms carefully without damaging the hood.

Remove the hood seal and air scoop by prying out their trim clips.

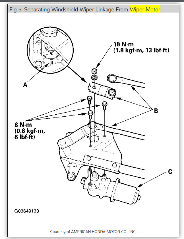
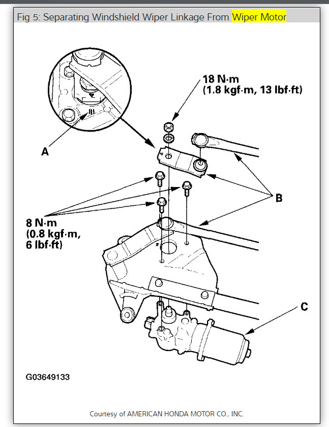
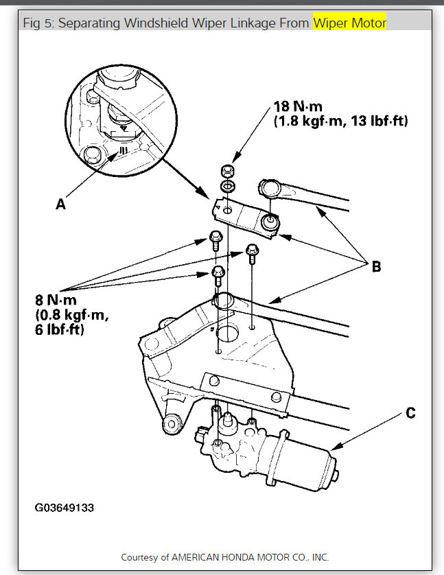
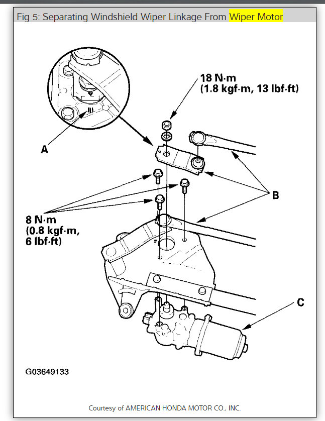
Disconnect the 5-P connector from the windshield wiper motor.
Remove the wiper linkage assembly by removing the three mounting bolts.

Remove the three mounting bolts and the nut from the wiper linkage to remove the windshield wiper motor.
Install the windshield wiper motor in the reverse order of removal.

Install the windshield wiper arms as shown.


Tuesday, August 13th, 2019 AT 6:27 PM
(Merged)