Windshield wipers not working there is no fuse?

2008 DODGE RAM
3,000,000 MILES • 5.7L • V8 • 4WD • AUTOMATIC
Avatar
SWEATHERRED
  • MEMBER
  • 1 POST
There is no fuse in the integrated fuse box labeled for wipers per the owner's manual. and I can't find the relay it is not in the box. I have not located it under the dash but could be there. I don't even know what it looks like, is it a little black box. The mechanic told me there should be a fuse also so the relay wouldn't blow? Sorry so long.
Oct 27, 2020 at 8:22 AM
Advertisement
Avatar
STEVE W.
  • CAR REPAIR CONTRIBUTOR
  • 15,148 POSTS
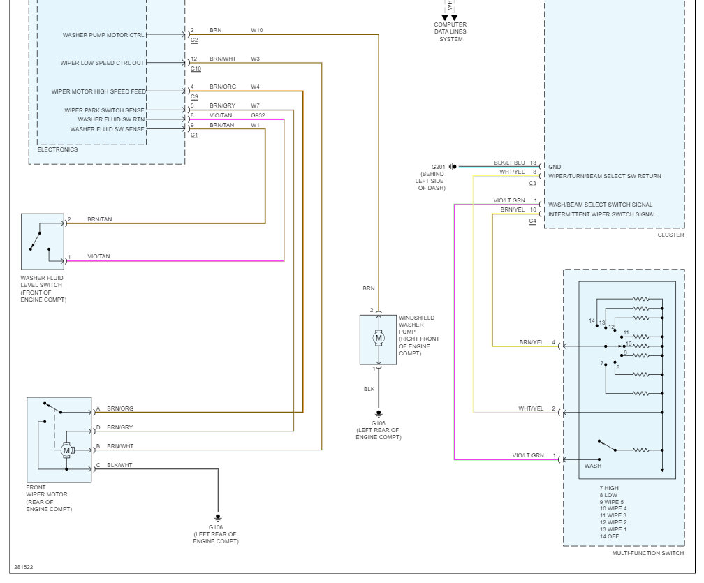
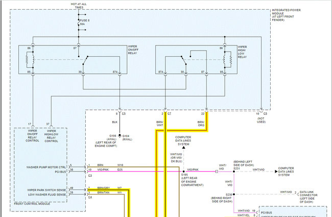
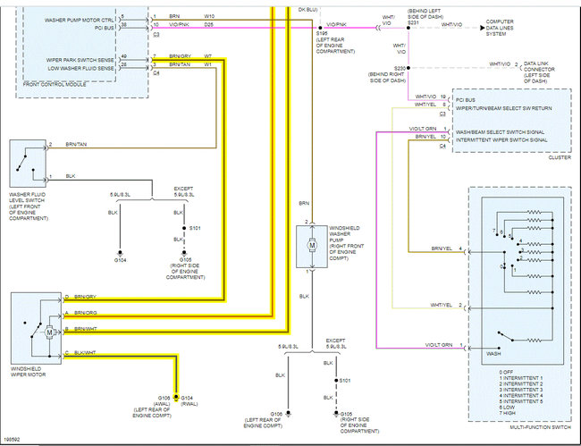
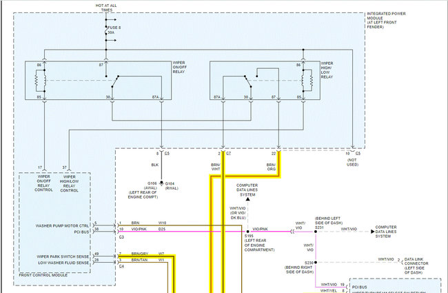
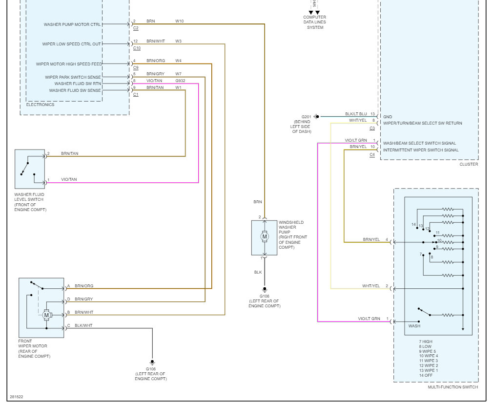
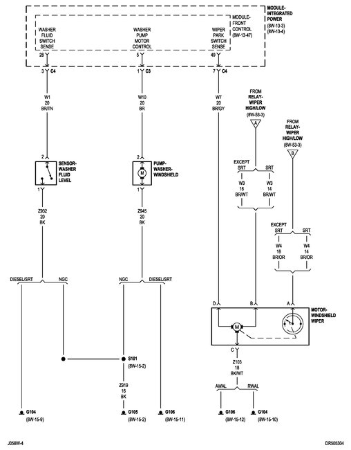
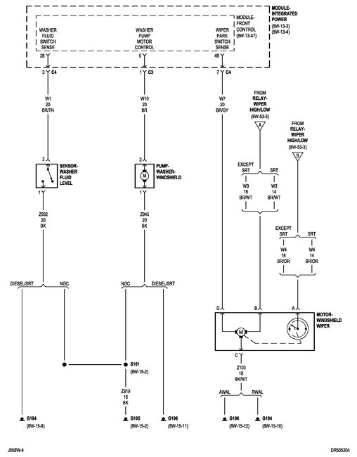
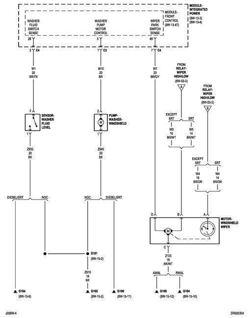
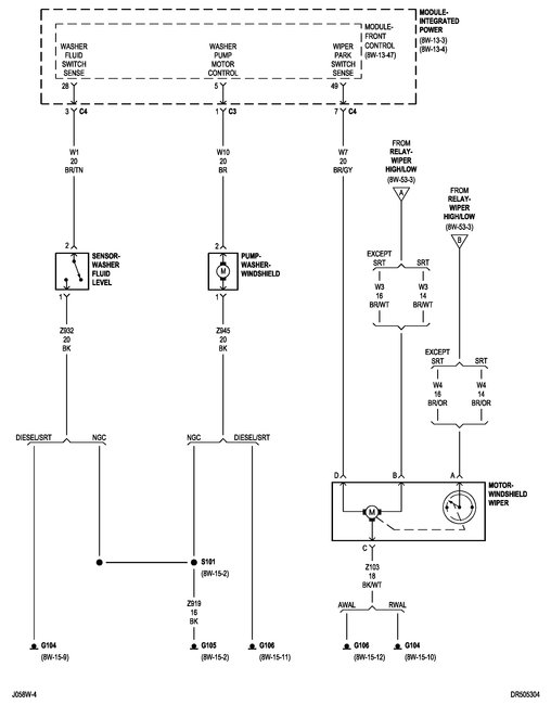
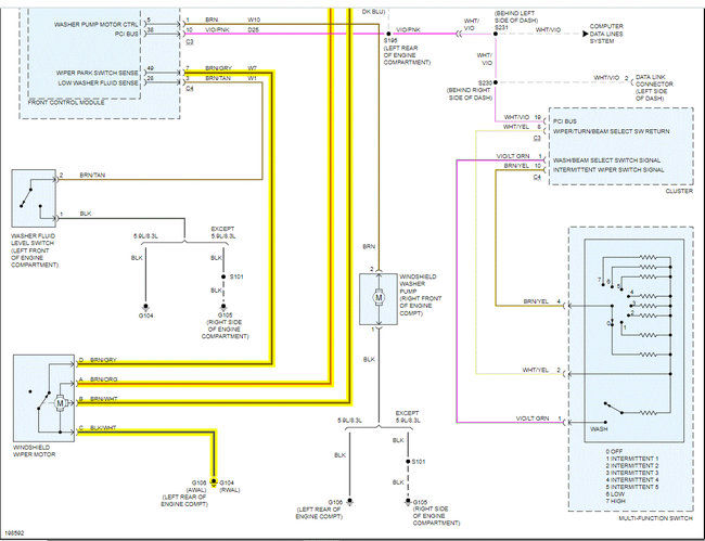
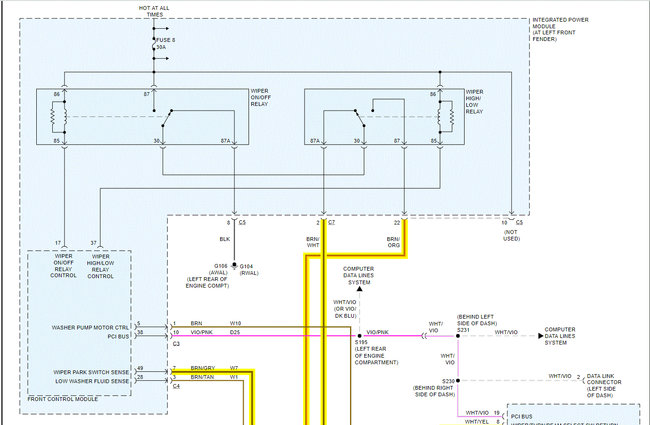
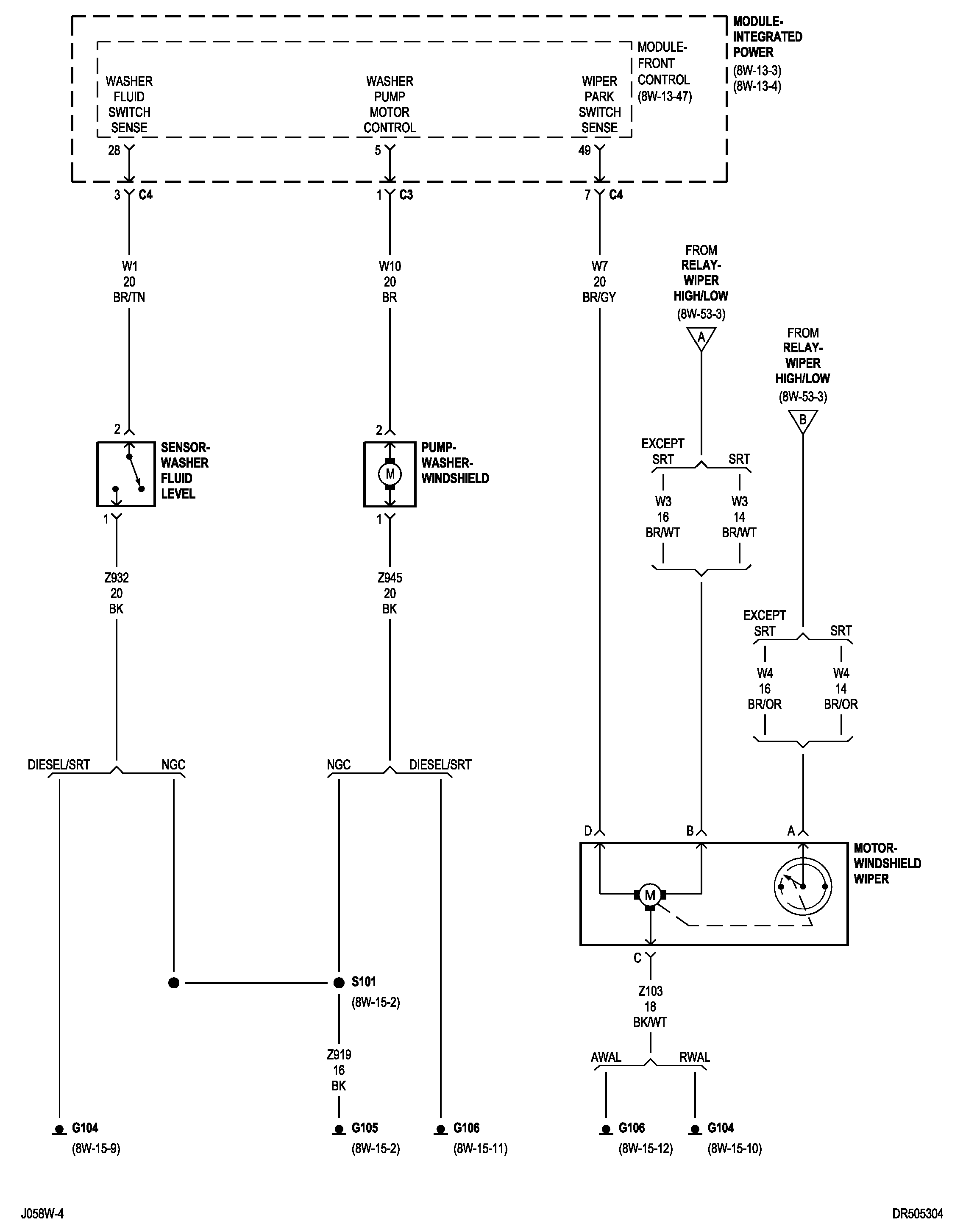
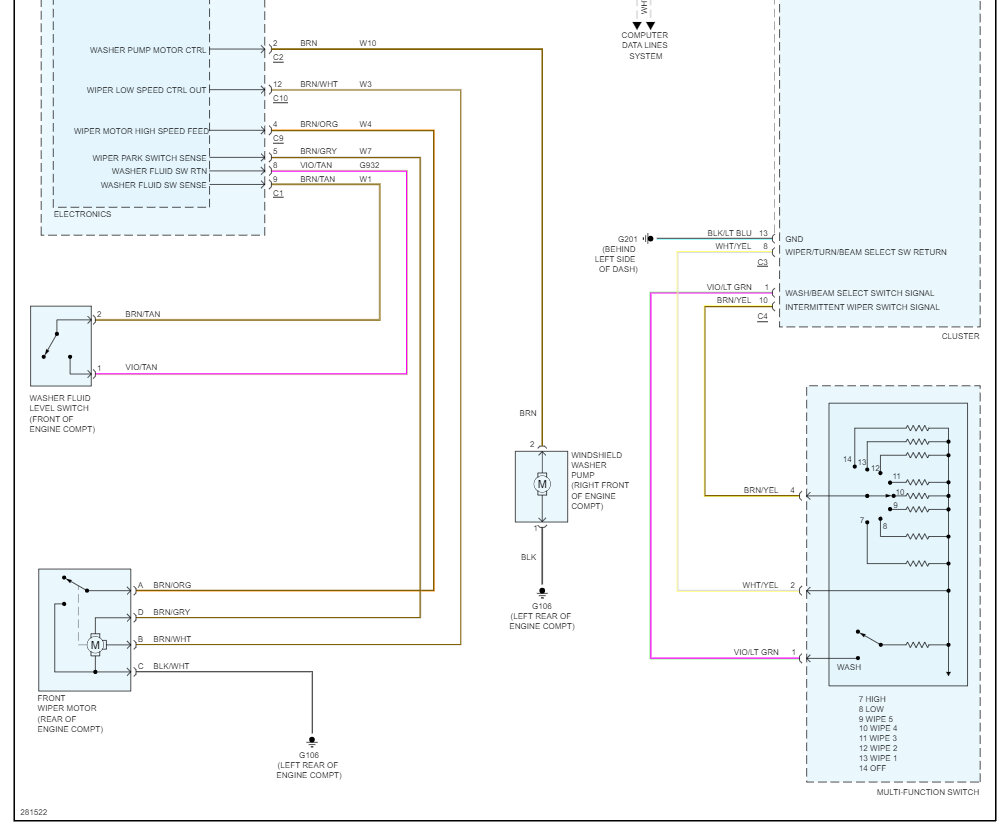
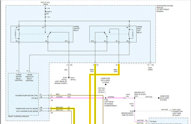
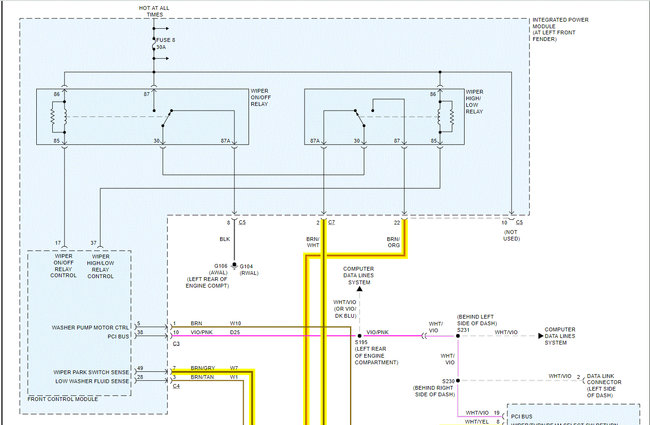
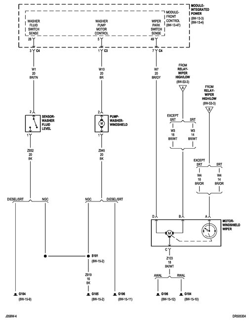
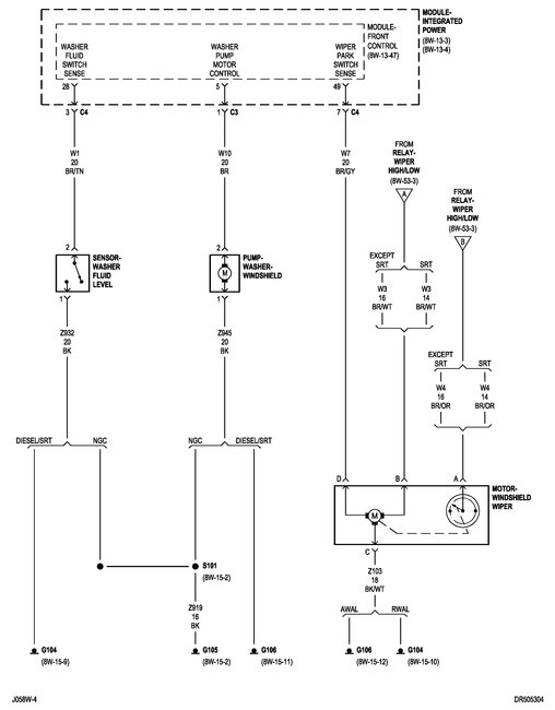
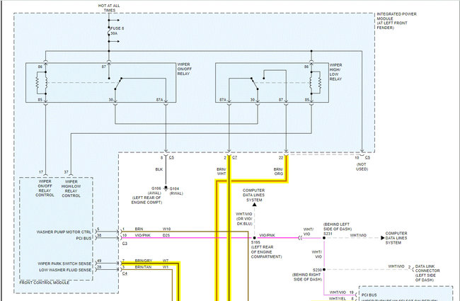
The wiper fuses is #2 - 20 amp in the TIPM. What is the issue you are having? Unfortunately if it is no wipers and the fuse is good but the washer does not work it is likely that the internal board of the TIPM has failed. To repair that you replace the TIPM. Check out the diagrams (Below). Please let us know what happens.
Oct 27, 2020 at 5:32 PM
Advertisement
Avatar
BLACKGOAT1966
  • MEMBER
  • 1 POST
the wipers only work on the high side and run really slow.Low and the delay don't work at all .I have replace the wiper motor and the switch in the steering column and still have the same problem?
Apr 12, 2021 at 12:22 PM (Merged)
Avatar
CARADIODOC
  • CAR REPAIR CONTRIBUTOR
  • 34,308 POSTS
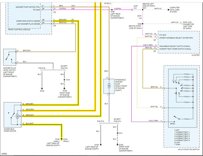
Your wipers are controlled by a TIPM. You can check the connector pins for corrosion, but chances are you'll need a new unit. Check out the diagrams (Below). Please let us know what you find.
Apr 12, 2021 at 12:22 PM (Merged)
Avatar
CATES911
  • MEMBER
  • 1 POST
Sometimes it seems when the weather is cold, that the wipers will not work at all. doesnt matter what setting(low, intermittant, or hi) this could go on for a couple hours(of not working) to a couple days, then all of a sudden they will work fine.

any thoughts?
Apr 12, 2021 at 12:22 PM (Merged)
Avatar
JACOBANDNICKOLAS
  • CAR REPAIR CONTRIBUTOR
  • 110,190 POSTS
Hi,

If the start working again, it wouldn't be a fuse. Since it happens when it's cold, I suspect you have a connection issue. However, let's start by checking the wiper relays.

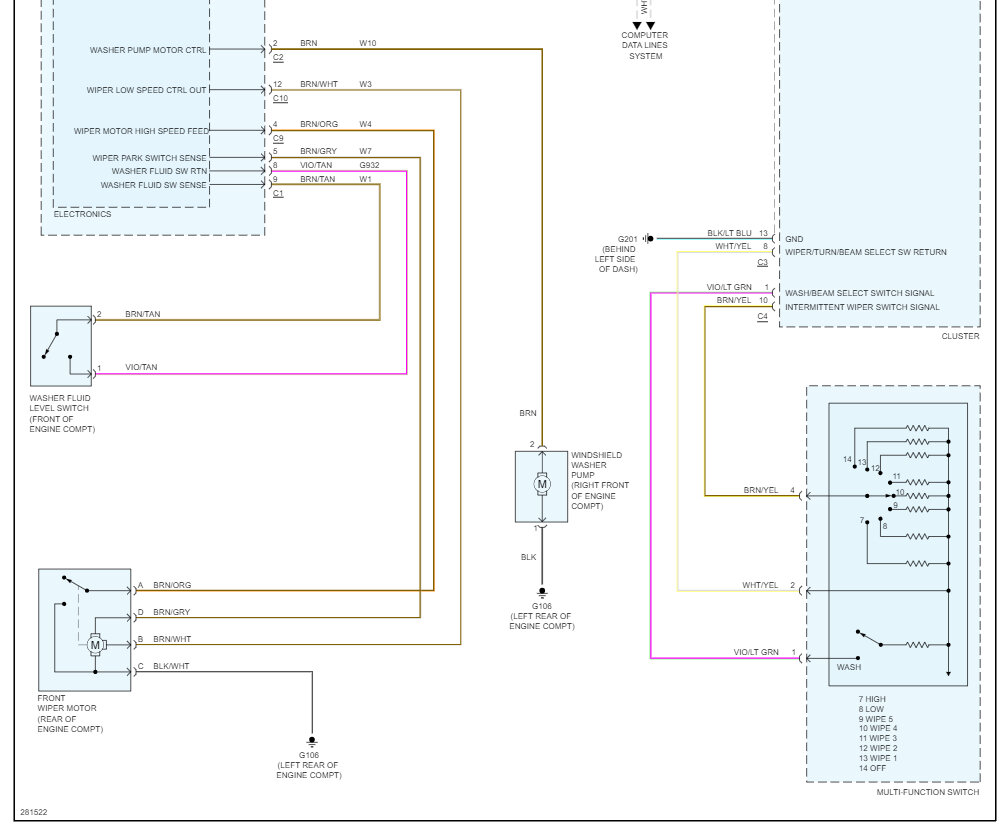
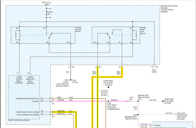
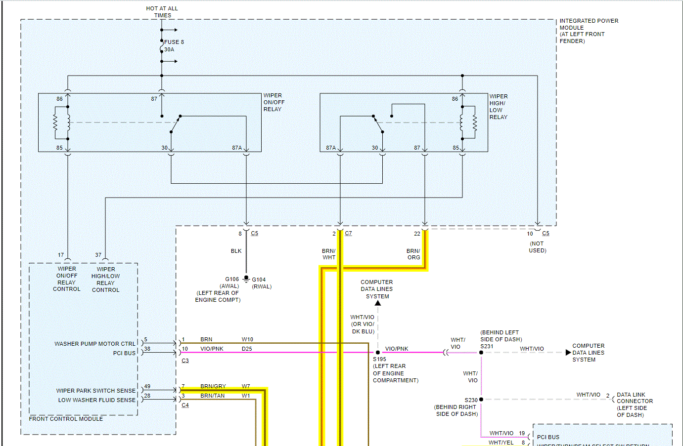
If you look at pics 1 and 2 below, I included the entire wiring schematic for the wiper system. I need you to locate and check the wiper relays in the underhood fuse box. First, remove the relays and check for corrosion where the connection is made. Also, make sure none of the pins are pushed in or damaged.

If everything looks good, see if there is another relay in the box with the same part number and switch them. Do this when the wipers are not working to see if it makes a difference. If you look at pic 3 below, it shows the relays to check (highlighted).

If there are no relays that are the same, here is a link that shows how to check one:

https://www.2carpros.com/articles/how-to-check-an-electrical-relay-and-wiring-control-circuit

Next, at the rear of the engine (driver's side) is a black wire which is ground. Check to make sure it is clean and tight, free of corrosion. Note: That ground is for both the relay and the motor. If it looks corroded or rusty, remove it, inspect the connector, and clean the surface where it mounts to get a good ground.

Start with this. If you find the relays make no difference, we will then need to check the wiring from the integrated power module.

Let me know what you find or if you have other questions.

Take care,

Joe

See pics below.
Apr 12, 2021 at 12:22 PM (Merged)
Avatar
DOG07
  • MEMBER
  • 1 POST
My wipers quit working. I changed the wiper motor and multi-function switch, checked the fuses and relays and tested for power. I have power going to the motor and the switch, but nothing happens when I turn them on. Out of ideas!
Apr 12, 2021 at 12:22 PM (Merged)
Avatar
JACOBANDNICKOLAS
  • CAR REPAIR CONTRIBUTOR
  • 110,190 POSTS
Hi and thanks for using 2CarPros.com.

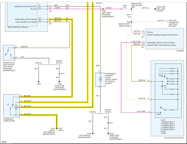
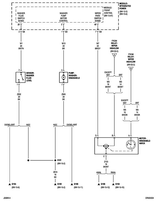
If you have power to the motor, it can only be a few things. Either the new motor is also bad (which is unlikely), you do not have a ground or the totally integrated power module (TIPM) is bad. I have attached a wiring schematic. You will see that power to the motor comes from the TIPM. It is not uncommon for you to show power when checking with a volt meter or test light. However, when a load is placed on the TIPM, it fails. What happens is there are several tiny pin connectors which corrode and break or lose a good connection. That is when the problems start. It is not the greatest design.

When you check for power to the wiper motor, probe the wire and check if the voltage drops. If it does, check for connection issues or a bad ground.

The grounds related to the motor are G104 and G106. I attached a picture of their locations. G104 is in the left front of the engine compartment and G106 is located in the left rear of the engine compartment.

I hope this helps. Let me know if you have other questions.

Joe

Apr 12, 2021 at 12:22 PM (Merged)
Avatar
PARKEY1
  • MEMBER
  • 1 POST
my wipers do not work, but the fuse is good on my thank you.
Apr 12, 2021 at 12:23 PM (Merged)
Avatar
JACOBANDNICKOLAS
  • CAR REPAIR CONTRIBUTOR
  • 110,190 POSTS
You first should check to see if there is power to the wiper motor. If you do, the motor is either bad or has bad ground. If there is no power, follow the power supply from the motor back to the switch to ensure there are no broken wires. If all is good, check the switch (multi function) on steering. Make sure there is power to it. If there is and none out, the switch is bad.
Apr 12, 2021 at 12:23 PM (Merged)
Avatar
CHUCKABUTTY
  • MEMBER
  • 5 POSTS
The windshield wiper acts up on the intermittent setting. It works fine on continuous wipe, both low and high speed. When the wiper is turned on the first position is intermittent. It is then that the wiper blades will rise to the vertical position and sit there. Several seconds later they will go right down and then back up just a couple of inches. Then this pattern continues, each time going through the same amount of time but stopping in a different place each time. I'm guessing that there is an intermittent relay at fault. If this is so, where will I find the controller, please?
Apr 12, 2021 at 12:23 PM (Merged)
Avatar
SCLANG
  • MEMBER
  • 2 POSTS
I am having the exact same problem with my 2001 Ram 1500 V8 5.2 with 61K miles and have been told it was the wiper motor? I have also been told it may have been a central timer module? So, my question is which one would it be and if its the central timing module where is it located?
Apr 12, 2021 at 12:23 PM (Merged)
Avatar
CHUCKABUTTY
  • MEMBER
  • 5 POSTS
[quote:23d3fa0b53="sclang"]I am having the exact same problem with my 2001 Ram 1500 V8 5.2 with 61K miles and have been told it was the wiper motor? I have also been told it may have been a central timer module? So, my question is which one would it be and if its the central timing module where is it located?[/quote:23d3fa0b53]

I replaced the motor and it's fine, now. It cost me $82.17 for the motor and it took about 30 minutes to replace it. Easy job. The guy I bought the truck from told me that he remembered trying to clear the windshield of frost and snow. The blades were stuck to the glass but it kept trying even after he turned off the ignition, and damaged the park switch which is built in to the motor.
Apr 12, 2021 at 12:23 PM (Merged)
Avatar
SCLANG
  • MEMBER
  • 2 POSTS
Thanks

Will try changing wiper motor!
Apr 12, 2021 at 12:23 PM (Merged)
Avatar
TAMMY THOMPSON
  • MEMBER
  • 1 POST
Need to know what I can do to see why my windshield wipers are not working? I was recently driving in the rain when the windshield wipers stopped working. They just stopped upright on the windshield. I tried turning the switch off and on and they would not work. Also, I tried the washer/rinser switch and that worked. Is it the motor or did something short out in the rain? I do not know what is wrong with it.
Apr 12, 2021 at 12:23 PM (Merged)
Avatar
RLEE12
  • MEMBER
  • 0 POST
Get a new wiper motor relay cost $34.00 allset
Apr 12, 2021 at 12:23 PM (Merged)
Avatar
BIGJON73
  • MEMBER
  • 1 POST
the wipers were working fine and than they just quit. i checked the fuse and found it was blown so i replaced it but it had blown that one to just as i tried the wipers again.
Apr 12, 2021 at 12:24 PM (Merged)
Avatar
JACOBANDNICKOLAS
  • CAR REPAIR CONTRIBUTOR
  • 110,190 POSTS
Hi:
Disconnect the power supply to the motor and try a new fuse to see if it blows without the motor being connected. If it doesn't, chances are it's the motor. If it does, there is most likely a short in the steering column.

Let me know what you find.

Joe
Apr 12, 2021 at 12:24 PM (Merged)
Avatar
ROBERT VIVENZIO
  • MEMBER
  • 2 POSTS
Last winter I turned on my wipers when there was too much snow on the windshield. The wipers stopped working, I checked the fuse and it was blown. I replaced the fuse and turned on the wiper, leading to the fuse being blown again. What is the likely cause of this issue? Could it be my wiper motor? What steps should I take to identify and resolve the issue? Thanks
Apr 12, 2021 at 12:29 PM (Merged)
Avatar
MERLIN2021
  • CAR REPAIR CONTRIBUTOR
  • 17,250 POSTS
WIPER FUSE BLOWS Disconnect wiper motor. If fuse does not blow, replace wiper motor. If fuse blows, check wiper switch or wiring.
Apr 12, 2021 at 12:29 PM (Merged)
Avatar
ROBERT VIVENZIO
  • MEMBER
  • 2 POSTS
Disconnect power line to motor? Where is the motor located? Thanks again for the help.
Apr 12, 2021 at 12:29 PM (Merged)
Avatar
MERLIN2021
  • CAR REPAIR CONTRIBUTOR
  • 17,250 POSTS
Follow these steps to expose the motor, then unplug it, some have a connector at the firewall on the drivers side you can unplug that if it's there.
FRONT WIPER MOTOR Removal & Installation 1. Disconnect negative battery cable. Remove wiper arms. Remove weatherstrip along front edge of cowl. Release plastic anchor screws. Lift cowl grille from vehicle. Remove washer hose from "Y" fitting. Set grille aside. 2. Remove wiper linkage mounting bolts. Turn linkage over and unplug harness connector from wiper motor. Remove crank arm from drive link by prying retainer bushing from crank arm pin with a screwdriver. 3. Remove wiper motor mounting screws. Remove nut attaching crank arm to motor drive shaft. Remove wiper motor. To install, reverse remove procedure. Using channel lock pliers, snap drive link retainer bushing onto crank arm pin.
Apr 12, 2021 at 12:29 PM (Merged)
Avatar
THRASHER1
  • MEMBER
  • 2 POSTS
My son and I are rebuilding the truck listed above 1500. The wipers have quit working completely. We've replaced the wiper motor, and the relay. It will run without the wipers attached, but very slow, when you attach the wipers, nothing. The delay relay gets hot to the touch. Any thoughts?
Apr 12, 2021 at 12:29 PM (Merged)
Avatar
ASEMASTER6371
  • CAR REPAIR CONTRIBUTOR
  • 52,796 POSTS
Good afternoon,

I would first test the battery. Low voltage will cause this exact issue.

https://www.2carpros.com/articles/car-battery-load-test

https://www.2carpros.com/articles/how-a-car-electrical-system-works

Do you have a voltmeter or test light to do some checks?



Roy
Apr 12, 2021 at 12:29 PM (Merged)
Avatar
THRASHER1
  • MEMBER
  • 2 POSTS
I don't. But I'll pick one up tomorrow and start testing. Thanks for the diagram.
Apr 12, 2021 at 12:29 PM (Merged)
Avatar
ASEMASTER6371
  • CAR REPAIR CONTRIBUTOR
  • 52,796 POSTS
You are welcome.

Keep us updated.

Roy
Apr 12, 2021 at 12:29 PM (Merged)
Avatar
NIGHTOWL223
  • MEMBER
  • 13 POSTS
Hello, This is an old beat-up D250 farm truck, so I don't want to do anything other than mount a 3 way switch to run the wipers on low & high. Wiper motor works when power is put to it, and I have checked for bad fuses/relays, etc. There is a plastic relay of some kind I removed from the wiper motor. I also have my son's 1986 Lebaron Town & Country with the same issue. I have included pics of: 1) & 2) the motor from the Town & Country, where pins are, where relay(?) was removed. 3) the plastic relay(?) from the T&C's wiper motor 4) the same relay(?) from the D250 truck. The truck's relay(?) does not have the melted resin the T & C does, but does have a small burn mark in the housing on the lower right (of the picture) corner of the resin-covered opening. Whatever this plastic part is, the people at the parts store said it was a dealer-only part, and the dealership said it was a discontinued part. If this is a typical failure in the part, I don't want to get more from a junkyard that will likely just go bad within a short time... Question 1 - is this an actual relay, or something other? Question 2 - is there any harm in running a 3-way switch to operate the wipers? Question 3 - any suggestions as to which pins to run power to in order to get the most benefit from the 3-way switch? I would assume (dangerous, I know) that, of the 3 pins that are not grounds, one would be intermittent, one would be low, and one would be high. With a 3 way switch, bypassing the relay(?), am I right that the intermittent setting would not work as such? Any other suggestions would also be appreciated.


https://images.2carpros.com/forum/automotive_pictures/310608_003_1.jpg


https://images.2carpros.com/forum/automotive_pictures/310608_004_1.jpg


https://images.2carpros.com/forum/automotive_pictures/310608_005_1.jpg


https://images.2carpros.com/forum/automotive_pictures/310608_006_1.jpg

Apr 12, 2021 at 12:30 PM (Merged)
Avatar
KHLOW2008
  • CAR REPAIR CONTRIBUTOR
  • 41,814 POSTS
Hi nightowl223, Thank you for the donation. I have attached a wiring diagram for your understanding of the circuit.


https://images.2carpros.com/forum/automotive_pictures/192750_WiperMotor86DodgeCabD250_1.jpg


https://images.2carpros.com/forum/automotive_pictures/192750_WiperMotorDia86DodgeCabD250_1.jpg

The relay that you have removed should be the intermittent relay. What is the problem with the wiper functions? Did you test if there is power supply from the switch when wiper is operated?
Apr 12, 2021 at 12:30 PM (Merged)
Avatar
NIGHTOWL223
  • MEMBER
  • 13 POSTS
I wasn't driving it when it happened, but, as it was described to me, during a rain they were in use and behaving as normal at first. They slowly started operating as if they were on intermittent, which continued until the switch had to be put on high to even get them to operate every 30 seconds or so, and they eventually, over about ten minutes, stopped working all together, and even refused to go to the park position.
We checked fuses, checked for power to the switch, power to the motor, etc. We didn't use a voltmeter, just a test light, but there was power through the whole system until it got to the motor. We bypassed the relay with a temporary hot wire to test the motor, and it operated. So, unless we missed something painfully obvious, we came to the conclusion that the relay had to be at fault. Which, as I said, can't be bought new anymore.
If we missed something, please tell us what it might be, and if our plan to bypass the relay will work. It's a great farm truck, and we don't want to have to park it when there's rain...
Apr 12, 2021 at 12:30 PM (Merged)
Avatar
KHLOW2008
  • CAR REPAIR CONTRIBUTOR
  • 41,814 POSTS
It is possible to rewire as you suggested without the intermittent mode but it will not stop in the parked position automatically. This is controlled by the intermittent mode. I need to know more to understand what the problem might be and then only would I be able to tell if rewiring is going to work.

Were you able to inpect the relay components?

When you applied direct voltage, was the wiper speed fast or slow? Whch terminal did you apply the voltage? Refer to identification in diagram.
Apr 12, 2021 at 12:30 PM (Merged)
Avatar
NIGHTOWL223
  • MEMBER
  • 13 POSTS
We couldn't run the hot wire while the motor was installed because of lack of access. We jumped a hot wire from the pin labeled P1 to the one labeled H in the diagram you put up. It operated, but we couldn't tell whether it was "high" or "low". We stopped at that point, and didn't try any other combinations. Should we have?
Apr 12, 2021 at 12:30 PM (Merged)
Avatar
NIGHTOWL223
  • MEMBER
  • 13 POSTS
also, I included an (admittedly fuzzy) pic of the relay, which is the bottom one. As far as inspecting it, the only defect we could see visually is the small burnt/melted spot at the bottom right of the resined-over opening. The other relay pictured is from my son's project, an "86 Town & Country station wagon with the same issue. It has the resin melted almost completely away.
Should we check continuity through the relay's pins?
Apr 12, 2021 at 12:30 PM (Merged)
Avatar
KHLOW2008
  • CAR REPAIR CONTRIBUTOR
  • 41,814 POSTS
The relay is an "A" relay meaning if powered it would contact and have continuity between 2 terminals and when not powered, it would have continuity between another 2 points. You should check for continuity.
Apr 12, 2021 at 12:30 PM (Merged)
Avatar
NIGHTOWL223
  • MEMBER
  • 13 POSTS
I can find no continuity from any pin to any other pin in any combination on either the truck's or the T & C's relay. Do I assume that mean the relay itself is the issue in this case?
Apr 12, 2021 at 12:30 PM (Merged)
Avatar
KHLOW2008
  • CAR REPAIR CONTRIBUTOR
  • 41,814 POSTS
The problem described and test results provided rules out power supply fault. However the diagram shows that the high and low speed should be working even if the relay is faulty. Only fault would be the intermittent speed and return to park.

It looks more likely to be a fault with the motor or the circuit plate for power supply to the armature. It could be working and after sometime when the contact heats up, the motor won't work when continuity fails. The melted plastic is proof of the overheating. Another problerm could be the wiper linkages that are stilff and it is causing the motor to heat up and stop after some time.

If power is available, then a 3 way switch is not going to be any help. You need to modify the wires to bypass the relay. However if the motor is at fault, this modification would not work as well. You might have to look for a replacement motor assy. If the part is not available, modification with another make or model might be the only option. With direct power supply, run the motor for a longer period to rule out the motor faiult before doing any rewiring.
Apr 12, 2021 at 12:30 PM (Merged)
Avatar
NIGHTOWL223
  • MEMBER
  • 13 POSTS
Do you know of, or know where I could find, listings of interchangeable years' models, or ones that wouldn't take much modification? Where it might just take modifying the mounting brackets slightly, I hope?
Any suggestions would be helpful. Thanks!
Apr 12, 2021 at 12:30 PM (Merged)
Avatar
KHLOW2008
  • CAR REPAIR CONTRIBUTOR
  • 41,814 POSTS
Sorry I do not have personal experience with modifications with this model so am not able to provide any models that might be interghangeable.

If you do know of any scrap yards, maybe you can try asking them. Likewise you can try the local parts outlets for an idea.
Apr 12, 2021 at 12:30 PM (Merged)
Avatar
NIGHTOWL223
  • MEMBER
  • 13 POSTS
I was hoping there were websites out there that listed interchangeable parts, rather than trusting the junkyard's opinion - our local one isn't exactly run by Einstein...
But thank you very much for your time anyway.
Apr 12, 2021 at 12:30 PM (Merged)
Repair Safety Notice: This information is for general instructional purposes only. Vehicle repair can be dangerous. Verify all information, follow manufacturer service procedures, use proper tools and safety equipment, and consult a qualified repair shop when needed.