Monday, June 2nd, 2025 AT 9:34 PM
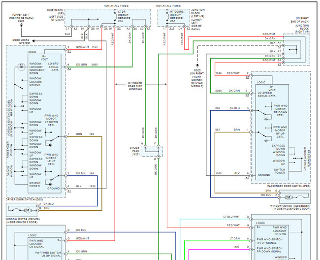
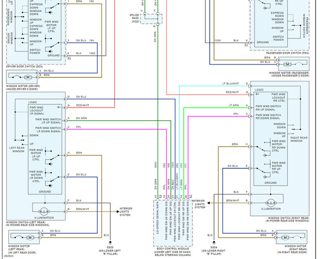
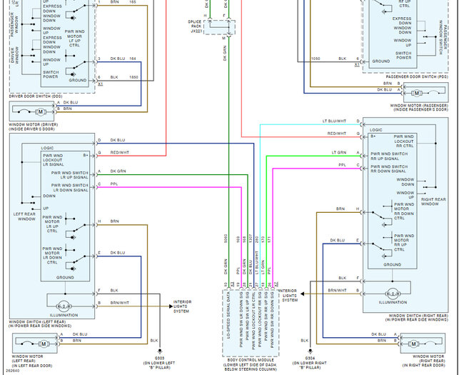
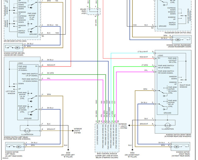
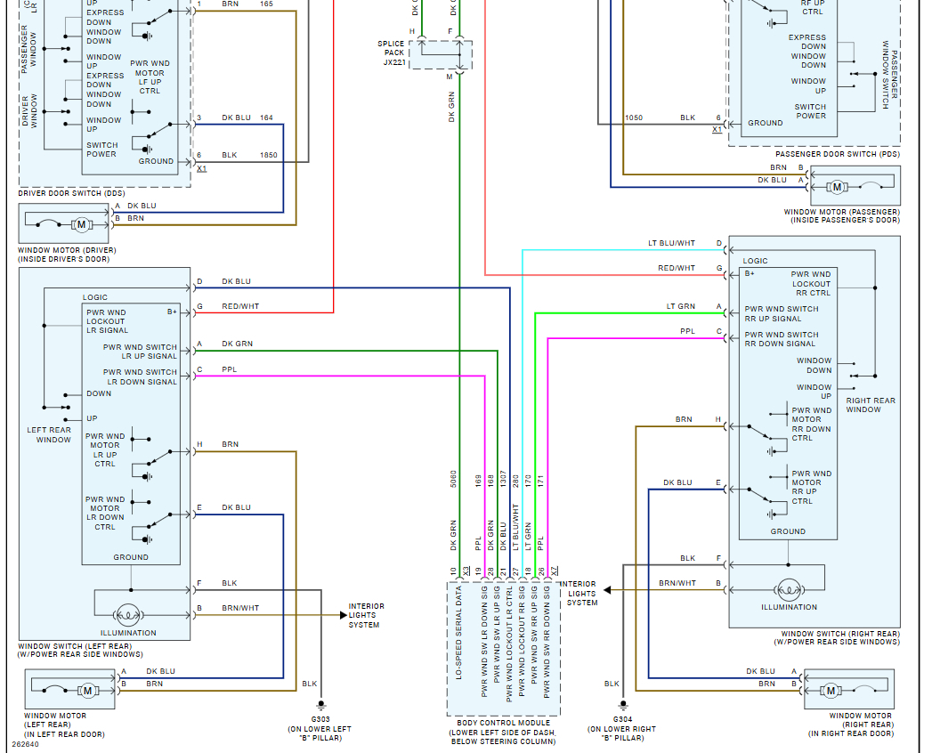
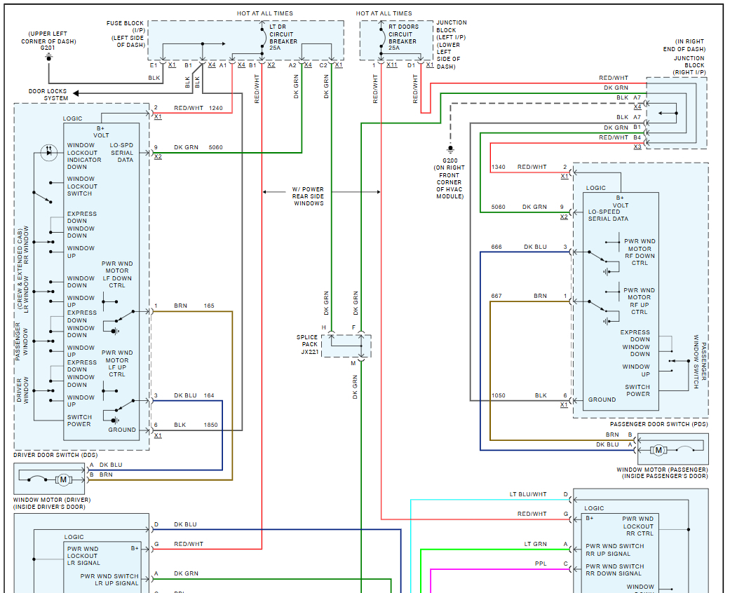
My back right power window was only going down at the door but not back up and I could only roll it up at the master but not down. So, I replaced the switch. Now it will work at the door up and down and not all at the master switch. Can you give me the wiring diagram for these windows?


