When I turn the key, nothing happens? No starter operation

Tiny
SHADETREEDAD
  • MEMBER
  • 2005 CHEVROLET EQUINOX
  • 3.5L
  • 6 CYL
  • 2WD
  • AUTOMATIC
  • 187,000 MILES
I looked at your site and found you had answered John regarding a starting issue. I have checked the ground and positive wiring and have good connections. I have checked all fuses. I replaced the starter relay, starter, ignition switch module as well as the neutral safety switch.
When I turn the key, nothing happens. In checking the purple wire going to the starter I have no power there when the ignition is turned on. All fuses in the engine compartment check ok and have power but I have no power going to the 10amp start fuse. (Checked both sides)
Sunday, December 3rd, 2023 AT 6:36 PM

5 Replies

Tiny
KEN L
  • MASTER CERTIFIED MECHANIC
  • 55,322 POSTS
When checking the purple wire the key must be in the crank position. We need to check the IGN and backup fuse for power.

This guide can help:

https://www.2carpros.com/articles/how-to-check-a-car-fuse

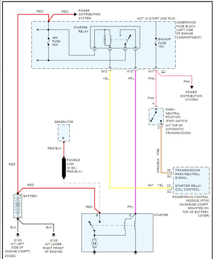
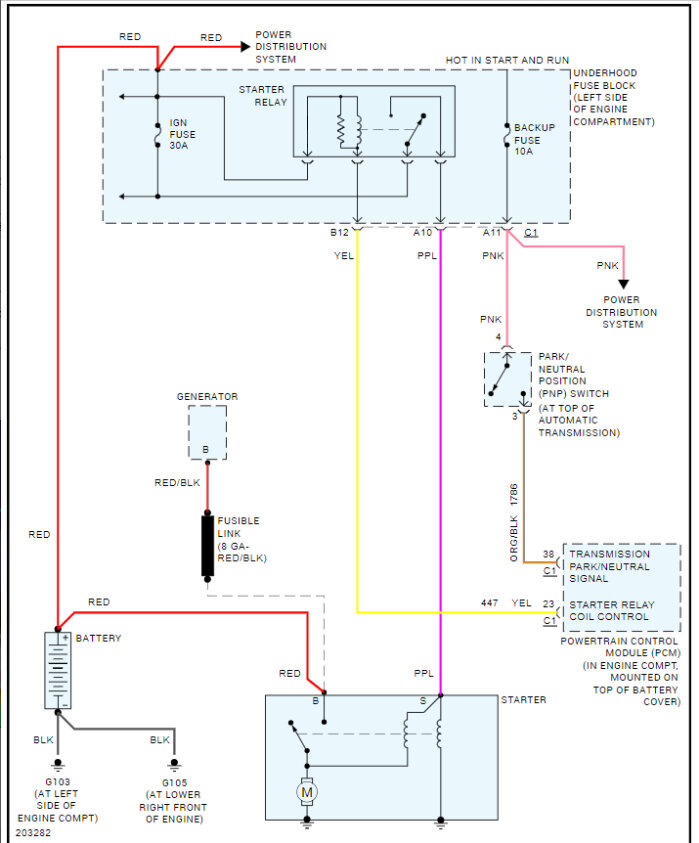
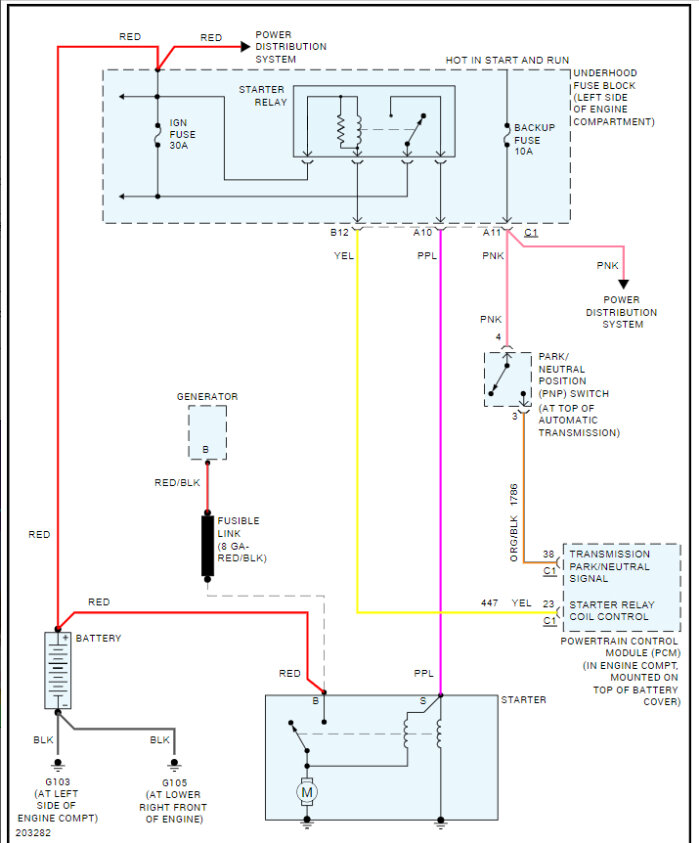
Here is the wiring diagram for the starter so you can see how the system works and I have included the fuse location as well. Also, there is an outside change the engine is locked up so please go over these guides to get an idea on what is wrong and how to fix it.

https://www.2carpros.com/articles/engine-seized-test

and

https://www.2carpros.com/articles/starter-not-working-repair

Check out the images (below). Please let us know what happens.
Was this
answer
helpful?
Yes
No
Monday, December 4th, 2023 AT 11:45 AM
Tiny
SHADETREEDAD
  • MEMBER
  • 3 POSTS
SO, a little back story. We had just finished changing the oil and the car was running after that. We pulled it down off the ramps and let it run a minute then turned off to make sure of the oil fill level. It would not start after this. (When she was about to leave an hour later.) Since receiving your reply: We tried all of the security resets. The light flashes when we turn the ignition, then remains solid.
I have checked all the fuses again, both in the engine compartment and console. The only fuse not getting power is the Start 10 amp fuse, either when the ignition is in run or attempting to start.(Highlighted Pic included) I have power from the Battery (which is good) to the starter, but still no power through the purple wire when the ignition is engaged.( Ignition module replaced) The starter motor makes no noise at all.(Starter has been replaced) The engine turns, and is not locked. We also replaced the neutral safety switch during this process.
When I turn the ignition to start, I hear a click from the Body Control Module, the lights on the dash go out and the gear selection light trails from one side to the other.
Still stumped.
Was this
answer
helpful?
Yes
No
Thursday, December 7th, 2023 AT 4:11 PM
Tiny
KEN L
  • MASTER CERTIFIED MECHANIC
  • 55,322 POSTS
I am wondering if you have had a battery that has shorted out internally, to make sure this guide may be able to help us load test it or you can remove it and take it to an auto parts store where they will test it no charge. You can also use a voltage meter and see if the battery has about 12.4 volts just sitting there.

https://www.2carpros.com/articles/car-battery-load-test

and

https://www.2carpros.com/articles/how-to-use-a-voltmeter

Please go over these guides and get back to us.
Was this
answer
helpful?
Yes
No
Friday, December 8th, 2023 AT 10:17 AM
Tiny
SHADETREEDAD
  • MEMBER
  • 3 POSTS
I realize you deal with many people.
I had checked the battery first thing after the car did not start. Cleaned all connections.
I checked with my voltmeter and have kept it charged through my testing. I also checked all the battery cables and all related wiring that I could. I've checked and triple checked all the fuses in the engine compartment and in the console. There is power to the starter, I even checked my ground to the body. We replaced the starter because the solenoid made absolutely no noise at all. Still doesn't. We replaced the neutral safety switch because I didn't know how to test one.
I thought I heard a click in the starter relay but switched fuses to check but decided to just replace. I replaced the ignition switch module because they can go bad as well and couldn't check it.
There is still no power through the purple wire to the starter when we engaged the ignition switch, and no power to the 10 amp start fuse in the engine compartment fuse block.
I only hear a click in the BCM beneath the console.
Was this
answer
helpful?
Yes
No
Saturday, December 9th, 2023 AT 6:57 PM
Tiny
KEN L
  • MASTER CERTIFIED MECHANIC
  • 55,322 POSTS
No power through the purple wire is the problem. I assume you checked the fuses I motioned earlier. The PCM closes the relay to give power to the purple wire. Do you have a security light flashing when you try to crank the engine over? The org/blk wire must have power to the PCM terminal #38 on the C1 connector. Can you please test for that and go over this wiring diagram to understand the system?
Was this
answer
helpful?
Yes
No
Monday, December 11th, 2023 AT 9:45 AM

Please login or register to post a reply.