Will not start

Tiny
JEFF BRAGG
  • MEMBER
  • 1998 TOYOTA CAMRY
  • 2.2L
  • 97,000 MILES
Hear a slight buzz under dash driver's side. Has plenty of battery. Started and drove it around then shut it off went to start again and nothing but the slight buzz. All lights work.
Friday, March 19th, 2021 AT 2:11 PM

5 Replies

Tiny
JACOBANDNICKOLAS
  • MECHANIC
  • 110,194 POSTS
Hi,

The starter relay is located in the engine room area. You may be hearing that. Also, see if it will start if you place the transmission in neutral. If it doesn't change, continue below.

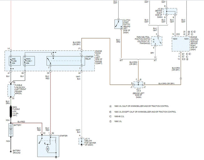
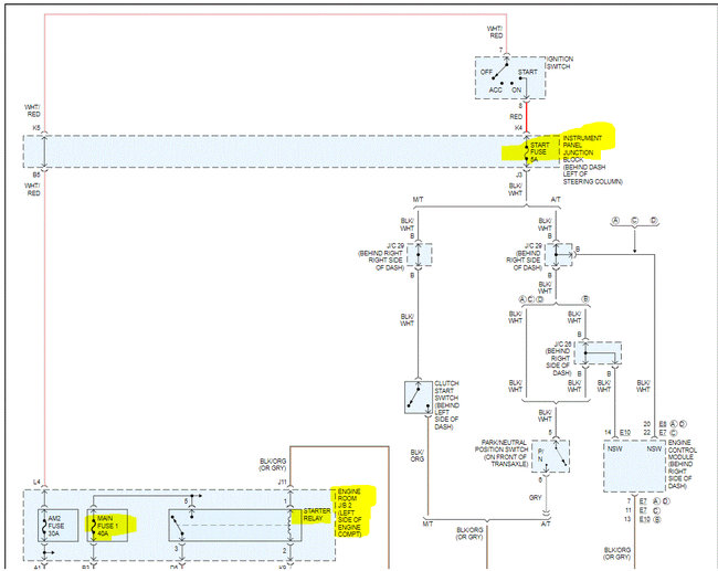
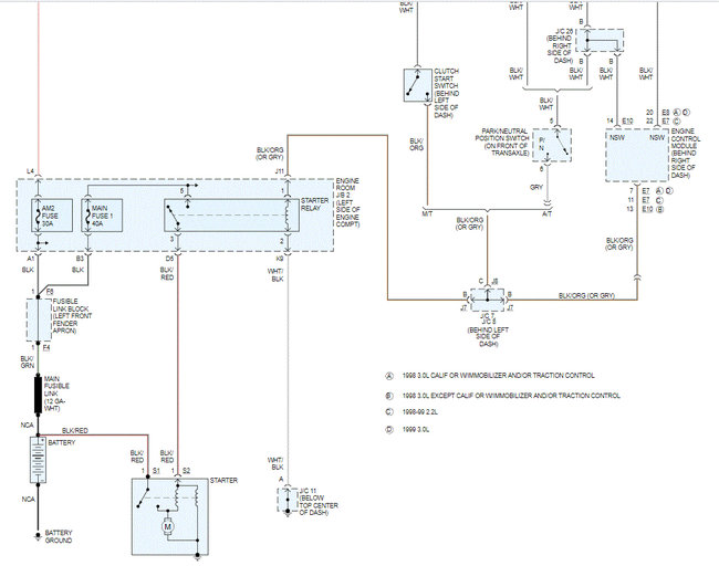
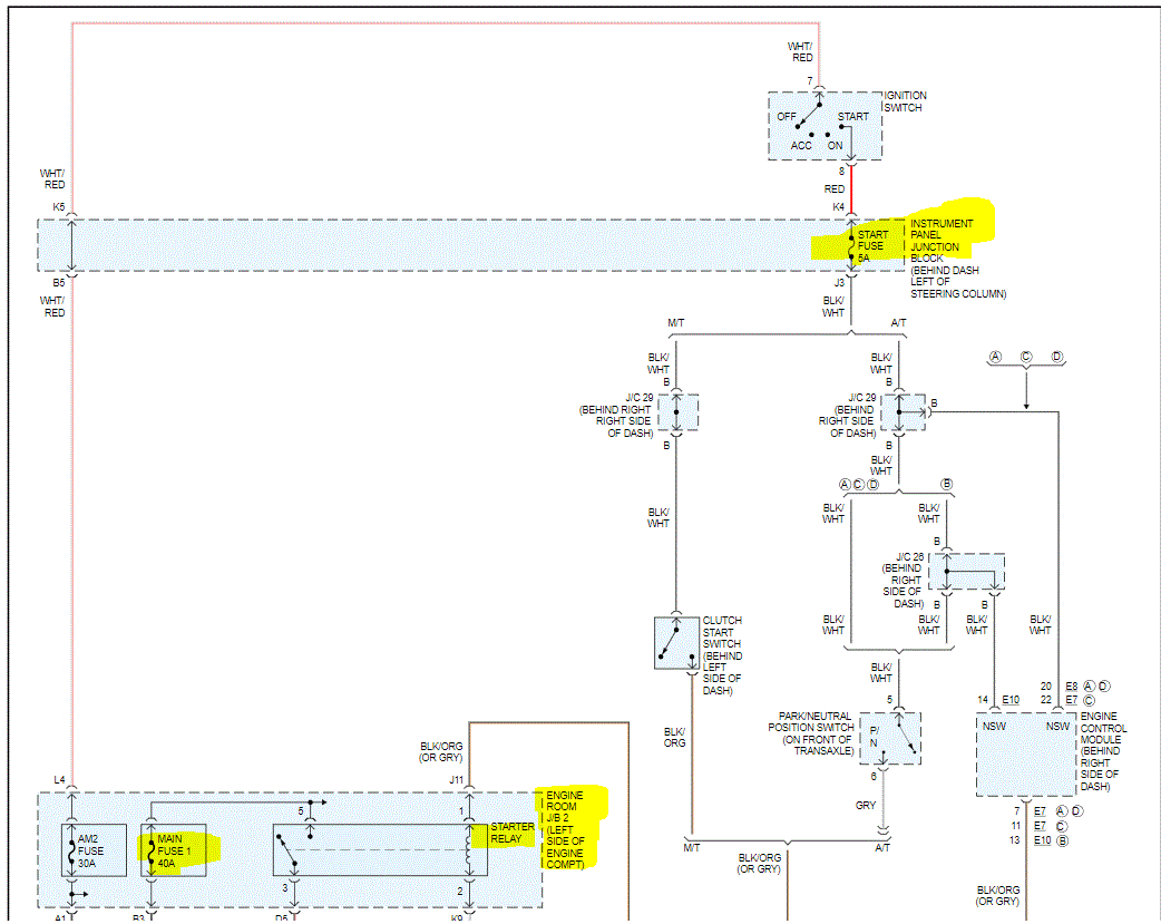
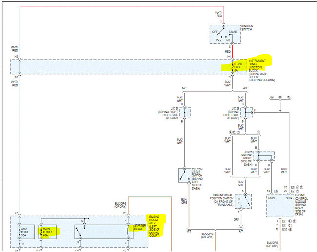
Here is what I need you to do: I attached the entire wiring schematic below for the starting system. I highlighted fuses and a relay that I need you to check. When checking the fuses, make sure there is power to and from them. As far as the relay, if there is a different one in the box with the same part number, switch them. If not, here is a link that shows how to check it. Also, link two may help when checking the fuses.

https://www.2carpros.com/articles/how-to-check-an-electrical-relay-and-wiring-control-circuit

https://www.2carpros.com/articles/how-to-check-a-car-fuse

______________________________

Now, if both the fuse and the relay are good, I need you to check for power at the starter itself. There will be a heavy gauge wire which has 12v at all times. Also, a smaller wire will only have 12v when the key is in the start position. You will need a helper with testing. If you find there is power to the smaller wire, chances are the starter is bad. Here is a link that will help with testing:

https://www.2carpros.com/articles/starter-not-working-repair

______________________________

I know this seems like a lot to do, but really it isn't too hard. Also, if you look at pics 3 and 4, I highlighted the fuses and relay to check. Note that the relay and main fuse is in the fuse box under the hood. The start fuse (5 amp) is in the vehicle under the dash on the driver's side.

Let me know if this helps or if you have other questions.

Joe

PS: See pics below.

Was this
answer
helpful?
Yes
No
Friday, March 19th, 2021 AT 9:16 PM
Tiny
JEFF BRAGG
  • MEMBER
  • 3 POSTS
The head relay in the engine compartment is the one that is clicking like the turn signal is being used.
Was this
answer
helpful?
Yes
No
Saturday, March 20th, 2021 AT 5:48 AM
Tiny
JACOBANDNICKOLAS
  • MECHANIC
  • 110,194 POSTS
Hi,

Have you checked the fuses and the relay I mentioned?

Joe
Was this
answer
helpful?
Yes
No
+1
Saturday, March 20th, 2021 AT 9:26 PM
Tiny
JEFF BRAGG
  • MEMBER
  • 3 POSTS
Yes I have.
Was this
answer
helpful?
Yes
No
Sunday, March 21st, 2021 AT 5:46 AM
Tiny
JACOBANDNICKOLAS
  • MECHANIC
  • 110,194 POSTS
Have you checked to see if power is making it to the starter as mentioned above?

Joe
Was this
answer
helpful?
Yes
No
+1
Sunday, March 21st, 2021 AT 6:02 PM

Please login or register to post a reply.