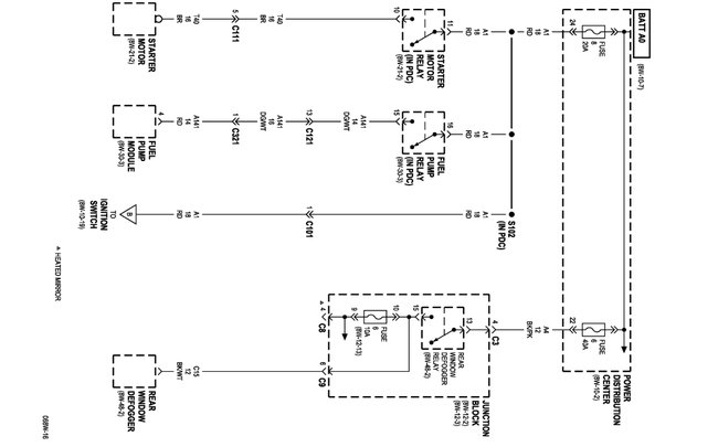
Finally got the job done, reconnected battery, started car to see if any leaks. It started right away and ran fine. Shut off car. Half hour later, try to re-start and it just 'clicks' like a low battery. Waited a few minutes, then it is completely dead, no response. I brought out my battery charger, the meter showed it drawing 10 amps while charging. A couple hours later, I return, the charger shows that the battery is now fully charged.
What happened: The interior lights light up as normal when the door is opened. What does not happen: no display to check the idiot lights, no response from trying to start the car (won't click or crank).
I again disconnected the battery, hoping to possibly reset the computer, but the results are the same.
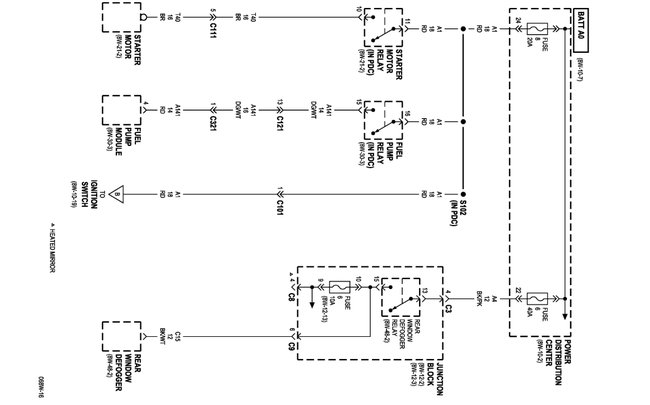
Does anyone have an idea why a fully-charged battery after re-connection (had been disconnected for two weeks) would cause the warning lights to not display, the ignition to not work at all (no clicking, no spinning, no response) after it had started and run just a few hours earlier?
Wednesday, February 5th, 2020 AT 10:38 AM











