White smoke and engine shuts off when stopped

Tiny
APRIL TAYLOR SEIF
  • MEMBER
  • 2005 CHEVROLET SUBURBAN
  • 5.3L
  • V6
  • 4WD
  • AUTOMATIC
  • 268,000 MILES
Runs but when stopped it shuts off. White smoke comes out of tail pipe.
Sunday, June 7th, 2020 AT 9:18 PM

9 Replies

Tiny
DANNY L
  • MECHANIC
  • 5,648 POSTS
Hello, I'm Danny.

White smoke usually denotes a head gasket issue.This means the head gasket has failed and now engine coolant is being burned during the engines combustion process.It's a fixable repair but is costly. I've also noticed your truck has 268,000 miles so a $2,000.00 repair on an engine with that high of a mileage must be taken into consideration. Here is a tutorial for you to view:

https://www.2carpros.com/articles/white-smoke-or-steam-coming-from-the-exhaust-pipe

Let me know if you have any further questions on this issue.Hope this helps and thanks for using 2CarPros.
Was this
answer
helpful?
Yes
No
Sunday, June 7th, 2020 AT 10:03 PM
Tiny
APRIL TAYLOR SEIF
  • MEMBER
  • 23 POSTS
Planned on doing it myself.
Was this
answer
helpful?
Yes
No
Sunday, June 7th, 2020 AT 10:06 PM
Tiny
DANNY L
  • MECHANIC
  • 5,648 POSTS
Hello again.

Would you like for me to provide step by step picture instructions for you? Thanks again for using 2CarPros.

Danny-
Was this
answer
helpful?
Yes
No
Sunday, June 7th, 2020 AT 10:11 PM
Tiny
APRIL TAYLOR SEIF
  • MEMBER
  • 23 POSTS
Yes please.
Was this
answer
helpful?
Yes
No
Sunday, June 7th, 2020 AT 10:20 PM
Tiny
DANNY L
  • MECHANIC
  • 5,648 POSTS
Hello again.

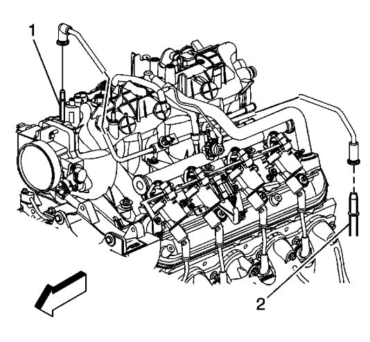
Here is part 1. I've attached picture steps below for removal and install of the intake manifold below.Here is a tutorial showing how to replace intake manifold gaskets:

https://www.2carpros.com/articles/replace-intake-manifold-gasket

Hope this helps and thanks again for using 2CarPros.

Danny-
Was this
answer
helpful?
Yes
No
Sunday, June 7th, 2020 AT 11:35 PM
Tiny
DANNY L
  • MECHANIC
  • 5,648 POSTS
Hello again.

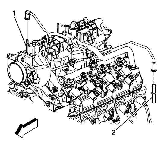
Here is part 2 left side. I've attached picture step instructions again below for the cylinder head removal and replacement for the head gaskets. Hope this all helps.
Was this
answer
helpful?
Yes
No
Monday, June 8th, 2020 AT 12:00 AM
Tiny
DANNY L
  • MECHANIC
  • 5,648 POSTS
Hello again.

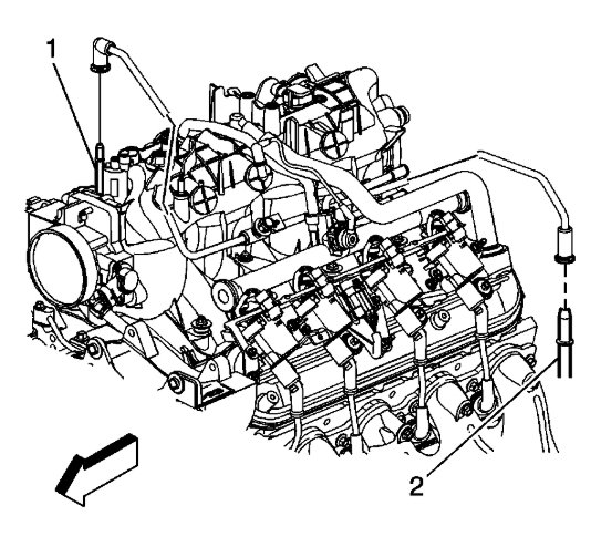
Here is the final part 3 right side. I've attached picture step instructions again below for the cylinder head removal and replacement for the head gaskets. Let me know if you have any further questions about all of this. Hope this all helps.

Danny-
Was this
answer
helpful?
Yes
No
Monday, June 8th, 2020 AT 12:14 AM
Tiny
APRIL TAYLOR SEIF
  • MEMBER
  • 23 POSTS
Do I have to change 4 head gaskets on this?
Was this
answer
helpful?
Yes
No
Tuesday, June 9th, 2020 AT 7:54 AM
Tiny
DANNY L
  • MECHANIC
  • 5,648 POSTS
Hello again.

No, each cylinder head has only one gasket. The intake manifold has one gasket per side as well. Let me know if you have any further questions about this considering this is a very big job. Hope this helps and thanks again for using 2CarPros.

Danny-
Was this
answer
helpful?
Yes
No
Wednesday, June 10th, 2020 AT 6:35 AM

Please login or register to post a reply.