Engine Stalling Out?

Tiny
MGARBZ885
  • MEMBER
  • 2004 CHEVROLET SUBURBAN
  • 5.3L
  • V8
  • AWD
  • AUTOMATIC
  • 187,000 MILES
Have a 2004 Suburban that stalls while driving when its 85+ out. But runs fine when the temperature is lower at night. After it coasts to a stop let it sit a few minutes fires up just fine but then will just keep stalling out after only a few miles. No check engine light no warning other than you hit the accelerator and no response will just coast to a stop and shut off. Could it be possible that a dirty/faulty MAF sensor is causing the stall?
Sunday, July 12th, 2015 AT 11:03 AM

30 Replies

Tiny
HMAC300
  • MECHANIC
  • 48,601 POSTS
Clean throttle plate both sides and iac hole with choke cleaner
Was this
answer
helpful?
Yes
No
+1
Sunday, July 12th, 2015 AT 12:02 PM
Tiny
MGARBZ885
  • MEMBER
  • 6 POSTS
Would Seafoam work?
Was this
answer
helpful?
Yes
No
-1
Sunday, July 12th, 2015 AT 12:37 PM
Tiny
HMAC300
  • MECHANIC
  • 48,601 POSTS
As long as it takes all the gunk off choke cleaner is fast though.
Was this
answer
helpful?
Yes
No
Sunday, July 12th, 2015 AT 1:00 PM
Tiny
MGARBZ885
  • MEMBER
  • 6 POSTS
Cleaned the throttle body and iac hole with choke Cleaner and it still is occasionally stalling but as often
Was this
answer
helpful?
Yes
No
-1
Saturday, July 18th, 2015 AT 12:21 PM
Tiny
HMAC300
  • MECHANIC
  • 48,601 POSTS
Then check to see how much your fuel pump is drawing amp wise it may be getting weak when it's hot. Also try replacing fuel filter.
Was this
answer
helpful?
Yes
No
Saturday, July 18th, 2015 AT 12:23 PM
Tiny
MGARBZ885
  • MEMBER
  • 6 POSTS
OK will do that thank you
Was this
answer
helpful?
Yes
No
Saturday, July 18th, 2015 AT 12:26 PM
Tiny
MGARBZ885
  • MEMBER
  • 6 POSTS
OK, I cleaned the throttle body, iac hole with carb Cleaner, then did the SeaFoam treatment through the intake, replaced the fuel filter, checked the relay noticed it was getting hot so I replaced the relay but now noticing the relay still gets hot so pretty sure the pigtail off the fuel pump is bad or the pump itself. Because it still is cutting out.
Was this
answer
helpful?
Yes
No
-1
Saturday, July 25th, 2015 AT 4:03 PM
Tiny
HMAC300
  • MECHANIC
  • 48,601 POSTS
Probably hard for you to do but when it does this check your fuel pressure with a gauge auto parts rent it. It should be 55-62 psi with the exception of Z code which should be 48-54psi with key on engine off. If not to minimum even by a pound the pump is bad.
Was this
answer
helpful?
Yes
No
Saturday, July 25th, 2015 AT 4:19 PM
Tiny
SYBURB
  • MEMBER
  • 1 POST
Same rig, 136k, and same conditions & symptoms. Swapped out the fuel pump relay and has been okay. MGARBZ885 - did you figure out if the problem was electrical or the fuel pump itself?
Was this
answer
helpful?
Yes
No
Friday, July 29th, 2016 AT 7:41 AM
Tiny
SBRENTON
  • MEMBER
  • 9 POSTS
Was this ever solved? I am having the exact same issue with my 04
Was this
answer
helpful?
Yes
No
+2
Friday, June 23rd, 2017 AT 11:41 AM
Tiny
KEN L
  • MASTER CERTIFIED MECHANIC
  • 55,322 POSTS
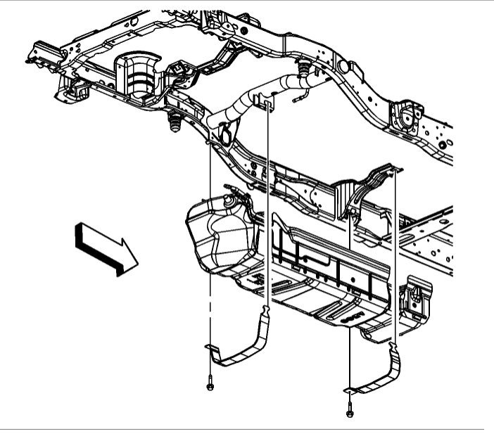
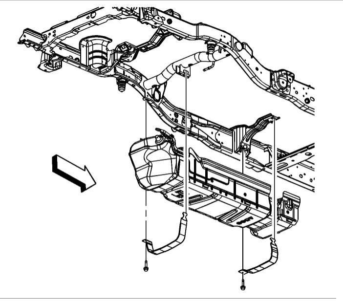
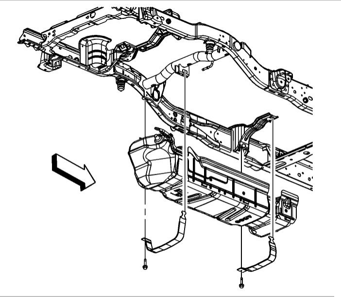
Yes the problem was the fuel pump, here is a guide that will show you what you are in for when doing the job and some diagrams (below) to help you.

https://www.2carpros.com/articles/how-to-replace-an-electric-fuel-pump

You can get the pump from Amazon for about $215.00 AC Delco is the only pump I would install

https://www.amazon.com/gp/product/B0010GIDD4/ref=as_li_qf_sp_asin_il_tl?ie=UTF8&tag=2carprcom-20&camp=1789&creative=9325&linkCode=as2&creativeASIN=B0010GIDD4&linkId=d4a5b5ff36826f6571e1307245773115

Drain the tank first, watch this video.

https://youtu.be/Q5MH2gnyFH0

Please let us know what happens.

Cheers, Ken
Was this
answer
helpful?
Yes
No
+1
Monday, June 26th, 2017 AT 12:04 PM
Tiny
SBRENTON
  • MEMBER
  • 9 POSTS
This did not solve the problem I am having. The car stalls at random times with no real rhyme or reason. I thought it was during hot days but I towed my camper with no problems then when going to get gas with no camper it stalled. It typically just quits at idle but if I am driving I can sometimes feel a slight bucking. If I try to immediate restart it behaves like I removed the idle air control harness while it was running.

No trouble codes, fuel pump and fuel pump harness replaced, MAP, MAF, ignition control switch, coolant temp sensor, new plugs and wires, new relays for fuel pump and ignition (they were hot but still seem hot with new ones), removed and cleaned throttle body and IAC hole, repaired frayed wires causing evap leak code and for ac pressure sensor, checked all fuses and cleaned contacts, new battery, 1 new cat, new downstream O2 sensors, new gas cap, new rear break lines, new bleeder screws all around (shop bled the lines with a tool), repaired broken wire under drivers seat for air bag in seat, repaired a previous owners hack job with the media center controller and checked all under hood vacuum lines using soapy water.

Not all those changes were a part of this issue but thats what I have done over the last month. I have also had this to a mechanic I trust and he cant find the issue. Its only stalled once when he had it so the intermittent issue is a pain.

Things that I know are left are a small manifold leak, needs new brakes and rotors all around and lower drivers side controller arm is slightly bent and rusted.

The random stalling issue is my biggest concern right now. I know I gave too much information but I figured too much was better than not enough.

Thanks in advance!
Was this
answer
helpful?
Yes
No
-1
Monday, June 26th, 2017 AT 1:10 PM
Tiny
HMAC300
  • MECHANIC
  • 48,601 POSTS
Lean throttle plate like I said in first reply on this post.
Was this
answer
helpful?
Yes
No
-1
Monday, June 26th, 2017 AT 3:04 PM
Tiny
SBRENTON
  • MEMBER
  • 9 POSTS
I have removed the throttle body and fully cleaned everything and replaced the gasket. When car is at an idle if I remove the IAC wiring harness the engine runs very rough. Based on that I assumed the throttle was functioning properly. I cant replace the IAC as it is pop riveted into the throttle housing so its not serviceable. I also checked the vacuum line from the throttle to the valve cover and there was no leaks.

How else can I test for lean throttle?
Was this
answer
helpful?
Yes
No
-1
Tuesday, June 27th, 2017 AT 4:55 AM
Tiny
HMAC300
  • MECHANIC
  • 48,601 POSTS
Check fuel pressure with a gauge it may be getting the pump hot so it doesn't keep pressure up like it should so it stalls. Read the pressures on very first post along with link on how to do it. In future please post a new question on first question
Was this
answer
helpful?
Yes
No
-1
Tuesday, June 27th, 2017 AT 9:43 AM
Tiny
SBRENTON
  • MEMBER
  • 9 POSTS
Fuel pressure is consistently at 55 to 58 psi. Also have a new fuel pump, fuel pump relay and fuel pump wiring harness.

I did post a new question first and it is located here, https://www.2carpros.com/questions/truck-stalling-out. I queried this post because the issue was similar.I did receive a response on this one and will be replacing the crank position sensor.

thanks for the help.
Was this
answer
helpful?
Yes
No
-1
Tuesday, June 27th, 2017 AT 10:13 AM
Tiny
MGARBZ885
  • MEMBER
  • 6 POSTS
Yes got it figured out fuel pump would lose all pressure right before the engine would stall, replaced the fuel pump and also the crankshaft position sensor haven't had any issues since

https://www.2carpros.com/articles/crankshaft-angle-sensor-replacement
Was this
answer
helpful?
Yes
No
-1
Tuesday, June 27th, 2017 AT 10:19 AM
Tiny
KEN L
  • MASTER CERTIFIED MECHANIC
  • 55,322 POSTS
Great addition to this thread! Please feel free to help out whenever you are on the site :)

Cheers, Ken
Was this
answer
helpful?
Yes
No
-1
Tuesday, June 27th, 2017 AT 11:14 AM
Tiny
SBRENTON
  • MEMBER
  • 9 POSTS
  • 2004 CHEVROLET SUBURBAN
  • 5.3L
  • V8
  • AWD
  • AUTOMATIC
  • 245,000 MILES
My truck is stalling out at random times without any rhyme or reason. Fuel pump has been replaced and some wiring under the battery plate fixed from being frayed. When stalling I have measured a consistent 58 psi so I do not believe it is with the fuel system unless it is after the fact at the injectors. One thing I do notice is the check engine light does not come on when I cycle the key to the position just before starting. I believe that is telling me the PCM is not going through its initial startup sequence.

I have also had a couple problems where I cannot shift the car from park and that usually fixes itself quickly by cycling the key on and off.

Is it possible the ignition switch is causing communication issues with the PCM circuit? If not any other ideas?

I do not have any active or pending check engine codes.

Appreciate any help. Thanks!
Was this
answer
helpful?
Yes
No
-1
Thursday, July 9th, 2020 AT 1:54 PM (Merged)
Tiny
KEN L
  • MASTER CERTIFIED MECHANIC
  • 55,322 POSTS
Hello,

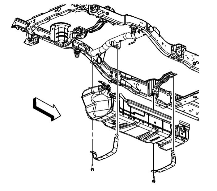
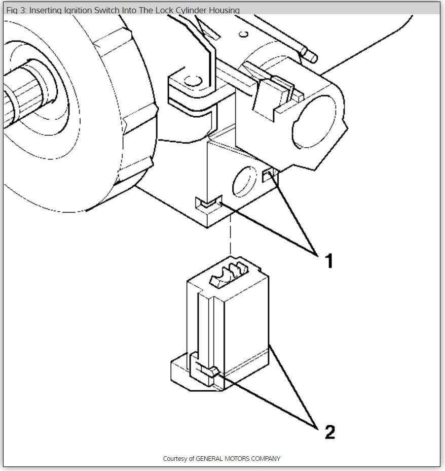
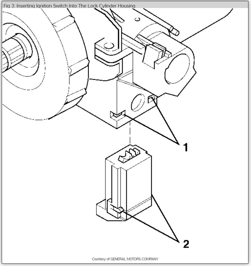
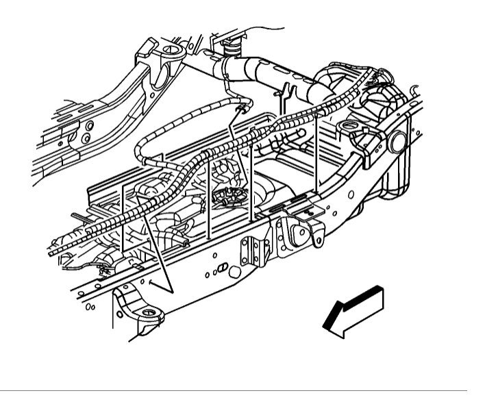
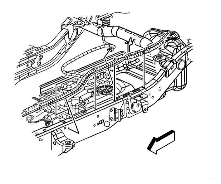
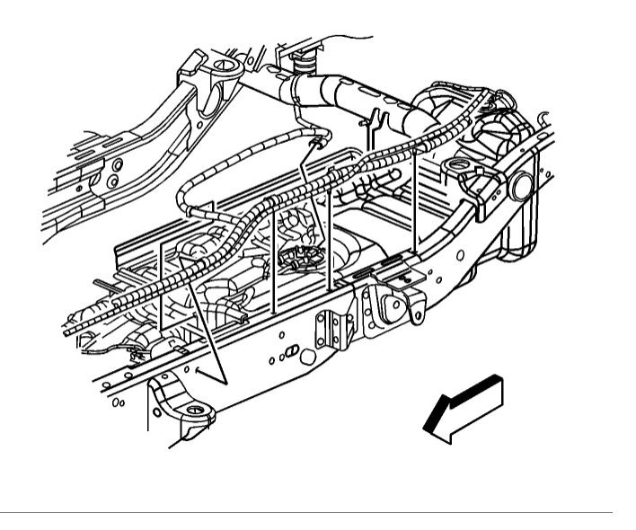
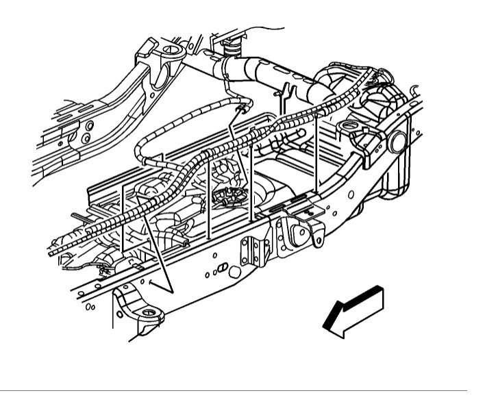
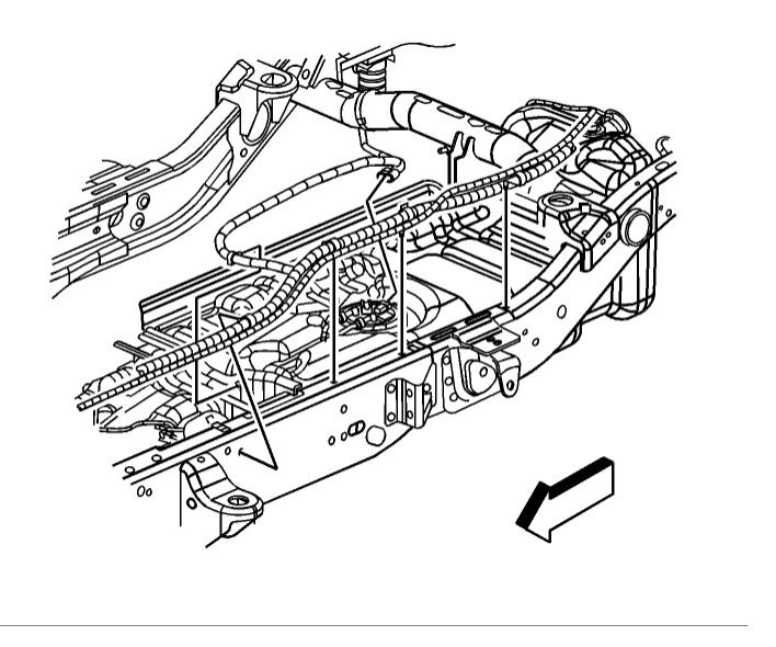
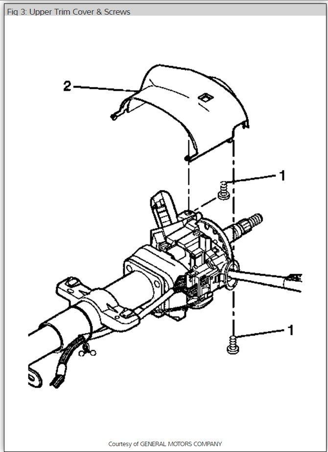
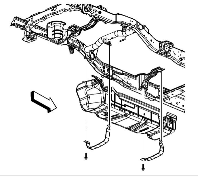
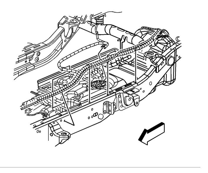
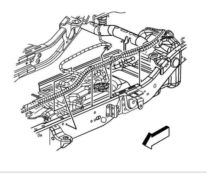
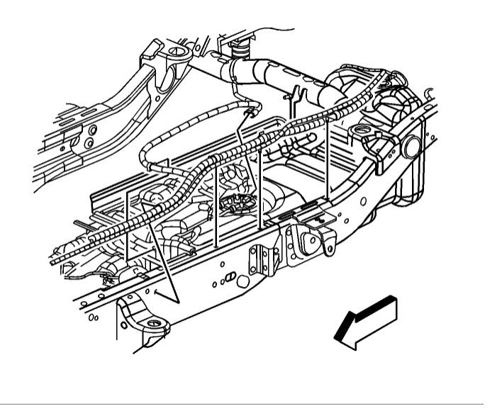
A couple things come to mind, first is the crankshaft angle sensor which will stop the injectors from working, here is a guide to help with that.

https://www.2carpros.com/articles/crankshaft-angle-sensor-replacement

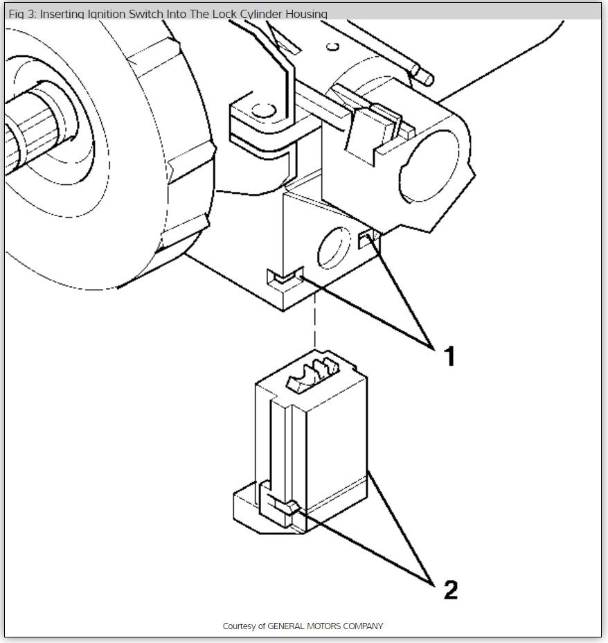
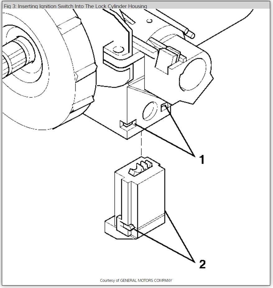
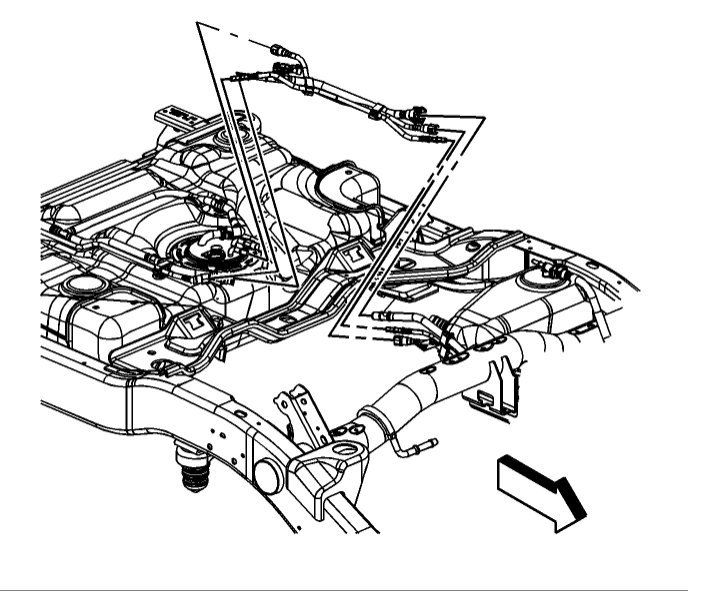
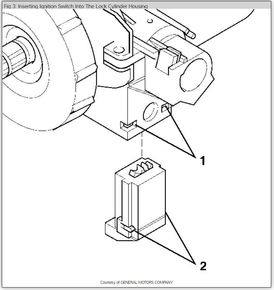
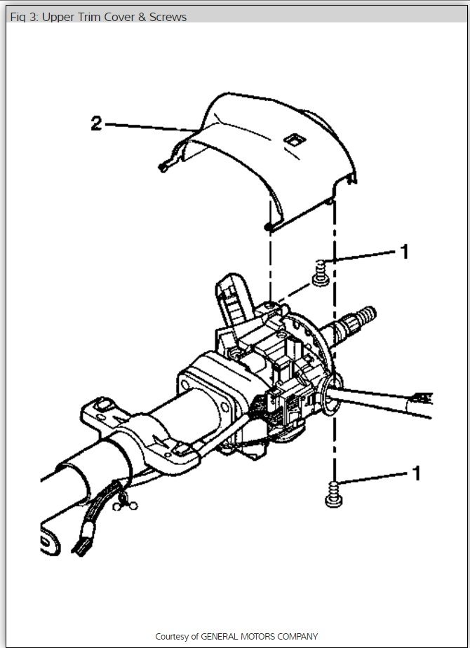
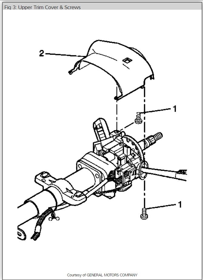
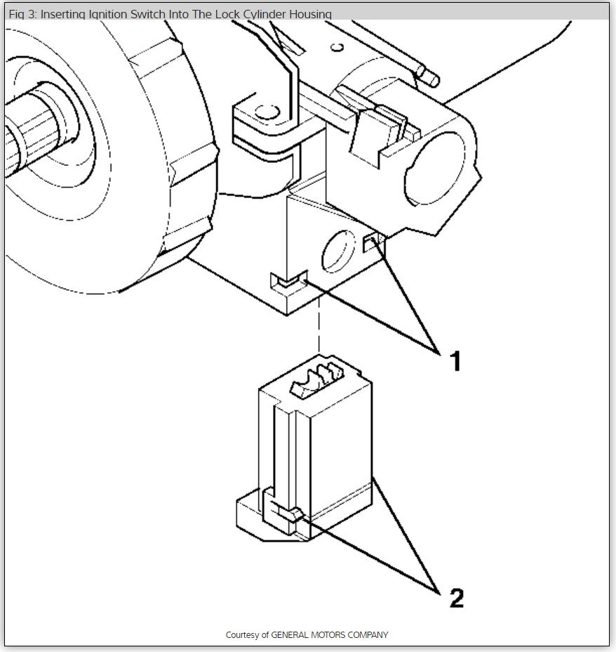
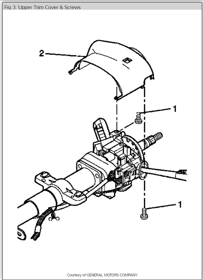
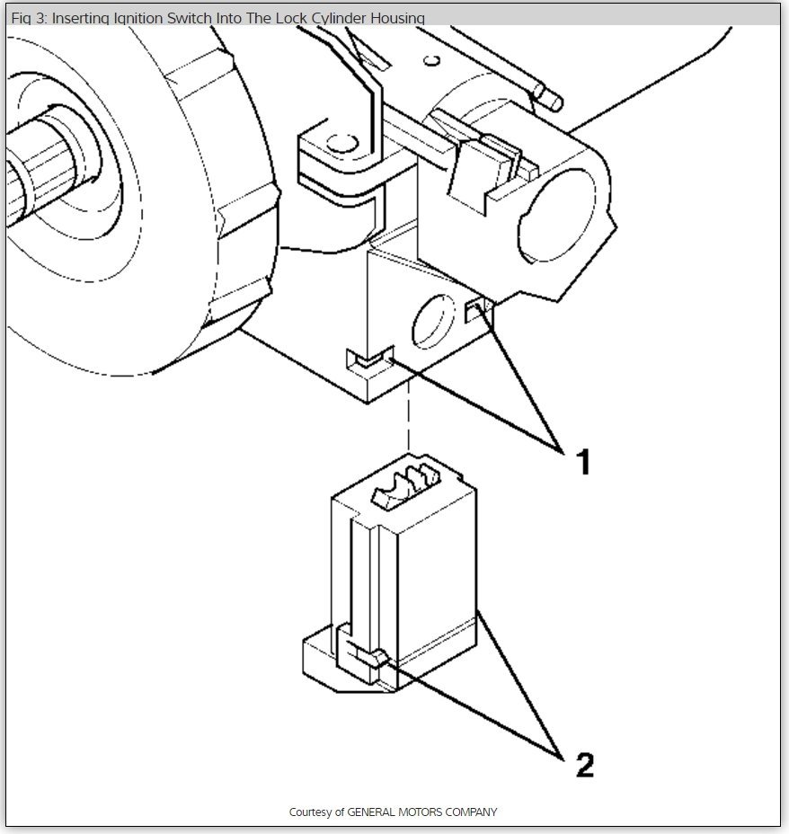
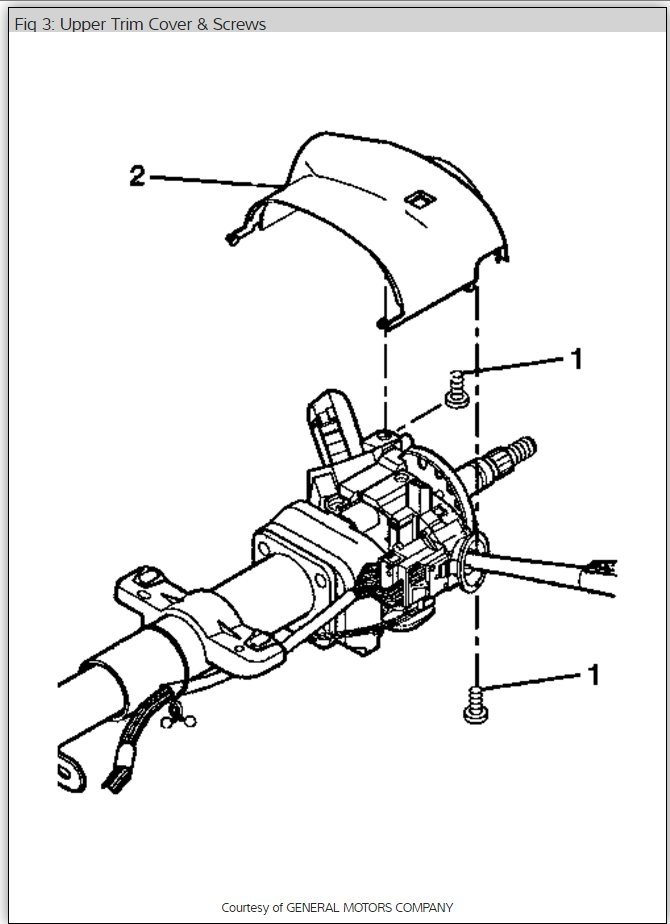
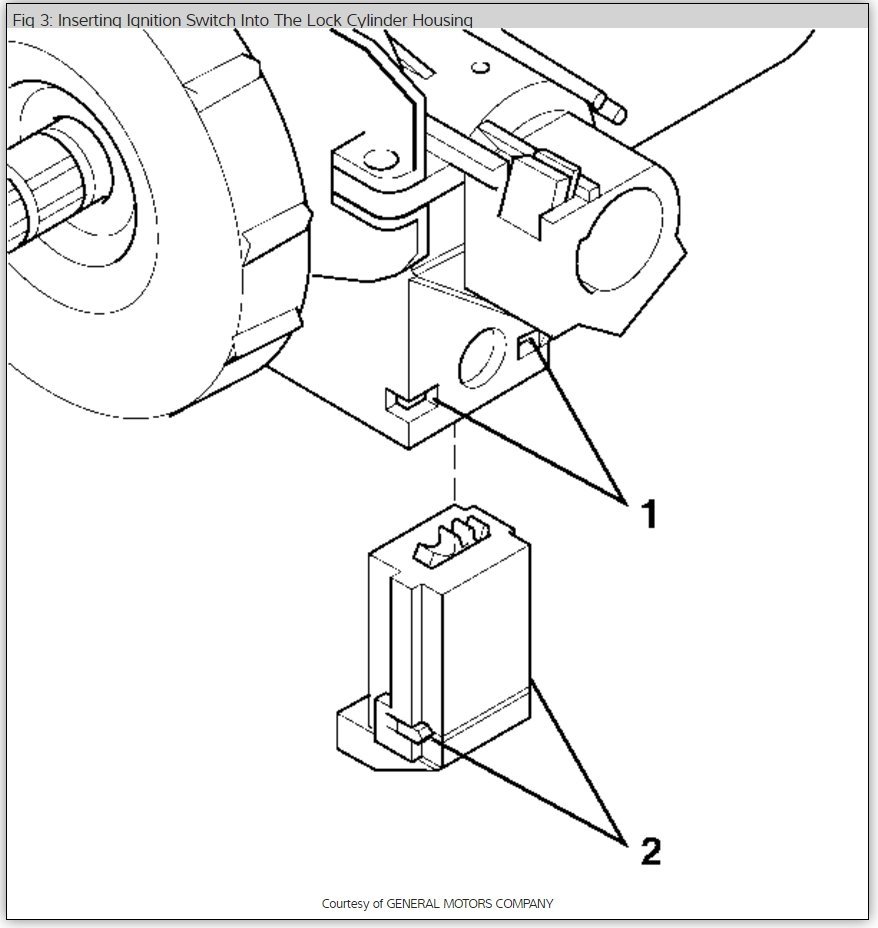
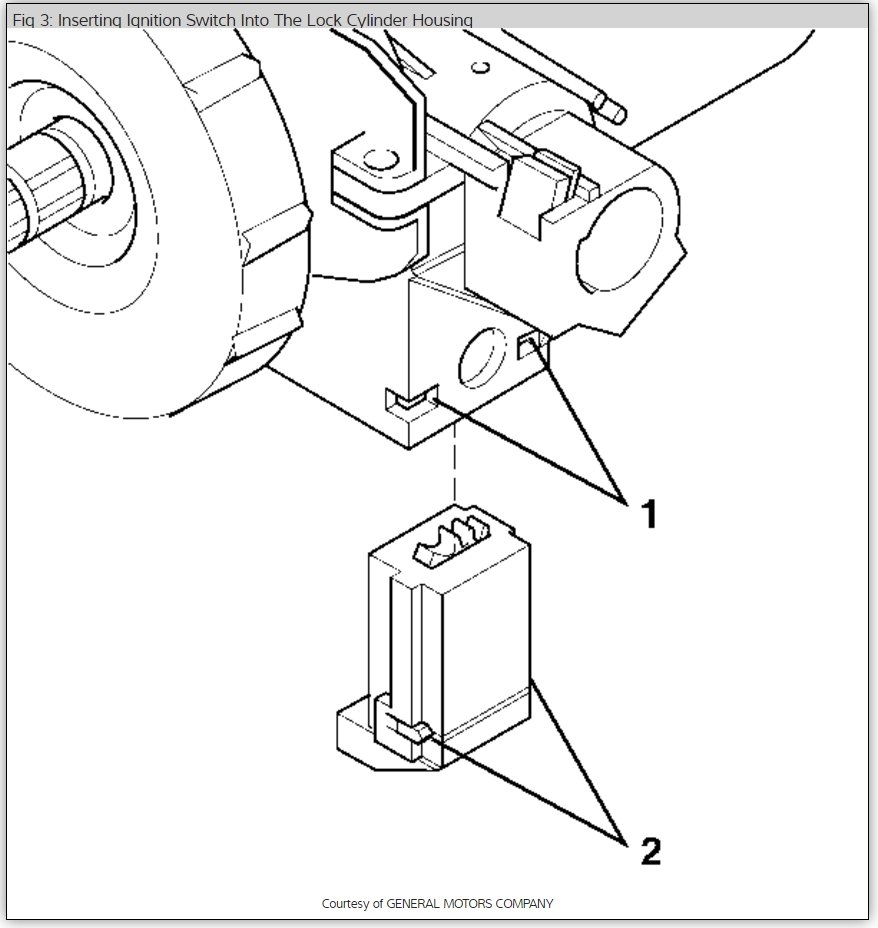
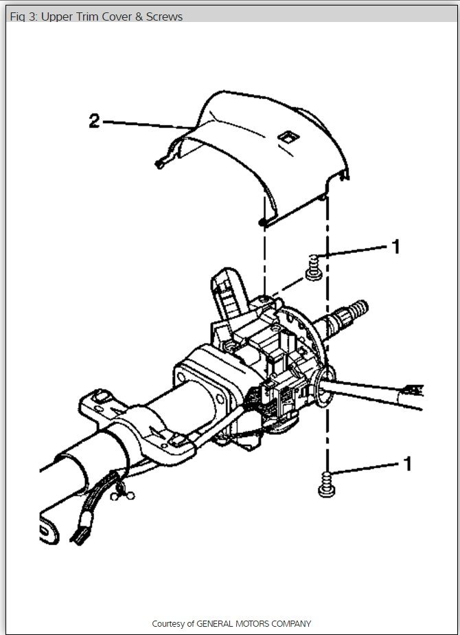
and it you may have an ignition switch going out as well.

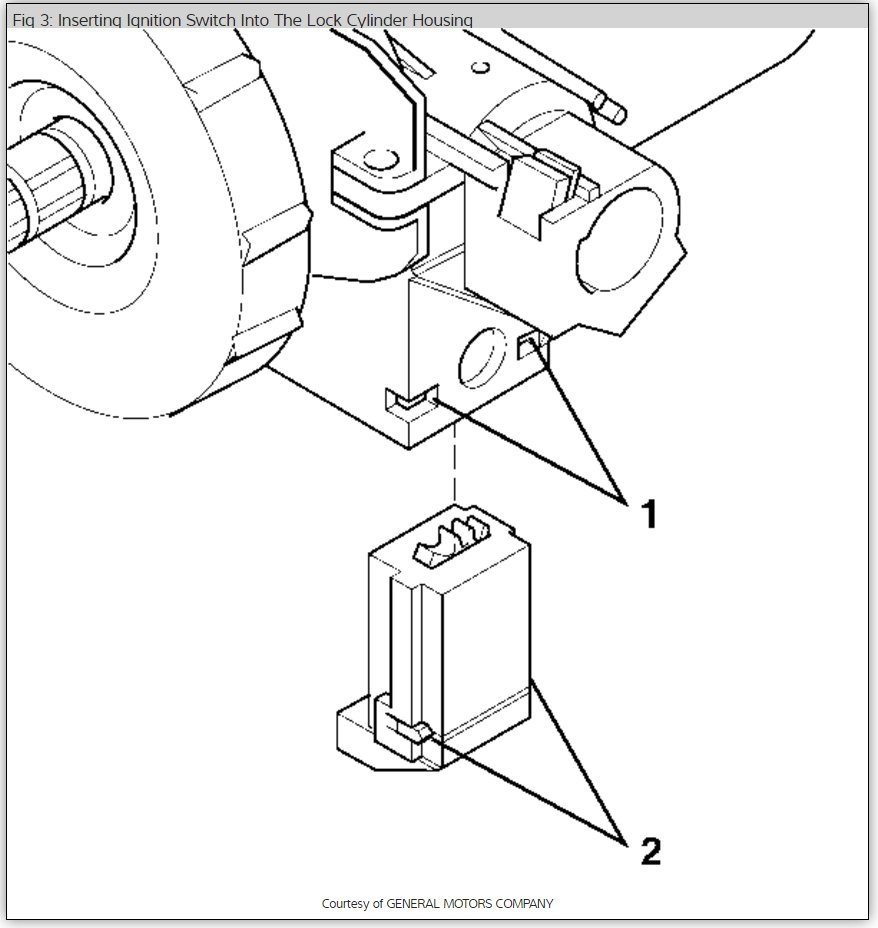
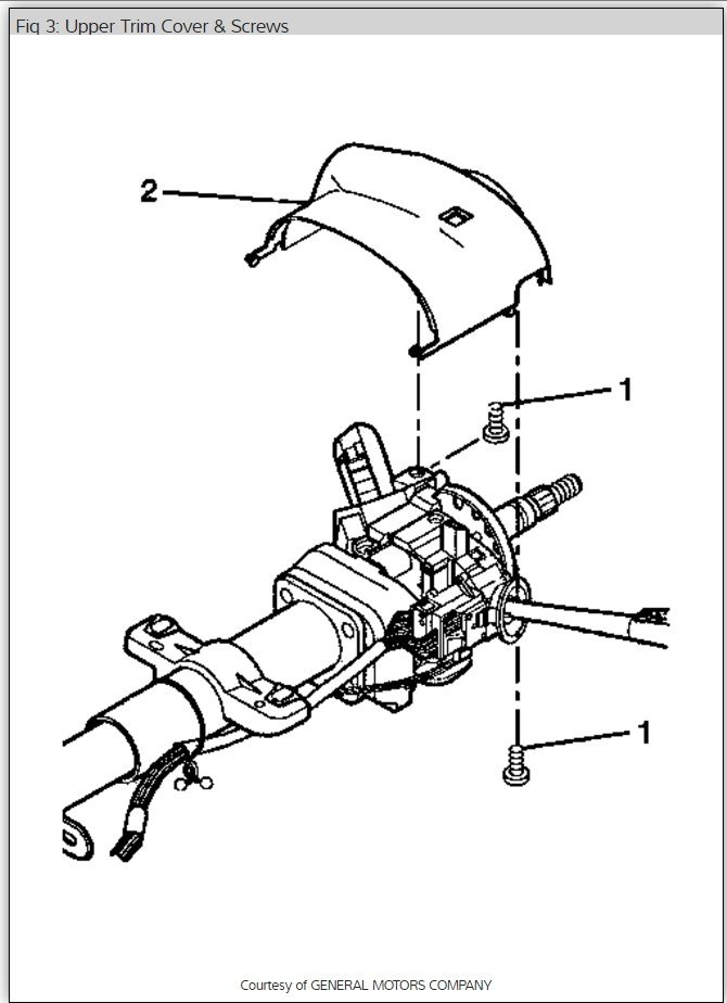
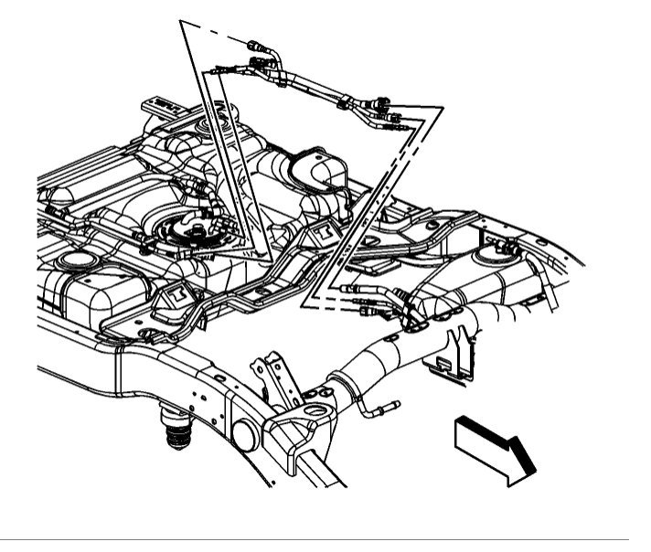
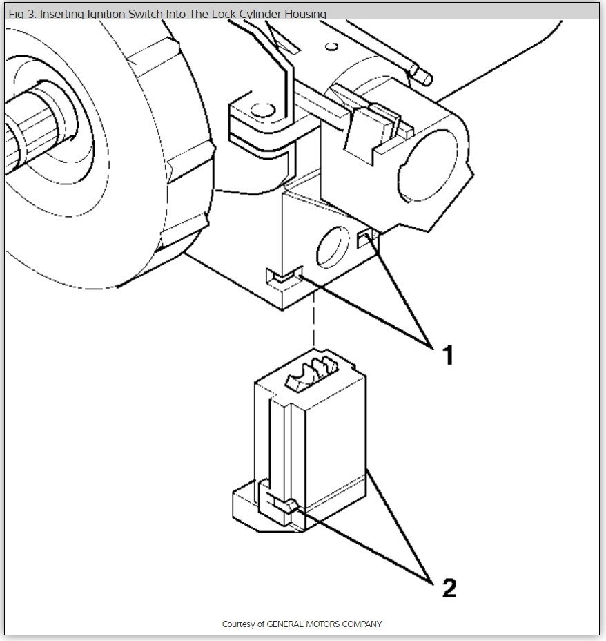
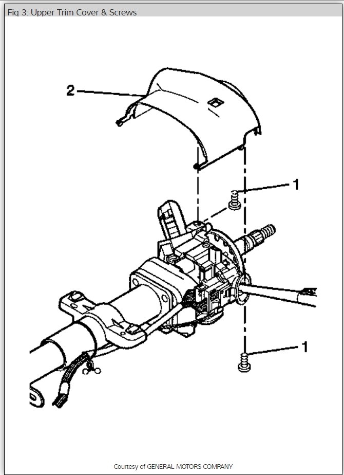
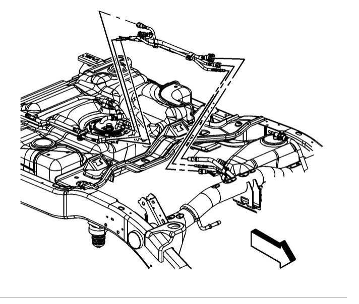
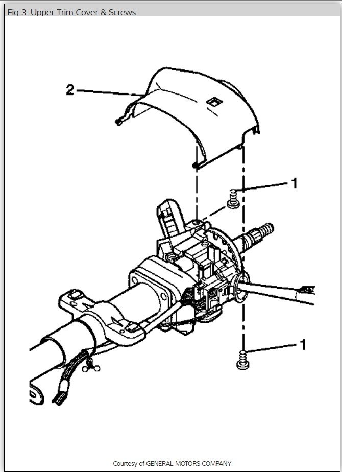
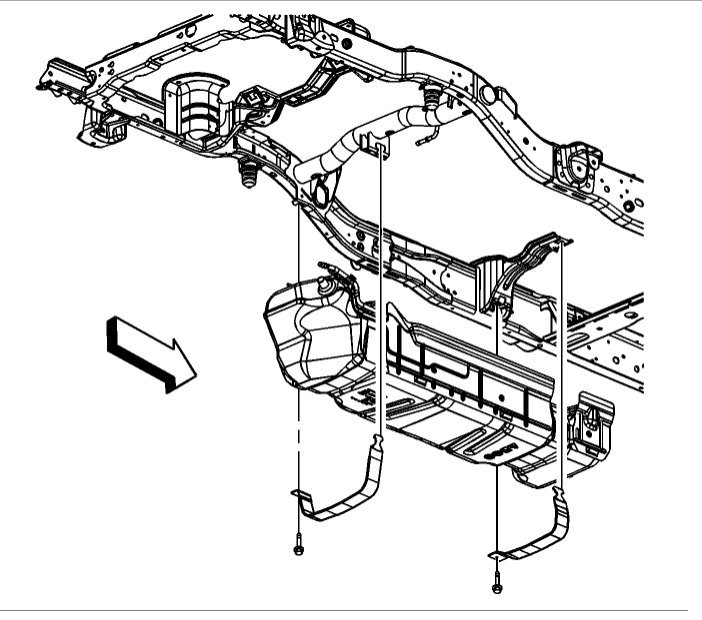
Here are some diagrams (below) on how to change the switch out.

Please let us know what happens, we are interested to see what it is.

Cheers, Ken
Was this
answer
helpful?
Yes
No
Thursday, July 9th, 2020 AT 1:54 PM (Merged)

Please login or register to post a reply.