No crank no start issue

Tiny
JACOB PIKE
  • MEMBER
  • 1998 CHEVROLET BLAZER
  • 6 CYL
  • 4WD
  • AUTOMATIC
  • 134,555 MILES
New battery, starter CSPS, ignition switch, and park neutral sensor. I need new plugs for that tried to bypass it and nothing. There are also a lot of cut wires.
Friday, December 3rd, 2021 AT 8:48 PM

21 Replies

Tiny
JACOBANDNICKOLAS
  • MECHANIC
  • 110,194 POSTS
Hi,

First, there are a few fuses that need to be checked and the starter relay. We need to start with a few checks.

First, take a look through this link. It explains in general how to test a starter.

https://www.2carpros.com/articles/starter-not-working-repair

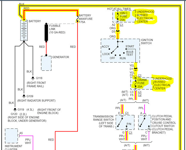
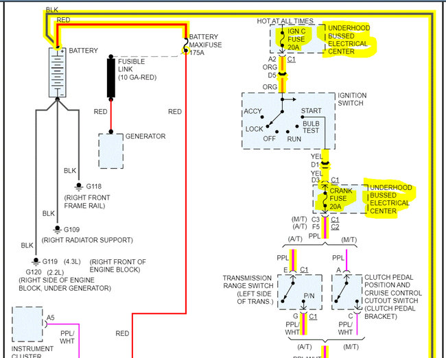
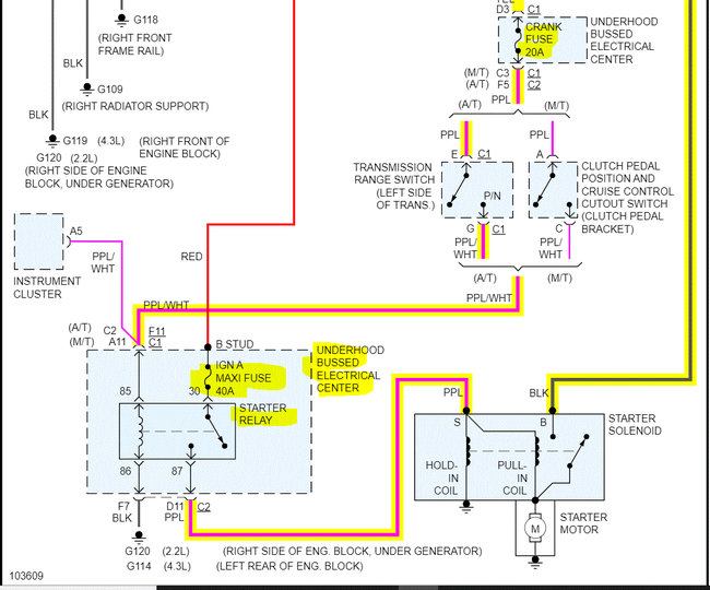
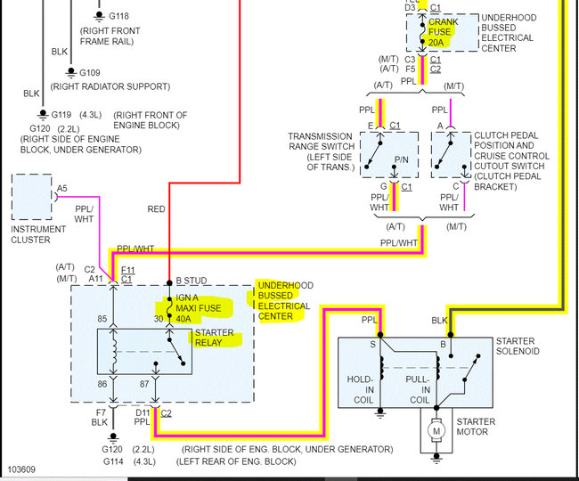
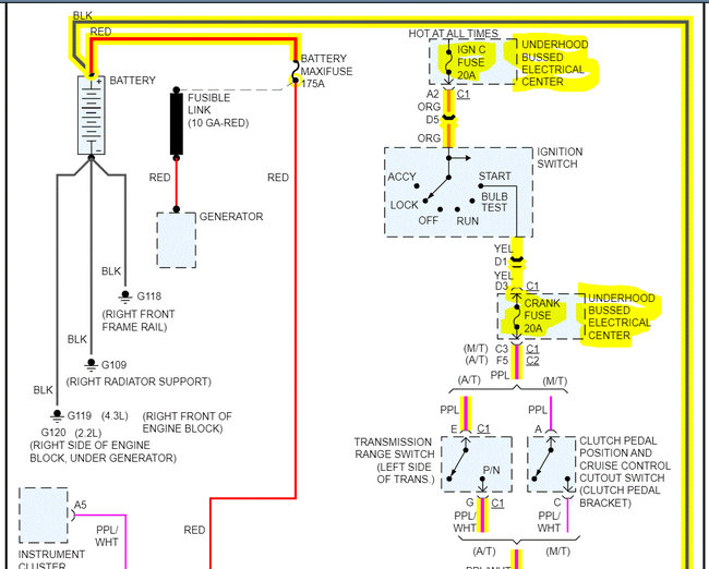
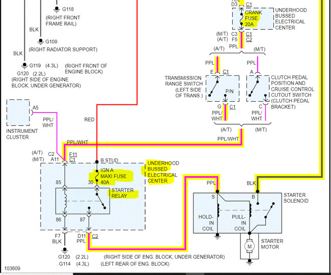
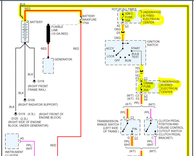
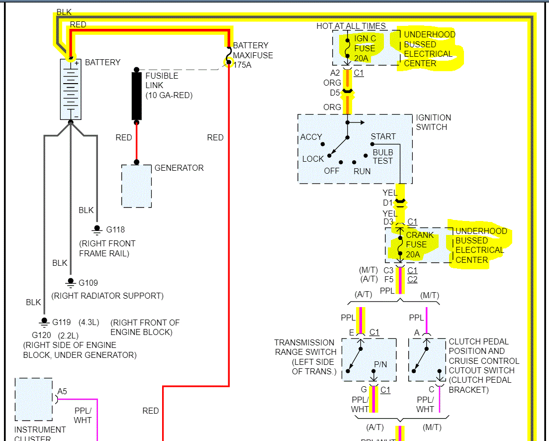
If you look below, I attached the wiring schematic for the starting system. I will explain how it works.

First, I highlighted the wiring involved. The black wire that runs from the battery to the starter motor will provide 12v to the starter at all times. This is the larger, heavier gauge wire on the starter motor.

The other wires I provided show how power goes from the ignition switch to the 20amp crank fuse, through the neutral safety switch, to the starter relay, then to the starter motor S terminal. That should only have 12v power when the key is in the start position. When the starter relay gets power from purple wire with a white tracer, it closes the circuit in the relay and power travels from the red wire in the pic to the purple wire leading to the S terminal on the starter. That, in turn, engages the starter motor.

With that being said, we first need to check fuses. All fuses and the starter relay are located in the under-hood fuse box. The following need checked:

Ign C
Crank fuse
Ign A (maxi-fuse).
Also, if there is no power to the ign A fuse, we will need to check the 175-amp battery maxi-fuse.

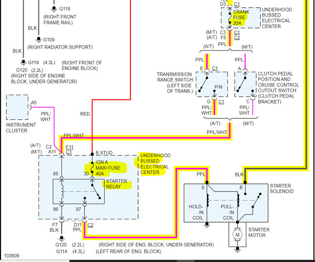
If you look at pic 3, I highlighted the fuses in the under-hood fuse box to check. Also, I highlighted the relay. When you check these fuses, it is important to not only check the fuse for integrity but also confirm it is getting power to and from it. Here is a link to help:

https://www.2carpros.com/articles/how-to-check-a-car-fuse

As far as the starter relay, once you confirm the fuses are good, you can either check the relay or if there is another one with the same part number, switch them. Here is a link that explains how to test a relay.

Let's start with this and let me know the results. Also, please feel free to let me know if you have questions. I never know if the description and directions are helpful.

Take care,

Joe

See pics below.
Was this
answer
helpful?
Yes
No
+1
Friday, December 3rd, 2021 AT 9:58 PM
Tiny
JACOB PIKE
  • MEMBER
  • 12 POSTS
Thank you, Joe that helps, I have some things wired wrong. Tomorrow I will add pics and a video with all the cut wires.
Was this
answer
helpful?
Yes
No
Saturday, December 4th, 2021 AT 1:28 AM
Tiny
JACOB PIKE
  • MEMBER
  • 12 POSTS
There's only one under hood busted electrical center right?
Was this
answer
helpful?
Yes
No
Saturday, December 4th, 2021 AT 6:49 AM
Tiny
JACOBANDNICKOLAS
  • MECHANIC
  • 110,194 POSTS
Yes, it is on the driver's side inner fender. See the attached pic.

Let me know if I can help. Also, hang in there. We'll get it running.

Take care,

Joe
Was this
answer
helpful?
Yes
No
Saturday, December 4th, 2021 AT 8:04 PM
Tiny
JACOBANDNICKOLAS
  • MECHANIC
  • 110,194 POSTS
Also, I forgot to add the link for testing a relay. Sorry about that. LOL

Here it is:

https://www.2carpros.com/articles/how-to-check-an-electrical-relay-and-wiring-control-circuit

Let me know what you find.

Joe
Was this
answer
helpful?
Yes
No
Saturday, December 4th, 2021 AT 10:43 PM
Tiny
JACOB PIKE
  • MEMBER
  • 12 POSTS
If you are in Arizona I'd love to let you come look.
Was this
answer
helpful?
Yes
No
Sunday, December 5th, 2021 AT 4:29 AM
Tiny
JACOBANDNICKOLAS
  • MECHANIC
  • 110,194 POSTS
I wish I was. It's already cold in PA and we've had snow. It's getting old. LOL

As far as the issue, were you able to perform any of the tests I sent? Let me know. Hang in there. We'll get it going.

Let me know what you have checked so far. I'll explain what to do next.

Take care.

Joe
Was this
answer
helpful?
Yes
No
Sunday, December 5th, 2021 AT 3:44 PM
Tiny
JACOB PIKE
  • MEMBER
  • 12 POSTS
I am planning and trying to bypass the park neutral safety switch I do not have the $300.00 it's going to take to get the new wires and the new park. Any ideas?
Was this
answer
helpful?
Yes
No
Monday, December 6th, 2021 AT 12:37 PM
Tiny
JACOB PIKE
  • MEMBER
  • 12 POSTS
Everything you told me to test works.
Was this
answer
helpful?
Yes
No
Monday, December 6th, 2021 AT 3:06 PM
Tiny
JACOBANDNICKOLAS
  • MECHANIC
  • 110,194 POSTS
You could use a jumper to bypass it as a test. Also, check the purple wire with the white tracer to see if there is power to it. If there is, check the solid purple wire and see if power is present when in park or neutral. I think that's easier but will require a helper.

Let me know.

Joe
Was this
answer
helpful?
Yes
No
Monday, December 6th, 2021 AT 6:33 PM
Tiny
JACOB PIKE
  • MEMBER
  • 12 POSTS
Is that wire has been cut I rerouted it and it seriously shocked me without a battery in it.
Was this
answer
helpful?
Yes
No
Tuesday, December 7th, 2021 AT 5:36 PM
Tiny
JACOBANDNICKOLAS
  • MECHANIC
  • 110,194 POSTS
Hi,

Which wire shocked you? If the battery is out, only a capacitor will retain power that can do that.

Let me know.

Joe
Was this
answer
helpful?
Yes
No
Tuesday, December 7th, 2021 AT 8:19 PM
Tiny
JACOB PIKE
  • MEMBER
  • 12 POSTS
The purple one.
Was this
answer
helpful?
Yes
No
Wednesday, December 8th, 2021 AT 3:02 AM
Tiny
JACOB PIKE
  • MEMBER
  • 12 POSTS
Okay, completely new question. Any idea what these two clips go to they are both under the dash and they were both not connected to anything, and I cannot find anything to plug them into.
Was this
answer
helpful?
Yes
No
Wednesday, December 8th, 2021 AT 7:52 AM
Tiny
JACOBANDNICKOLAS
  • MECHANIC
  • 110,194 POSTS
Hi,

Just looking at them is tough. By chance, did you check to see if any are supplying power?

Let me know.

Joe
Was this
answer
helpful?
Yes
No
Wednesday, December 8th, 2021 AT 7:55 PM
Tiny
JACOB PIKE
  • MEMBER
  • 12 POSTS
I have not. I think they either go to the stereo or maybe the heating cooling system.
Was this
answer
helpful?
Yes
No
Sunday, December 12th, 2021 AT 1:19 PM
Tiny
JACOBANDNICKOLAS
  • MECHANIC
  • 110,194 POSTS
Hi,

I was able to find solid orange wires by going through the schematic, but they should have power. One does go to the radio, and one is for the interior lighting. Check to see if they have power.

Let me know.

Joe
Was this
answer
helpful?
Yes
No
Sunday, December 12th, 2021 AT 6:28 PM
Tiny
JACOB PIKE
  • MEMBER
  • 12 POSTS
My starter bypass works, still not starting. Any ideas?
Was this
answer
helpful?
Yes
No
Monday, December 13th, 2021 AT 8:31 AM
Tiny
JACOBANDNICKOLAS
  • MECHANIC
  • 110,194 POSTS
Hi,

It sounds like either the gear on the starter or the flywheel is bad. Have you checked for either of those as an issue?

Joe
Was this
answer
helpful?
Yes
No
Monday, December 13th, 2021 AT 2:27 PM
Tiny
JACOB PIKE
  • MEMBER
  • 12 POSTS
Yes I have since the video.
Was this
answer
helpful?
Yes
No
Tuesday, December 14th, 2021 AT 5:55 PM

Please login or register to post a reply.