Turn signals not working

Tiny
TSLOAN88
  • MEMBER
  • 2005 BUICK LESABRE
  • 2WD
  • AUTOMATIC
  • 50,000 MILES
I've replaced the turn signal bulbs, the bulb sockets, the turn signal flasher/hazard flasher all in one. I've even checked fuses. Still no hazards or turn signal. Am I missing something?
Wednesday, December 11th, 2019 AT 9:51 AM

25 Replies

Tiny
KEN L
  • MASTER CERTIFIED MECHANIC
  • 55,291 POSTS
Hello,

There is a turn signal hazard fuse we need to check for power. here is a guide to help and the fuse location with the blinker wiring diagrams so you can see how the system works:

https://www.2carpros.com/articles/how-to-check-a-car-fuse

Check out the diagrams (below). Please let us know what you find. We are interested to see what it is.
Was this
answer
helpful?
Yes
No
-1
Wednesday, December 11th, 2019 AT 9:59 AM
Tiny
TSLOAN88
  • MEMBER
  • 2 POSTS
Thanks for the reply. I had to replace fuses and both bulb sockets up front. But they are working now.
Was this
answer
helpful?
Yes
No
+1
Wednesday, December 11th, 2019 AT 10:45 AM
Tiny
KEN L
  • MASTER CERTIFIED MECHANIC
  • 55,291 POSTS
Glad you could get it fixed, that kind of problem can be tough. Please use 2CarPros anytime we are here to help.
Was this
answer
helpful?
Yes
No
Wednesday, December 11th, 2019 AT 10:46 AM
Tiny
KGOOD
  • MEMBER
  • 1 POST
  • 2003 BUICK LESABRE
  • 3.8L
  • V6
  • 2WD
  • AUTOMATIC
  • 160,000 MILES
The running light works, hazard lights work and the right signal works. Just left side turn signals not working.
Was this
answer
helpful?
Yes
No
+1
Friday, February 12th, 2021 AT 11:29 AM (Merged)
Tiny
JACOBANDNICKOLAS
  • MECHANIC
  • 110,192 POSTS
Hi,

When you turn the left signal on, does anything happen? For example, does the indicator come on in the vehicle or flash rapidly? Also, when you turn the hazard lights on, do they work?

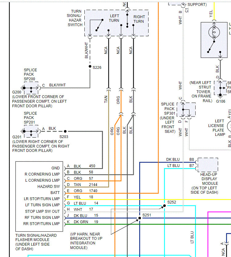
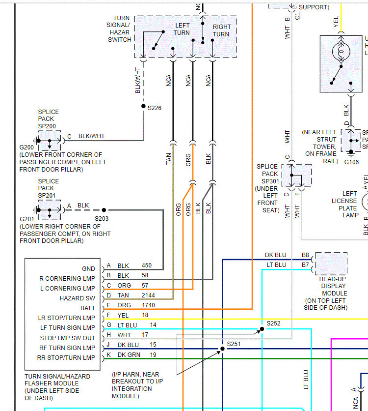
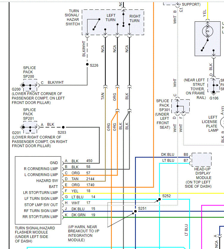
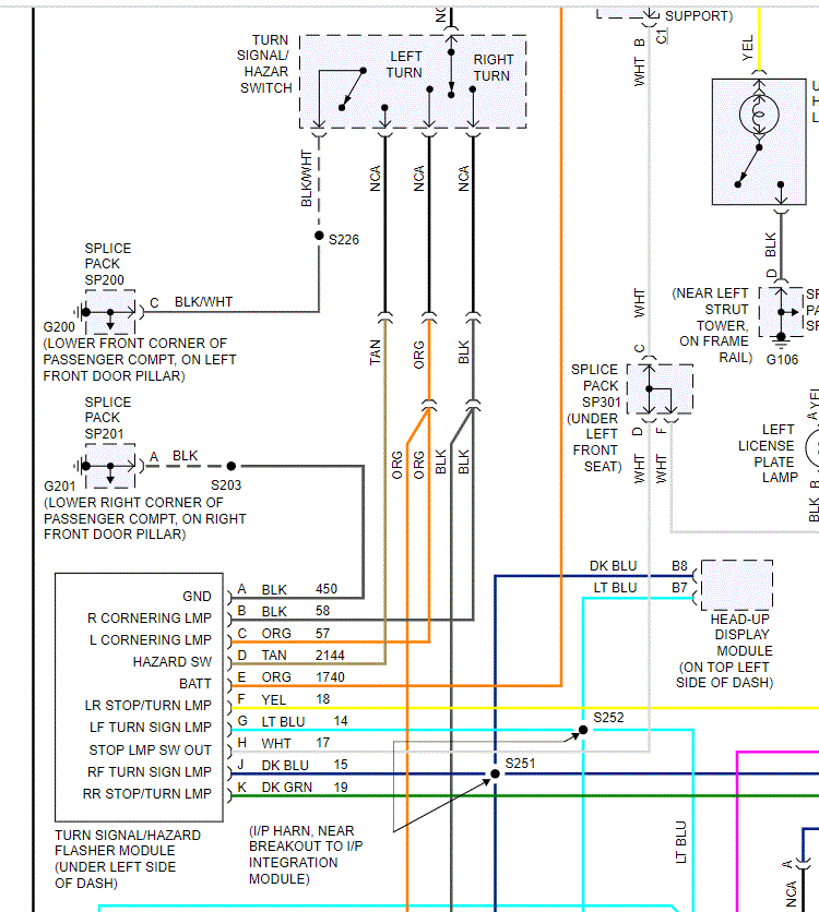
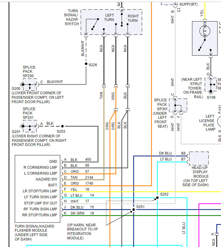
I'm looking through the wiring schematic, and I notice that power goes through the hazard /signal switch before going to the flasher module. See pic 1. Let me know if anything is happening when the signal is turned on or when the hazards are turned on. If it still doesn't work, I will need you to check for power at the module's light blue wire when the left signals are selected. Here is a link you may find helpful:

https://www.2carpros.com/articles/how-to-check-wiring

Let me know. If you have other questions, let me know that as well.

Take care,
Joe

Was this
answer
helpful?
Yes
No
Friday, February 12th, 2021 AT 11:29 AM (Merged)
Tiny
S89MG13
  • MEMBER
  • 2 POSTS
  • 2002 BUICK LESABRE
  • 3.6L
  • 6 CYL
  • 2WD
  • AUTOMATIC
  • 100,000 MILES
Problem was intermittent but now constant. All the other lights seem to work correctly but the right rear signal is steady without flash. Right turn signal indicator on dash is steady lit. I can't find the Light Control Module location. Took both skirts off under driver and passenger sides of dashboard.
Was this
answer
helpful?
Yes
No
+1
Friday, February 12th, 2021 AT 11:29 AM (Merged)
Tiny
ASEMASTER6371
  • MECHANIC
  • 52,796 POSTS
Good evening,

It is under the left side of the dash. I attached a picture for you of the location.

Roy
Was this
answer
helpful?
Yes
No
-1
Friday, February 12th, 2021 AT 11:29 AM (Merged)
Tiny
S89MG13
  • MEMBER
  • 2 POSTS
Thank you Roy, unfortunately I have poor eyesight so that picture isn't enough. Could you tell me where it came from so I can read up on it please?
Was this
answer
helpful?
Yes
No
Friday, February 12th, 2021 AT 11:29 AM (Merged)
Tiny
ASEMASTER6371
  • MECHANIC
  • 52,796 POSTS
Alldata.

You can go to there site and get a days pass for your car and you can read and download all the information you wish.

Roy
Was this
answer
helpful?
Yes
No
+1
Friday, February 12th, 2021 AT 11:29 AM (Merged)
Tiny
AEW
  • MEMBER
  • 1 POST
  • 2000 BUICK LESABRE
  • 6 CYL
  • FWD
  • AUTOMATIC
  • 45,000 MILES
The signal lights are not working, however the hazard lights do flash when turned on. I have checked the fuses I know to check and all the bulbs are working. However, when the turn signal switch on the steering column is pushed up or down to activate the turn signals they do not blink. Can you tell me how to go about fixing this problem?
Was this
answer
helpful?
Yes
No
Friday, February 12th, 2021 AT 11:29 AM (Merged)
Tiny
JDL
  • MECHANIC
  • 16,098 POSTS
This sounds like the turn signal flasher is not working right. Here is the location so you can see how to replace it.

Check out the diagrams (below). Please let us know what happens.

Cheers
Was this
answer
helpful?
Yes
No
+16
Friday, February 12th, 2021 AT 11:29 AM (Merged)
Tiny
PPNJ4
  • MEMBER
  • 3 POSTS
This fixed my car. Thanks for the post.
Was this
answer
helpful?
Yes
No
Friday, February 12th, 2021 AT 11:29 AM (Merged)
Tiny
TSLOAN88
  • MEMBER
  • 2 POSTS
I have a 2005 buick lasabre. I've replaced the turn singnal bulbs, the buld sockets, the turn singnal flasher/ hazard flasher all in one. I've even checked fuses. Still no hazards or turn singnal. Am I missing something?
Was this
answer
helpful?
Yes
No
+1
Friday, February 12th, 2021 AT 11:29 AM (Merged)
Tiny
KEN L
  • MASTER CERTIFIED MECHANIC
  • 55,291 POSTS
Please go here:

https://www.2carpros.com/questions/turn-signals-not-working-74949235

Was this
answer
helpful?
Yes
No
+1
Friday, February 12th, 2021 AT 11:29 AM (Merged)
Tiny
TSLOAN88
  • MEMBER
  • 2 POSTS
Thanks for the reply. I had to replace fuses and both bulb sockets up front. But they are working now.
Was this
answer
helpful?
Yes
No
Friday, February 12th, 2021 AT 11:29 AM (Merged)
Tiny
DRICE17
  • MEMBER
  • 2 POSTS
  • 2000 BUICK LESABRE
  • 3.8L
  • V8
  • 2WD
  • AUTOMATIC
  • 188,000 MILES
Right turn signal does not work. The dash light for the right turn signal also does not light. I replaced the flasher and that made no difference. The outside turn light for the right also does not work. All other functions work properly (emergency flasher, left turn signal etc.). Please advise.
Was this
answer
helpful?
Yes
No
Friday, February 12th, 2021 AT 11:30 AM (Merged)
Tiny
HARRY P
  • MECHANIC
  • 2,296 POSTS
I would bet on a bad switch. Fairly common in GM's from that year range. The only test that I can think of would be to probe the connector to the flasher with your multi-meter and see if power gets there when you have that switch turned on. I suspect you will find no power there.
Was this
answer
helpful?
Yes
No
+1
Friday, February 12th, 2021 AT 11:30 AM (Merged)
Tiny
DRICE17
  • MEMBER
  • 2 POSTS
Thank you. Where is the switch located?
Was this
answer
helpful?
Yes
No
Friday, February 12th, 2021 AT 11:30 AM (Merged)
Tiny
HARRY P
  • MECHANIC
  • 2,296 POSTS
I am talking about the one on the steering column that you flip up for right and down for left.
Was this
answer
helpful?
Yes
No
Friday, February 12th, 2021 AT 11:30 AM (Merged)
Tiny
HARRY P
  • MECHANIC
  • 2,296 POSTS
It is actually a fairly involved job, as it requires you to pull the steering wheel off to do it. And it is possible that if you make a mistake, the airbag can go off and hit you in the face. But I am posting the basics of removing (images 1 and 2) and reinstalling the switch (image 3) below. And here is our guide on removing and reinstalling the wheel: https://www.2carpros.com/articles/steering-wheel-removal

You will need to borrow a steering wheel puller from AutoZone for your car though.
Was this
answer
helpful?
Yes
No
Friday, February 12th, 2021 AT 11:30 AM (Merged)

Please login or register to post a reply.