Turn signals quit working

Tiny
PAULA.DOLL
  • MEMBER
  • 2002 TOYOTA CAMRY
  • 6 CYL
  • 2WD
  • AUTOMATIC
  • 160,000 MILES
Hazard lights and all other lights work. Give me some ideas where to look. All fuses have been replaced also.
Friday, February 7th, 2020 AT 12:10 PM

1 Reply

Tiny
JACOBANDNICKOLAS
  • MECHANIC
  • 110,192 POSTS
Hi,

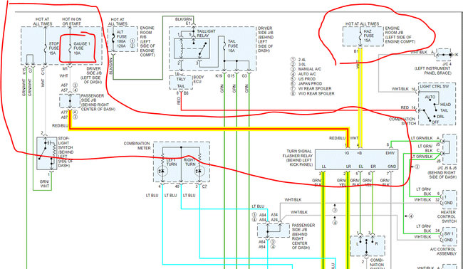
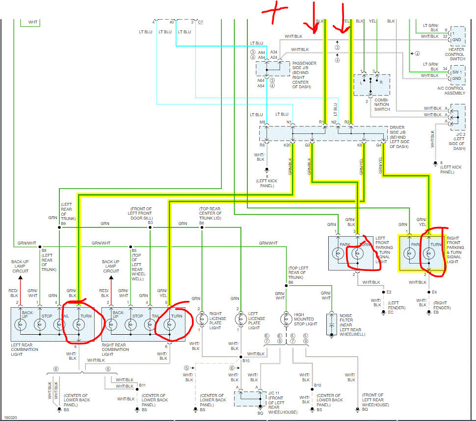
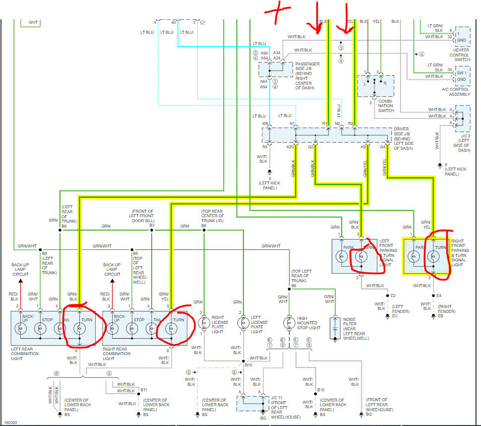
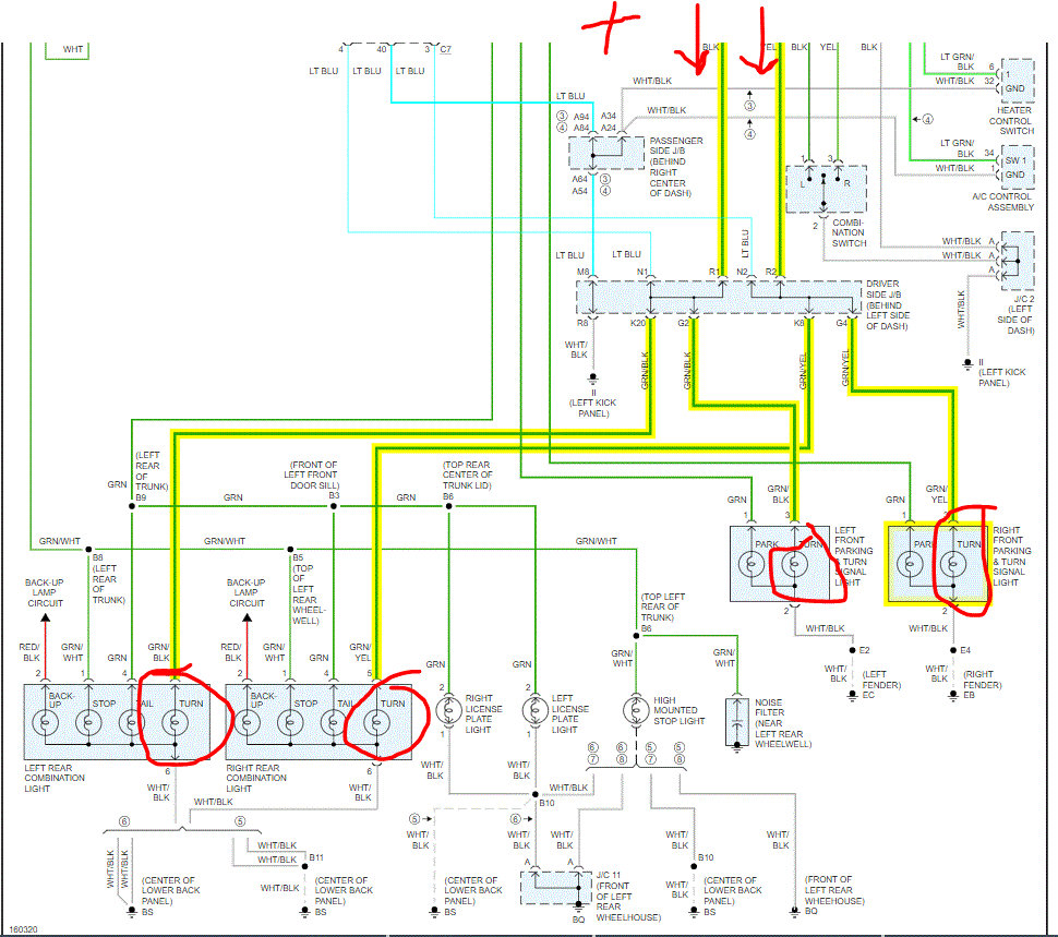
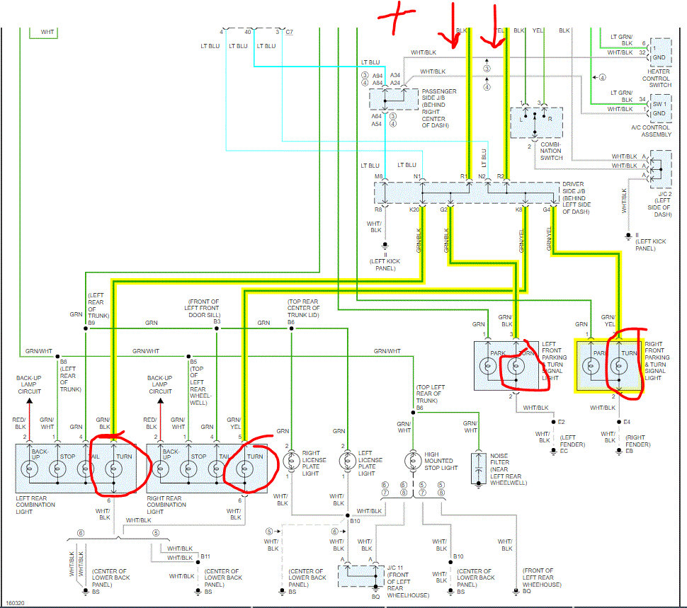
Interestingly, the flashers have their own fuse, and the signals are a switch power from a different fuse. I attached two pics below. In the first pic shows the fuse I need you to confirm is good. If it checks good, then confirm there is power at the fuse.

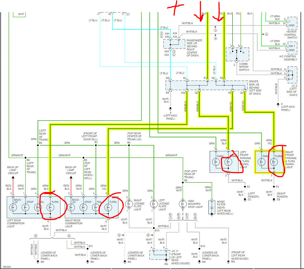
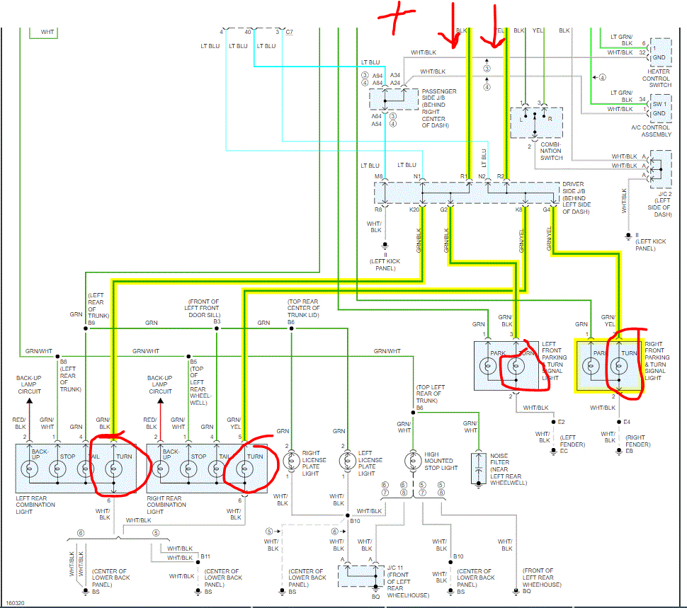
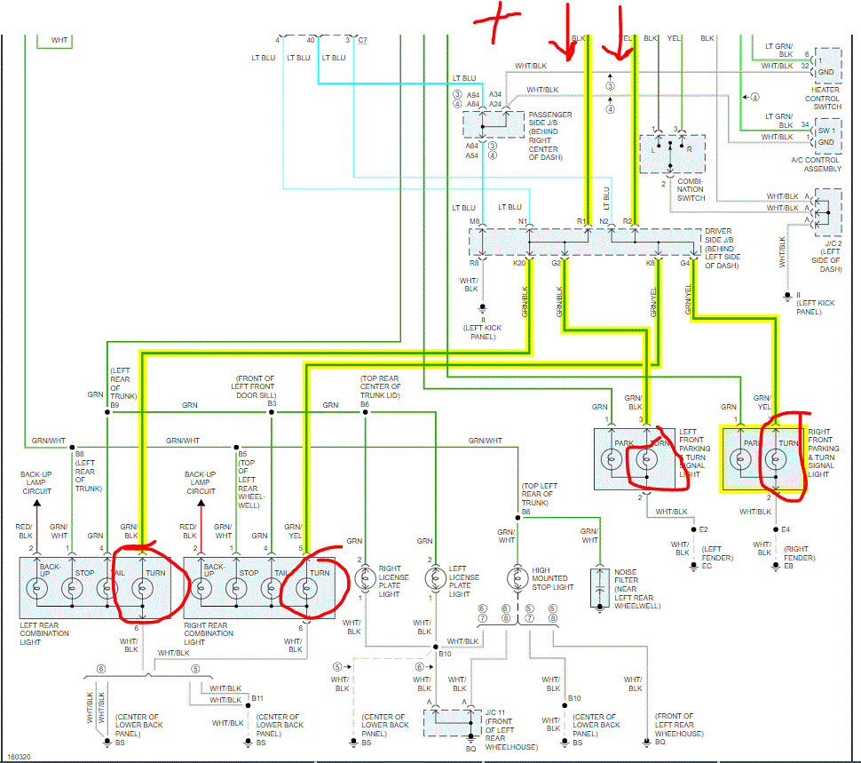
The second pic simply shows how power then goes through the switch and to the lights.

Here are a few links you may find helpful:

https://www.2carpros.com/articles/how-to-use-a-test-light-circuit-tester

https://www.2carpros.com/articles/how-to-use-a-voltmeter

https://www.2carpros.com/articles/how-to-check-wiring

https://www.2carpros.com/articles/how-a-car-fuse-works

https://www.2carpros.com/articles/how-to-check-a-car-fuse

Let me know what you find.

Joe
Was this
answer
helpful?
Yes
No
Friday, February 7th, 2020 AT 1:15 PM

Please login or register to post a reply.