Left turn signal not working

Tiny
TENMILE
  • MEMBER
  • 2007 HONDA ACCORD
  • 2.4L
  • 4 CYL
  • 2WD
  • AUTOMATIC
  • 127,000 MILES
Checked bulbs and they are okay.
Checked many but not all fuses.
I have a Curt trailer connection in the trunk.

I can't locate the flasher. If flasher quit, would it affect both sides?
I also can't locate correct fuse.
I don't know how to test signal switch on column.
Sunday, December 5th, 2021 AT 4:05 PM

11 Replies

Tiny
JACOBANDNICKOLAS
  • MECHANIC
  • 110,194 POSTS
Hi,

I need a bit more info. First, when you turn the left signals on, do they light and not flash, or do they not light at all? Are both the front and rear lights affected? If you turn the hazard lights on, will the left side signals light?

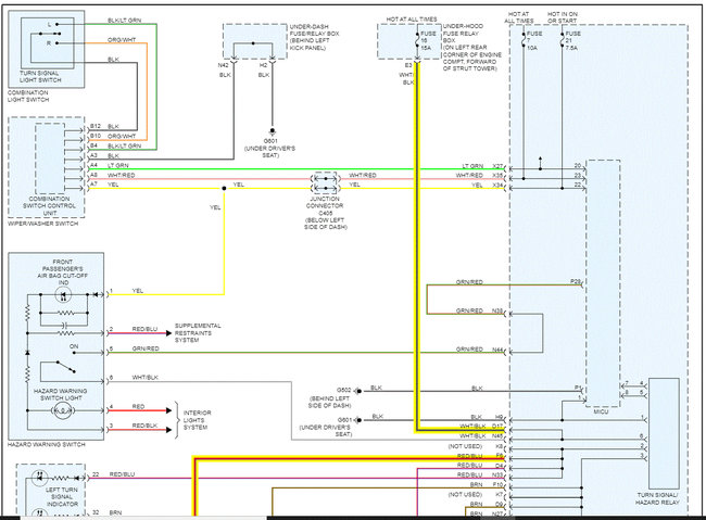
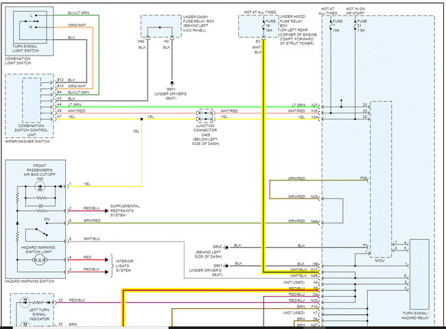
I attached a wiring schematic below. As far as the fuse, I highlighted it in pic 1. It's fuse 16 in the under-hood fuse box. However, if I'm reading the schematic correctly, that should power both left and right, but check it to be sure it's okay. When checking, make sure there is power to and from the fuse as well. Here is a link you may find helpful:

https://www.2carpros.com/articles/how-to-check-a-car-fuse

As far as the flasher, it can have just one side affected. However, the lights, in most cases, will light and not flash. The flasher is in the vehicle fuse box under the left side of the dash.
See pic 3.

As far as testing the switch, you will need to check for power out from the switch on the black wire with a light green tracer at the switch. The control module for the signals is integral to the combination switch (wiper switch).

Here is a link you may find helpful when testing wiring:

https://www.2carpros.com/articles/how-to-check-wiring

I hope this helps. Let me know if you have other questions or if I can help in any way.

Take care,

Joe

See pics below.
Was this
answer
helpful?
Yes
No
Sunday, December 5th, 2021 AT 5:40 PM
Tiny
TENMILE
  • MEMBER
  • 6 POSTS
Left turn signals do not work at all either inside nor front and back. Flashers only work the right side. I have Curt trailer hookup (with its own module) located on the left taillight. I installed it in 2007 and has been working fine. It plugs into existing plugs, so no wires were altered.
Was this
answer
helpful?
Yes
No
Sunday, December 5th, 2021 AT 6:22 PM
Tiny
JACOBANDNICKOLAS
  • MECHANIC
  • 110,194 POSTS
Hi,

If the hookup is a plug-in, remove it and see if it makes a difference. If it doesn't, just re-plug it in. Something internally may have failed in it.

What happens when you use the hazards?

Joe
Was this
answer
helpful?
Yes
No
Sunday, December 5th, 2021 AT 6:59 PM
Tiny
TENMILE
  • MEMBER
  • 6 POSTS
The hazards only operate the right side, left side nothing.
Was this
answer
helpful?
Yes
No
Sunday, December 5th, 2021 AT 7:19 PM
Tiny
JACOBANDNICKOLAS
  • MECHANIC
  • 110,194 POSTS
Hi,

If you bypass the trailer hookup, does it change anything?

Also, let me know if this is a sedan or coupe. The wiring harnesses are different, and I want to do a more in-depth analysis of possible causes.

Let me know.

Joe
Was this
answer
helpful?
Yes
No
Sunday, December 5th, 2021 AT 7:30 PM
Tiny
TENMILE
  • MEMBER
  • 6 POSTS
It is a sedan. I will check trailer hookup tomorrow. Thanks
Was this
answer
helpful?
Yes
No
Sunday, December 5th, 2021 AT 7:54 PM
Tiny
JACOBANDNICKOLAS
  • MECHANIC
  • 110,194 POSTS
Okay. Let me know the results of the hookup. If that isn't the problem, we'll need to start tracing wiring to see where the power is lost.

Take care,

Joe
Was this
answer
helpful?
Yes
No
Sunday, December 5th, 2021 AT 8:03 PM
Tiny
TENMILE
  • MEMBER
  • 6 POSTS
So, trailer hookup was not the problem. Ideas?
Was this
answer
helpful?
Yes
No
Monday, December 6th, 2021 AT 10:01 AM
Tiny
JACOBANDNICKOLAS
  • MECHANIC
  • 110,194 POSTS
Hi,

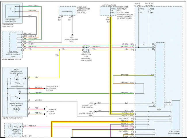
Yep, it's time to start tracing wiring. Before we do that, just to make me happy, check fuses 7 and 21 in the interior fuse box. See pic 1 below. Please remember it is not only important to check the fuse itself, but the power supply to it. The power to the fuses mentioned comes from a fuse in the under-hood fuse box. Fuse 7 is of the most interest.

Next, if you haven't already, check to see if there is power at the red wire with a blue tracer at one of the lights (front or rear). I suspect there isn't, but this is where to start.

If there isn't power, go to the connection of the hookup and locate the same color wire and check there. If nothing, go to the fuse box again (in-vehicle left side) and locate the same wire going onto the flasher/hazard relay. See pic 2

Let me know what you find to this point.

Joe

See pics below.
Was this
answer
helpful?
Yes
No
Monday, December 6th, 2021 AT 6:27 PM
Tiny
TENMILE
  • MEMBER
  • 6 POSTS
All fuses tested okay. I am leaning on getting a new turn signal stalk (switch). What do you think?
Was this
answer
helpful?
Yes
No
Tuesday, December 7th, 2021 AT 12:10 PM
Tiny
JACOBANDNICKOLAS
  • MECHANIC
  • 110,194 POSTS
Hi,

It could be the switch, but there could be other things as well. Do me a favor. I provided relay input diagnostics below. Take a look through them and let me know if you are comfortable performing them. I would like to rule out things before replacing the switch, but that is your call.

Let me know what I can do to help.

Joe

See pics below.
Was this
answer
helpful?
Yes
No
Tuesday, December 7th, 2021 AT 8:01 PM

Please login or register to post a reply.